
Sơ đồ bộ điều tốc cơ khí trên bơm PF
1. Chiều tăng ga 2. Chiều giảm ga 3. khâu trượt 4. Quả tạ 5. Bít tong 6. Vòng răng
7. Thanh răng 8. Cần liên hệ 9. Lò xo điều tốc 10. Bánh xe răng

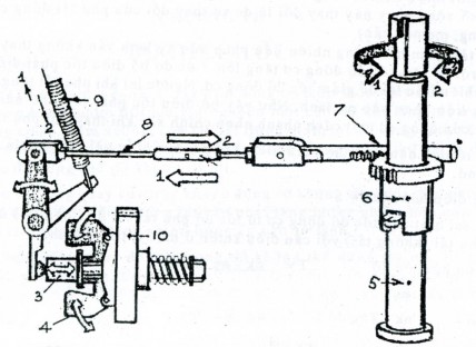
Hình bộ điều tốc cơ khí gắn trên bơm PE
A: Vị trí lúc đạp ga khởi động máy
1. Thanh răng 2,3,4,9. Các cần liên hệ 5. Cốt gắn khâu trượt 6. Quả tạ

Hình bộ điều tốc cơ khí gắn trên bơm PE
B: Vị trí lúc chạy cầm chừng
4. Bộ Điều Tốc Áp Thấp:
Bộ điều tốc áp thấp thường được gắn trên động cơ diesel vận tải. Ví dụ như: Hon Da, Toyota. Hoạt động theo quy luật biến thiên áp suất trong ống hút theo số vòng quay của động cơ. Đây là loại điều tốc đa chế độ.
a. cấu tạo:
Bộ điều tốc áp thấp thường có hai bộ phận chính cơ bản sau.
- Ống khuếch tán có cánh bướm, được điều khiển bởi bàn đạp ga ở phòng tài xế
- Hệ thống màng: gắn ở phòng điều tốc cuối bơm, gồm có:
Một màng da chia phòng điều tốc ra hai ngăn. Ngăn bên trái (17) thông với khí trời, ngăn 20 (phòng áp thấp) bên phải thông với ống khuếch tán nhờ ống mềm dẻo 10.
Thanh răng bơm cao áp được nối liền với màng davà luôn bị đẩy về hướng dầu tối đa nhờ lò xo tốc độ 16. cuối phòng bơm cao áp là một chốt tựa (8) tựa lên lò xo cầm chừng (18) được điều khiển bởi vít cầm chừng (19).
Ưu điểm:
Cấu tạo đơn giản, kích thước nhỏ, lực dùng điều khiển động cơ tương đối nhỏ. Không có các chi tiết mài mòn cơ khí. bộ điều tốc lắp trên các động cơ cao tốc có dải tốc độ lớn. Trong suốt phạm vi tốc độ, bộ điều tốc áp thấp có thể
bảo đãm độ đồng đều như nhau. Trong khi đó bộ điều tốc cơ khí khó thực hiện còn thêm vào đó bộ phận năng nề, cồng kềnh.
b. Nguyên lý hoạt động:
Nguyên tắc cơ bản là dựa vào tốc độ không khí qua ống khuếch tán, làm áp suất phát sinh ngay tại họng thay đổi, dẫn đến sự dịch chuyển của màng và thanh răng, làm thay đổi lượng nhiên liệu phun vào động cơ.
Khi cánh bướm gió ở vị trí nhất định, nếu thay đổi tốc độ động cơ thì làm thay đổi tốc độ không khí qua họng. Do đó thay đổi áp suất ở trong họng. Càng tăng số vòng quay động cơ thì áp thấp ở trong ngăn áp thấp càng tăng. Áp suất bên trong thông với khí trời lớn hơn nên gay áp lực đẩy màng, ép lò xo điều tốc, kéo thanh răng sang phải về phía giảm dầu. động cơ quay chậm lại, số vòng quay giảm, lò xo điều tốc đẩy màng và thanh răng về phía tăng dầu.

Hình 4.6: Bộ điều tốc áp thấp
1. Cần ga 2. Cánh bướm ga 3. Họng khuếch tán 4. Ống mềm dẻo 5. Cần tắt máy
Với tốc độ động cơ không thay đổi, nếu thay đồi vị trí cánh bướm gió ( tức thay đổi tiết diện không khí đi qua họng) sẽ dẫn đến tốc độ thay đổi không khí tại họng và làm áp thấp thay đổi. Cánh bướm gió đóng càng nhỏ thì giá trị áp thấp càng lớn, hút màng bộ điều tốc, kéo thanh răng về phía giảm dầu.
Mỗi vị trí cánh bướm gió do bàn đạp ga điều khiển sẽ tương ứng với một tốc độ động cơ. Càng mở lớn cánh bướm gió thì tốc độ động cơ càng lớn.
- Khởi động động cơ:
Lúc động cơ ngừng cả hai ngăn bộ điều tốc thông với khí trới. Lò xo động cơ sẽ đẩy màng và thanh răng về phía tăng dầu, làm giàu nhiên liệu để động cơ dễ nổ. Khởi động dễ dàng. Khi máy nổ, áp suất thấp phát sinh tại ngăn áp thấp, kéo màng và thanh răng về phía giảm dầu tương ứng với vì trí cánh bướm gió.
- Tốc độ cầm chừng:
Cánh bướm gió đóng gần kín họng khuếch tán, chỉ chừa một lỗ nhỏ cho không khí đi qua và tạo áp thấp tại ống làm hút màng, ép lò xo, kéo thanh răng về phía giảm dầu tương ứng với tốc độ động cơ. Vào lúc này, màng bộ điều tốc vừa tiếp xúc với chốt tì để giảm bớt sự rung động của màng, tăng độ ổn định của bộ điều tốc.
- Tốc độ tối đa:
Cánh bướm gió mở lớn, áp suất sinh ra yếu, lò xo động cơ đẩy màng và thanh răng sang phải, về phía tăng dầu để động cơ đạt tốc độ tối đa theo ấn định của bộ điều tốc .
- Tốc độ quá tải:
Với vị trí cần ga tối đa, động cơ làm việc ở chế độ đầy tải. Nếu tiếp tục tăng tải thì tốc độ động cơ giảm, do đó áp suất sinh ra sẽ yếu hơn lúc đầy tải, lò xo điều tốc đẩy màng về phía tăng thêm nhiên liệu để đáp ứng mức quá tải.
- Ngừng động cơ:
Kéo nút tắc máy ở buồng lái, màng đẩy thanh răng về phía tắc máy, ép lò xo tốc độ lại, ngưng cung cấp nhiên liệu, động cơ dừng.

Hình 4.7 : Bộ điều tốc áp thấp lúc làm việc.
5.cần giới hạn. | 11.Hướng ráp lọc gió. | |
B.tốc độ cầm chừng | 6.hướng tăng ga | 14. cần tắt máy |
1. ống khuếch tán. | 7. hướng giảm ga. | 17. phòng thông khí trơi |
2. cánh bướm ga. | 8.chốt tựa. | 18. lò xo cầm chưng |
3. màng da | 9. áp thấp. | 19. vít chỉnh cầm chừng |
4. lỗ thông hơi khí trời | 10.ống mềm dẻo. | 20. phòng áp thấp |
Có thể bạn quan tâm!
-
Bơm Cao Áp Pf Loại Pmy Và Bộ Điều Tốc (Piston Không Có Vạt Xéo) -
Điều Chỉnh Bằng Cách Thêm, Bớt Chêm Ở Mặt Bắt Bơm -
Bộ Phun Sớm Tự Động Gắn Đầu Cốt Bơm Pe -
Bộ Điều Tốc Cơ Áp Thấp Kết Hợp Gắn Trên Bơm -
Bảo dưỡng sửa chữa động cơ diesel - Nghề Công nghệ ô tô Dùng cho trình độ Cao đẳng Phần 1 - 9 -
Bảo dưỡng sửa chữa động cơ diesel - Nghề Công nghệ ô tô Dùng cho trình độ Cao đẳng Phần 1 - 10
Xem toàn bộ 88 trang tài liệu này.
c. Điều chỉnh bộ điều tốc loại áp thấp trên động cơ:
- Điều chỉnh tốc độ tối đa:
· Ghi chú hoặc xem tài liệu tốc độ không tải tối đa cho phép của nhà chế tạo, tuỳ đặc điểm từng bơm, ví dụ ở 2000 vòng/phút.
· Gắn đồng hồ đo số vòng quay động cơ, nếu trên động cơ không trang bị
· Kiểm tra toàn diện động cơ(xăng nhớt, nước làm mát …)
· Cho động cơ hoạt động vài phút để nóng máy.
· Đạp chân ga tối đa đồng thời quan sát đồng hồ đo số vòng quay, nếuchưa đạt tốc độ qui định thì ta nới vít giới hạn tốc độ tối đa ga. Nếu cao hơn thì vặn vào, đến khi nào lên lớn ga đạt được tốc độ giới hạn tối đa 2000 vong/phút thì dừng lại
· Khoá ốc điều chỉnh , niêm phong có thể.
· Giảm ga, đạp cần ga tối đa, kiểm tra lại lần nữa.
- Điều chỉnh tốc độ cầm chừng:
· Cho động cơ hoạt động nóng máy như trên.
· Thả cần ga ra để động cơ hoạt động ở tốc độ cầ chừng.
· Quan sát tốc độ động cơ ở đồng hồ đo tốc độ động cơ, đúng tốc độ cầm chừng, ví dụ 500 vòng/phút
· Tháo nắp nay vít chỉnh cầm chừng ở cuối bơm.
· Vặn vít hiệu chỉnh lò xo cầm chừng để chốt tựa di chuyển vào vừa đụng màng, ta thấy tốc độ động cơ vừa tăng một tí (mục đích là để chốt tựa vào màng kín làm màng không bị rung, tốc độ điều)
· Điều chỉnh vít giới hạn bướm ga vừa đụng vào cần điều khiển ở tốc độ cầm chừng.
d. Bảo trì bộ điều tốc loại áp thấp:
Bộ tiết chế tốc độ này không cần sự bảo trì quá mức, ta chỉ cần kiểm soát theo định kỳ, các khúc nối ,ống áp thấp và phòng áp thấp không bị hở.
Màng kín phải được giữ luôn luôn mềm dẻo, cứ mỗi lần thay dầu cat te máy thì ta lại cho vài giọt nhớt sạch xịt vào tấm màng. Tránh xịt quá nhiều dầu vào phòng áp thấp.
Điều quan trọng là phải rửa hoặc thông ruột của bình lược gió theo định kỳ để cho bộ tiết chế không bị sai lệch vì ảnh hưởng bởi áp thấp bị thay đổi.
e. Hư hỏng bộ điều tốc:
Động cơ chạy ở tốc độ lớn thì được, nhưng tốc độ thấp thì không được, lên xuống chân ga mà không có tác dụng. Nguyên nhân do màng rách hoặc hở ở đường ống áp thấp.
Muốn biết màng còn kín hay không, ta đẩy thanh răng về chiều cúp dầu, lấy ngón tay bị lỗ ống áp thấp, buông thanh răng ra. Nếu thanh răng trả từ từ hay đứng yên thì màng còn tốt, nếu thanh răng trả nhanh thì màng đã bị rách hay hở.
5. Bộ điều tốc cơ khí áp thấp kết hợp:
a. cấu tạo:
Ở các bơm cao áp PE như Toyota đời sau này, nhà chế tạo trang bị thêm phần điều tốc cơ khí phụ trợ với phần điều tốc áp thấp như hình vẽ. Bộ điều tốc này gồm hai phần cũng gắn ở đuôi bơm.
- Phần trên là phần điều tốc áp thấp tương tự như trình bày ở phần trước.
- Phần dưới là bộ điều tốc cơ khí gồm có: Các quả văng được điều khiển bởi cốt bơm. Lực li tâm của các quả văng được điều khiển bởi lò xo điều khiển tốc độ. Sức căng của lò xo này được điều chỉnh bởi vít điều chỉnh tốc độ. Một vành trượt bọc ngoài quả văng, tựa lên ống trượt, ống trượt này nối với cần điều khiển.
b. Nguyên lý hoạt động:
Khi chạy không tải lực li tâm của các quả văng nhỏ hơn lực căng của lò xo điều khiển tốc độ nên bộ điều khiển cơ khí không hoạt động. Cánh bướm ga hầu như đóng hoàn toàn, độ chân không lớn tác dụng lên màng da trong buồng chân không. Màng da bị độ chân không này kéo sang phải cho đến khi lực do độ chân không không tác dụng lên màng cân bằng với lực của lò xo chính và lò xo không tải. Vì vậy thanh răng bị kéo sang phải, động cơ chạy không tải ổn định.
Khi chạy ở chế độ tải cục bộ (chân ga chỉ đạp một phần), bướm ga mở một phần và độ chân không yếu đi, màng bị lò xo chính đẩy sang trái làm tăng lượng phun và tốc độ động cơ tăng theo. Cùng lúc đó độ chân không chỉ cân bằng với sức căng của lò xo chính và màng vẩn ở vị trí giũa, nó dịch chuyển theo cả hai hướng để điều khiển lượng phun. Như vậy ở tốc độ không tải và tốc độ trung bình thì bộ điều tốc cơ khí không hoạt động vì lực li tâm của các quả văng nhỏ hơn lục căng của lò xo điều khiển tốc độ.
Khi chạy đầy tải, bướm ga mở hoàn toàn ngay cả tốc độ động cơ thấp. Độ chân không trong họng hút nhỏ hơn khi động cơ chạy ở chế độ tải trung bình. Vì vậy màng bị lò xo chính đẩy sang trái đên khi thanh răng tiếp xúc với vấu chặn đầy tải. Kết quả là lượng phun tăng đến mức cực đại, công suất động cơ tăng, tốc độ động cơ tăng. Cơ cấu điều khiển cơ khí không hoạt động ở chế độ này vì tốc độ động cơ vẩn nhỏ hơn tốc độ cực đại cho phép.
Khi tốc độ cực đại (đạp ga hết cở ở chế độ tải cục bộ), tốc độ động cơ đạt tốc độ cực đại cho phép. Lực li tâm của các quả văng lớn hơn lực ép của các lò xo điều khiển tốc độ và lò xo chính. Vành trượt đẩy ống trượt sang phải, ống trượt di chuyển cần điều khiển, cần điều khiển điều khiển thanh răng sang phía giảm lượng phun. Tốc độ động cơ giảm xuống và giới hạn tốc độ cực đại trong khoảng cho phép.
Ngoài ra ưu điểm của bộ điều tốc áp thấp kết hợp cơ khí là khi màng rách hoặc ống áp thấp bị lủng thì động cơ không bị vượt tốc bởi vì lúc này quả tạ bung ra đẩy vành trượt điều khiển cần điều khiển, cần điều khiển di chuyên thanh răng về phía giảm lượng phun.








