
Hình 1.10 : Cấu tạo bộ chỉnh lưu
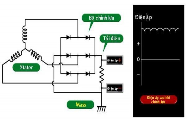
Gồm sáu con điốt silíc được gắn trên hai miếng tản nhiệt, đấu theo mạch cầu. Bộ chỉnh lưu có nhiệm vụ nắn dòng điện xoay chiều 3 pha thành dòng điện một chiều.
Dưới đây là chiều dòng điện trên các cuộn dây Stato khi đi qua bộ chỉnh
lưu

Hình 1.11. Dòng điện chạy trên pha A

Hình 1.12. Dòng điện chạy trên pha B

Hình 1.13. Dòng điện chạy trên pha C
Điện áp sau khi chỉnh lưu

Hình 1.14. Điện áp sau khi đi qua bộ chỉnh lưu
e/ Pulley
Puly được gắn vào đầu trục roto và truyền chuyển động từ puly trục khuỷu đến máy phát thông qua dây đai. Có 3 kiểu puly: kiểu thường có rãnh, kiểu có khớp một chiều, kiểm khớp một chiều có lò xo giảm chấn.

Hình 1.15: Puly có khớp một chiều
Máy phát mới được trang bị puly có khớp một chiều. Nó có các con lăn và lo xo bố trí giữa vòng trong và vòng ngoài của puly giúp puly có thể quay được một chiều. Kết cấu này giúp hấp thu sự thay đổi của tốc độ động cơ và truyền năng lượng theo chiều quay của động cơ. Kết quả là tải đặt lên trên đai chữ V được giảm đi
Hình 1.16 : Cấu tạo puly có khớp một chiều

Hình 1.17 : Cấu tạo puly có khớp một chiều có lò xo giảm chấn
f/ Chổi than: Hai chổi than được cấu tạo từ đồng graphit và một số phụ chất để làm giảm điện trở và sức mài mòn. Hai chổi than được đặt trong giá đỡ, chổi than bắt đầu cố định trên vỏ máy, luôn áp sát vào vành tiếp điện nhờ lực ép của lò xo

Hình 1.14 : Chổi than và giá đỡ chổi than
1.2.2. Sơ đồ nguyên lý và nguyên lý làm việc của máy phát điện.
1.2.2.1. Sơ đồ nguyên lý
(IG/SW)
Phụ tải
d1 d2 d3
Rôto
Wkt
a
b
Stato
c
+
Ắc quy
_
d6 d5 d4
Hình 1.19: Sơ đồ nguyên lý máy phát điện xoay chiều
1.2.2.2. Nguyên lý làm việc
Khi đóng khóa điện dòng điện từ dương ắc quy đi qua khóa điện đến cuộn kích từ về âm ắc quy làm từ hóa hai má cực trở thành nam châm điện ( Rô to ). Khi động cơ làm việc trục khuỷu quay và dẫn động rôto quay. Các cuộn dây stato cắt các đường sức từ, trong cuộn đây stato sinh ra dòng điện cảm ứng. Dòng điện này là dòng điện xoay chiều ba pha thông qua bộ chỉnh lưu nắn thành dòng điện một chiều, cung cấp cho phụ tải và nạp điện cho ắquy.
1.3. Hiện tượng, nguyên nhân hư hỏng máy phát điện xoay chiều
Khi máy phát điện bị trục trặc hoặc hỏng hóc sẽ không đảm bảo việc cung cấp điện bình thường trên xe, đồng thời làm cho ắc quy không nạp điện được bình thường dẫn tới hết điện. Có thể phát hiện hư hỏng của máy phát điện qua các hiện tượng hư hỏng trong bảng.
Nguyên nhân | Cách khắc phục | |
1. Máy phát làm việc ồn | a. Dây đai máy phát bị mòn hoặc trùng b. Puly bị vênh c. Máy phát gá không chặt hoặc hỏng | - Thay hoặc điều chỉnh lại sức căng dây đai - Thay buly mới -Siết chặt bulông gá máy phát, kiểm tra sửa chữa máy phát nếu hỏng |
2. Cầu chì hoặc đèn chiếu sáng bị cháy liên tục | a. Máy phát hoặc bộ điều chỉnh điện áp hỏng b. Ắc quy hỏng | - Kiểm tra, sửa chữa hoặc thay mới nếu cần - Kiểm tra, thay mới nếu cần |
3. Đèn báo không nạp nhấp nháy sau khi khởi động động cơ hoặc luôn sáng khi xe chạy | a. Dây đai máy phát mòn hoặc trùng b. Máy phát hỏng c. Mạch điện kích từ hoặc cuộn dây kích từ của rôto trục trặc d. Bộ điều chỉnh điện áp hỏng e. Mạch điện đèn báo bị hỏng | - Điều chỉnh lại sức căn hoặc thay mới - Bảo dưỡng, sửa chữa hoặc thay mới - Kiểm tra, bảo dưỡng các đầu nối, vòng tiếp điện, chổi than, cuộn dây, thay mới nếu cần - Kiểm tra thay mới nếu cần |
a. Dây đai máy phát bị chùng | - Điều chỉnh lại sức căng hoặc thay |
Có thể bạn quan tâm!
-
Bảo dưỡng và sửa chữa điện thân xe - Trường CĐ Nghề Đà Nẵng - 1 -
Bảo dưỡng và sửa chữa điện thân xe - Trường CĐ Nghề Đà Nẵng - 2 -
Nhiệm Vụ, Yêu Cầu, Phân Loại Của Bộ Điều Chỉnh Điện 2.1.1.nhiệm Vụ -
Quy Trình Kiểm Tra Và Sửa Chữa Bộ Điều Chỉnh Điện Áp. -
Sơ Đồ Mạch Điện Nâng Hạ Kính Loại Dương Chờ.
Xem toàn bộ 93 trang tài liệu này.
Hiện tượng
b. Các đầu dây nối bị hỏng c. Máy phát hoặc bộ điều chỉnh điện áp bị hỏng | mới - Kiểm tra nối chặt lại - Kiểm tra bảo dưỡng hoặc thay mới nếu cần | |
5. Đồng hồ điện báo nạp chỉ ra ắc quy phóng điện | a. Dây đai chùng hoặc mòn b. Mối nối giữa ắc quy và | - Căng lại hoặc thay dây đai mới |
4. Đèn báo không nạp nhấp nháy khi xe chạy
1.4. Quy trình tháo, lắp, kiểm tra và sửa chữa máy phát điện

1.4.1 Quy trình tháo máy phát điện
NỘI DUNG THỰC HIỆN | DỤNG CỤ | HÌNH ẢNH | YÊU CẦU KỸ THUẬT | |
1 | Tháo nắp sau | -Dùng tuốc nơ |
| - Để nắp máy cẩn |
máy phát điện | vít hoặc tròng | thận sau khi tháo ra, | ||
- Tháo đai ốc và | tránh bi rơi. | |||
ống cách điện | - Để đai ốc gọn gàng | |||
chân cực của bộ | ||||
nắn dòng | ||||
- Tháo ba đai ốc | ||||
và nắp sau máy | ||||
phát điện. | ||||
2 | Tháo giá đỡ | - Dùng tuốc nơ | - Các chi tiết được | |
chổi than, tiết | vít | tháo ra gọn gàng | ||
chế IC | ||||
-Tháo 2 vít, giá | ||||
đỡ chổi than và | ||||
nắp ra. | ||||
-Tháo ba vít, lấy | ||||
tiết chế IC ra. |
Tháo giá đỡ bộ nắn dòng. -Tháo 4 vít -Dùng kìm uốn thẳng lại các đầu dây điện. -Lấy giá đỡ bộ nắn dòng ra | -Dùng tuốc nơ vít 4 cạnh -Kìm uốn |
| - Để tiết chế cẩn thận | |
4 | Tháo bánh đai -Dùng Clê ngẫu lực giữ Tuýp chuyên dụng SST A xiết: Tuýp chuyên dụng SST B theo chiều kim đồng hồ theo đúng mômen quy định. -Kiểm tra chắc chắn rằng tuýp chuyên dụng SST A được lắp chặt trên trục rôto. -Lắp tuýp chuyên dụng SST C lên êtô, đặt máy phát điện vào tuýp chuyên dụng SST C. Xoay tuýp chuyên dụng SST A theo hướng như để nới lỏng đai ốc giữ bánh đai. Nhấc máy phát điện ra khỏi tuýp chuyên dụng SST C. Xoay tuýp SST B để tháo tuýp SST A và B ra. | 3 tuýt chuyên dùng SST: A,B,C | Mômen xiết:400KGcm. |


-Tháo đai ốc giữ bánh đai và bánh đai ra. | ||||
5 | Tháo nắp trước máy phát -Tháo 4 đai ốc -Dùng vam SST tháo nắp trước máy phát điện ra. | -Mô men Clê, mỏ lết, Tuốc nơ vít dẹt, khẩu. | ||
6 | Tháo Rôto ra khỏi nắp trước (đầu có bánh đai dẫn động) máy phát điện. | Dùng tay lấy Roto ra |







