Nếu điện áp nằm ngoài tiêu chuẩn, thay thế dây dẫn, giắc nối
Nếu điện áp nằm trong tiêu chuẩn, lắp rơle đèn sương mù phía trước và làm theo bước 5
Bước 5 Kiểm tra công tắc đèn sương mù trước
- Tháo giắc cắm D4 của công tắc đèn sương mù
- Dùng đồng hồ vạn năng đo điện trở của công tắc đèn sương mù trước
Vị trí đo | Điều kiện | Tiêu chuẩn |
D4-3 (BFG) - D4-4 (LFG) | Công tắc đèn sương mù trước OFF | >10 kΩ |
D4-3 (BFG) - D4-4 (LFG) | Công tắc đèn sương mù trước ON | <1 Ω |
Có thể bạn quan tâm!
-
Thực hành điện thân xe - 5 -
Thực hành điện thân xe - 6 -
Thực hành điện thân xe - 7 -
Thực hành điện thân xe - 9 -
Thực hành điện thân xe - 10 -
Thực hành điện thân xe - 11
Xem toàn bộ 177 trang tài liệu này.
- Điện trở tiêu chuẩn

Giắc cắm D4 nằm trên cụm công tắc tổ hợp
Nếu điện trở nằm ngoài tiêu chuẩn, thay thế công tắc tổ hợp (công tắc đèn sương mù nằm trong công tắc tổ hợp)
Nếu điện trở nằm trong tiêu chuẩn, làm theo bước 6
Bước 6 Kiểm tra dây điện và giắc nối (rơ le đèn sương mù trước-Công tắc chọn đèn)
- Ngắt giắc nối D4 của cụm công tắc tổ hợp

- Dùng vôn kế đo giá trị điện áp của giắc D4 phía dây dẫn
Chế độ điều khiển | Tiêu chuẩn | |
D4-3 (BFG) - (-) AQ | TAIL | 11 đến 14 V |
Giắc D4 phái dây dẫn của cụm công tắc tổ hợp
Nếu điện áp không đạt tiêu chuẩn, thay thế dây dẫn hay giắc nối.
Nếu điện áp đạt tiêu chuẩn, có thể đã có sai lầm trong các quá trình đo ở trước
Bước 7 Kiểm tra bóng đèn sương mù trước
- Tháo giắc điện của đèn sương mù trước
- Cấp điện áp ắc quy vào các cực của đèn sương

Giắc8, B9 của đèn sương mù trước phía tải điện
mù trước.
ĐKTC | |
Cực dương ắc quy - Cực 2 Cực âm ắc quy - Cực 1 | Đèn sương mù trước sáng |
- Nếu đèn không sáng, thay thế bóng đèn
Nếu đèn sáng, cắm lại giắc và làm tiếp bước 8
Bước 8 Kiểm tra dây điện và giắc nối (rơ le và đèn sương mù trước)
- Ngắt các giắc B8 và B9 của đèn sương mù phía trước.
- Dùng vôn kế đo điện áp tài các vị trí sau:
Vị trí đo | Vị trí công tắc | ĐKTC |
B8-2 - (-) AQ | Khoá điện ON Công tắc kích thước TAIL Công tắc sương mù ON | 11 đến 14 V |
B9-2 - (-) AQ | Khoá điện ON Công tắc kích thước TAIL Công tắc sương mù ON | 11 đến 14 V |

Giắc cắm B8 và B9 phía dây dẫn của đèn sương mù trước
Điện áp không đạt tiêu chuẩn, sửa chữa hoặc thay thế giắc. Nếu đạt tiêu chuẩn, có thể đã có sai sót trong quá trình đo
2.2.4. Trình tự tháo, lắp và điều chỉnh đèn sương mù 1.Trình tự tháo

- Tháo tấm lót tai xe trong phía trước
Dùng tô vít tháo 3 vít và tháo phần trước của tấm lót tai xe trong phía trước

-Tháo cụm đèn sương mù
+ Ngắt giắc nối.
+ Dùng tô vít tháo 3 vít để tháo nắp che đuôi đèn sương mù


2.Trình tự lắp
-Xoay bóng đèn sương mù theo hướng được chỉ ra bởi mũi tên như trong hình vẽ và tháo đèn sương mù ra khỏi cụm đèn sương mù
-Xoay bóng đèn sương mù theo hướng được chỉ ra bởi mũi tên như trong hình vẽ và lắp đèn vào cụm đèn sương mù

- Dùng tô vít để lắp nắp che đuôi đèn sương mù
-Lắp giắc nối điện
Chú ý : Cẩn thận làm hỏng ren nhựa trên cụm đèn
- Lắp tấm lót tai xe trong phía trước
Dùng tô vít lắp tấm lót tai xe trong phía trước bằng 3 vít.

3. Chuẩn bị xe để chỉnh độ hội tụ đèn sương mù Chuẩn bị xe:
- Chắc chắn rằng không có hư hỏng hay biến dạng thân xe xung quanh các đèn sương mù.
- Bổ sung nhiên liệu vào bình nhiên liệu
- Bổ sung dầu đến mức tiêu chuẩn.
- Bổ sung nước làm mát động cơ đến mức tiêu chuẩn.
- Bơm lốp đến áp suất tiêu chuẩn.
- Để lốp dự phòng, dụng cụ và kích vào đúng vị trí thiết kế ban đầu
- Không để có tải trong khoang hành lý.
- Để một người có trọng lượng khoảng 75 kg ngồi ở ghế lái xe.
4. Chuẩn bị kiểm tra độ hội tụ đèn sương mù

a/ Chuẩn bị các trạng thái xe như sau:
- Đặt xe ở nơi đủ tối để quay sát rò đường kẻ. Đường kẻ là đường phân biệt, dưới đường này ánh sáng từ đèn sương mù có thể quan sát thấy và trên nó thì không thể.
- Đặt xe vuông góc với tường.
- Giữ khoảng cách 7.62 m giữa tâm của bóng đèn sương mù và tường.
- Đỗ xe lên địa điểm bằng phẳng.
- Ấn xe xuống vài lần để ổn định hệ thống treo.
Chú ý:Cần có khoảng cách khoảng 7.62 m giữa xe (tâm bóng đèn sương mù) và tường để chỉnh đúng độ hội tụ. Nếu không thể đạt được khoảng cách 7.62 m thì đặt khoảng cách đúng 3 m để kiểm tra và điều chỉnh độ hội tụ đèn sương mù. (Vì vùng mục tiêu thay đổi theo khoảng cách, hãy tuân theo các chỉ dẫn như trong hình vẽ.)
b/ Chuẩn bị một miếng giấy trắng dày có kích thước khoảng 2 m chiều cao và 4 m chiều rộng để dùng làm màn hình.
c/ Hãy vẽ một đường thẳng đứng đi qua tâm của màn hình (đường V).
d/ Đặt màn hình như trong hình vẽ. Chú ý:
- Để màn hình vuông góc với mặt đất.
- Gióng thẳng đường V trên màn hình với tâm của xe.

e/Vẽ các đường chuẩn (đường H, V LH và V RH) trên màn hình như trong hình vẽ.GỢI Ý:

Đánh dấu tâm bóng đèn sương mù trên màn hình. Nếu dấu tâm không thể nhìn thấy trên đèn sương mù, hãy lấy tâm của bóng đèn sương mù hay dấu tên của nhà sản xuất đánh dấu trên đèn sương mù làm dấu tâm.
Đường H (độ cao đèn sương mù):
Vẽ một đường ngang qua màn hình sao cho nó đi qua dấu tâm. Đường H phải có cùng độ cao với dấu tâm của bóng đèn sương mù của đèn sương mù.
Đường V LH, V RH (vị trí dấu tâm của đèn sương mù bên trái LH và bên phải RH):
Vẽ 2 đường thẳng sao cho chúng cắt đường H tại các dấu điểm tâm.
5.Kiểm tra độ hội tụ đèn sương mù

a/ Che đèn sương mù hoặc tháo giắc của đèn sương mù phía bên kia để tránh cho ánh sáng từ đèn sương mù không được kiểm tra ảnh hưởng đến việc kiểm tra hội tụ đèn sương mù.
b/ Khởi động động cơ.
c/ Bật đèn sương mù và chắc chắn rằng đường phân cách nằm ngoài vùng tiêu chuẩn như trong hình vẽ.
6. Điều chỉnh độ hội tụ đèn sương mù

Sử dụng tô vít để điều chỉnh độ chụm đèn sương mù vào vùng tiêu chuẩn bằng cách vặn vít điều chỉnh độ chụm
Chú ý: Nếu vít bị điều chỉnh quá xa, hãy nới lỏng nó và sau đó xiết lại, sao cho vòng xoay cuối cùng của vít chỉnh đèn là theo chiều kim đồng hồ.
3. Câu hỏi tự học
1. Trình bày nguyên lý hoạt động của hệ thống chiếu sáng có chức năng tự động bật đèn pha
2. Trình bày nguyên lý hoạt động của hệ thống chiếu sáng có chức năng xoay đèn pha khi quay vòng
3. Vẽ sơ đồ và đấu nối hệ thống chiếu sáng trên xe Huyndai Porter
4. Vẽ sơ đồ và đấu nối hệ thống chiếu sáng trên xe Honda Arcord 1992
5. Vẽ tách mạch điện chiếu sáng trên xe Toyota Lexus 1993
BÀI 3 BẢO DƯỠNG, SỬA CHỮA HỆ THỐNG TÍN HIỆU
I. MỤC TIÊU THỰC HIỆN
Học xong bài này người học có khả năng:
- Phân biệt được các loại tín hiệu trên ô tô
- Trình bày đúng các triệu chứng thường gặp, khu vực nghi ngờ gây ra hư hỏng
- Đấu nối được mạch điện tín hiệu đảm bảo yêu cầu kỹ thuật
- Tháo, lắp, kiểm tra, bảo dưỡng, sửa chữa hệ thống tín hiệu đảm bảo yêu cầu kỹ thuật
- Đảm bảo an toàn trong lao động và vệ sinh công nghiệp
II. NỘI DUNG BÀI HỌC
1. Mô tả chung
Hệ thống tín hiệu được trang bị trên ô tô nhằm mục đích tạo ra các tín hiệu để thông báo cho các phương tiện cùng tham gia giao thông về các trạng thái hoạt động của xe như: dừng, đỗ, phanh, lùi, rẽ……..
Tín hiệu được sử dụng hoặc là ánh sáng như đèn kích thước, đèn phanh, đèn báo rẽ….. hoặc bằng âm thanh như còi, nhạc lùi….
Cũng giống như hệ thống chiếu sáng. Một mạch điện của hệ thống tín hiệu thường gồm có: ắc qui, cầu chì, dây dẫn, rơ le, phụ tải điện và công tắc điều khiển. Chỉ có một số công tắc của hệ thống tín hiệu nằm trên công tắc tổ hợp. Còn các công tắc của các tín hiệu khác thường nằm ở các vị trí khác nhau như trong hộp số hoặc bàn đạp phanh……
2. Bảo dưỡng và sửa chữa
2.1. Đèn báo rẽ và báo nguy hiểm
Vị trí lắp đặt đèn báo rẽ được trình bày trong hình 3.1. Công tắc điều khiển đèn báo rẽ được bố trí trong công tắc tổ hợp nằm dưới tay lái, gạt công tắc này sang phải hoặc sang trái sẽ làm cho đèn báo rẽ phải hay trái
Công tắc đèn báo nguy hiểm được dùng khi xe có sự cố nào đó trong khi tham gia giao thông, khi bật công tắc báo nguy tất cả các đèn báo rẽ trên xe đều sáng với một tần số nhất định. Công tắc đèn báo nguy thường được đặt rời với công tắc báo rẽ (một số xe cũ tích hợp công tắc báo nguy và báo rẽ trên cùng cụm công tắc tổ hợp).


Hình 3.1 Công tắc báo rẽ Hình 3.2 Công tắc báo nguy
Chi tiết để tạo ra tần số nháy cho đèn được gọi là rơ le báo rẽ. Rơ le báo rẽ thường có 3 cực là B (cấp điện dương); E (cấp điện âm); L (đưa ra công tắc báo rẽ để phân phối đến các
đèn)
2.1.1. Sơ đồ mạch điện
Để tạo ra tần số cho đèn báo rẽ, trong mạch đèn báo rẽ có sử dụng một rơ le báo rẽ. Dòng điện từ rơ le báo rẽ sẽ được đưa đến cụm công tắc báo rẽ để phân phối dòng điện cho các đèn báo rẽ với mục đích của người điều khiển xe.

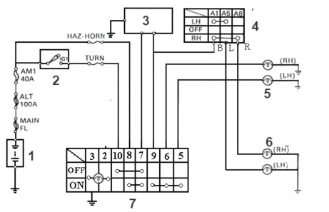
Hình 3.3. Sơ đồ nguyên lý mạch điện đèn báo rẽ không có công tắc báo nguy
1. Ắc-qui; 2. Khóa điện; 3. Rơ le báo rẽ; 4. Công tắc báo rẽ; 5. Đèn báo rẽ; 6. Đèn tín hiệu báo rẽ; 7. Công tắc báo nguy

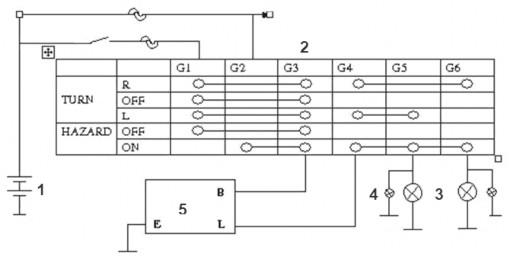
Hình 3.4 Sơ đồ nguyên lý mạch điện đèn báo rẽ có công tắc báo nguy
1. Ắc-qui; 2. Cụm công tắc tổ hợp; 3. Đèn báo rẽ;
4. Đèn tín hiệu báo rẽ; 5. Rơ le báo rẽ
Các xe con ngày nay không còn sử dụng rơ le báo rẽ loại ba chân (B,L,E) mà sử dụng loại rơ le báo rẽ 8 chân (hình 3.5) (còn chân số 8 dùng cho đèn báo nguy)
Đối với loại này dòng điện cấp cho các đèn báo rẽ được cấp trực tiếp từ rơ le báo rẽ ra các đèn.






