
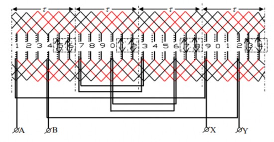
Hình 3.11: Sơ đồ trải dây quấn động cơ 3 pha kiểu đồng khuôn hai lớp bước ngắn
có Z=36; 2p=4; m=3
3. Dây quấn động cơ không đồng bộ một pha
3.1. Một số khái niệm cơ bản
* Nhiệm vụ và yêu cầu:
Dây quấn ở stato có nhiệm vụ tạo ra từ trường quay. Trong quá trình làm việc dây quấn được đấu vào nguồn, số vòng dây quấn sẽ do điện áp định mức của động cơ quyết định; còn tiết diện dây sẽ được quyết định bởi dòng điện chạy qua nó. Nói cách khác, chính công suất quyết định tiết diện dây.
Bối dây:
* Bối dây được biểu diễn trong hình 3.12. Là một hay nhiều vòng dây được quấn định hình theo một kích cỡ nào đó và đặt vào trong rãnh của lõi thép. Trên sơ đồ dây quấn, bối dây được thể hiện bằng hình vẽ một nét.

Hình 3.12
* Bối dây gồm có:
- Cạnh tác dụng: Là một hay nhiều vòng dây được quấn định hình theo kích cỡ nào đó và đặt vào trong rãnh của lõi thép, mỗi bối dây có 2 cạnh tác dụng.
- Phần đầu nối: Là phần dây quấn không nằm trong lõi thép mà dùng để nối liên kết 2 cạnh tác dung lại với nhau.
- Bước bối dây (bước dây quấn y): Là khoảng cách giữa hai cạnh tác dụng của cùng một bối dây y=7-1=6 rãnh.
Để thuận tiện trong việc vẽ và đọc sơ đồ, người ta qui ước trục của bối dây và đầu đầu (Đ), đầu cuối (C) của bối dây như hình 3.12b.
* Nhóm bối dây:
Bao gồm một hoặc nhiều bối dây mắc nối tiếp nhau. Mỗi nhóm bối có hai đầu dây ra (hình 3.13).

Hình 3.13
* Cuộn dây pha: Là bao gồm các nhóm bối dây của một pha được nối với nhau theo nguyên tắc đấu dây tạo thành cuộn dây pha.
* Phân loại:
- Căn cứ vào số cạnh tác dụng trong mỗi rãnh chia ra: dây quấn 1 lớp và dây quấn 2 lớp.
+ Dây quấn 1 lớp: Trong mỗi rãnh có 1 cạnh tác dụng.
+ Dây quấn 2 lớp: Trong mỗi rãnh có 2 cạnh tác dụng; 1 cạnh ở lớp trên, 1 cạnh ở lớp dưới.
- Căn cứ vào hình dạng của nhóm bối dây ta có dây quấn đồng tâm hoặc dây quấn đồng khuôn
- Căn cứ vào giá tri của q:
+ Dây quấn q nguyên.
+ Dây quấn q phân số.
* Cực từ:

Hình 3.14: Sự hình thành cực từ
*. Định nghĩa: Cực từ là được hình thành bởi một bối dây hay nhóm bối dây sao cho khi dòng điện đi qua sẽ tạo được các từ cực N, S xen kẽ kế tiếp nhau trong cùng các nhóm bối dây của 1 pha, số lượng từ cực N, S luôn là số chẳn.
Quy ước: Khi nhìn đối diện cực từ nếu chiều dòng điện đi tư trên xuống dưới thì nó là cực nam (S), ngược lại là cực bắc (N). *.
Bước cực từ: Là bề rộng của một cực từ hay là khoảng cách giữa hai tâm cực từ kế cận nhau.
* Các biểu thức cơ bản:
- Bước cực từ:

- Số rãnh phân bố cho mỗi pha dưới mỗi cực từ:
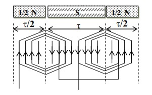
Gọi: qA là số rãnh của dây quấn chính, qB là số rãnh của dây quấn phụ. ZA : Số rãnh dây quấn chính. ZB: Số rãnh dây quấn phụ. Z: Tổng số rãnh của Stator.
* Đối với động cơ điện dung (ZA=ZB=Z/2).

* Đối với động cơ dây quấn mở máy (ZA=2ZB=2/3Z).
- Góc lệch pha (Khoảng cách giữa đầu đầu và đầu cuối các pha):

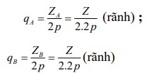
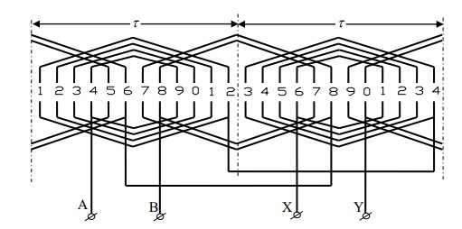
3.2. Dây quấn 1 lớp
a. Sơ đồ dây quấn đồng tâm phân tán một lớp ZA=2ZB, Z=24 rãnh, 2P=2

b. Sơ đồ dây quấn đồng khuôn phân tán một lớp ZA=ZB, Z=24 rãnh, 2P=2

c. Sơ đồ dây quấn đồng khuôn phân tán một lớp ZA=ZB, Z=24 rãnh, 2P=4

3.3. Dây quấn 2 lớp
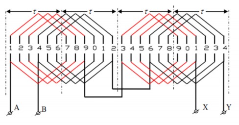
a. Sơ đồ dây quấn đồng khuôn hai lớp ZA=ZB, Z=24 rãnh, 2P=4

b. Sơ đồ dây quấn đồng khuôn hai lớp ZA=ZB, Z=24 rãnh, 2P=2

Thực hành:
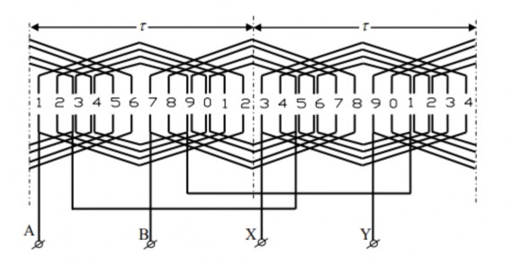
Bài 1: Tính toán và vẽ sơ đồ trải động cơ 3 pha kiểu đồng tâm 1 lớp biết Z=24; 2P=2; m=3
CÔNG VIỆC: Tính toán và vẽ sơ đồ trải động cơ 3 pha kiểu đồng tâm 1 lớp biết Z=24; 2P=2; m=3 | 1/B3/ MĐ23 | |||
Bước công việc | Nội dung | Yêu cầu kĩ thuật | Dụng cụ, trang thiết bị | Ghi chú |
1 | Tính toán | - Áp dụng đúng công thức tính được các thông số cơ bản | - giấy bút | |
2 | Vẽ sơ đồ trải theo tuần tự các bước | - Đúng, chính xác | - bút, giấy, thước | |
Có thể bạn quan tâm!
-
Bảo dưỡng, sửa chữa động cơ không đồng bộ Nghề Cơ điện nông thôn - Trường CĐ Cộng đồng Lào Cai - 2 -
Phương Pháp Kiểm Tra Xác Định Cực Tính Động Cơ -
Các Thông Số Cơ Bản Của Sơ Đồ Dây Quấn Stato Động Cơ. -
Tẩm Sấy Động Cơ: Sau Khi Vận Hành Thử Động Cơ Hoạt Động Bình Thường, Ta Thực Hiện Sấy Động Cơ Tuthuộc Điều Kiện Cụ Thể Mà Lựa Chọn Một Trong -
Tẩm Sấy Động Cơ: Sau Khi Vận Hành Thử Động Cơ Hoạt Động Bình Thường, Ta Thực Hiện Sấy Động Cơ Tuthuộc Điều Kiện Cụ Thể Mà Lựa Chọn Một Trong -
Quấn Dây Động Cơ Một Pha Kiểu Vòng Ngắn Mạch 1.1.qui Trình Quấn Dây.
Xem toàn bộ 105 trang tài liệu này.
Bài 2: Tính toán và vẽ sơ đồ trải động cơ 3 pha kiểu đồng khuân 1 lớp biết Z=36; 2P=4; m=3
CÔNG VIỆC: Tính toán và vẽ sơ đồ trải động cơ 3 pha kiểu đồng tâm 1 lớp biết Z=36; 2P=4; m=3 | 2/B3/ MĐ23 | |||
Bước công việc | Nội dung | Yêu cầu kĩ thuật | Dụng cụ, trang thiết bị | Ghi chú |
1 | Tính toán | - Áp dụng đúng công thức tính được các thông số cơ bản | - giấy bút | |
2 | Vẽ sơ đồ trải theo tuần tự các bước | - Đúng, chính xác | - bút, giấy, thước | |
CÂU HỎI ÔN TẬP
1. Phân loại các sơ đồ dây quấn động cơ 3 pha ?
2. Nêu iu nhược điểm của dây quấn một lớp và hai lớp ?
BÀI 4: QUẤN DÂY ĐỘNG CƠ BA PHA
Mục tiêu:
- Phân tích được quy trình quấn lại động cơ ba pha đảm bảo động cơ hoạt động
tốt
với các thông số kỹ thuật, theo tiêu chuẩn kỹ thuật điện;
- Vận dụng các bước quy trình để quấn lại được động cơ với các kiểu quấn thông dụng đảm bảo các yêu cầu về kỹ thuật;
- Đảm bảo tính chính xác, an toàn trong công việc.
Nội dung:
1. Quy trình quấn lại động cơ không đồng bộ ba pha
1.1. Lấy mẫu bộ dây
- Dùng 1 dây đồng đặt vào rãnh đầu tiên đến rãnh số n tùy thuộc bước dây quấn y bằng bao nhiêu(với động cơ k có dây quấn cũ)
- Đo kích thước đúng bằng kích thước của dây quấn cũ tháo khỏi máy.
1.2. Vệ sinh động cơ
- Khi đã tháo toàn bộ dây quấn, lót, nêm tre khỏi rãnh stato, ta dùng rẻ lau sạch trong các rãnh

Hình 4.1
1.3. Tính toán và làm khuôn quấn động cơ
* Tính toán: tùy thuộc yêu cầu của bài quấn dây kiểu gì ta áp dụng công thức của kiểu dây quấn đó để xác định được các thông số cơ bản.
* Làm khuôn quấn dây:
1: Hình dạng khuôn gỗ và miếng nẹp (má ốp)
- Hình dạng khuôn gỗ






