
Bước 5 Kiểm tra còii


Bước 6. Lắp còi vào thân xe
-Tháo nắp ba đờ xốc trước (tham khảo bài số 2)
- Ngắt giắc nối còi
- Dùng T10 nới bu lông cố định còi với thân xe và tháo còi ra khỏi thân xe
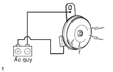
- Cấp điện áp dương ắc qui lên cực dương của còi, điện áp âm lên giá bắt còi. Nếu còi không kêu thì còi đã hỏng, thay thế còi
- Dùng T10 lắp còi vào thân xe. Mô men : 20 N.m Chú ý : Vì còi được lắp vào thân xe bằng một bu lông nên khi lắp còi vào thân xe, còi sẽ quay vì thế phải đặt còi vào đúng vị trí có ngạnh hãm còi trên thân xe rồi mới siết bulông
2.3. Đèn phanh.
Đèn phanh sẽ sáng khi đạp phanh chân hoặc kéo phanh tay vì tại đây có các công tắc đèn phanh. Đèn phanh và đèn hậu sử dụng chung một bóng đèn (bóng đèn hai tim). Đối với hệ thống phanh thủy lực trong bình chứa dầu thủy lực còn có thêm công tắc báo mức dầu phanh. Đèn sẽ sáng khi mức dầu cạn
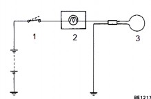
2.3.1. Sơ đồ mạch điện

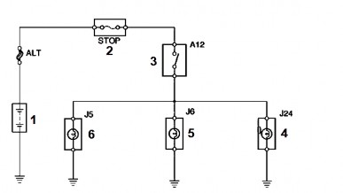
Hình 3.6 Sơ đồ nguyên lý mạch điện đèn phanh
1. Ắc-qui; 2. Cầu chì; 3. Công tắc đèn phanh;
4. Đèn báo phanh; 5. Đèn phanh trái; 6. Đèn phanh phải
2.3.2. Triệu chứng và khu vực nghi ngờ
Khu vực nghi ngờ | |
Không có đèn phanh nào sáng. | - Cầu chì STOP - Công tắc đèn phanh - Dây điện hoặc giắc nối |
Chỉ có một đèn phanh không sáng. | - Bóng đèn - Dây điện hoặc giắc nối |
Đèn phanh lắp cao không sáng. | - Bóng đèn - Dây điện hoặc giắc nối |
Có thể bạn quan tâm!
-
Thực hành điện thân xe - 7 -
Thực hành điện thân xe - 8 -
Thực hành điện thân xe - 9 -
Thực hành điện thân xe - 11 -
Trình Tự Tháo Lắp, Kiểm Tra Và Sửa Chữa -
Thực hành điện thân xe - 13
Xem toàn bộ 177 trang tài liệu này.
2.3.3. Trình tự kiểm tra, bảo dưỡng và sửa chữa

1. Kiểm tra đèn cảnh báo
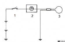
- Tháo giắc kết nối của đèn cảnh báo và công tắc đèn phanh
- Kết nối một bóng đèn với công tắc đèn phanh như hình vẽ
- Bật khóa điện On, chắc chắn rằng đèn sáng. Nếu
1. Khóa điện; 2. Đèn thử; 3. Công tắc đèn phanh


2.4. Đèn báo lùi
2.4.1. Sơ đồ mạch điện
đèn không sáng thay thế bóng đèn
2. Kiểm tra công tắc
(Công tắc báo áp suất dầu phanh)
- Tháo công tắc từ xy lanh phanh chính
- Chắc chắn rằng không có sự thông mạch của vỏ công tắc và công tắc
- Chắc chắn rằng có sự thông mạch của công tắc và vỏ công tắc
Nếu hoạt động không như trên, thay thế không tắc
- Lắp lại công tắc hoặc thay mới nếu cần
3. Kiểm tra công tắc phanh đỗ
- Chắc chắn rằng có sự thông mạch giữa hai cực của công tắc (khi ấn công tắc)
- Chắc chắn rằng không có sự thông mạch giữa hai cực và công tắc ( khi không ấn công tắc)
Nếu không như tiêu chuẩn, thay thế công tắc
Đèn lùi được lắp ở trên cụm đèn hậu. Công tắc số lùi được lắp trên hộp số, khi tay số ở vị trí lùi công tắc sẽ đóng, lúc này điện dương ắc quy sẽ được cấp đến đèn lùi

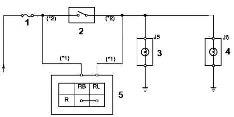
Hình 3.7. Sơ đồ mạch điện báo lùi trên xe ô tô
1. Cầu chì; 2. Công tắc lùi (đối với hộp số cơ khí);
3, 4. Đèn báo lùi; 5. Công tắc số trung gian (đối với hộp số tự động)
2.4.2. Triệu chứng và khu vực nghi ngờ
Khu vực nghi ngờ | |
Đèn lùi không sáng. | - Cầu chì GAUGE - Công tắc vị trí trung gian/đỗ xe (hộp số tự động) - Công tắc đèn lùi (xe có hộp số thường) - Dây điện hoặc giắc nối |
Chỉ có một đèn lùi sáng. | - Bóng đèn - Dây điện hoặc giắc nối |
2.4.3. Trình tự kiểm tra và sửa chữa

1. Kiểm tra đèn báo lùi
- Tháo giắc kết nối của đèn cảnh báo và công tắc báo lùi
- Kết nối một bóng đèn với công tắc báo lùi như hình vẽ
- Bật khóa điện On, chắc chắn rằng đèn sáng.
1. Khóa điện; 2. Đèn thử; 3. Công tắc đèn lùi

Nếu đèn không sáng thay thế bóng đèn
2. Kiểm tra công tắc báo lùi
- Tháo giắc điện của công tắc số lùi
- Cho xe vào số lùi
- Chắc chắn rằng có sự thông mạch của hai dây trên công tắc
Nếu hoạt động không như trên, thay thế không tắc
3. Câu hỏi tự học
- Lắp lại công tắc hoặc thay mới nếu cần
3. Kiểm tra bóng đèn báo lùi
- Cấp điện dương vào cực dương của đèn báo lùi, cực âm của ắc quy vào đèn báo lùi
Đèn sáng là bóng đèn còn tốt
Thay thế bóng đèn nếu bị hư hỏng
1. Lập trình tự kiểm tra mạch điện báo nguy của xe Toyota Corrola 1992
2. Vẽ tách mạch điện của đèn phanh, đèn lùi và còi của Honda Accord 1992
3. Phân tích mạch điện tín hiệu của xe Toyota Corrola 2013
4. Phân tích mạch điện tín hiệu của xe Deawoo Lanos 1998
5. Phân tích mạch điện tín hiệu của xe Mercedez MB1400
BÀI 4 BẢO DƯỠNG, SỬA CHỮA HỆ THỐNG THÔNG TIN
I. MỤC TIÊU THỰC HIỆN
- Trình bày được các triệu chứng thường gặp và khu vực nghi ngờ có sự hư hỏng
- Nhận dạng được các kiểu đèn, đồng hồ hiển thị trong hệ thống thông tin
- Đấu nối được mạch điện hệ thống thông tin đảm bảo yêu cầu kỹ thuật
- Tháo, lắp, kiểm tra và bảo dưỡng hệ thống thông tin đảm bảo yêu cầu kỹ thuật
- Đảm bảo an toàn trong lao động và vệ sinh công nghiệp
II. NỘI DUNG BÀI HỌC
1. Mô tả chung
Hệ thống thông tin trên xe bao gồm các bảng đồng hồ tích hợp (táp lô) giúp lái xe và người sửa chữa biết được thông tin về tình trạng hoạt động của các hệ thống chính trong xe. Thông tin có thể truyền đến lái xe qua 2 dạng : tương tự (táp lô kim) và số (táp lô hiện số).
Hệ thống thông tin bao gồm các thành phần sau:
- Cảm biến:
Thông thường mỗi loại thông tin thường có một cảm biến để nhận biết thông tin đó. Hệ thống thông tin trên ô tô bao gồm các thông tin sau: mức nhiên liệu, áp suất dầu bôi trơn, nhiệt độ nước làm mát….
- Dây dẫn: Dùng để chuyển tín hiệu của các thông tin cần theo dòi lên bảng đồng hồ.
- Bộ phận hiển thị thông tin (đèn hoặc đồng hồ). Các tín hiệu từ các cảm biến đưa lên đồng hồ dưới dạng tín hiệu tương tự hoặc số sẽ được chuyển đối thành các thông tin trên mặt đồng hồ để người vận hành xe có thể theo dòi được tình trạng kỹ thuật của động cơ.

Hình 4.1 Bảng đồng hồ tích hợp của động cơ Xăng
1. Đồng hồ tốc độ trục khuỷu; 2. Đồng hồ tốc độ xe; 3. Đồng hồ nhiệt độ nước; 4. Đồng hồ mức nhiên liệu; 5. Đèn chỉ thị sương mù trước; Đèn cảnh báo hệ thống phanh; 7. Đèn chỉ thị điều khiển; 8. Đèn cảnh báo mở nắp ca pô; 9. Đèn cảnh báo mở cửa chưa đóng hết. 10. Đèn chỉ thị ESP không làm việc; 11. Đèn chỉ thị ESP chưa sẵn sàng; 12. Đèn cảnh báo ESP hoạt động; 13 Đèn chỉ thị hoạt động HDC; Đèn cảnh báo HDC chưa sẵn sàng; 15. Đèn chỉ thị động cơ có sự cố; 16. Đèn cảnh báo áp suất dầu; 17. Đèn cảnh báo nạp ắc quy;
18. Đèn cảnh báo phanh ABS; 19. Đèn cảnh báo chưa thắt dây đai an toàn; 21. Đèn báo pha;
22. Đèn báo km và vị trí; 23. Đèn báo bật sương mù sau; 24. Đèn cảnh báo túi khí; 25. Đèn cảnh báo chống chộm; 26. Cảnh báo hết mức nước rửa kính; 27. Cảnh báo hệ thống giúp đỗ xe; 28. Cảnh báo cần bảo dưỡng xe. 29. Đèn báo chỉ thị chế độ mừa đông; 30. Đèn cảnh báo nhiệt độ nước làm mát; 31. Cảnh báo hết xăng; 32. Công tắc hành trình; 33. Đèn báo SSPS;
34. Đèn báo thay dầu; Đèn cảnh báo AWD
2. Bảo dưỡng và sửa chữa
Đối với hệ thống thông tin trên ô tô, tùy thuộc vào từng loại tín hiệu mà có các phương pháp kiểm tra thích hợp, thông thường được chia làm các bước sau:
- Kiểm tra tình trạng kỹ thuật của cảm biến
- Kiểm tra điện áp tại các đầu giắc nối
- Kiểm tra cụm đồng hồ hiển thị: Đối với cụm đồng hồ khi có một tín hiệu bị mất mà các tín hiệu khác còn thì chắc chắn rằng cảm biến hoặc dây dẫn của tín hiệu đó bị mất, còn nếu nhiều tín hiệu bị mất cùng một lúc trên cụm đồng hồ thì thường là mất điện dương chung hoặc âm chung của đồng hồ.
2.1. Mạch báo nhiên liệu
Dùng để báo mức nhiên liệu ở trong thùng nhiên liệu, ngày nay trên các xe còn trang bị thêm đèn cảnh báo sắp hết nhiên liệu. Cảm biến mức nhiên liệu cùng với nhiệt điện trở được lắp cùng với cụm bơm xăng và được đặt trong thùng xăng
2.1.1. Sơ đồ mạch điện


Hình 4.2 Sơ đồ nguyên lý mạch báo nhiên liệu
1. Ắc-qui; 2. Khóa điện; 3. Giắc nối;
4. Đồng hồ; 5. Cảm biến mức nhiên liệu;
6. Phao nhiên liệu
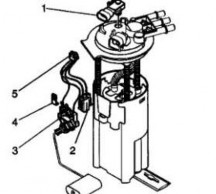
Hình 4.3. Bộ cảm biến mức nhiên liệu đặt trong cụm bơm xăng
1,4,5. Giắc điện; 2. Nhiệt điện trở; 3. Cảm biến
Khi mức xăng trong thùng bị thay đổi, phao nhiên liệu sẽ dịch chuyển theo mức nhiên liệu trong thùng tại các vịt trí tương ứng, khi di chuyển phao nhiên liệu sẽ làm cho giá trị điện trở trên cảm biến báo mức nhiên liệu bị thay đổi. Do điện trở bị thay đổi nên cường độ dòng điện đi qua đồng hồ hiển thị cũng bị thay đổi theo làm cho kim báo nhiên liệu trên đồng
hồ dịch chuyển từ vị trí E (hết) đến vị trí F (đầy). Khi tắt khóa điện thì không còn dòng điện trong mạch kim báo nhiên liệu sẽ hồi về vị trí E
2.2.2. Triệu chứng và khu vực nghi ngờ
Khu vực nghi ngờ | |
-Đồng hồ không báo mức nhiên liệu | - Mức nhiên liệu trong thùng - Các dây dẫn - Đồng hồ - Cảm biến mức nhiên liệu -Các giắc kết nối |
- Đồng hồ báo sai mức nhiên liệu | - Đồng hồ hoạt động không tốt - Điện trở của cảm biến kém |
- Đèn cảnh báo mức nhiên liệu không sáng khi sắp hết nhiên liệu hoặc luôn sáng | - Mức nhiên liệu trong thùng - Các dây dẫn hoặc đèn - Cảm biến mức nhiên liệu -Các giắc kết nối |
2.2.3. Trình tự tháo lắp, kiểm tra và sửa chữa 1.Tháo cảm biến nhiên liệu
- Xả áp suất của hệ thống nhiên liệu
- Ngắt cáp âm ra khỏi ắc qui
Lưu ý: Đợi khoảng 90 giây sau khi ngắt cáp ắc quy để tránh túi khí kích nổ.
- Tháo cụm đệm ghế sau

- Nhả khớp 2 móc phía trước của nệm ghế từ thân xe.
Chú ý: Tuân theo cẩn thận các hướng dẫn dưới đây vì khung nệm dễ bị biến dạng.
+ Chọn một móc để nhả khớp. Đặt tay gần với móc như trong hình vẽ. Sau đó nâng nệm ghế để nhả khớp móc.
+ Hãy lặp lại bước nói trên cho móc khác.
- Tháo nệm ghế.

- Tháo nắp lỗ sửa chữa sàn xe sau
+ Tháo nắp lỗ sửa chữa trên sàn xe phía sau.
+ Ngắt giắc của bơm nhiên liệu.

1. Vòng kẹp ống; 2. Cút nối ống;
3. Ống nhiên liệu; 4. Kẹp nối ống;
5. Gioăng chữ O



2. Kiểm tra mạch báo nhiên liệu
- Tách ống nhiên liệu
+Tháo kẹp cút nối ống và kéo ống bơm nhiên liệu Chú ý: - Kiểm tra rằng không có vết bẩn xung quanh chỗ nối ống nhiên liệu trước công việc này và làm sạch khi cần thiết.
-Cần phải tránh cho bùn hoặc bụi khỏi lọt vào chỗ nối ống. Nếu bùn hoặc bụi lọt vào chỗ nối, thì gioăng chữ O sẽ không kín.
-Không được dùng bất cứ dụng cụ nào trong công việc này.
-Không được bẻ cong hoặc làm xoắn ống nhựa.
Sau khi ngắt, hãy bọc chỗ nối ống nhiên liệu bằng túi nilông.
-Khi chỗ nối ống nhiên liệu và đĩa hút nhiên liệu bị tắc, hãy kẹp ống bình nhiên liệu bằng các ngón tay, và vặn nó cẩn thận để nhả khớp. Ngắt ống của bình nhiên liệu.
- Tháo giá đỡ thông hơi bình nhiên liệu
Dùng T8 hoặc tô vít tháo 8 bu lông và giá đỡ thông hơi bình nhiên liệu
- Tháo cụm bơm xăng
+Tháo ống hút nhiên liệu ra khỏi bình xăng.
Chú ý:
-Không được làm hỏng lọc của bơm nhiên liệu.
-Cẩn thận không được làm cong phao xăng
+Tháo gioăng ra khỏi ống hút nhiên liệu
- Tháo cảm biến nhiên liệu
+ Ngắt giắc nối của cảm biến nhiên liệu
+ Mở khoá cảm biến và tháo cảm biến nhiên liệu






