
+ Tháo 2 kẹp và vòng đệm vít.

- Tháo cụm đèn pha
+Tháo 2 vít và bu lông.
+ Ngắt 2 giắc nối, sau đó tháo đèn pha.

- Tháo rời bóng đèn pha
+ Tháo nắp đui đèn.

+ Ấn vào lò xo hãm, và kéo nó theo hướng được chỉ ra bởi mũi tên như trong hình vẽ để nhả khớp.

- Tháo bóng đèn pha
Chú ý:
Không được sờ tay trần vào phần thuỷ tinh của bóng đèn.
- Tháo bóng đèn kính thước

+ Xoay đui và bóng đèn cạnh, theo hướng được chỉ ra bởi mũi tên như trong hình vẽ, để tháo chúng.
+ Tháo bóng đèn kích thước ra khỏi đui đèn
- Tháo bóng đèn báo rẽ phía trước

+Xoay đui và bóng đèn báo rẽ trước theo hướng được chỉ ra bởi mũi tên trong hình vẽ để tháo
+Tháo bóng đèn báo rẽ trước ra khỏi đui đèn.

2. Điều chỉnh đèn pha

- Tháo dây điện
+ Tháo vít và dây điện
- Chuẩn bị xe để điều chỉnh hội tụ đèn pha:
+ Chắc chắn rằng không có hư hỏng hay biến dạng thân xe xung quanh các đèn pha.
+ Bổ sung nhiên liệu vào bình
+ Bổ xung dầu đến mức tiêu chuẩn.
+ Bổ xung nước làm mát động cơ đến mức tiêu chuẩn.
+ Bơm lốp đến áp suất tiêu chuẩn.
+ Xắp xếp để lốp dự phòng, dụng cụ và kích vào đúng vị trí ban đầu của nó.
+ Dỡ hết các tải trong khoang hành lý.
+ Để một người có trọng lượng khoảng 75 kg ngồi ở ghế lái xe.
-Chuẩn bị điều chỉnh hội tụ đèn pha a)Chuẩn bị các trạng thái xe như sau:
- Đặt xe ở nơi đủ tối để quay sát rò đường kẻ. Đường kẻ là đường phân biệt, sao cho có thể quan sát thấy ánh sáng từ đèn pha dưới đường phân biệt nhưng không thể nhìn thấy phần phía trên đường đó.
- Đặt xe vuông góc với tường.
- Giữ khoảng cách 25 m giữa tâm của bóng đèn pha và tường.
- Đỗ xe lên địa điểm bằng phẳng.
- Ấn xe xuống vài lần để ổn định hệ thống treo. CHÚ Ý:
Cần có khoảng cách 25 m (82 ft) giữa xe (tâm bóng đèn pha) và tường để chỉnh đúng độ hội tụ. Nếu không


3. Lắp cụm đèn pha
thể đạt được khoảng cách 25 m (82 ft), thì đặt khoảng cách đúng 3 m (9.84 ft) để kiểm tra và điều chỉnh độ hội tụ đèn pha. (Vì vùng mục tiêu thay đổi theo khoảng cách, hãy tuân theo các chỉ dẫn như trong hình vẽ.)
b)Chuẩn bị một miếng giấy trắng dày có kích thước khoảng 2 m chiều cao và 4 m chiều rộng để dùng làm màn hình.
c)Hãy vẽ một đường thẳng đứng đi qua tâm của màn hình (đường V).
d)Hãy đặt màn hình như trong hình vẽ.
- Điều chỉnh hội tụ đèn pha
a) Điều chỉnh hội tụ theo chiều đứng:
Chỉnh độ hội tụ của từng đèn pha vào vùng tiêu chuẩn bằng cách xoay vít chỉnh A bằng tôvít.
Chú ý: Vòng xoay cuối cùng của vít chỉnh đèn phải được thực hiện theo chiều kim đồng hồ. Nếu vít bị điều chỉnh quá xa, hãy nới lỏng nó và sau đố xiết lại
b)Thực hiện điều chỉnh hội tụ đèn pha chiếu gần. Chú ý: Độ chụm đèn pha dịch chuyển xuống khi vặn vít điều chỉnh cùng chiều kim đồng hồ và dịch chuyển
lên trên khi vặn vít quay ngược chiều kim đồng hồ.
c)Điều chỉnh hội tụ theo chiều ngang:
Chỉnh độ hội tụ từng đèn pha vào vùng tiêu chuẩn bằng cách xoay vít chỉnh B bằng tôvít.
Chú ý: Vòng xoay cuối cùng của vít chỉnh đèn phải được thực hiện theo chiều kim đồng hồ. Nếu vít bị điều chỉnh quá xa, hãy nới lỏng nó và sau đố xiết lại
- Lắp dây điện
Lắp dây điện bằng một vít

- Lắp bóng đèn báo rẽ trước
+ Lắp bóng đèn báo rẽ trước vào đui đèn.
+ Xoay đui và bóng đèn báo rẽ trước theo hướng được chỉ ra bởi mũi tên

- Lắp bóng đèn kích thước
+Lắp bóng đèn kích thước và vào đui đèn.
+ Xoay đui và bóng đèn cạnh, theo hướng được mũi tên như hình bên

- Lắp bóng đèn pha

- Khoá lò xo hãm bằng cách di chuyển theo hướng mũi tên như trong hình vẽ.

- Lắp đui đèn

- Lắp 2 giắc nối
- Lắp đèn pha bằng 2 vít và bu lông. Mômen: 5.0 N*m

- Lắp nắp ba đờ sốc
Cài kẹp hãm và vòng đệm

- Lắp 2 giắc nối (loại có đèn sương mù).
Cài khớp 6 vấu và lắp nắp ba đờ xốc trước.

-Lắp 6 kẹp.
-Lắp 2 vòng đệm vít.
-Lắp 7 vít và 3 bulông.

-Bóc băng dính bảo vệ.
2.2. Đèn sương mù
2.2.1. Sơ đồ mạch điện
Bao gồm đèn sương mù phía trước và đèn sương mù phía sau. Trong điều kiện sương mù, nếu sử dụng đèn pha-cốt có thể tạo ra vùng ánh sáng chói phía trước gây trở ngại cho các xe đối diện và người đi đường.
Nếu sử dụng đèn sương mù sẽ giảm được tình trạng này. Dòng cung cấp cho đèn sương mù thường được lấy sau relay đèn kích thước
a, Đèn sương mù phía trước (Fog lamps): Nguyên lý hoạt động
Đèn sương mù phía trước hoạt động khi công tắc điều khiển đèn ở vị trí TAIL hoặc HEAD. Khi công tắc đèn sương mù phía trước được bật ON, sẽ có dòng điện đi qua cuộn dây relay đèn sương mù phía trước, đóng tiếp điểm relay đèn sương mù, có dòng điện qua
bóng đèn sương mù phía trước, đèn sương mù phía trước bật sáng.
Đèn này dùng để báo hiệu cho các xe phía sau nhận biết trong điều kiện tầm nhìn hạn chế. Dòng cung cấp cho đèn này được lấy sau đèn cốt (Dipped beam). Một đèn báo được gắn vào bảng táp lô để báo hiệu cho lái xe khi đèn sương mù phía sau hoạt động.

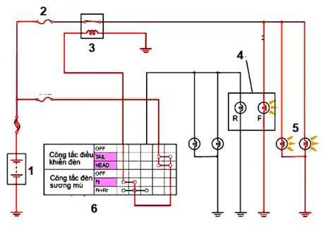
Hình 2.11: Sơ đồ mạch điện hệ thống đèn sương mù trước
1. Ắc qui; 2. Cầu chì; 3. Rơ le đèn sương mù;
4. Đèn báo sương mù trong bảng táp lô; 5. Đèn sương mù
b, Đèn sương mù phía sau (Rear fog guard): Nguyên lý hoạt động
Đèn sương mù phía sau cũng hoạt động khi công tắc điều khiển đèn ở vị trí TAIL hoặc HEAD giống như đèn sương mù phía trước.

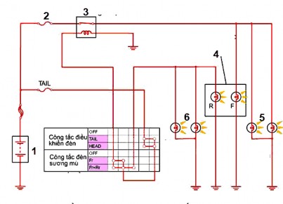
Hình 2.12: Sơ đồ mạch điện hệ thống đèn sương mù sau
1. Ắc qui; 2. Cầu chì; 3. Rơ le đèn sương mù; 4. Đèn báo sương mù trong bảng táp lô;
5. Đèn sương mù trước; 6. Đèn sương mù sau
2.2.2. Triệu chứng và khu vực nghi ngờ
Khu vực nghi ngờ | |
Các đèn sương mù phía trước không sáng khi công tắc điều khiển đèn ở vị trí TAIL hay HEAD. (Đèn pha bình thường) | - Cầu chì FR FOG, PANEL 1 - Rơle đèn sương mù trước - Công tắc điều khiển đèn - Dây điện hoặc giắc nối |
Chỉ có một đèn sương mù sáng. | - Bóng đèn - Dây điện hoặc giắc nối |
Có thể bạn quan tâm!
-
Thực hành điện thân xe - 4 -
Thực hành điện thân xe - 5 -
Thực hành điện thân xe - 6 -
Thực hành điện thân xe - 8 -
Thực hành điện thân xe - 9 -
Thực hành điện thân xe - 10
Xem toàn bộ 177 trang tài liệu này.

2.2.3. Trình tự kiểm tra và sửa chữa Ứng dụng cho xe Toyota Vios
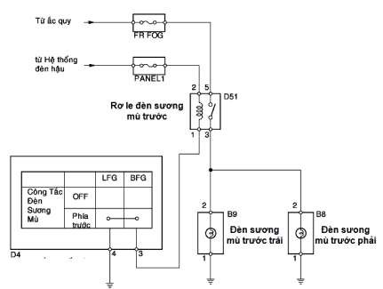
Hình 2.13. Sơ đồ đấu nối mạch điện đèn sương mù trên xe Toyota Vios
Phân tích mạch điện:
Đèn sương mù trái có giắc B9, Đèn sương mù phải có giắc B8
Trên cụm công tắc tổ hợp, công tắc đèn sương mù nằm ở giắc D4, đèn sương mù được điều khiển qua các cực D4-4 và D4-4
Rơ le đèn sương mù có giắc D51 trong đó D51-5 lấy điện trực tiếp từ ắc qui; D51-2 lấy điện từ mạch đèn hậu, D51-1 tiếp mát nhờ công tắc tổ hợp và D51-3 cấp điện cho các đèn sương mù
Bước 1:Kiểm tra xem bóng đèn sương mù trước có sáng không
Cả đèn sương mù bên trái và bên phải không sáng: Đi đến bước 2 Đèn sương mù bên trái hoặc bên phải sáng: Đi đến bước 7
Bước 2: Kiểm tra cầu chì (FR Fog, Panel1)

Vị trí lắp các cầu chì của hệ thống đèn sương mù
- Tháo cầu chì FR FOG và PANEL1 ra khỏi Hộp cầu chì.
- Dùng ôm kế đo điện trở của cầu chì. Giá trị tiêu chuẩn:
Điều kiện | Tiêu chuẩn | |
Cầu chì FR FOG | Mọi điều kiện | <1 Ω |
Cầu chì PANEL1 | Mọi điều kiện | <1 Ω |
Nếu không đạt tiêu chuẩn thay thế cầu chì
Nếu đạt tiêu chuẩn, lắp lại các cầu chì FR FOG và PANEL1 và làm theo bước 3
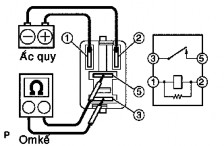
Bước 3: Kiểm tra rơ le đèn sương mù trước
- Tháo giắc cắm rơle đèn sương mù phía trước.

Vị trí đo | Điều kiện | Tiêu chuẩn |
3 - 5 | Không cấp điện áp ắc quy vào các cực 1 và 2 | >10 kΩ |
3 - 5 | Cấp điện áp ắc quy vào các cực 1 và 2. | <1 Ω |
- Dùng đồng hồ vạn năng và ắc qui để kiểm tra rơ le đèn sương mù trước
Sơ đồ kiểm tra rơ le đèn sương mù trước
Nếu không đạt tiêu chuẩn thay thế rơ le đèn sương mù trước
Nếu đạt tiêu chuẩn lắp rơ le vào mạch điện và làm theo bước 4
Bước 4 Kiểm tra dây điện và giắc nối giữa cầu chì và FF Fog và Panel1- rơ le đèn
sương mù phía trước)

Giắc cắm D51 cho rơ le đèn sương mù
- Tháo giắc cẳm rơ le đèn sương mù phía trước.
- Dùng vôn kế đo giá trị điện áp cấp đến rơ le đèn sương mù
Điều kiện | Tiêu chuẩn | |
2 - (-) AQ | Công tắc ở vị trí TAIL | 11 đến 14 V |
5 - (-) AQ | Mọi điều kiện | 11 đến 14 V |






