- Dây điện hoặc giắc nối | |
Đèn soi biển số không sáng. | - Bóng đèn - Dây điện hoặc giắc nối |
Có thể bạn quan tâm!
-
Quy Trình Xử Lý Sự Cố Cho Hệ Thống Điện Thân Xe -
Thực hành điện thân xe - 4 -
Thực hành điện thân xe - 5 -
Thực hành điện thân xe - 7 -
Thực hành điện thân xe - 8 -
Thực hành điện thân xe - 9
Xem toàn bộ 177 trang tài liệu này.
2.1.3. Trình tự kiểm tra và sửa chữa
1. Kiểm tra đèn hậu

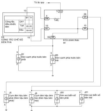
Hình 2.13 Sơ đồ đấu nối mạch điện đèn hậu xe Toyota Vios
Phân tích sơ đồ mạch điện thấy rằng:
Trong hộp cầu chì có các giắc 4A, 4B, 4E, 4G, 4M
Trong giắc 4A vị trí số 29 dùng cấp điện cho đèn hậu bên trái và đèn soi biển số, vị trí số 10 cấp cho đèn hậu bên phải
Trong giắc 4G vị trí số 1 cấp điện dương qua cầu chì Tail vào cực 4 của giắc 4M
Công tắc chọn đèn có giắc ký hiệu là D4 và vị trí 10 và 13 trong giắc dùng để điều khiển đèn hậu
Có 6 phụ tải điện là :
- Đèn kích thước phải (giắc cắm B1) và đèn kích thước trái (giắc cắm B5) lấy điện dương từ giắc 4B-33 và được tiếp âm tại B1-2 và B5-2
- Đèn hậu phải có giắc J51-1 lấy điện dương từ giắc 4A-10 trên hộp cầu chì và J5-5 được tiếp âm thân xe
- Đèn hậu trái (giắc J6) cùng đèn soi biển số trái (giắc J20) và đèn soi biển số trái (giắc J21) lấy điện dương từ giắc 4A-29
Từ những phân tích trên sẽ lập trìn tự kiểm tra gồm các bước như sau :
Bước 1. Kiểm tra xem các đèn sau đây có sáng không: Đèn kích thước phía trước,
đèn hậu và đèn soi biển số.
- Không có đèn nào sáng đi đến bước 2
- Các đèn kích thước phía trước không sáng đi đến bước 7
- Đèn hậu không sáng đi đến bước 9
- Đèn soi biển số không sáng đi đến bước 11 Bước 2. Kiểm tra cầu chì Tail
- Tháo cầu chì TAIL ra khỏi Hộp cầu chì.
- Dùng ôm kế để đo điện trở của cầu chì. Tiêu chuẩn <1 Ω
-Nếu không đạt tiêu chuẩn, thay thế cầu chì. Nếu đạt tiêu chuẩn lắp lại cầu chì thực hiện theo bước 3
Bước 3. Kiểm tra công tắc chọn đèn
- Tháo giắc D4 của công tắc chọn đèn
Vị trí đo | Vị trí công tắc | Tiêu chuẩn |
D4-10 (T1) - D4-13 (B1) | OFF | >10 kΩ |
D4-10 (T1) - D4-13 (B1) | TAIL (kích thước) | <1 Ω |
D4-10 (T1) - D4-13 (B1) | HEAD (đèn pha-cốt) | <1 Ω |
- Dùng ôm kế đo điện trở cùa cụm công tắc. Giá trị điện trở tiêu chuẩn:

Giắc D4 phía công tắc chọn đèn
Nếu không đạt tiêu chuẩn thay thế công tắc, nếu đạt tiêu chuẩn lắp lại công tắc, thực hiện tiếp bước 4.
Bước 4 Kiểm tra dây điện và giắc nối của công tắc điều khiển đèn và ECU điều khiển

đèn
Giắc D4 phía dây dẫn và 4M của hộp cầu chì
- Ngắt giắc nối D4 của Công tắc chọn đèn.
- Ngắt giắc nối 4M của Hộp cầu chì.
-Dùng ôm kế đo điện trở của dây dẫn giữa chúng
- Giá trị điện trở tiêu chuẩn:
Điều kiện | Tiêu chuẩn | |
D4-13 (B1) - 4M-4 | Mọi điều kiện | <1 Ω |
Nếu không đạt tiêu chuẩn thay thế dây điện hoặc giắc nối, nếu đạt tiêu chuẩn lắp lại các giắc nối và thực hiện bước 5
Bước 5 Kiểm tra dây điện và giắc nối của ECU điều khiển đèn và công tắc điều khiển

đèn
Giắc cắm phía dây dẫn của công tắc chọn đèn và ECU điều khiển đèn
- Ngắt giắc nối D4 của Công tắc chọn đèn.
- Ngắt giắc nối 4E của ECU điều khiển điện thân xe
- Dùng ôm kế đo điện trở của đoạn dây giữa hai giắc
Giá trị tiêu chuẩn :
Điều kiện | Tiêu chuẩn | |
D4-10 (T1) - 4E-10 | Mọi điều kiện | <1 Ω |
Nếu không đạt tiêu chuẩn thay thế dây điện hoặc giắc nối.
Nếu đạt tiêu chuẩn lắp lại các giắc nối và thực hiện tiếp bước 6
Bước 6 Kiểm tra dây điện và giắc nối (ắc qui-Hộp cầu chì)

- Tháo giắc nối 4G của ECU điều khiển điện thân xe
- Đo điện áp theo các giá trị trong bảng dưới đây. Điện áp tiêu chuẩn:
Điều kiện | |
4G-1 – (-)AQ | Mọi điều kiện |
Giắc 4G phía dây dẫn của ECU điều khiển điện thân xe
Nếu không đạt tiêu chuẩn, thay thế dây điện hoặc giắc nối. Nếu đạt tiêu chuẩn thay thế ECU -BE
Bước 7 Kiểm tra bóng đèn kính thước phía trước
- Tháo giắc cắm của đèn kích thước

Cấp điện áp ắc quy vào các chân giắc của đèn kích thước.
Tiêu chuẩn | |
Cực dương ắc quy - Cực 3 Cực âm ắc quy - Cực 2 | Đèn kích thước phía trước sáng |
Nếu đèn không sáng, thay thế bóng đèn Nếu đèn vẫn sáng làm theo bước 8
Bước 8 Kiểm tra dây điện và giắc nối giữa đèn kích thước và ECU-BE
- Ngắt các giắc B1 và B5 của đèn kích thước
- Ngắt giắc nối 4B của ECU-BE
Dùng ôm kế đo điện trở của dây dẫn giữa đèn kích thước và ECU-BE

Giắc cắm của dây dẫn giữa đèn kích
thước và ECU-BE
Bước 9 Kiểm tra bóng đèn hậu
Vị trí đo | Điều kiện | Tiêu chuẩn |
4B-33 - B1-3 | Mọi điều kiện | <1 Ω |
4B-33 - B5-3 | <1 Ω | |
B1-2 – (-) AQ | <1 Ω | |
B5-2 - (-) AQ | <1 Ω | |
4B-33 hay B1-3 (-) AQ | >10 kΩ | |
4B-33 hay B5-3 - (-) AQ | >10 kΩ |
Nếu giá trị không nằm trong tiêu chuẩn, thay thế dây dẫn hoặc giắc nối
Nếu giá trị nằm trong tiêu chuẩn, thay thế ECU - BE
- Tháo giắc cắm cấp điện cho đèn hậu
- Cấp điện áp ắc quy vào giắc để kiểm tra sự làm việc của đèn
Tiêu chuẩn | |
Cực dương ắc quy - Cực 1 Cực âm ắc quy - Cực 5 | Đèn hậu sáng |

Nếu không sáng, thay thế bóng đèn Nếu đèn sáng, làm theo bước 10
Bước 10 Kiểm tra dây điện và giắc nối giữa đèn hậu và ECU-BE
- Ngắt các giắc nối J5 và J6 của cụm đèn hậu.
- Ngắt các giắc nối 4A của ECU-BE

Vị trí đo | Điều kiện | Tiêu chuẩn |
4A-10 - J5-1 | Mọi điều kiện | <1 Ω |
4A-29 - J6-1 | <1 Ω | |
J5-5 - (-) AQ | <1 Ω | |
J6-5 - (-) AQ | <1 Ω | |
4A-10 hay J5-1 - (-) AQ | >10 kΩ | |
4A-29 hay J6-1 - (-) AQ | >10 kΩ |
Dùng ôm kế đo điện trở của dân dẫy giữa đèn hậu và ECU-BE

Giắc cắm phía dây dẫn của đèn hậu và ECU-BE
Nếu không nằm trong tiêu chuẩn, thay thế dây điện hoặc giắc nối
Nếu nằm trong tiêu chuẩn thay thế ECU điều
khiển thân xe Bước 11 Kiểm tra bóng đèn soi biển số
- Tháo giắc cắm cụm đèn soi biển số.

- Cấp điện áp ắc quy vào giắc phía phụ tải điện của đèn soi biển số.
Tiêu chuẩn | |
Cực dương ắc quy - Cực 1 Cực âm ắc quy - Cực 2 | Đèn soi biển số sáng |
Giắc đèn soi biến số phía tải điện
Nếu đèn không sáng, thay bóng đèn
Nếu đèn sáng, lắp lại cụm đèn soi biển số và chuyển sang bước 12
Bước 12 Kiểm tra dây điện và giắc nối (ECU-BE- Cụm đèn soi biển số)
- Ngắt các giắc nối J20 và J21 của cụm đèn soi biển số, Ngắt giắc nối 4A của Hộp cầu chì.

Vị trí đo | Điều kiện | ĐKTC |
4A-29 - J20-2 | Mọi điều kiện | <1 Ω |
4A-29 - J21-2 | <1 Ω | |
J20-1 - (-) AQ | <1 Ω | |
J21-1 - (-) AQ | <1 Ω | |
4A-29 hay J20-2 - (-) AQ | >10 kΩ | |
4A-29 hay J21-2 - (-) AQ | >10 kΩ |
Dùng ôm kế đo điện trở theo các giá trị trong bảng dưới đây.
Giắc cắm phía dây dẫn của đèn soi biển số và ECU-BE
Nếu giá trị không giống như trong bảng, thay thế dây dẫn hoặc giắc nối
Nếu giá trị như trong bảng, thay thế ECU điều khiển điện thân xe
2.Trình tự kiểm tra mạch điện điều khiển đèn Pha-Cốt Phân tích mạch điện:
- Bóng đèn pha-cốt bên trái có giắc B4 với ba cực là 1,2,3 ; bóng đèn pha cốt bên phải có giắc B3 với ba cực là 1,2,3.
- B3-3 và B4-3 lấy điện dương ắc qui qua hai cầu chì (H-LP RH/H-LP LO RH, H-LP LH/H-LP LO LH)
- Cụm công tắc tổ hợp điều khiển đèn pha-cốt qua giắc D4 trong đó D4-11 được tiếp âm, D4-8 và D4-9 dùng để tiếp âm cho bóng đèn pha và cốt
- Mạch điện điều khiển đèn không có rơ le, việc đóng mở các đèn hoàn toàn là bằng công tắc tổ hợp

Hình 2.10 Sơ đồ mạch điện điều khiển đèn Pha-Cốt trên xe Toyota Vios
Bước 1 Kiểm tra các cầu chì

Hộp cầu chì và rơ le
Bước 2: Kiểm tra bóng đèn pha
- Tháo các cầu chì H-LP RH/H-LP LO RH và H- LP LH/H-LP LO LH ra khỏi hộp rơle khoang động cơ.
- Đo điện trở theo các giá trị trong bảng dưới đây. Điện trở tiêu chuẩn:
Điều kiện | Tiêu chuẩn | |
Cầu chì H-LP RH/H-LP LO RH | Mọi điều kiện | <1 Ω |
Cầu chì H-LP LH/H-LP LO LH | Mọi điều kiện | <1 Ω |
- Nếu không đúng tiêu chuẩn thay thế cầu chì.
- Nếu đúng tiêu chuẩn lắp lại các cầu chì H-LP RH/H-LP LO RH và H-LP LH/H-LP LO LH làm
tiếp bước 2

1: (-) đèn cốt
2: (-) đèn pha
3: Cực (+) AQ chung
- Ngắt các giắc B3 và B4 của đèn pha.
- Cấp điện áp ắc quy vào các cực trên đèn pha theo hình bên
Tiêu chuẩn | |
(+) AQ - Cực 3 | Đèn pha sáng (chế độ pha/chiếu xa) |
(-) AQ - Cực 2 | |
(+) AQ - Cực 3 | Đèn pha sáng (chế độ cốt/chiếu gần) |
(-) AQ - Cực 1 |
- Lắp các giắc nối đèn pha.
Nếu đèn pha và cốt không sáng, thay thế đèn pha. Nếu đèn pha và cốt đều sáng làm tiếp bước 3
Bước 3: Kiểm tra dây điện và giắc nối
- Ngắt các giắc B3 và B4 của đèn pha.

Vị trí đo | Điều kiện | Tiêu chuẩn |
B3-3 - (-) AQ | Mọi điều kiện | 11 đến 14 V |
B4-3 - (-) AQ | Mọi điều kiện | 11 đến 14 V |
- Đo điện áp theo các giá trị trong bảng dưới đây. Điện áp tiêu chuẩn:
Giắc cấp điện cho đèn pha-cốt
Nếu không đạt tiêu chuẩn thay thế dây điện, giắc nối. nếu đạt tiêu chuẩn lắp lại các giắc và làm theo bước 4
Bước 4: Kiểm tra Công tắc chọn đèn
- Tháo giắc cắm trông tắc chọn đèn
- Đo điện trở trên cụm công tắc (không đo phía dây dẫn)

Vị trí đo | Điều kiện | ĐKTC |
D4-9 (HU) - D4-11 (ED) | Nháy pha | <1 Ω |
D4-8 (HL) - D4-11 (ED) | Bật đèn Cốt | <1 Ω |
D4-9 (HU) - D4-11 (ED) | Bật đèn Pha | <1 Ω |
Điện trở tiêu chuẩn:
Giắc trên cụm công tắc chọn đèn
Nếu không đạt tiêu chuẩn thay thế cụm công tắc Nếu đạt tiêu chuẩn cắm lại giắc và làm theo bước 5
Bước 5. Kiểm tra dây điện và giắc nối cấp lên cụm công tắc chọn đèn

Giắc cấp điện cho cụm công tắc chọn đèn
- Ngắt giắc nối D4 của Công tắc chọn đèn.
Vị trí đo | Điều kiện | Tiêu chuẩn |
D4-8 (HL) - (-) AQ | Mọi điều kiện | 11 đến 14 V |
D4-9 (HU) - (-) AQ | Mọi điều kiện | 11 đến 14 V |
- Đo điện áp cùa giắc ở phía dây dẫn Điện áp tiêu chuẩn:
Nếu không đạt tiêu chuẩn làm theo bước 6.
Nếu đạt tiêu chuẩn cần phải kiểm tra lại vì trong quá trình đo đã có sai sót
Bước 6: Sửa hoặc thay dây điện hay giắc nối (Công tắc chọn đèn cốt-mát thân xe)
Chú ý : Trình tự trên chỉ áp dụng cho xe Toyota Vios, còn đối với các hệ thống chiếu sáng có trang bị thêm các tính năng khác như có thể điều chỉnh được độ sáng đèn pha, tự bật đèn pha, xoay đèn pha….hay cấu tạo của bóng đèn pha thuộc loại Xenon hoặc đèn Led thì phải có phương pháp kiểm tra khác. Muốn kiểm tra được các hệ thống này nhất định phải có tài liệu hướng dẫn sửa chữa đi kèm của hãng.
2.1.4. Trình tự tháo lắp và điều chỉnh đèn pha
1. Tháo cụm đèn pha ra khỏi xe

- Tháo cáp âm ra khỏi ắc-qui Chú ý:
Hãy sử dụng quy trình tương tự cho cả bên phải và trái Hãy sử dụng quy trình mô tả dưới đây cho bên trái.
- Tháo nắp ba-đờ-xốc trước
+ Dán băng dính bảo vệ quanh cụm ba đờ xốc trước.

+ Tháo 7 vít và 3 bu lông.
+ Tháo 2 vòng đệm vít.
+ Tháo 6 kẹp.

+ Nhả khớp 6 vấu và tháo nắp ba đờ xốc trước.
+ Ngắt 2 giắc nối (w/ đèn sương mù).






