BÀI 4 BƠM CAO VE
I. NGUYÊN LÝ HOẠT ĐỘNG:
1. Sơ đồ hệ thống:

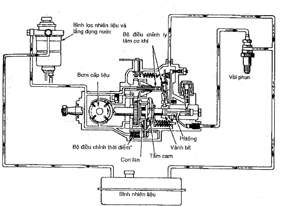
Hình 5.1: Sơ đồ hệ thống bơm cao áp phân phối EP/VE – KE/VE.
2. Nguyên lý hoạt động:
Có thể bạn quan tâm!
-
Bảo dưỡng sửa chữa động cơ diesel - Nghề Công nghệ ô tô Dùng cho trình độ Cao đẳng Phần 1 1706172932 - 2 -
Hoạt Động Của Bộ Bù Tua Bin Tăng Áp: -
Kiểm Tra Bít Tông Bơm, Vòng Tràn Và Nắp Phân Phối:
Xem toàn bộ 96 trang tài liệu này.
Bơm cao áp phân phối VE là loại bơm cao áp chỉ có một piston bơm cao áp. Đặc điểm của loại bơm này là piston bơm cao áp vừa chuyển động tịnh tiến lên xuống để ép nhiên liệu vừa xoay tròn để phân phối dầu cao áp cho các vòi phun. Trong hệ thống bơm cao áp phân phối kiểu VE, nhiên liệu được hút lên tứ thùng chứa đến bơm cao áp nhờ bơm tiếp vận sau khi đã đi qua bầu lọc dầu. Bơm tiếp vận thường là loại bơm cánh gạt được lắp ở bên trong của bơm cao áp. Đến thì phun nhiên liệu, cốt bơm quay kéo đĩa cam và piston quay theo. Đĩa cam quay tựa vào các con lăn, làm cho piston chuyển động tịnh tiến lên trên ép nhiên liệu. Piston vừa đi lên vừa ép nhiên liệu, khi rãnh phân phối trên piston trùng với lỗ
dầu phân phối, nhiên liệu được đưa đến vòi phun vào xi lanh động cơ. Nhiên liệu dư ở kim phun và bơm cao áp theo ống dầu về về thùng chứa.
II. CẤU TẠO CỦA BƠM CAO ÁP EP/VE – KE/VE:
Một bơm cao áp VE gồm có các hệ thống.
- Hệ thống tiếp vận nhiêm liệu.
- Hệ thống nâng cao áp.
- Hệ thống phun dầu sớm tự động.
- Hệ thống điều tốc
1. Hệ thống tiếp vận nhiêm liệu.
a. Bơm tiếp vận:
Cấu tạo:
Một đầu cốt bơm có gắn bánh răng, nhận truyền động từ bánh răng cốt máy. Cốt bơm điều khiển rotor bơm tiếp vận, piston, đĩa cam và bánh răng bộ điều tốc.
Trên loại bơm phân phối VE, bơm tiếp vận thường là loại bơm kiểu cánh gạt. Trên cốt bơm có gắn rotor, trên rotor có gắn các cánh gạt (thường là 4 cánh). Vỏ bơm tiếp vận đặt lệch tâm với cốt bơm. Các cánh gạt tì sát vào thành trong của vỏ bơm bởi lực li tâm khi bơm quay.

Hình 5.2: Sơ đồ cấu tạo bơm tiếp vận:
Hoạt động:
Khi cốt bơm quay, các cánh gạt gạt dầu từ khoang cung cấp (tiết điện lớn dần) sang khoang nén (tiết diện nhỏ dần). Cung cấp dầu đến buồng bơm cho bơm cao áp hoạt động, đồng thời rẽ qua van điều áp để điều hòa áp lực nhiên liệu.
2. Hệ thống nâng cao áp:
a. Piston Bôm:

Hình 5.3 : Cấu tạo bít tông.
Piston bơm cao áp trong bơm cao áp phân phối kiểu VE có dạng trụ. Đỉnh piston có các rãnh nạp dầu nằm cách đều nhau dọc theo chiều dài của piston. Số rãnh nạp trên đỉnh piston bằng với số xi lanh của động cơ. Thân piston có lỗ khoang dọc trong thân, lỗ này thông với cửa phân phối (chỉ có 1 cửa phân phối trên trên piston) và thông với lỗ khoang ngang. Tại vị trí lỗ khoang ngang có lắp vòng tràn. Vòng tràn có chức năng định lượng nhiên liệu đưa đến kim phun bằng cách mở lỗ khoang ngang, xả dầu có áp suất cao từ buồng nén của piston xi lanh bơm cao áp sang vùng chứa dầu có áp suất thấp.
Piston được dẫn động bởi cốt bơm nhờ 1 chốt định vị. Piston quay cùng tốc độ với cốt bơm. Hai lò xo hồi đẩy piston và đĩa cam tì lên các con lăn.
Trục cốt bơm quay làm cho piston bơm , đĩa bơm quay theo. Khi đĩa cam quay, mặt cam tì lên các con lăn (các con lăn gắn trên vòng mang càc con lăn, vòng lăn chỉ quay một góc nhỏ khi có sự tác động của bộ phun dầu sớm tự động). Điều này làm cho piston vừa quay theo đĩa cam vừa di chuyển lên xuống.
b. Xi lanh bơm (đầu phân phối):
Chính giữa ráp xi lanh bơm, đầu trên cùng đậy lại bởi một vít và đệm kín. Xung quanh xi lanh có khoan một lỗ hút, các lỗ phân phối (số lỗ phân phối tuỳ theo số xi lanh của động cơ). Tại đầu ra của lỗ phân phối có gắn van cao áp, lò xo cao áp, ốc lục giác để gắn ống cao áp.
Hình 5.4: Sơ đồ đầu piston phân phối
động cơ 4 xi lanh
Hình 5.5: Cấu tạo đầu phân phối:
c. Ñóa cam:
Đĩa cam chuyển động theo cốt bơm nhờ khớp nối chữ thập. Trên đĩa cam có các bướu cam, số bướu cam tuỳ theo số xi lanh động cơ.
d. Đĩa chứa con lăn:
Đĩa này ráp dưới đĩa cam, đứng yên một chổ và liên kết với bộ phun dầu sớm tự động. Vì vậy khi cốt bơm quay, piston vừa di chuyển lên xuống vừa xoay tròn.
e. Nguyên lý hoạt động:
Ví dụ: Bơm cao áp dùng cho động cơ 4 xi lanh.
Nhiên liệu được phân phối cho 1 xi lanh động cơ trong ¼ vòng quay và 1 lần chuyển động lên xuống của piston.
Nạp nhiên liệu:


Hình 5.6: Nạp nhiên liệu
Khi một trong bốn rãnh nạp dầu trùng với rãnh hút (chỉ có một rãnh hút, có 4 rãnh phân phối trên xi lanh bơm), dầu được nạp vào buồng nén qua rãnh hút.
Sự phân phối được thực hiện khi một trong 4 rãnh phân phối thẳng hàng với cửa piston.
Phân phối nhiên liệu đến kim phun:
Khi đĩa cam và piston quay (đồng thời chuyển động tịnh tiến về phía trước khi bướu cam bắt đầu tì lên các con lăn), cửa hút bắt đầu đóng lại. Khi cửa hút đóng hoàn toàn bắt đầu quá trình ép dầu. Khi cửa phân phối trùng với rãnh phân phối, dầu được piston cho kim phun.

Hình 5.7: Phaân phoái nhieân lieäu.

Keát thuùc:

Hình 5.8: Kết thúc
Piston tiếp tục dịch chuyển về phía trước (Bên phải), lỗ khoang ngang lộ ra khỏi vòng tràn. Nhiên liệu có áp suất cao xả từ buồng nén qua lỗ khoang ngang ra khoang trong thân bơm. Áp suất trong buồng nén giảm đột ngột và quá trình phun kết thúc.
3. Hệ thống điều khiển phun sớm tự động:
Nhiên liệu trong động cơ diesel cũng phải được phun sớm theo tốc độ động cơ để có được công suất cao, đãm bảo tính năng cao nhất.
a. Cấu tạo:
Piston bộ điều khiển phun sớm gắn liền trong vỏ bộ điều khiển, vuông góc với trục bơm và trượt theo sự cân bằng giữa áp suất nhiên liệu và sức căng lò xo bộ điều khiển. Chốt trượt biến chuyển động ngang của piston thành chuyển động quay của vòng đỡ các con lăn.
b. Hoạt động:

Hình 5.9: Phun sớm
Lò xo có xu hướng đẩy piston về phía phun trễ (phía phải). Khi tốc độ động cơ tăng, áp suất nhiên liệu tăng, áp lực dầu tác dụng lên piston thắng lực đẩy của lò xo và đẩy piston sang trái. Vòng đỡ các con lăn quay ngược chiều piston bơm cao áp, do đó làm sớm thời điểm phun nhiên liệu ứng với cùng một vị trí của đĩa cam.

Hình 5.10: Phun trễ
4. Hệ thống điều tốc:
a. Cấu tạo:

Hình 5.11 : Bộ điều chỉnh mọi tốc độ.



