Carbanilid và Salicylanilid
Dùng thay hexaclorophen trong “xà phòng sát khuẩn”. Dùng thường xuyên xà phòng có thể làm giảm mùi cơ thể do ngăn sự phân huỷ của vi khuẩn với các chất hữu cơ trong mồ hôi.
Clohexidin
+ Tác dụng làm vỡ màng bào tương của vi khuẩn, đặc biệt là chủng gram . Dùng trong “xà phòng sát khuẩn”, nước xúc miệng. Dung dịch 4% dùng rửa vết thương.
+ Thuốc có thể giữ lại lâu ở da nên tác dụng kìm khuẩn kéo dài.
+ Ít độc vì không kích ứng và không hấp thu qua da và niêm mạc lành.
LƯỢNG GIÁ
1. Trình bày tác dụng và ứng dụng của các thuốc sát khuẩn và tẩy uế?
2. Kể ra những thuốc sát khuẩn và tẩy uế hiện nay trong y học và trong sinh hoạt.
THUỐC TRỢ TIM
Mục tiêu:
1. Trình bày đặc điểm, nguồn gốc và thành phần của glycosid trợ tim.
2. Trình bày tác dụng và cơ chế tác dụng, tác dụng không mong muốn và áp dụng lâm sàng của thuốc trợ tim loại glycosid.
3. Trình bày cơ chế tác dụng, tác dụng và áp dụng lâm sàng của thuốc trợ tim không phải glycosid.
Thuốc trợ tim là thuốc có tác dụng làm tăng lực co bóp của cơ tim, được dùng trong các trường hợp suy tim. Các thuốc chia làm hai nhóm.
Thuốc loại glycosid, chỉ định trong suy tim mạn tính.
Thuốc không phải glycosid, dùng trong suy tim cấp tính.
1. Thuốc loại glycosid ( glycosid trợ tim )
Đặc điểm chung
+ Có nguồn gốc từ thực vật
+ Cấu trúc hoá học gần giống nhau (đều có nhân steroid)
+ Làm tăng lực co bóp của tim theo cùng một cơ chế
Nguồn gốc
+ Cây Dương địa hoàng (digitalis): Dương địa hoàng tía (digitalis purpurea)
Dương địa hoàng lông (digitalis lanata Ehrh)...
Từ các cây này chiết xuất được digitoxin và digoxin.
+ Cây Sừng trâu (strophanthus): Strophanthus. Gratus Strophanthus. kombe….
Từ các cây này đã chiết xuất được uabain.
+ Cây Hành biển: scilla maritina đã chiết xuất được scilaren A và B.
+ Cỏ Phúc thọ, cây Trúc đào…
Hoạt chất: trong các cây trên đều có glycosid, khi bị thuỷ phân các glycosid cho hai phần:
+ Phần đường (ose) không có tác dụng dược lý.
+ Phần không đường (genin hay aglycon) có tác dụng chống suy tim.
Cấu trúc hoá học của genin gồm một khung cyclopentanoperhydrophenantren ở C17 gắn với một vòng lacton không bão hoà 5 hoặc 6 cạnh. Chức lacton này quyết định tác dụng sinh lý của genin.
Genin | Phần đờng | Biệt dợc | |
Digitoxin (digitalin) Acetyl digitoxin | Digitoxigenin Digitoxigenin | 3 digitoxose 3 digitoxose + fần acetic | Digitalin Acelanid |
Digoxin Lanataglycosid C | Digoxigenin Digoxigenin | 3 digitoxose 3 digitoxose + 1 glucose | Digoxin Xedilanid |
G strophantosid | Uabaigenin | Ramnose | Uabain |
Scilaren A | Scilarenin | 1 ramnose + glucose | Xilaren |
Có thể bạn quan tâm!
-
Mebendazol (Bd : Fugacar, Vermox, Mebutar, Nemasole) -
Dược lý học - 24 -
Thuốc Diệt Amíp Ở Mô (Tác Dụng Với Thể Hoạt Động Ăn Hồng Cầu) -
Dẫn Xuất Bezimidazol : Các Thuốc Này Hiện Nay Đang Được Nghiên Cứu -
Điều Trị Không Dùng Thuốc : Là Phương Pháp Bắt Buộc Dù Có Kèm Dùng Thuốc Hay Không, Bao Gồm: -
Độc Tính: Tụt Huyết Áp Tư Thế Đứng, Nhịp Tim Nhanh, Đau Nhói Đầu. Thuốc Có Thể Dùng Cho Người Cao Huyết Áp, Song Không Dùng Cho Người Tăng Áp Lực
Xem toàn bộ 405 trang tài liệu này.
Bảng thành phần các glycosid trợ tim chính
CH3
CH3
OH
OH
O
0
digitoxigenin
1.1 Digitoxin
TK : Digitalin
BD : Cardigin, Cardioxin...
Chiết xuất từ cây dương địa hoàng tía (Digitalis purpurea). Cây mọc hoang ở nơi khô ráo. Thu hái lá vào năm thứ 2 khi cây sắp có hoa.
1.1.1. Dược động học
Hấp thu
+ Glycosid hấp thu qua niêm mạc tiêu hoá (dạ dày, tá tràng, ruột non) bằng khuếch tán thụ động. Nhóm – OH của genin (cực ưa nước) làm hạn chế độ tan của thuốc trong lipid. Genin của digitoxin chỉ có một nhóm – OH tự do, nên dễ tan trong lipid, được hấp thu tốt, cụ thể: sau uống liều điều trị 5 phút thuốc bắt đầu hấp thu, tối đa sau 1 giờ và kết thúc sau 2 giờ.
+ Tiêm tĩnh mạch, sau 2 giờ xuất hiện tác dụng nên không dùng được trong cấp cứu.
Phân phối
+ Digitoxin gắn 90% vào protein huyết tương, song không bền và dễ giải phóng ra dạng tự do.
+ Gắn nhiều vào các mô, đặc biệt là tim, gan, phổi, thận (cơ quan được tưới nhiều máu). Với cơ tim thuốc gắn bền vững bằng liên kết cộng hoá trị, gây tích luỹ. Khi nồng độ kali máu cao, thuốc giảm gắn vào tim và ngược lại khi kali máu giảm thuốc gắn nhiều vào tim, dễ gây độc. Thuốc thấm qua được rau thai.
Chuyển hoá: digitoxin chuyển hoá hoàn toàn ở gan bằng các phản ứng: thuỷ phân, hydroxy hoá, epime hoá và liên hợp với các acid glucuronic, sulfuric.
Thải trừ : thuốc thải trừ qua thận và gan, có một phần đuợc tái hấp thu khi thải trừ, gây tích luỹ thuốc trong cơ thể. t/2 bán thải là 110 giờ và lưu lại trong cơ thể 2 – 4 tuần.
1.1.2. Tác dụng
1.1.2.1. Tác dụng trên tim (là tác dụng chủ yếu)
Thuốc làm tim đập mạnh – đập chậm – đập đều. Cơ chế tác dụng trên tim được giải thích như sau:
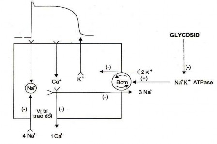
– Thuốc ức chế ATPase màng, là enzym cung cấp năng lượng cho “ bơm Na+ - K+ ”
của mọi tế bào. “Bơm”này có tác dụng đẩy 3 ion Na+ ra và trao đổi với 2 ion K+ vào trong tế bào. Trên người, ATPase của cơ tim là nhạy cảm nhất với thuốc, nên với liều điều trị thuốc tác dụng sớm nhất là trên tim.
Khi ATPase màng tế bào cơ tim bị ức chế tăng nồng độ Na+ trong tế bào,
gây cản trở sự trao đổi Na+ - Ca++ ở hệ thống trao đổi ( bình thường, khi hoạt động hệ thống này sẽ đẩy 1Ca++ ra và nhập 4 Na+ vào tế bào).
Kết quả, nồng độ Ca++ trong tế bào cơ tim tăng cao, gây tăng lực co bóp của cơ tim, vì Ca++ có vai trò hoạt hoá myosin - ATPase để cung cấp năng lượng cho sự co cơ tim (các sợi actin trượt trên sợi myosin). Đây là cơ chế làm tim đập mạnh của thuốc.
– Tiếp theo cơ tim, ATPase của tế bào nhận cảm áp lực ở cung động mạch chủ và xoang động mạch cảnh bị ức chế, gây kích thích trung tâm phó giao cảm và giảm trương lực giao cảm. Do đó, làm tim đập chậm và giảm dẫn truyền nhĩ thất. Đây là cơ chế làm tim đập chậm của thuốc.
– Do làm giảm dẫn truyền nội tại và tăng tính trơ có chu kỳ của cơ tim nên khi bị loạn nhịp, thuốc có thể làm nhịp đập đều trở lại.

Tác dụng của digitalis trên các luồng ion
1.1.2.2. Các tác dụng khác
Trên thận: làm tăng thải muối và nước nên làm giảm phù do suy tim.
Trên cơ trơn: liều độc làm tăng co bóp cơ trơn dạ dày, ruột gây nôn, đi lỏng. Co thắt cơ trơn khí quản và tử cung có thể gây sẩy thai.
Trên thần kinh: kích thích trực tiếp trung tâm nôn ở sàn não thất 4
1.1.3. Nhiễm độc
Thường gặp khi dùng đường truyền tĩnh mạch, với triệu chứng:
+ Bắt đầu nhịp tim đập chậm dần, rời rạc, PQ dài trên 0,2 giây, có ngoại tâm thu (một dạng), ST hạ thấp và chếch.
+ Sau đó dẫn truyền nhĩ thất bị nghẽn và nặng hơn là nhĩ thất phân ly hoàn toàn, có thể thấy ngoại tâm thu đa dạng, rồi nhịp thất nhanh, rung thất và ngừng tim.
Vì vậy, trong lâm sàng nên ngừng thuốc khi thấy một trong các biểu hiện:
+ Nhịp dưới 60 lần/phút
+ Nghẽn nhĩ thất từ độ 2 trở lên
+ Hai ngoại tâm thu khác nhau trên một đạo trình
Điều trị: dùng kali để ức chế gắn thuốc vào cơ tim, EDTA để tăng thải thuốc và thuốc chữa triệu chứng loạn nhịp (diphenylhydantoin, phong tỏa β…):
+ KCL uống 20 – 60mEq/lần/ngày. Truyền nhỏ giọt tĩnh mạch 20 – 60 mEq/l trong 2 – 3 giờ đầu. Không dùng khi có suy thận.
+ Diphenylhydantoin tiêm tĩnh mạch 125 - 250mg trong 1 - 3 phút (tăng ngưỡng kích thích của tim). Nếu có nhịp chậm tiêm atropin tĩnh mạch 0,5 - 1mg.
+ Phong toả tiêm tĩnh mạch dưới kiểm tra của điện tim, không quá 1mg/1 phút
+ EDTAnatri (acid etylen diamin tetra acetic natri) 3g hoà trong 250 ml dung dịch glucose đẳng trương truyền tĩnh mạch trong 30 phút để gắp Ca++
Ống 10ml dung dịch 5% hoặc ống: 1g
1.1.4. Áp dụng lâm sàng
Chỉ định
+ Giãn tâm thất
+ Nhịp nhanh và loạn
+ Suy tim do tổn thương van tim
Chống chỉ định
+ Nhịp chậm
+ Nhịp nhanh tâm thất, rung thất
+ Viêm cơ tim cấp (bạch hầu, thương hàn...)
+ Nghẽn nhĩ thất
Tương tác
+ Không dùng cùng uabain
+ Dùng cùng các thuốc sau có thể gây chết đột ngột hoặc tăng độc tính của digitalis: calci (nhất là khi tiêm tĩnh mạch), quinidin, thuốc kích thích adrenergic,
reserpin…
1.1.5. Cách dùng và liều lượng
Do thuốc tích luỹ nên phải dùng liều giảm dần và ngắt quãng
Người lớn: liều tấn công uống 0,2 - 0,3mg/ngày chia 2 – 3 lần, liều duy trì uống 0,05 - 0,1mg/ngày (1 lần). Liều tiêm tĩnh mạch giống liều uống
Trẻ em: kinh nghiệm lâm sàng là hạn chế dùng digitoxin cho trẻ, thường khuyên dùng digoxin.
Viên bao hoặc viên nang: 0,05mg, 0,1mg Ống 1ml = 0,25mg; 0,1mg
1.2. Digoxin
TK : Digitalis lanata
BD: Allocor, lanicor, lanoxin
Chiết xuất từ cây Dương địa hoàng lông (D. lanata). Có 3 lanata glycosid: A, B và C. Nay dùng lanata glycosid C ( digoxin)
Dược động học
+ Do có 2 nhóm – OH tự do trong công thức, nên hấp thu qua niêm mạc tiêu hoá kém digitoxin ( 70%). Sau tiêm tĩnh mạch 20 phút đã có tác dụng nên có thể dùng trong cấp cứu.
+ Với cơ tim digoxin cũng gắn bền vững bằng liên kết cộng hoá trị.
+ Chuyển hoá 5% qua gan
+ Thải trừ nhanh qua thận và gan, t/2 bán thải là 33 giờ và lưu lại trong cơ thể 1 tuần.
Tác dụng và cơ chế tác dụng: tương tự digitalis purpurea (digitoxin)
Độc tính: ít hơn digitoxin, song nếu gặp cũng có biểu hiện tương tự.
Chỉ định và chống chỉ định: tương tự digitalis purpurea (digitoxin)
Cách dùng và liều lượng
+ Người lớn: liều tấn công uống 0,5 - 1mg/ngày hoặc tiêm tĩnh mạch 0,5 - 1mg/ngày chia 2 lần. Liều duy trì uống 0,25 – 0,5mg/ngày hoặc tiêm tĩnh mạch liều tương tự, hoặc tuần tiêm 3 ngày mỗi ngày 1/2 ống.
+ Trẻ em: không dùng viên nén digoxin cho trẻ dưới 5 tuổi. Thường dùng đường tiêm tĩnh mạch liều tuỳ theo tuổi
Sơ sinh: liều đầu tiên 20mcg, sau đó 7mcg/kg/ngày.
6 tháng đến 2 tuổi: liều đầu tiên 30mcg/kg, sau đó 10 – 20mcg/kg/ngày. Trên 2 tuổi: liều đầu tiên 15mcg/kg, duy trì 7mcg/kg.
Viên nén: 125mcg, 250mcg, 500mcg
Dung dịch uống cho trẻ 0,05mg/1ml, đóng lọ 60ml Ống 1ml = 0,1mg (người lớn), 1ml = 0,05mg (trẻ em)
1.3. Uabain
TK: G strphantin
BD: Cardibain, ouabain
Chiết xuất từ hạt cây sừng trâu (strophanthus grathus), có genin là strophantidin.
Dược động học
+ Trong cấu trúc có 5 nhón – OH tự do nên không hấp thu qua đường tiêu hoá, tiêm bắp không tác dụng, phải tiêm tĩnh mạch. Sau tiêm tĩnh mạch 5 phút thuốc đã xuất hiện tác dụng (dùng tốt trong cấp cứu), tác dụng tối đa sau 1 giờ.
+ Thuốc không gắn với protein huyết tương, không gắn vào cơ tim bằng liên kết cộng hoá trị và không tích lũy.
+ Thuốc không bị chuyển hoá mà thải trừ nguyên dạng qua nước tiểu, t/2 bán thải là 6 giờ và lưu lại trong cơ thể 1 – 2 ngày.
Tác dụng và cơ chế tác dụng: tương tự dogitoxin và digoxin, song ít tác dụng trên dẫn truyền nội tại cơ tim, nên có thể dùng cả khi nhịp chậm.
Chỉ định:
+ Cấp cứu suy tim
+ Suy tim khi digitalis tỏ ra không tác dụng
Cách dùng và liều lượng
Tiêm tĩnh mạch thật chậm 0,25mg/lần, ngày 2 lần, cách nhau 12 giờ. Tối đa 0,5mg/lần và 1mg/ngày (lưu ý khi tiêm không để thuốc ra ngoài tĩnh mạch)
Ống 1ml = 0,25mg
2. Thuốc trợ tim không phải digitalis
2.1. Thuốc làm tăng AMPc
Các thuốc loại glycosid không được dùng trong shock vì có nhiều tác dụng không mong muốn, tác dụng không mong muốn càng dễ xẩy ra khi có tăng cathecholamin nội sinh (stress), thiếu oxy, toan máu... là những biểu hiện thường đi kèm với shock
Hiện nay, trong điều trị shock hay dùng loại làm tăng AMPc ở màng tế bào cơ tim, tác dụng làm mở kênh calci nên làm tăng co bóp cơ tim
Cá c protein kinase
(+)
ATP
(+) Adenyl cyclase
(+)
3' - 5' - AMPc
(+) cư ờng beta1,beta2
Tá c dụng sinh lý
5' AMP
Phosphodiesterase
(-)
Xanthin
amrinon milrinon
Vị trí tác dụng của các thuốc làm tăng AMPc
Cơ chế tác dụng
Thuốc kích thích adenylcyclase, enzym tổng hợp AMPc và ức chế phosphodiesterase, enzym giáng hoá AMPc nên làm tăng AMPc.
Các thuốc làm tăng biên độ co bóp của cơ tim, tốc độ co bóp nhanh và thời gian co bóp ngắn lại, tác dụng tốt trong điều trị shock.
Thuốc không cải thiện được tình trạng suy tim (không dùng điều trị suy tim)
2.1.1. Các thuốc cường - adrenergic ( xem thêm trong bài thuốc tác dụng trên TKTV)
2.1.1.1. Isoprenalin (isuprel)
Tác dụng
+ Làm tim đập mạnh, nhanh, tăng tính dẫn truyền và tính chịu kích thích. Lưu lượng tim tăng làm tăng huyết áp tối đa . Do tim đập nhanh, làm tăng nhu cầu oxy của cơ tim.
+ Giãn khí quản, giãn mạch (giảm sức cản ngoại biên), huyết áp tối thiểu giảm.
Lưu lượng tim tăng và giãn mạch là 2 tác dụng giúp cải thiện sự tưới máu, đặc biệt cho vùng tạng nơi chịu ảnh hưởng nhiều của shock. Thuốc làm tăng đường huyết, tăng huỷ lipid nên sinh năng lượng.
Tác dụng không mong muốn: hạ huyết áp, loạn nhịp, đau vùng trước tim, nhồi máu cơ tim (phải theo dõi bằng điện tim)
Chỉ định
+ Shock có hạ huyết áp (shock phản vệ, shock nhiễm khuẩn hay shock do tim)
+ Ngừng tim, kết hợp xoa bóp tim ngoài lồng ngực
– Chống chỉ đinh: cao huyết áp, nhồi máu cơ tim, đau thắt ngực.
Cách dùng và liều lượng






