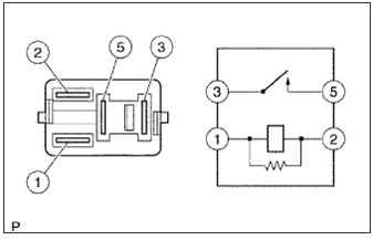
Điện trở tiêu chuẩn:
Điều kiện kiểm tra | Điện trở | |
3 - 5 | Khi cấp điện áp ắc quy đến cực 1 và 2 | Dưới 1 Ω |
Khi không cấp điện áp ắc quy | 10 kΩ trở lên |
Có thể bạn quan tâm!
-
Chẩn đoán điện thân xe Nghề Công nghệ ô tô - Cao đẳng - Trường Cao đẳng nghề Đồng Tháp - 1 -
Chẩn đoán điện thân xe Nghề Công nghệ ô tô - Cao đẳng - Trường Cao đẳng nghề Đồng Tháp - 2 -
Chẩn đoán điện thân xe Nghề Công nghệ ô tô - Cao đẳng - Trường Cao đẳng nghề Đồng Tháp - 3 -
Chẩn đoán điện thân xe Nghề Công nghệ ô tô - Cao đẳng - Trường Cao đẳng nghề Đồng Tháp - 4 -
Chẩn đoán điện thân xe Nghề Công nghệ ô tô - Cao đẳng - Trường Cao đẳng nghề Đồng Tháp - 5 -
Chẩn đoán điện thân xe Nghề Công nghệ ô tô - Cao đẳng - Trường Cao đẳng nghề Đồng Tháp - 7
Xem toàn bộ 61 trang tài liệu này.

Hình 21. Rơ le P/W
Nếu kết quả không như tiêu chuẩn, hãy thay thế rơle DEF
2.2. Kiểm tra dây điện và giắc nối (cực dương ắc quy với dây sấy kính hậu)
- Tháo giắc nối R10, R11 của dây sấy kính.
- Đo điện áp theo các giá trị trong bảng dưới đây.
Điện áp tiêu chuẩn:
Trạng thái của công tắc | Điều kiện tiêu chuẩn | |
R10-1 - Mass thân xe | Khoá điện ON Công tắc bộ sấy kính hậu bật ON | Từ 11 đến 14 V |
R11-1 - Mass thân xe | Khoá điện ON Công tắc bộ sấy kính hậu bật ON | Từ 11 đến 14 V |
- Nối lại giắc nối dây sấy kính hậu.
2.3. Kiểm tra dây sấy
- Bật khoá điện ON (IG).
- Bật công tắc sưởi kính ON.
- Kiểm tra điện áp.
- Dùng vôn kế, đo điện áp tại tâm của từng dây sấy như trên hình vẽ.
Tiêu chuẩn:
Điều kiện kiểm tra | |
Khoảng 5 V | Dây không bị đứt |
Khoảng 10 hay 0 V | Dây bị đứt |
CHÚ Ý:
Khi đo điện áp, hãy quấn một miếng giấy thiếc quanh đầu của đầu đo âm (-) và ép giấy thiếc vào dây bằng ngón tay, như trên hình vẽ.
GỢI Ý:
Nếu điện áp xấp xỉ 10 V, thì dây điện có thể bị hỏng giữa dây và ắc quy. Nếu không có điện áp, thì dây điện dây điện có thể bị hỏng giữa của dây và mát.
Hình 22. Kiểm tra dây sấy kính
- Đặt cực dương của vôn kế áp vào dây sấy ở phía ắc quy.
- Đặt dây thiếc lên cực âm (-) của vôn kế áp vào dây ở phía nối mát.
- Trượt đầu dương (+) từ phía ắc quy về phía mát.
- Tại điểm mà điện áp sụt xuống từ xấp xỉ 10 V đến 0 V đó là điểm dây sấy bị đứt.
GỢI Ý:
- Nếu dây sấy bị đứt, thì điện áp sẽ có giá trị 0 V tại đầu dương (+) của dây sấy và tăng dần đến xấp xỉ 12 V khi đầu đo của đồng hồ di chuyển đến đầu kia.
Câu hỏi và bài tập :
1. Trình bày quy trình chẩn đoán hệ thống sấy kính hậu
2. Lập quy trình chẩn đoán hệ thống sấy kính hậu xe KIA RONDO

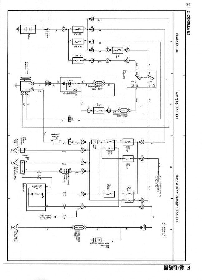
Hình 23. Sơ đồ hệ thống sấy kính hậu Toyota Corolla EX
BÀI 10: CHẨN ĐOÁN HỆ THỐNG ĐIỀU KHIỂN GƯƠNG ĐIỆN Mã bài: CMĐ 31-10
Giới thiệu:
Chẩn đoán hệ thống điều khiển gương điện là bài học nhằm cung cấp cho người học những kiến thức cơ bản về quy trình chẩn đoán, kiểm tra, sửa hệ thống điện ô tô nói riêng và sửa chữa ô tô nói chung.
Mục tiêu:
- Trình bày được quy trình chẩn đoán hệ thống điều khiển gương điện
- Chẩn đoán đúng theo qui trình, phát hiện và sửa chữa được các hư hỏng của hệ thống điều khiển gương điện
Nội dung chính:
1. Hiện tượng, nguyên nhân:
1.1. Hiện tượng: Gương không hoạt động
1.2. Nguyên nhân:
- Cầu chì
- Công tắc
- Cụm gương chiếu hậu
2. Kiểm tra, sửa chữa:
2.1. Kiểm tra cầu chì 15A CIG
- Tháo cầu chì 15A CIG ra khỏi ECU chính thân xe.
- Đo điện trở theo các giá trị trong bảng dưới đây.
Điện trở tiêu chuẩn:
Điều kiện kiểm tra | Điều kiện tiêu chuẩn | |
Cầu chì CIG | Mọi điều kiện | Dưới 1 Ω |
Nếu kết quả không như tiêu chuẩn, hãy thay thế cầu chì 15A CIG
2.2. Kiểm tra công tắc :
- Kiểm tra công tắc gương chiếu hậu bên ngoài.
- Hãy chọn phía "L" của công tắc điều chỉnh gương Trái/Phải
- Đo điện trở theo các giá trị trong bảng dưới đây.
Điện trở tiêu chuẩn:
Trạng thái của công tắc | Điều kiện tiêu chuẩn | ||
4 (VL) - 8 (B) 6 (M+) - 7 (E) | LÊN KÍNH | Ấn vào | Dưới 1 Ω |
Không ấn | 10 kΩ trở lên | ||
4 (VL) - 7 (E) 6 (M+) - 8 (B) | XUỐNG KÍNH | Ấn vào | Dưới 1 Ω |
Không ấn | 10 kΩ trở lên | ||
5 (HL) - 8 (B) 6 (M+) - 7 (E) | TRÁI | Ấn vào | Dưới 1 Ω |
Không ấn | 10 kΩ trở lên | ||
5 (HL) - 7 (E) 6 (M+) - 8 (B) | PHẢI | Ấn vào | Dưới 1 Ω |
Không ấn | 10 kΩ trở lên |
Nếu kết quả không như tiêu chuẩn, hãy thay thế công tắc điều khiển gương chiếu hậu bên ngoài.
- Hãy chọn phía "R" của công tắc điều chỉnh gương Trái/Phải
- Đo điện trở theo các giá trị trong bảng dưới đây.
Điện trở tiêu chuẩn:
Trạng thái của công tắc | Điều kiện tiêu chuẩn | ||
3 (VR) - 8 (B) 6 (M+) - 7 (E) | LÊN KÍNH | Ấn vào | Dưới 1 Ω |
Không ấn | 10 kΩ trở lên | ||
3 (VR) - 7 (E) 6 (M+) - 8 (B) | XUỐNG KÍNH | Ấn vào | Dưới 1 Ω |
Không ấn | 10 kΩ trở lên | ||
2 (HR) - 8 (B) 6 (M+) - 7 (E) | TRÁI | Ấn vào | Dưới 1 Ω |
Không ấn | 10 kΩ trở lên | ||
2 (HR) - 7 (E) 6 (M+) - 8 (B) | PHẢI | Ấn vào | Dưới 1 Ω |
Không ấn | 10 kΩ trở lên |
Nếu kết quả không như tiêu chuẩn, hãy thay thế công tắc điều khiển gương chiếu hậu bên ngoài.
2.3. Kiểm tra cụm gương chiếu hậu bên trái
- Kiểm tra hoạt động của van.
- Nối dây (+) ắc quy vào cực 9 (MV) và dây âm ắc quy vào cực 8 (M+), sau đó kiểm tra hoạt động của môtơ gương chiếu hậu bên ngoài.
OK: Quay lên trên
Nếu kết quả không như tiêu chuẩn, hãy thay thế gương chiếu hậu bên ngoài.
- Nối dây (+) ắc quy vào cực 8 (M+) và dây âm ắc quy vào cực 9 (MV), sau đó kiểm tra hoạt động của môtơ gương chiếu hậu bên ngoài.
OK:Quay xuống dưới
Nếu kết quả không như tiêu chuẩn, hãy thay thế gương chiếu hậu bên ngoài.
- Nối dây (+) ắc quy vào cực 4 (MH) và dây âm ắc quy vào cực 8 (M+), sau đó kiểm tra hoạt động của môtơ gương chiếu hậu bên ngoài.
OK: Quay sang trái
Nếu kết quả không như tiêu chuẩn, hãy thay thế gương chiếu hậu bên ngoài.
- Nối dây (+) ắc quy vào cực 8 (M+) và dây âm ắc quy vào cực 4 (MH), sau đó kiểm tra hoạt động của môtơ gương chiếu hậu bên ngoài.
OK: Rẽ phải
Nếu kết quả không như tiêu chuẩn, hãy thay thế gương chiếu hậu bên ngoài.
2.4. Kiểm tra cụm gương chiếu hậu bên phải
- Kiểm tra hoạt động của van.
- Nối dây (+) ắc quy vào cực 9 (MV) và dây âm ắc quy vào cực 8 (M+), sau đó kiểm tra hoạt động của môtơ gương chiếu hậu bên ngoài.
OK: Quay lên trên
Nếu kết quả không như tiêu chuẩn, hãy thay thế gương chiếu hậu bên ngoài.
- Nối dây (+) ắc quy vào cực 8 (M+) và dây âm ắc quy vào cực 9 (MV), sau đó kiểm tra hoạt động của môtơ gương chiếu hậu bên ngoài.
OK: Quay xuống dưới
Nếu kết quả không như tiêu chuẩn, hãy thay thế gương chiếu hậu bên ngoài.
- Nối dây (+) ắc quy vào cực 4 (MH) và dây âm ắc quy vào cực 8 (M+), sau đó kiểm tra hoạt động của môtơ gương chiếu hậu bên ngoài.
OK: Quay sang trái
Nếu kết quả không như tiêu chuẩn, hãy thay thế gương chiếu hậu bên ngoài.
- Nối dây (+) ắc quy vào cực 8 (M+) và dây âm ắc quy vào cực 4 (MH), sau đó kiểm tra hoạt động của môtơ gương chiếu hậu bên ngoài.
OK:Rẽ phải
Nếu kết quả không như tiêu chuẩn, hãy thay thế gương chiếu hậu bên ngoài.
Hình 24. Giắc điện gương phải và trái
Câu hỏi và bài tập :
1. Trình bày quy trình chẩn đoán hệ thống điều khiển gương điện
2. Lập quy trình chẩn đoán hệ thống điều khiển gương điện xe KIA RONDO






