4. Giảm áp su t

Hình 31. 65. Trường hợp giảm áp uất.
- Khi áp suất tác động lên bàn đạp phanh dịu đi, áp suất của xy lanh chính giảm xuống. Sau đó, lực phản hồi (về bên phải) của piston bộ điều tiết trở nên tương đối lớn hơn, làm cho piston điều tiết co lại và van trượt cũng thu lại. Do đó, cửa “A” giữa bình chứa và buồng bộ trợ lực mở ra.
- Trong trạng thái này, áp suất của bộ trợ lực giảm xuống, tạo nên sự cân bằng tương ứng với lực mới tác động qua bàn đạp phanh. Quá trình này được thực hiện lặp đi lặp lại để giảm áp suất của xy lanh chính theo lực tác động qua bàn đạp phanh.
5. Trong khi có sự cố về nguồn cung c p iện
- Nếu áp suất của bộ tích bị ảnh hưởng bởi bất kỳ sự cố nào, buồng của bộ trợ lực sẽ không được cấp áp suất thuỷ lực. Vì vậy, không thể tạo ra trợ lực nào cholực tác động qua bàn đạp phanh và không thể tăng áp suất cho các phanh sau.

- Tuy nhiên, áp suất đến các phanh trước tăng lên ở piston của xy lanh chính theo lực tác động lên bàn đạp phanh.
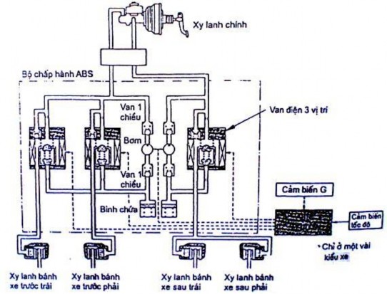
Hình 31. 66. Áp uất của bộ tích năng.
57
7. HỆ THỐNG ỔN ĐỊNH XE BẰNG ĐIỆN TỬ (ESP)
Chương trình ổn định xe bằng điện tử (Electronic Stability Program - ESP) là một hệ thống an toàn chủ động cải thiện tính ổn định của xe trong tất cả mọi tình huống chuyển động. Hệ thống này được trang bị trên các xe hiện nay như Mercedes, BMW…
Hệ thống ESP (hình vẽ) làm việc bằng cách can thiệp vào hệ thống phanh, có thể tác động riêng rẽ trên một hoặc nhiều bánh xe trên cầu trước hoặc cầu sau. ESP giúp ổn định xe khi phanh, khi quay vòng, khi khởi hành và tăng tốc. Để tăng cường cho việc điều khiển phanh có hiệu quả, thì ESP cũng tác động đến cả động cơ và hộp số.

Hình 31. 67. Sơ đồ hệ thống ESP trên xe Mercede
2. Cụm giắc chẩn đoán | |
3. Hộp điều khiển điện tử ESP | 4. Công tắc ESP off |
5. Đèn báo ABS | 6. Đèn báo ESP |
7. Đèn báo EPC | 8. Cảm biến gia tốc ngang |
9. Hộp điều khiển làm chậm mô men quay xe | 10. Đèn báo lỗi ESP |
11. Cảm biến góc lái | 12. Công tắc báo phanh |
13. Bơm cung cấp ESP | 14. Công tắc phanh đỗ xe |
15. Cảm biến áp suất xy lanh chính | 16. Xy lanh chính |
17. Bộ chấp hành thủy lực ESP |
Có thể bạn quan tâm!
-
Hiện Tượng, Nguyên Nhân Sai Hỏng Và Phương Pháp Kiểm Tra Sửa Chữa Bộ Chấp Hành -
Khái Quát Về Trc (Hệ Thống Điều Khiển Lực Kéo) -
Điều Khiển Để Khử Ự Quay Trượt Của Bánh Trước. -
Vị Trí Các Chi Tiết Tháo Lắp Bộ Chấp Hành -
Quy Trình Lắp Cảm Biến Tốc Độ Phía Trước -
Quy Trình Tháo Lắp, Bảo Dưỡng - Ửa Chữa Cảm Biến.
Xem toàn bộ 153 trang tài liệu này.
Hệ thống ESP bao gồm sự liên kết và tích hợp các hệ thống và chức năng sau:
- Hệ thống ABS chống hãm cứng bánh xe khi phanh, vì vậy duy trì khả năng lái và tính ổn định của xe trong lúc giảm tốc.
Ví dụ: nếu có một bánh xe nào đó có xu hướng bị hãm cứng (hiện tượng trượt lết của bánh xe trên mặt đường) thì áp lực phanh trên bánh đó sẽ được kiểm soát. Sự kiểm soát này được điều khiển bởi bộ chấp hành thủy lực. Các van điện từ
58
trong bộ chấp hành sẽ điều hòa áp suất phanh qua các giai đoạn tăng áp, giữ áp và giảm áp.
- Hệ thống ASR (Acceleration Slip Regulator) khắc phục hiện tượng quay trơn của các bánh xe chủ động khi khởi hành và tăng tốc đột ngột. Nó cũng giúp cải thiện tính ổn định của xe bằng cách điều chỉnh lực kéo của các bánh xe chủ động.
- Khi bánh xe chủ động nào bị quay trơn, cảm biến tốc độ bánh xe sẽ gửi tín hiệu này đến bộ điều khiển điện tử. Bộ điều khiển điện tử sẽ điều khiển bộ chấp hành thủy lực cung cấp dầu phanh đến bánh xe đó. Aùp suất phanh cũng được điều khiển ở các chế độ tăng áp, giữ áp và giảm áp.
- Đồng thời với sự điều khiển phanh, hệ thống ESP cũng gửi tín hiệu đến hộp điều khiển động cơ, điều khiển đóng bớt vị trí cánh bướm ga lại hoặc làm chậm thời điểm đánh lửa để giảm bớt momen xoắn của động cơ.
Hệ thống EBR (Engine Brake Regulation) chống hiện tượng trượt của các bánh xe chủ động khi chạy trớn và đảm bảo tính ổn định của xe.
Khi xe chạy trớn (ví dụ xuống dốc), cánh bướm ga đóng, sẽ có chế độ phanh bằng động cơ. Trường hợp lực cản của động cơ quá lớn sẽ dẫn đến hiện tượng các bánh xe chủ động bị trượt lết. Hộp điều khiển ESP nhận biết hiện tượng này và gửi tín hiệu đến hộp điều khiển động cơ, làm tăng moment xoắn động cơ để giảm sự trượt ở các bánh xe chủ động. Quá trình này diễn ra mà người lái xe không nhận biết được.
ESP khắc phục hiện tượng quay vòng thiếu hoặc quay vòng thừa. Trong tất cả mọi tình huống, nó đảm bảo rằng xe không bị lệch ra khỏi hướng điều khiển của người lái xe.

Hình 31. 68. ESP điều khiển hệ thống phanh chống hiện tượng quy vòng thiếu hoặc thừa
Khi có hiện tượng quay vòng thiếu hoặc quay vòng thừa (understeering oroversteering) xảy ra, hệ thống ESP sẽ nhận biết thông qua các cảm biến góc lái và cảm biến gia tốc ngang, tự động điều khiển một lực phanh chính xác đến các bánh xe tương ứng ở cầu trước hoặc cầu sau để duy trì hướng chuyển động của xe theo sự điều khiển của người lái. Hình (a) cho thấy khi xe có xu hướng quay vòng thiếu thì ESP điều khiển phanh bánh xe sau trái, còn khi xe có xu
59
hướng quay vòng thừa (hình b) thì ESP điều khiển phanh bánh xe trước phải, nhờ vậy giúp cho xe ổn định khi quay vòng.
Đồng thời với sự điều khiển phanh, hệ thống ESP cũng gửi tín hiệu đến hộp điều khiển động cơ, điều khiển giảm bớt momen xoắn của động cơ. Nhờ vậy xe đạt được tính ổn định cao khi quay vòng.
8. MỘT SỐ SƠ ĐỒ HỆ THỐNG PHANH ABS (THAM KHẢO)
a. Van iện 2 vị trí 4 có van iều khiển ưu ượng (4)

b. Van iện 2 vị trí 6 có van iều khiển tăng áp

60
c. Van iện 2 vị trí (6)

d. Van iện 2 vị trí (8)

61
e. Van iện 3 vị trí 3 có van i tắt (1)

f. Van iện 3 vị trí (5)

62
CÂU HỎI ÔN TẬP
Câu 1. Trình bày nhiệm vụ, yêu cầu hệ thống phanh ABS.
Câu 2. Trình bày phương pháp phân loại hệ thống phanh ABS.
Câu 3. sơ đồ cấu tạo và nguyên lý hoạt động của hệ thống phanh ABS. Câu 4. Trình bày cấu tạo và hoạt động của cảm biến tốc độ bánh xe.
Câu 5. Trình bày cấu tạo và hoạt động của cảm biến giảm tốc độ trên hệ thống phanh ABS.
Câu 6. Trình bày cấu tạo và hoạt động của bộ chấp hành thủy lực trên hệ thống phanh ABS.
Câu 7. Trình bày cấu tạo và hoạt động của ECU trên hệ thống phanh ABS. Câu 8. Trình bày hoạt động của hệ thống phanh ABS có bổ trợ EBD.
Câu 9. Trình bày hoạt động của hệ thống hỗ trợ phanh khẩn cấp BAS trên hệ thống phanh ABS.
Câu 10. Trình bày hoạt động của hệ thống bổ trợ TRC và VSC.
63
MĐ 31.02. THÁO LẮP HỆ THỐNG PHANH ABS
* Giới thiệu
Trong quá trình hoạt động của hệ thống phanh ABS sẽ không tránh khỏi được những hư hỏng, để kiểm tra khắc phục được các hư hỏng đó thì người thợ phải tiến hành tháo, lắp hệ thống. Ở phần này của giáo trình sẽ trang bị cho học viên quy trình tháo, lắp hệ thống phanh ABS và những chú ý trong quá trình tháo, lắp.
* Mục tiêu:
- Lựa chọn đúng dụng cụ tháo lắp
- Thực hiện đúng thao tác và yêu cầu kỹ thuật khi tháo lắp
- Tháo lắp, nhận dạng và kiểm tra được dẫn động phanh ABS đúng yêu cầu kỹ thuật.
- Chấp hành đúng quy trình, quy phạm trong công nghệ ô tô
- Rèn luyện tính kỷ luật, cẩn thận, tỉ mỉ của học viên.
* i dung:
1. QUY TRÌNH THÁO, LẮP KIỂM TRA HỆ THỐNG PHANH ABS
1.1. Chuẩn bị dụng cụ
a. Tài iệu sửa chữa
- Do sự phát triển của công nghệ ô tô, các hệ thống và đặc điểm mới được đưa vào các kiểu xe mới. Do đó, các kỹ thuật viên sửa chữa những xe ô tô có độ phức tạp cao mà chỉ dựa vào kinh nghiệm bản thân ngày càng trở nên khó khăn hơn.
- Để thông báo cho những nhân viên sửa chữa trên toàn thế giới về quy trình sửa chữa thích hợp và những công nghệ mới, các nhà sản xuất phát hành nhiều loại tài liệu khác nhau: Hướng dẫn sửa chữa, sách EWD (Sơ đồ mạch điện), danh sách SST (Dụng cụ sửa chữa chuyên dùng), sách NCF (Đặc điểm của xe mới), SDS (Phiếu thông tin sửa chữa), hướng dẫn sử dụng, các tài liệu khác.
b. V t iệu bôi trơn

Hình 31. 69. Vật liệu bôi trơn
64






