CHƯƠNG III: THIẾT KẾ PHẦN CỨNG
KHÁI NIỆM:
Phần cứng của một thiết bị bao gồm các linh kiện, phần tử cấu tạo nên thiết bị đó. Tùy thuộc vào chức năng, độ phức tạp mà thiết bị đó có cấu tạo đơn giản hay phức tạp. Với card giao tiếp chỉ nạp được một loại EPROM 2764, cho nên cấu tạo mạch không quá khó.
Sau đây là sơ đồ khối của card giao tiếp mà đề tài thiết kế:
Port A
Dữ liệu+dchỉ thấp
8255
Port B
Có thể bạn quan tâm!
-
Thiết kế và thi công Card ghi - đọc EPROM - 3 -
Thiết kế và thi công Card ghi - đọc EPROM - 4 -
Thiết kế và thi công Card ghi - đọc EPROM - 5 -
Thiết kế và thi công Card ghi - đọc EPROM - 7 -
Thiết kế và thi công Card ghi - đọc EPROM - 8 -
Thiết kế và thi công Card ghi - đọc EPROM - 9
Xem toàn bộ 80 trang tài liệu này.
Địa chỉ cao
Port C
Điều khiển
74373
A0ữA7
EPROM 2764
O0ữO7
A8ữA12
Sơ đồ khối card ghi đọc EPROM
Trong đó:
Port A: dùng để gởi địa chỉ byte thấp và dữ liệu cần truy xuất. Port B: dùng để gởi địa chỉ byte cao.
Port C: dùng để điều chỉnh quá trình hoạt động của mạch.
74373: dùng để chốt địa chỉ bit thấp để việc truy xuất dữ liệu không bị ảnh hưởng.
NGUỒN CUNG CẤP:
II.1. NGUYÊN LÝ THIẾT KẾ:
Việc EPROM 2764 có thể lập trình với hai nguồn áp +12,5v hay +21v tùy theo loại. Cho nên khi thiết kế nguồn phải có hai loại nguồn này với sự chuyển mạch bằng cơ khí. Ta làm theo cách này vì khi mua EPROM đã biết được điện áp cần nạp ghi trên lưng EPROM.
Ngoài ra ta còn phải thiết kế thêm bộ nguồn chính +5v cung cấp cho toàn kit Profi – SE và các linh kiện sử dụng nguồn này ở card ghi đọc EPROM.
II.2. THIẾT KẾ:
II.2.1.Nguoàn +5V:
Đây là nguồn chính cung cấp cho toàn kit và card ghi đọc EPROM cho nên dòng tiêu thụ rất lớn. Riêng kit Profi – SE đã tiêu thụ hết 0,68 A. Cho nên chọn dòng toàn hệ thống là 1A để đảm bảo tránh hiện tượng quá dòng.
Từ đó ta chọn biến áp có dòng là 1A, điện áp ngõ ra 12V. Vì nguồn nuôi mạch cần có độ chính xác khá cao, cho nên ta chọn IC 7805 làm ổn áp cho mạch. IC này có các đặc tính sau:
Dòng ra cực đại: 1A
Điện áp ra (ổn áp): +5V 5%. Điện áp vào: Vv: 8ữ14V
Vùng điện áp làm việc an toàn: VSA = V = 3ữ9V.
V
IN (+) 7805 Out +5V
Trong IC có hệ thống bảo vệ khi quá dòng. Sơ đồ chân của IC 7805:
Sơ đồ nguyên lý nguồn +5v như sau: Trong đó:
C: là tụ lọc nguồn có giá trị từ 470 ÷ 4700F
C1, C2: là các tụ lọc nhiễu ngõ vào và ngõ ra. Theo tính toán của nhà thiết kế C1= 0,33 F, C2= 0,1 F.
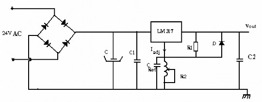
II.2.2. BỘ NGUỒN +12,5V:
Nếu dùng IC ổn áp 7812 thì ngõ ra của ổn ápchỉ +12v. Để có nguồn +12,5v ta dùng mạch điều chỉnh điện áp dùng LM 317 như sơ đồ bộ nguồn +21V dưới đây:
II.2.3. Nguồn +21V dùng LM 317:
Bộ nguồn dùng LM 317 có những ưu điểm sau:
Điện áp ngõ ra có thể điều chỉnh trong phạm vi rộng ( 1,2 ÷37v). Dòng điều khiển rất bé.
Điện áp vào lớn ( Vv= 32v).

Sơ đồ nguyên lý nguồn dùng LM 317: Trong đó:
C1 = 1 F C2 = 1 F
Cref = 10 F R1 = 220
Là các giá trị do nhà sản xuất cung cấp. Diode có chức năng bảo vệ.
R2dùng điều chỉnh mức điện áp ngõ ra điện áp này được tính dựa vào công thức sau:
R2
V0 1,251 R
I adj R2
1
Vì dòng Iadj có giá trị rất bé nên có thể bỏ qua
5
R2
V0 1,2 1
(v)
Từ đó ta có:
R V0
21,25
220
1 220
Muoán V0có giá trị 5 ÷25V thì ta phải chọn R2làm biến trở.
+ Khi V
= 5V thì R 5 220 660
1
()
0 2
1,25
+ Khi V
= 25V thì R
25
1 220 4180 ()
0 2
1,25
Vậy ta chọn R2là biến trở 5 (K)
CARD GHI ĐỌC EPROM:
III.1. GIỚI THIỆU:
Với yêu cầu của đề tài là chỉ ghi đọc được loại EPROM 2764 cho nên card giao tiếp đã đơn giản đi rất nhiều.
Để card giao tiếp dễ sử dụng, phần thiết kế chỉ dùng 1 cổng vi mạch giao tiếp I/O 8255 A trong số 2 cổng vi mạch giao tiếp bên ngoài.
Phần thiết kế chọn linh kiện là I11với địa chỉ các port như sau:
Linh kiện Port A Port B Port C Từ điều khiển I1110(4010) 11(4011) 12(4012) 13(4013)
Địa chỉ đầu (8 bit) được dùng ở lệnh In, Out. Địa chỉ trong ngoặc (16 bit) phải
được dùng trong trường hợp Port được định địa chỉ như những ô nhớ.
III.2. NGUYÊN LÝ HOẠT ĐỘNG:
III.2.1. Đối với chế độ ghi:
Từ điều khiển có nội dung 80H để tất cả các port A, port B, port C đều xuất dữ
liệu.
Gởi dữ liệu điều khiển ra port C có nội dung là 06H để cho 74373 ở trạng thái
hoạt động.
Gởi địa chỉ thấp ra port A. Lúc này địa chỉ tới được các đường địa chỉ của EPROM, có mặt ở đường dữ liệu nhưng địa chỉ này không nạp được vào EPROM vì nó đang ở trạng thái Standby.
Gởi địa chỉ cao ra port B. Gởi dữ liệu ra port A.
Để gởi địa chỉ này không ảnh hưởng đến đường địa chỉ thấp, ta phải điều khiển Port C để 74273 ở trạng thái tổng trở cao (chốt) bằng cách điều khiển port C để chân Oc của 74373 ở mức cao.
Do đó để gởi dữ liệu ra port A phải qua hai bước sau:
Gởi dữ liệu điều khiển ra port C có nội dung 05H để chốt 74373 Gởi dữ liệu ra port A.
Gởi xung lập trình có độ rộng 50ms từ port C.
Để tiến hành ghi những dữ liệu tiếp theo thì quy trình hoạt động cũng như trên sau khi ta tăng địa chỉ lên 1.
III.2.2. Đối với chế độ đọc:
Để đọc được EPROM ta phải khởi tạo 8255 hai lần. Quy trình đọc EPROM được trình bày cơ bản như sau:
Từ điều khiển có nội dung là 80H để cho port A, port B, port C đều xuất.
Gởi dữ liệu điều khiển ra port C có dung là 6H để cho 74373 ở trạng thái hoạt động.
Gởi địa chỉ thấp ra port A.
Gởi dữ liệu điều khiển ra port C có nội dung là 05H để cho 74373 ở trạng thái tổng trở cao.
Từ điều khiển có nội dung là 90H để cho port A nhập , port B, port C xuất. Gởi địa chỉ cao ra port B.
Gởi dữ liệu ra port C có nội dung là 15 để cho EPROM ở trạng thái đọc. Lúc này dữ liệu được đưa vào port A.
Để tiến hành đọc các dữ liệu tiếp theo ta chỉ việc tăng địa chỉ lên 1 và thực hiện lại các bước như trên.
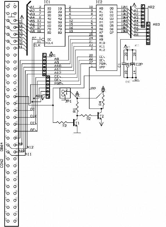
III.3. SƠ ĐỒ NGUYÊN LÝ:
Card ghi đọc EPROM chỉ hoạt động với một loại EPROM phổ biến 2764 cho nên nó đơn giản, chỉ gồm1 EPROM và 1 IC chốt 74373.
IC chốt 74373 có nhiệm vụ chốt địa chỉ thấp để sau đó khi gởi dữ liệu cùng port A thì dữ liệu không ảnh hưởng đến địa chỉ này.
Trong sơ đồ còn có 2 transistor làm việc ở chế độ bảo hòa với chức năng là chuyển mạch tự động để điều khiển chân điện áp lập trình Vpp.
Khi ở chế độ lập trình thì chân Vppcó điện áp là Vpp.
Khi ở chế độ chờ hoặc đọc thì chân Vppcó điện áp là Vcc.
Sau đây là sơ đồ nguyên lý của card ghi đọc EPROM 2764. Sơ đồ nguyên lý mạch ghi đọc EPROM.


Và sơ đồ mạch in mặt dưới:
Sơ đồ mạch in mặt trên:

Sơ đồ bố trí linh kiện:

Trong đó các transistor và điện trở được tính toán như sau:
Q1, Q2làm việc ở chế độ bảo hòa, điện áp VCE có thể chịu được là Vpp(khi Transistor ngưng dẫn).
Để đồng nhất trong tính toán chọn Q1, Q2là C1815 có các thông số sau: VBEbảo hoà: VBE sat = 0,8V.
VCE bảo hòa: VCE sat = 0,2 V.
Hệ số khuếch đại bảo hòa: sat =30.
Tính IC1:
IC1
VPP VCESAT
RC1
VPP 0,2
RC1
Chọn RC1 = 4,7 k.
Nếu Vpp = 12,5V thì:
IC1
VPP 0,2 4,7K
Nếu Vpp = 21V thì:
IC1
12,5 0,2 2,6mA
4,7
Tính RB1:
IC1
21 0,2 4,4mA
4,7






