Đây là mạch chỉnh lưu là một nửa sóng dùng chuyển nguồn AC sang DC

Hình 3. 0-15: Mạch chỉnh lưu bán kỳ dùng 1 diode
Mạch xén (Clipper)
Mạch cắt xén được sử dụng trong các máy phát FM, nơi các đỉnh nhiễu được giới hạn ở một giá trị cụ thể để các đỉnh quá mức được loại bỏ khỏi chúng. Mạch clipper được sử dụng để đặt điện áp vượt quá giá trị đặt trước mà không làm nhiễu phần còn lại của dạng sóng đầu vào.
Có thể bạn quan tâm!
-
Cấu Trúc Chất Bán Dẫn Loại P Dòng Điện Chảy Trong Chất Bán Dẫn Loại P Như Thế Nào -
Các Đặc Điểm Cơ Bản Của Diode (Basic Characteristics Of Diode) -
Ký Hiệu Của Diode Schottky Ứng Dụng Của Diode Schottky -
Nguyên Lý Làm Việc Của Transistor Pnp (Working Of A Pnp Transistor) -
Dòng Điện Tại Các Cực Của Transistor Ở Active Mode -
Sơ Đồ Transistor Mắc Kiểu B Chung
Xem toàn bộ 264 trang tài liệu này.

Hình 3. 0-16: Mạch điện và dạng sóng mạch clipper
Mạch kẹp (Dual Clipper) còn gọi là xén 2 phía

Hình 3. 0-17 : Hình xén 2 phía

Hình 3. 0-18 : Mạch xén đỉnh dương
Mạch clamper
Đây là một mạch điện tử thay đổi mức DC của tín hiệu đến mức mong muốn mà không thay đổi hình dạng của tín hiệu được áp dụng. Nói cách khác, mạch clamper di chuyển toàn bộ tín hiệu lên hoặc xuống để thiết lập hoặc đỉnh dương hoặc đỉnh âm của tín hiệu ở mức mong muốn.

Hình 3.0-19 : Mạch Clapper dương
Nếu mạch đẩy tín hiệu lên trên thì mạch được gọi là claper dương. Khi tín hiệu được đẩy lên trên, đỉnh âm của tín hiệu đáp ứng mức 0

Hình 3.0-20 : Mạch claper âm
Mặt khác, nếu mạch đẩy tín hiệu xuống thì mạch được gọi là claper âm.
Khi tín hiệu đẩy xuống dưới, đỉnh dương của tín hiệu ở mức không.
Mạch nhân áp (Voltage multiplier)
Mạch nhân điện áp là một mạch điện tử cung cấp điện áp đầu ra có biên độ (giá trị đỉnh) là hai, ba, hoặc nhiều lần lớn hơn biên độ điện áp đầu vào.

Hình 3. 0-21 : mach nhân 3 điện áp

Hình 3.0-22: mach nhân 2 điện áp
Mạch chỉnh lưu cầu
Đây là mạch chỉnh lưu toàn kỳ dùng 4 diode

Hình 3.0-23 : mạch chỉnh lưu cầu
CÂU HỎI ÔN TẬP
Câu 1: Thế nào là chất bán dẫn, kể tên các nguyên tố dùng chế tạo linh kiện bán dẫn
Câu 2: Trình bày đặc điểm và cơ chế dẫn điện của chất bán dẫn loại N Câu 3: Trình bày đặc điểm và cơ chế dẫn điện của chất bán dẫn loại P
Câu 4: Trình bày nguyên lý hoạt động của mối nối P –N khi phân cực thuận Câu 5: Tính dòng điện I1 và VO trong mạch sau

Câu 6: Trình bày ký hiệu, đặc điểm ứng dụng của Diode chỉnh lưu Câu 7: Trình bày ký hiệu, đặc điểm ứng dụng của Diode Schottky Câu 8: Vẽ và tính điện áp ra của mạch chỉnh lưu cầu dùng 4 diode
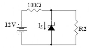
Câu 9: Tính IZ, VO trong mạch điện sau khi R2 = 50 và khi R2 = 200, biết Zener có VZ = 6V

Câu 10: Trình bày nguyên lý hoạt động của mối nối P –N khi phân cực nghịch Câu 11: Thiết kế mạch nguồn ổn áp 5volt dùng diode Zener

Câu 12: Vẽ mạch chỉnh lưu bán kỳ dùng 1 diode chỉnh lưu Câu 13: Vẽ mạch chỉnh lưu 2 bán kỳ dùng 2 diode chỉnh lưu Câu 14: Tính dòng điện I1, I2, ID2 trong mạch điện sau:
Chương 4: TRANSITOR LƯỠNG CỰC
1. Mục tiêu
+ Trình bày cấu tạo của transitor lưỡng cực
+ Phân biệt được ký hiệu các loại transitor lưỡng cực
+ Phân tích được nguyên lý vận chuyển của các loại transitor lưỡng cực.
+ Phân tích sự phân cực của BJT.
2. Nội dung chính
2.1 Cấu tạo – Ký hiệu
2.2 Nguyên lý hoạt động
2.3 Hệ thức liên quan giữa các dòng điện
2.4 Các cách mắc cơ bản của Transitor
2.5 Đặc tuyến của Transitor
2.6 Hình dáng thực tế của Transitor
2.7 Sự phân cực của Transitor
Sự phát triển của ngành công nghiệp điện tử như chúng ta thấy ngày nay bắt đầu với sự phát minh ra Transistor(Transistor). Cách thức làm việc của Transistor có thể được hiểu dễ dàng nếu bạn đã có kiến thức về Diode bán dẫn. Việc thêm một lớp khác vào một diode mối nối P - Ntạo thành một thiết bị 3 đầu cuối được gọi là một Transistor(Transistor). Thuật ngữ Transistor thường đề cập đến là Transistor Bipolar Junction (BJT).
Transistor(Transistor) đã được kiểm chứng thành công vào ngày 23 tháng 12 năm 1947 tại phòng thí nghiệm Bell, New Jersey. Ba cá nhân được ghi nhận phát minh ra transistor là John Bardeen, William Shockley và Walter Brattain. Trong số ba cá nhân này, William Shockley đóng một vai trò quan trọng trong việc phát minh ra transistor.
Các ứng dụng của Transistor lưỡng cực (BJT) bao gồm:
- Ti vi
- Điện thoại di động
- Máy tính
- Thiết bị phát sóng vô tuyến
- Bộ khuếch đại âm thanh …
4.1 Cấu tạo – Ký hiệu
4.1.1 Cấu tạo
Giống như diode mối nối P - N, một BJT cũng được tạo thành từ sự kết hợp của các lớp bán dẫn loại P và loại N. Tuy nhiên, transistor có chứa một lớp bán dẫn loại P và hai loại N hoặc một lớp bán dẫn loại N và hai loại P.
Các Transistor được xây dựng bằng cách xếp chồng ba lớp vật liệu bán dẫn khác nhau lại với nhau:






