Các tác giả [60] đã thực hiện việc tối ưu hóa vị trí lắp đặt bộ tời trên MKCN kiểu gầu xoay. Các bộ phận chính của MKCN gầu xoay bao gồm bộ di chuyển, sàn máy, tời chính và phụ, cabin, khung liên kết máy cơ sở với cần khoan, cần khoan, cơ cấu dẫn động mâm khoan, gầu khoan như Hình 1.20 dưới đây:

Hình 1.20. Sơ đồ cấu tạo của máy khoan cọc nhồi kiểu gầu xoay
Nhóm tác giả [60] đã phân tích nội lực trong cần khoan tại 2 vị trí đặt bộ tời khác nhau như sau:
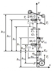
Hình 1.22. Lực tác dụng lên cần khoan trong trường hợp bộ tời chính gắn với phần dưới của cần |
Có thể bạn quan tâm!
-
Nghiên Cứu Động Lực Học Hệ Thống Truyền Động Thủy Lực Của Bộ Công Tác Máy Khoan Cọc Nhồi Kiểu Gầu Xoay Do Việt Nam Chế Tạo -
Giới Thiệu Về Đối Tượng Nghiên Cứu: Máy Khoan Cọc Nhồi Có Bộ Công Tác Kiểu Gầu Xoay Lắp Trên Cần Trục Bánh Xích Hitachi Cx500 -
Động Cơ Thuỷ Lực Dẫn Động Mâm Khoan; 2 - Hộp Giảm Tốc Hành Tinh Một Cấp; -
Các Thông Số Cơ Bản Của Thanh Kelly Đã Tính Toán Thiết Kế -
Ứng Dụng Matlab – Simulink Giải Phương Trình Chuyển Động -
Tổng Lưu Lượng Dầu Cung Cấp Cho Động Cơ Thủy Lực Dẫn Động Mâm Khoan
Xem toàn bộ 160 trang tài liệu này.
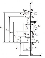
Trong [60], các tác giả đã xây dựng hệ trục toạ độ X, Y với tâm là N. Lực dọc trục và mô men xoắn tại một điểm của cần khoan trên máy khoan cọc nhồi được biểu diễn như Hình 1.23 dưới đây. Theo Hình 1.23, lực dọc trục lớn nhất
Lực dọc trục (N)
Mô men (N.m)
Chiều dài cần khoan (m)
Chiều dài cần khoan (m)
xuất hiện trong đoạn HI và mô men xoắn lớn nhất xuất hiện trong đoạn KI khi tời chính được gắn trên sàn máy.
Hình 1.23. Biểu đồ lực dọc trục và mô men xuất hiện trên cần khoan của máy khoan cọc nhồi kiểu gầu xoay trong trường hợp bộ tời chính được đặt trên sàn máy Tương tự như trên, khi bộ tời chính được gắn ở phần dưới của cần lực dọc trục
Lực dọc trục (N)
Mô men (N.m)
Chiều dài cần khoan (m)
Chiều dài cần khoan (m)
lớn nhất xuất hiện trong đoạn GR và có giá trị lớn hơn so với trường hợp bộ tời đặt trên sàn máy. Mô men xoắn lớn nhất xuất hiện tại điểm G và cũng lớn hơn rất nhiều so với trường hợp bộ tời lắp trên sàn máy.
Hình 1.24. Biểu đồ lực dọc trục và mô men xoắn xuất hiện trên cần khoan của máy khoan cọc nhồi kiểu gầu xoay trong trường hợp bộ tời chính được gắn lên trên
phần dưới của cần.
Nhận xét: Nhóm tác giả [60] chỉ ra rằng, khi lắp bộ tời trên sàn máy, lực dọc trục và mô men xoắn xuất hiện trên giá dẫn hướng đều có lợi hơn nhiều so với khi gắn trên phần dưới của cần. Vậy công trình [60] mới đề cập đến vấn đề tối ưu hóa vị trí lắp đặt bộ tời mà chưa xét đến vấn đề tối ưu hóa các thông số kỹ thuật của bộ công
tác.
Nhóm tác giả [35] tiến hành xác định các thông số vận hành hợp lý của MKCN
khi làm việc với gầu mở rộng đáy. Đối với một MKCN cho trước, khi lắp gầu mở rộng đáy lên nó, cần phải biết rõ đường kính cho phép lớn nhất của gầu cũng như các thông số vận hành chủ yếu của thiết bị là tốc độ quay của thanh Kelly và tốc độ mở rộng cánh gầu sao cho máy làm việc hiệu quả và không bị quá tải, thành hố khoan không bị sập. Trước tiên, tác giả [35] đưa ra mô hình động học của gầu khoan khi cắt đất và được mô tả như Hình 1.25. dưới đây. Khi gầu vừa quay vừa mờ rộng cánh, quá trình cắt đất được thực hiện. Trên gầu xuất hiện mô men cản đào tác dụng lên thanh Kelly như sau:
MX=M1+Mh+Mms (1.4)
Trong đó:
M1 là mô men do lực cản cắt đất thuần túy theo phương tiếp tuyến của 2 lưỡi cắt gây ra, (Nm);
Mb là mô men do lực cản của bùn khoan tác dụng lên 2 lưỡi cắt gây ra, (Nm);
Mms là mô men cản do lực ma sát trượt giữa đáy gầu, mặt cạnh cánh khoan với đất, (Nm)
Hình 1.26. Mô hình xác định mô men cản do lực cản cắt đất gây ra |
Sử dụng phương pháp xác định lực cản cắt của N.G. Dombrovski, các tác giả
[35] đã đưa ra mô hình tính và xây dựng được công thức tính lực cản cắt đất, từ đó tính được mô men cản cắt đất thuần túy đối với trục quay của gầu M:
M k 2 rl2 2 l3 .sin 2k l l2 r l.sin
x 2 3 2 0
1 1
2
3 2 2 3
3 4 2
l5 .sin3
k2h 1 sin r l
r l sin rl .sin
8
20
l.sin 3
2
(1.5)
2k 2 r
l l.sin
f r cos2 G k 2l2 sin
3 h 1
2 0
3 1 gd 2
1
l2 l3 .sin
1 2
2f k
2 r
2f k l l2(r lsin )
1 2 2
1 2 0
1
Năng suất cắt đất của thiết bị mở rộng đáy được xác định như sau:
l2 cos 3
Q 23r 2l2 ,(m / s)
(1.6)
3 1
Công thức tính năng suất mở rộng đáy tại thời điểm góc mở của cánh là ở trên cho thấy, tại một góc mở đáy xác định, năng suất cắt đất phụ thuộc chủ yếu vào tốc độ mở rộng cánh 2 và tốc độ quay trục chính 1. Nếu tăng tốc độ mở rộng cánh trong khi tốc độ quay trục chính không đổi thì năng suất sẽ tăng. Việc tăng tốc độ mở rộng cánh khi coi tốc độ trục chính là không đổi đồng nghĩa với việc tăng chiều dầy phoi cắt trong một vòng quay của trục chính và đương nhiên lực cản cắt cũng tăng theo. Mặt khác, nếu tăng tốc độ trục chính 1 mà không tăng tốc độ mở rộng cánh thì chiều dầy phoi cắt sẽ giảm và năng suất giảm theo. Vậy yêu cầu đặt ra là xác định các thông số vận hành hợp lý cùa thiết bị khoan mở rộng đáy với hàm mục tiêu là năng suất cắt đất khi mở rộng đáy lớn nhất. Nhóm tác giả [35] giải bài toán tối ưu bằng phần mềm Matlab Guide và thu được kết quả như Hình 1.27 dưới đây:

Hình 1.27. Giao diện xuất kết quả
Đồ thị trên biểu diễn mối quan hệ giữa năng suất cắt đất khi mở rộng đáy Q (m3/s) và hai thông số vận hành của thiết bị (1 và 2). Trong tất cả các cặp giá trị thỏa mãn các điều kiện ràng buộc, sẽ có một cặp cho năng suất mở rộng đáy là lớn nhất.
Nhận xét: Nhóm tác giả [35] đã xác định các thông số vận hành hợp lý của MKCN có bộ công tác là gầu khoan mở rộng đáy mà không phải là gầu khoan xoay hình trụ đứng. Công trình [35] mới chỉ thực hiện việc tối ưu hóa các thông số vận hành theo tiêu chí năng suất mở rộng đáy là lớn nhất mà chưa đề cập đến tiêu chí năng lượng riêng nhỏ nhất. Việc tối ưu hóa các thông số kết cấu của gầu cũng chưa được xét đến.
Nhóm tác giả [19] đã thực hiện đề tài nghiên cứu xác định các thông số kết cấu và thông số làm việc của thiết bị khoan cọc nhồi mở rộng đáy thích hợp với điều kiện Tp. Hồ Chí Minh. Theo đề tài, việc giữ ổn định vách đáy hố khoan cũng như hiệu quả của việc mở rộng đáy phụ thuộc rất nhiều vào các thông số kết cấu: đường kính cọc d, đường kính đáy mở rộng D, chiều cao đoạn đáy mở rộng h, góc mở rộng đáy α, cũng như các thông số làm việc khác như tốc độ quay của trục truyền chính ω1 hoặc vận tốc ăn vào lưỡi cắt ω2.
Giả thiết [19] đưa ra: với 1 loại đất cho trước và một năng suất đất cần đào xới cho trước Q0 (m3/s) và một đáy hố mở rộng đã được thiết kế bao gồm các kích thước
chính của đáy cọc như sau: đường kính cọc hoặc ta có thể gọi là đường kính đáy nhỏ (d), đường kính đáy mở rộng (D), chiều cao phần mở rộng (h), cần tìm:
Thông số vận hành chính bao gồm vận tốc góc của trục chính 1(rad/s), vận tốc góc của lưỡi cắt 2 (rad/s).
Công suất động cơ N (kW).
Giữa các thông số nói trên có một quan hệ mật thiết với nhau, cần tìm một chế độ vận hành phù hợp cho từng loại đất và thiết bị với hàm mục tiêu cần đạt tới là năng suất cho trước và một năng lượng tiêu tốn ít nhất.
- Tiêu chuẩn về năng suất:
l2 cos
QT 23r 2l 2 Q0
(1.7)
Trong đó
3 1
1: Vận tốc góc của trục chính (rad/s);
2 : Vận tốc góc của lưỡi cắt (rad/s); l: Chiều dài của lưỡi cắt;
: Góc mở của lưỡi cắt (rad).
- Tiêu chuẩn về công suất:
t B 1
1 dF .(r l .sin ).
N N1 N2
1 dF .l .
p B 2
+
min
(1.8)
0 1.1000 0 2 .1000
Trên cơ sở các hàm mục tiêu và các điều kiện biên, mô hình toán trên được giải bằng Matlab. Từ kết quả tính toán thu được góc mở rộng đáy α, cũng như các thông số làm việc khác như tốc độ quay của trục truyền chính ω1 hoặc vận tốc ăn vào lưỡi cắt ω2. Từ đó thiết lập mối quan hệ giữa công suất và đường kính đáy mở rộng là 1 hàm số mũ. Mối quan hệ này giúp các nhà thiết kế và các kỹ sư thi công chú ý tránh hiện tượng quá tải của thiết bị, hoặc đầu khoan bị bó trong đất gây thiệt hại về kinh tế.
Nhận xét: Tác giả [19] đã tìm được một mô hình toán để biểu thị mối liên quan giữa các tính chất đất và các thông số kết cấu cũng như thông số vận hành của thiết bị khoan cọc nhồi kiểu gầu mở rộng đáy. Sau đó, xây dựng thuật toán và giải mô hình toán đó bằng phần mềm Matlab để từ đó đề xuất được các thông số kết cấu và thông
35
số làm việc cho các vùng đất ở Tp. Hồ Chí Minh. Vậy, đối tượng nghiên cứu [19] thực hiện ở đây là loại MKCN có gầu mở rộng đáy và địa chất là đất tại Tp. Hồ Chí Minh khác với kiểu gầu xoay và tính chất đất của vùng đồng bằng Bắc Bộ mà NCS đề cập đến.
1.2.3. Tổng quan các công trình nghiên cứu về thiết kế, chế tạo máy khoan cọc nhồi tại Việt Nam
Mục tiêu của [4] là giải quyết yêu cầu cấp bách của việc nội địa hóa cụm đầu khoan máy khoan cọc nhồi BG36, tiết kiệm ngoại tệ và tạo ra thế mạnh cạnh tranh trong sản xuất, đáp ứng kịp thời việc thay thế sửa chữa các MKCN nói chung và máy BG36 nói riêng. Nhóm tác giả [4] đã lựa chọn cơ sở khoan là sự phá vỡ đất đá dựa trên khả năng tác dụng của những vật thể cứng (lưỡi cắt) vào đất đá mềm hơn. Lưỡi cắt khi khoan dưới tác dụng của lực dọc trục và mô men xoắn được chuyển động theo quỹ đạo xoắn vít cắt và phá vỡ đất đá, do vậy tác giả chọn lý thuyết khoan xoay để tính toán các lực cơ bản tác dụng lên lưỡi cắt, mô men xoắn và công suất trên lưỡi cắt. Nội dung được tóm tắt như sau:

Hình 1.28. Sơ đồ phá vỡ đất đá bằng lưỡi cắt khi khoan xoay
- Phản lực đất đá có kể đến ma sát trên mặt lưỡi cắt:
p,cos
Chiếu theo phương thẳng đứng: Py cos (1.9)
Chiếu theo phương ngang:
- Phản lực đất đá ở mặt trước:
P p, sin
x cos
(1.10)
Chiếu theo phương thẳng đứng :
Q q, sin
y cos
(1.11)
Chiếu theo phương nằm ngang :
Q q, cos
x cos
(1.12)
- Phản lực vuông góc: trên mặt sau (mặt đầu) lưỡi cắt:
p σn .Sd ; trên mặt trước
lưỡi cắt:
q K.σn .St .
Trong đó:
Sđ, St: Lần lượt là diện tích mặt sau (mặt đầu) và mặt trước của lưỡi cắt; σn: Giới hạn bền nén của đất đá cấp IV;
K: Hệ số tính đến điều kiện ở mặt trước đất đá bị phá vỡ không chỉ do nén mà do độ trượt lở.
- Lực dọc trục của đầu hai 2 lưỡi khoan cần đảm bảo:
P
R1 R3a a .cos K.h.sin
(1.13)
n cos 1 2
- Lực cắt trên lưỡi cắt tạo bởi mô men xoắn:
Q R1 R3a a .sin K.h.cos
(1.14)
M n cos 1 2
- Mô men xoắn trên lưỡi cắt:
MX QM .RM
(1.15)
- Công suất trên lưỡi cắt:
N1
MX .n 9, 55.106
với n: là số vòng quay của gầu (v/ph).
Theo [47], nhóm tác giả đã xây dựng cơ sở khoa học cho việc chế tạo trong nước bộ công tác của máy khoan cọc nhồi lắp trên cần trục bánh xích với giá thành rẻ bằng 1/3 thiết bị ngoại nhập với tính năng và chất lượng tương đương. Các nội dung chính đã thực hiện gồm có:
- Đã lựa chọn được các thông số cơ bản của cần trục bánh xích và bộ công tác lắp trên nó: đề tài đã chọn loại cần trục IHI DCH800 của hãng IHI-Nhật Bản chế tạo.
- Tính toán thiết kế bộ thanh Kelly và thu được các thông số cơ bản như sau:








