- Hệ thống khởi động phải bảo đảm khởi động được nhiều lần.
- Tỷ số truyền động nằm trong giới hạn (i = 9 - 18).
- Chiều dài, điện trở của dây dẫn phải nằm trong giới hạn quy định (< 1m).
- Moment truyền động phải đủ lớn để khởi động động cơ.
2.Sơ đồ mạch điện và hoạt động của hệ thống khởi động bằng điện.
2.1.Sơ đồ mạch điện (Hình 1.2).
Hình 1-2. Sơ đồ cấu tạo của hệ thống khởi động
2.2. Nguyên tắc hoạt động. Gồm các chế độ:
a. Chế độ kéo (Hút vào):

- Bật khoá điện lên vị trí START, dòng điện của ắc quy đi vào cuộn giữ và cuộn hút. Sau đó dòng điện đi từ cuộn hút tới phần ứng qua cuộn cảm xuống mát. Việc tạo ra lực điện từ trong các cuộn giữ và cuộn hút sẽ làm từ hóa các lõi cực và do vậy pít tông của công tắc từ bị hút vào lõi cực của nam châm điện. Nhờ sự hút này mà bánh răng bendix bị đẩy ra và ăn khớp với vành răng bánh đà đồng thời đĩa tiếp xúc sẽ bật công tắc chính lên. Để duy trì điện áp kích hoạt công tắc từ, một số xe có rơ le khởi động đặt giữa khóa điện và công tắc từ.
Hình 1-3.
Kéo (Hút vào)
b. Chế độ giữ: Công tắc chính được bật lên, thì không có dòng điện chạy qua cuộn hút vì hai đầu cuộn hút bị đẳng áp, cuộn cảm và cuộn ứng nhận trực tiếp dòng điện từ ắc quy. Cuộn dây phần ứng sau đó bắt đầu quay với vận tốc cao và động cơ được khởi động. Ở thời điểm này piston được giữ nguyên tại vị trí chỉ nhờ lực điện từ của cuộn giữ vì không có dòng điện chạy qua cuộn hút.

Hình 1-4. Giữ
c. Chế độ nhả (Hồi về)
Khóa điện được xoay từ vị trí START sang vị trí ON, tại thời điểm này, tiếp điểm chính vẫn còn đóng, dòng điện đi từ phía công tắc chính tới cuộn hút rồi qua cuộn giữ. Đặc điểm cấu tạo của cuộn hút và cuộn giữ là có cùng số vòng dây quấn và quấn cùng chiều. Ở thời điểm này, dòng điện qua cuộn hút bị đảo chiều, lực điện từ được tạo ra bởi cuộn hút và cuộn giữ triệt tiêu lẫn nhau nên không giữ được pít tông. Do đó pít tông bị đẩy trở lại nhờ lò xo hồi về và công tắc chính bị ngắt làm cho máy khởi động dừng lại.

Hình 1-5. Nhả (Hồi về)
3. Bảo dưỡng bên ngoài các bộ phận của hệ thống khởi động ô tô.
3.1.Quy trình tháo lắp các bộ phận ra khỏi động cơ.
- Chuẩn bị :
+ Nơi làm việc
+ Thiết bị: Hệ thống khởi động
+ Dụng cụ: Cờ lê, tuýp tua vít
+ Vật tư : giẻ lau, cọ.
- Các bước thực hiện:
Các bước thực hiện | Dụng cụ | Yêu cầu kỹ thuật | |
1 | Tắt máy, cắt mát và kéo phanh tay | Rút chìa khóa khỏi ổ khóa | |
2 | Chèn các bánh xe | Khối chèn | Chèn cẩn thận |
3 | Tháo dây cáp từ (+)ắc quy đến máy khởi động | Cờ lê 17 | Không được để chạm mát |
4 | Tháo dây điện từ khóa đến máy khởi động | Cờ lê 12 | Không được để chạm mát |
5 | Tháo 3 bu lông bắt máy khởi động lên động cơ | Cờ lê 14 | Nới đều các bu lông |
6. | Đưa máy khởi động ra khỏi động cơ | Không làm máy khởi động rơi | |
7. | Tháo ắc quy khởi động | Cờ lê 14 | Tránh làm vỡ |
Có thể bạn quan tâm!
-
Bảo dưỡng sửa chữa điện động cơ Nghề Công nghệ ô tô - Cao đẳng Phần 1 - Trường CĐ nghề Đà Nẵng - 1 -
Cấu Tạo Và Nguyên Tắc Hoạt Động Của Máy Khởi Động -
Kiểm Tra Thông Mạch Stator Hình 2.20. Kiểm Tra Cách Điện Stator -
Thực Hiện Tháo Rời Các Bộ Phận Của Máy Khởi Động: -
Bảo dưỡng sửa chữa điện động cơ Nghề Công nghệ ô tô - Cao đẳng Phần 1 - Trường CĐ nghề Đà Nẵng - 6 -
Bảo dưỡng sửa chữa điện động cơ Nghề Công nghệ ô tô - Cao đẳng Phần 1 - Trường CĐ nghề Đà Nẵng - 7
Xem toàn bộ 64 trang tài liệu này.
3.2. Làm sạch, kiểm tra và nhận dạng bên ngoài các bộ phận.
Nội dung | Dụng cụ | Yêu cầu kỹ thuật | |
1 | Ắc quy | ||
1.1 | Vệ sinh sạch sẽ và lau khô bên ngoài ắc quy | ||
1.2 | Kiểm tra sơ bộ bên ngoài ắc quy | ||
Kiểm tra sự nứt vỡ của ắc quy | Không nứt vỡ Các cọc bình sạch | ||
Kiểm tra các cọc cực của ắc quy |
Các dây dẫn: | |||
2.1 | Kiểm tra dây cáp bắt từ ắc quy đến máy khởi động | Dây cáp phải đảm bảo cách điện tốt, chiều dài khoảng 1m | |
2.2 | Các dây dẫn điện khác | Các dây dẫn đảm bảo không bị đứt mạch và dẫn điện tốt. | |
3 | Rơ le | Rơ le phải hoạt động tốt | |
4 | Máy khởi động Thử máy khởi động | Phải hoạt động êm dịu và không gây ra tiếng kêu.Các chi tiết quay ổn định và tốc độ tối thiểu mà làm cho động cơ phải nổ được |
2
3.3. Lắp các bộ phận lên động cơ.
Quy trình lắp ngược với quy trình tháo
Chú ý:
- Tháo cáp accu bằng cách xoay có thể làm xước cực accu.
- Tháo cáp accu theo trình tự không đúng có thể gây nên ngắn mạch, nó có thể làm hỏng cầu chì hay cháy dây dẫn
- Khi đấu các đây điện phải đúng cực và không được để chạm mát.
3.4. Một vài sơ đồ mạch điện hệ thống khởi động trên ô tô.

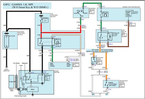
Hình 1-6. Sơ đồ mạch điện hệ thống khởi động KIA CERATO 2019

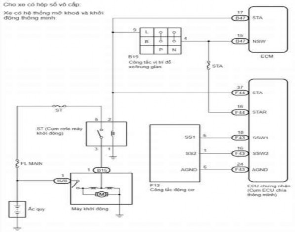
Hình 1-7. Sơ đồ mạch điện hệ thống khởi động TOYOTA VIOS 2019
B. THỰC HÀNH VÀ BÀI TẬP
I. Thực hành
1. Nơi làm việc:
Công việc thực hành bảo dưỡng hệ thống khởi động được tiến hành tại xưởng Động lực với mỗi nhóm 2 học sinh và được tiến hành trên một mô hình động cơ ô tô.
2. Chuẩn bị dụng cụ:
- Dụng cụ thực hành bao gồm: các cờ lê có số từ 10 đến 19, kìm điện, đồng hồ đo điện vạn năng, máy kiểm tra ắc quy VAT 150, tỷ trọng kế đo dung dịch ắc quy, thước đo và khay đựng.
- Vật tư gồm có: dầu diesel, mỡ bôi trơn và giẻ lau.
3. Tháo lắp và bảo dưỡng:
3.1. Thực hiện tháo rời các bộ phận của hệ thống khởi động:
- Tiến hành theo quy trình đã học ở trên lớp
- Yêu cầu kỹ thuật: chọn cờ lê đúng cỡ và tránh làm chạm chập điện (nên tháo cực âm ắc quy trước khi tháo các đầu cực dẫn điện khác)
3.2. Kiểm tra và bảo dưỡng:
- Kiểm tra tình trạng kỹ thuật của ắc quy bằng máy VAT 150: kẹp 2 đầu cực của máy đo vào hai cực của ắc quy, kẹp màu đỏ vào cực dương và kẹp màu đen vào cực âm của ắc quy. Sau khi máy khởi động xong, máy VAT sẽ yêu cầu nhập các thông số kỹ thuật của ắc quy như hiệu điện thế và dung lượng, chúng ta nhập các giá trị này từ bàn phím của máy sau đó nhấn OK. Chờ vài chục giây sau máy sẽ báo kết quả kiểm tra bằng một câu nhận xét là ắc quy còn tốt hay không.
- Kiểm tra nồng độ và mức điện dịch trong bình ắc quy: sử dụng tỷ trọng kế và thước đo. Tiêu chuẩn kỹ thuật: nồng độ dung dịch từ 1,21 - 1,32g/cm3 ở hiệu điện thế 12 V và mực dung dịch phải ngập quá bản cực từ 5 - 25mm.
- Kiểm tra tốc độ và độ sụt áp khi máy khởi động chạy không tải.
- Kiểm tra độ rơ và độ mòn bánh răng của bánh răng máy khởi động.
- Kiểm tra tình trạng kỹ thuật của các dây dẫn điện và các đầu nối của chúng.
- Kiểm tra khả năng tiếp xúc tốt của khoá điện bằng cách đo điện trở tiếp xúc.
3.3. Thực hiện lắp lại các bộ phận của hệ thống khởi động lên động cơ: Thực hiện ngược lại với quy trình tháo với các chú ý: Tra mỡ bôi trơn cho trục và bánh răng máy khởi động và bắt chắc chắn các đầu nối điện.
II. Câu hỏi và bài tập
1. Câu hỏi
1. Câu 1.Trình bày nhiệm vụ và yêu cầu của hệ thống khởi động ?
2. Câu 2. Hãy nêu các chế độ hoạt động của hệ thống khởi động ?
3. Câu 3. Vẽ sơ đồ mạch điện hệ thống khởi động ?
2. Bài tập
Bài tập 1. Tìm hiểu sơ đồ mạch điện điều khiển hệ thống khởi động trên động cơ ô tô TOYOTA VIOS 2014?
Bài tập 2. Tìm hiểu sơ đồ mạch điện điều khiển hệ thống khởi động trên ô tô Thaco Foton M4?
BÀI 2: BẢO DƯỠNG SỬA CHỮA MÁY KHỞI ĐỘNG | Thời gian (giờ) | |||||
LT | TH | BT | KT | TS | ||
2 | 13 | 15 | ||||
Mục tiêu: Sau khi học xong chương này, học sinh sinh viên có khả năng: - Phát biểu đúng nhiệm vụ, yêu cầu và phân loại máy khởi động. - Giải thích được cấu tạo và nguyên tắc hoạt động của máy khởi động. - Tháo lắp, nhận dạng và kiểm tra, bảo dưỡng sửa chữa được máy khởi động ô tô đúng yêu cầu kỹ thuật. | ||||||
Các vấn đề chính sẽ được đề cập Mục 1. Nhiệm vụ, yêu cầu và phân loại máy khởi động trên ôtô Mục 2. Cấu tạo và hoạt động của máy khởi động Mục 3. Hiện tượng, nguyên nhân hư hỏng và phương pháp kiểm tra bảo dưỡng và sửa chữa máy khởi động ô tô. Mục 4. Bảo dưỡng và sửa chữa máy khởi động | ||||||
MÃ MÔ ĐUN: CNOT 16.1
A. NỘI DUNG :
1. NHIỆM VỤ, YÊU CẦU VÀ PHÂN LOẠI MÁY KHỞI ĐỘNG TRÊN Ô TÔ.
1.1. Nhiệm vụ : Máy khởi động có nhiệm vụ phải quay được trục khuỷu động cơ với tốc độ tối thiểu mà động cơ có thể hoạt động được.
1.2. Yêu cầu:
- Moment truyền động phải đủ để khởi động động cơ.
- Máy khởi động phải quay được trục khuỷu động cơ với tốc độ thấp nhất mà động cơ có thể nổ được.
- Nhiệt độ làm việc không được quá giới hạn cho phép.
- Phải bảo đảm khởi động lại được nhiều lần.






