3. Phân loại:
a. Loại giảm tốc
- Máy khởi động loại giảm tốc dùng mô tơ tốc độ cao.
- Máy khởi động loại giảm tốc làm tăng moment xoắn bằng cách giảm tốc độ quay trục ra.
Hình 2.1 Máy khởi động loại giảm tốc
- Cần lẫy của công tắc từ đẩy trực tiếp bánh răng chủ động đặt trên cùng một trục với nó vào ăn khớp với vành răng.
b. Máy khởi động loại đồng trục
- Bánh răng bendix được đặt trên cùng một trục với lõi mô tơ (phần ứng) và quay cùng tốc độ với lõi.
- Cần dẫn động được nối với thanh đẩy của công tắc từ đẩy bánh răng chủ động và làm cho nó ăn khớp với vành răng.
Hình 2.2 Máy khởi động loại đồng trục
c. Máy khởi động loại bánh răng hành tinh
- Máy khởi động loại bánh răng hành tinh dùng bộ truyền hành tinh để giảm tốc độ quay của lõi (phần ứng) của mô tơ.
- Bánh răng bendix ăn khớp với vành răng thông qua cần dẫn động giống như trường hợp máy khởi động đồng trục.
Hình 2.3
Máy khởi động loại bánh răng hành tinh
d. Máy khởi động PS (Motor giảm tốc hành tinh rotor thanh dẫn)
- Máy khởi động này sử dụng các nam châm vĩnh cửu đặt trong cuộn cảm.
- Cơ cấu đóng ngắt hoạt động giống như máy khởi động loại bánh răng hành tinh.
Hình 2.4. Máy khởi động loại PS
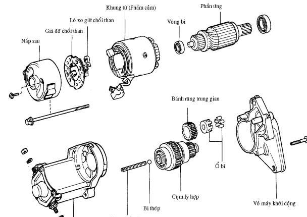
2. Cấu tạo và nguyên tắc hoạt động của máy khởi động
2.1. Cấu tạo:

Hình 2.5. Các bộ phận của máy khởi động
a. Công tắc từ
Công tắc từ hoạt động như là một công tắc chính của dòng điện chạy tới mô tơ và điều khiển bánh răng bendix bằng cách đẩy nó vào ăn khớp với vành răng khi bắt đầu khởi động và kéo nó ra sau khi khởi động. Cuộn hút được cuộn bằng dây có đường kính lớn hơn cuộn giữ và lực điện từ của nó tạo ra lớn hơn lực điện từ được tạo ra bởi cuộn giữ.

Hình 2.6 . Công tắc từ
b. Phần ứng và ổ bi cầu
Phần ứng tạo ra lực làm quay mô tơ và ổ bi cầu đỡ cho lõi (phần ứng) quay ở tốc độ cao.


Hình 2.7. Phần ứng và ổ bi cầu Hình 2.8 . Vỏ máy khởi động
c. Vỏ máy khởi động (hình 2.8)
Vỏ máy khởi động này tạo ra từ trường cần thiết để cho mô tơ hoạt động. Nó cũng có chức năng như một vỏ bảo vệ các cuộn cảm, lõi cực và khép kín các đường sức từ. Cuộn cảm được mắc nối tiếp với phần ứng.
d. Chổi than và giá đỡ chổi than (Hình 2.9).
Chổi than được tì vào cổ góp của phần ứng bởi các lò xo để cho dòng điện đi từ
cuộn dây tới phần ứng theo một chiều nhất định. Chổi than được làm từ hỗn hợp đồng-cácbon nên nó có tính dẫn điện tốt và khả năng chịu mài mòn lớn. Các lò xo chổi than tỳ vào cổ góp phần ứng và làm cho phần ứng dừng lại ngay sau khi máy khởi động bị ngắt.
Nếu các lò xo chổi than bị yếu đi hoặc các chổi than bị mòn có thể làm cho tiếp điểm điện giữa chổi than và cổ góp không đủ để dẫn điện. Điều này làm cho điện trở ở chỗ tiếp xúc tăng lên làm giảm dòng điện cung cấp cho mô tơ và dẫn đến giảm moment.


Hình 2.9. Chổi than và giá đỡ chổi than Hình 2.10. Bộ truyền giảm tốc
e. Bộ truyền giảm tốc (Hình 2.10).
Bộ truyền giảm tốc truyền lực quay của mô tơ tới bánh răng bendix và làm
tăng moment xoắn bằng cách làm chậm tốc độ của mô tơ. Bộ truyền giảm tốc làm giảm tốc độ quay của mô tơ với tỉ số là 1/3 -1/4 và nó có một li hợp khởi động ở bên trong.
f. Li hợp khởi động (Hình 2.11).
Li hợp khởi động truyền chuyển động quay của motor tới động cơ thông qua bánh răng bendix. Để bảo vệ máy khởi động khỏi bị hỏng bởi số vòng quay cao được tạo ra khi động cơ đã được khởi động, người ta bố trí li hợp khởi động này.
Đó là li hợp khởi động loại một chiều có các con lăn
Hình 2.11. Li hợp khởi động
Hình 2.12. Bánh răng khởi động chủ động và rãnh xoắn
g. Bánh răng khởi động chủ động và then xoắn (Hình 2.12).
Bánh răng bendix và vành răng truyền lực quay từ máy khởi động tới động cơ
nhờ sự ăn khớp an toàn giữa chúng. Bánh răng bendix được vát mép để ăn khớp được dễ dàng. Then xoắn chuyển lực quay vòng của mô tơ thành lực đẩy bánh răng
bendix, trợ giúp cho việc ăn khớp và ngắt sự ăn khớp của bánh răng bendix với
vành răng.
2. Nguyên tắc hoạt động :
- Rơ le gài khớp bao gồm: cuộn hút và cuộn giữ. Hai cuộn dây trên có số vòng như nhau nhưng tiết diện cuộn hút lớn hơn cuộn giữ và quấn cùng chiều nhau. Khi bật công tắc ở vị trí ST thì dòng điện sẽ rẽ thành hai nhánh:
(+) ắc quy: Wg mass
Wh Wst Brush Wrotor mass

Hình 2.13. Sơ đồ làm việc của hệ thống khởi động
- Dòng qua cuộn giữ và hút sẽ tạo ra lực từ để hút lõi thép đi vào bên trong (tổng lực từ của hai cuộn). Lực hút sẽ đẩy bánh răng của máy khởi động về phía bánh đà, đồng thời đẩy lá đồng nối tắt cọc (+) ắc quy xuống máy khởi động. Lúc này, hai đầu cuộn hút đẳng thế và sẽ không có dòng đi qua mà chỉ có dòng qua cuộn giữ .
- Do lõi thép đi vào bên trong mạch từ khiến từ trở giảm nên lực từ tác dụng lên lõi thép tăng lên. Vì thế, chỉ cần một cuộn Wg vẫn giữ được lõi thép.
- Khi động cơ đã nổ, tài xế trả công tắc về vị trí ON, mạch hở nhưng do quán tính, dòng điện vẫn còn. Do đó hai bánh răng còn dính và dòng vẫn còn qua lá đồng. Như vậy dòng sẽ đi từ: (+) Wh Wg mass.
- Lúc này, hai cuộn dây mắc nối tiếp nên dòng như nhau, dòng trong cuộn giữ không đổi chiều, còn dòng qua cuộn hút ngược với chiều ban đầu. Vì vậy, từ trường hai cuộn triệt tiêu nhau. Kết quả là, dưới tác dụng của lực lò xo, bánh răng và lá đồng sẽ trở về vị trí ban đầu.
- Đối với xe có hộp số tự động, mạch khởi động có thêm công tắc an toàn (Inhibitor switch). Công tắc này chỉ nối mạch khi tay số ở vị trí N, P. Trên một số xe có hộp số cơ khí, công tắc an toàn được bố trí ở bàn đạp ly hợp.
3. HIỆN TƯỢNG, NGUYÊN NHÂN HƯ HỎNG VÀ PHƯƠNG PHÁP KIỂM TRA BẢO DƯỠNG VÀ SỬA CHỮA MÁY KHỞI ĐỘNG Ô TÔ.
3.1. Hiện tượng và nguyên nhân hư hỏng.
Hiện tượng | Nguyên nhân | Cách khắc phục | |
1 | Máy khởi động không quay, không có tiếng kêu của công tắc từ | - Hở mạch công tắc từ hoặc công tắc bị kẹt - Bề mặt cổ góp bị rỗ, hoặc chổi than quá mòn - Hở mạch trong phần ứng hoặc hở mạch cuộn dây kích | - Thay thế công tắc từ - Sửa chữa hoặc thay thế phần bị hư |
2 | Máy khởi động không quay, có tiếng kêu của công tắc từ | - Hư công tắc từ - Phần ứng bị chạm vỏ - Hư lớp cách điện giữa chổi than và giá giữ | - Thay thế |
3 | Máy khởi động quay chậm | - Ly hợp một chiều bị trượt | - Thay thế |
4 | Động cơ không nổ mặc dù máy khởi động quay | - Ly hợp một chiều bị trượt - Bánh răng bendix không vào ăn khớp với bánh đà | - Thay thế ly hợp một chiều |
5 | Có tiếng kêu lạ | - Đỉnh bánh răng bendix bị mòn | - Thay bánh răng bendix |
Có thể bạn quan tâm!
-
Bảo dưỡng sửa chữa điện động cơ Nghề Công nghệ ô tô - Cao đẳng Phần 1 - Trường CĐ nghề Đà Nẵng - 1 -
Bảo dưỡng sửa chữa điện động cơ Nghề Công nghệ ô tô - Cao đẳng Phần 1 - Trường CĐ nghề Đà Nẵng - 2 -
Kiểm Tra Thông Mạch Stator Hình 2.20. Kiểm Tra Cách Điện Stator -
Thực Hiện Tháo Rời Các Bộ Phận Của Máy Khởi Động: -
Bảo dưỡng sửa chữa điện động cơ Nghề Công nghệ ô tô - Cao đẳng Phần 1 - Trường CĐ nghề Đà Nẵng - 6 -
Bảo dưỡng sửa chữa điện động cơ Nghề Công nghệ ô tô - Cao đẳng Phần 1 - Trường CĐ nghề Đà Nẵng - 7
Xem toàn bộ 64 trang tài liệu này.
- Trục rô to bị đảo | - Nắn lại trục rô to |






