Hợp nhánh
Việc chuyển vào trạng thái chung S16 chỉ có thể có thể thực hiện được khi các trạng thái S13 (thuộc nhánh A) và S15 (thuộc nhánh B) đang hoạt động, và thỏa điều kiện X4. Nghĩa là: S16 = S13.S15.X4
e) Sự kết hợp các loại nhánh STL
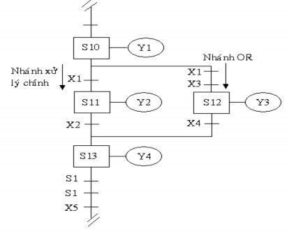
Nhiều quá trình điều khiển công nghiệp có dạng một hoạt động ở tình trạng luôn luôn được thực hiện, và, nếu thỏa một điều kiện nào đó, hoạt động song song thứ hai được thực hiện đồng thời. Loại hoạt động này có thể được lập trình dùng kĩ thuật STL trong hình 2.36
Hoạt động
Trong ví dụ này, nhánh sử lý chính gồm trang thái S10, S11 và S13. Trạng thái S11 có một nhánh song song S12. Ở điều kiện bình thường khi X1 = ON, trạng thái S11 được kích hoạt và nhánh có S12 chỉ được kích hoạt khi có thêm điều kiện X3=ON
Hợp nhánh
Trạng thái S13 được kích hoạt từ trạng thái S11 hay S12 khi gõ vào X2 hay X4 thỏa tương ứng. Khi chỉ S11 hoạt động, hoạt động này là bình thường. Tuy nhiên, nếu nhánh song song cũng hoạt động thì đường vào trạng thái S13 tồn tại đối với cả hai nhánh, bất chấp hoạt dộng của nhánh còn lại hoàn tất hay chưa:
S11.X2 + S12.X4
Ta không muốn có tình trạng này vì các hoạt động của hai nhánh có S11 và S12 khó có thể được hoàn tất cùng lúc, và cần xem xét lại để bảo đảm rằng quá trình hoạt động không thể tiếp tục khi có một nhánh chưa hoàn tất. Trạng thái S13 vô hiệu trạng thái gây ra sự chuyển trạng thái đó, ngoài ra có thể vô hiệu trạng thái đầu tiên gây ra
sự chuyển trạng thái, giả sử S11, một thời gian sau khi có sự chuyển trạng thái từ S12 làm kích hoạt trạng thái S13 một lần nữa và trạng thái S12 bị vô hiệu. Cơ chế hoạt động này chỉ có thể được thực hiện nếu không có sự chuyển trạng thái tại S13 trước khi cả hai nhánh được hoàn tất. Để đảm bảo rằng sự chuyển trạng thái S13 sang S14 chỉ có thể xảy ra khi cả hai trạng thái S11 và S12 hoàn tất (S11 = 0 và S12 = 0), vấn đề này được giải quyết bằng cách:
![]()



Hình 2.36. Sử dụng kết hợp các nhánh song song
f) Sự lặp lại hoạt động trình tự
Thường ta cần lặp lại một phần của trình tự hoạt động với một số lần nào đó, khi hoạt động này bằng tay (manual mode) hay tự động(automatic mode). Trong ví dụ hình 2.37, bộ đếm được sử dụng phối hợp với hoạt động trình tự minh họa điều này.
Hoạt động
Bộ đếm được kích hoạt (tăng 1) mỗi khi trạng thái S14 hoạt động. Giá trị của bộ đếm có thể được nhập bằng bộ công tắc chọn nhấn ( thumbwhell switch) được nối ở ngõ vào của bộ điều khiển hoặc được xác định trong chương trình. Trong ví dụ này, bộ đếm được gán giá trị 8. Khi xuống đến trạng thái S14 là hoạt động trình tự bình thường, sau trạng thái S14 có sự lựa chọn giữa S15 và S12 tùy thuộc vào điều kiện chuyển trạng thái
Như vậy khi bộ đếm CO chưa đạt đến giá trị định trước là 8, điều kiện có thể chuyển vào trạng thái S15 không thỏa vì công tắc CO hở, xem biểu thức (b). Biểu thức logic (a) đúng nếu bộ đếm bị kích hoạt ít hơn 8 lần và công tắc X5 đóng. Điều này có tác dụng lặp lại 8 lần quá trình từ S12 đến S14 vì bộ đếm tăng lên 1 mỗi khi S14 hoạt động. Khi bộ đếm vượt giá trị 8, trạng thái S15 được kích hoạt, thay vì S12. Bộ đếm cũng được đặt lại (reset) thông qua công tắc thường S15 để chuẩn bị cho chu kỳ hoạt động tiếp theo

Hình 2.37. Lập trình lập lại hoạt động bằng bộ đếm
CHƯƠNG 3:
CÁC BÀI TẬP ỨNG DỤNG PLC MITSUBISHI
I. Các bài tập dạng cơ bản: Bài 1. Đơn vị phục vụ:
1. Mô hình hoạt động:

2. Bảng khai báo thiết bị:
Địa chỉ thiết bị | Tên thiết bị | Sự hoạt động | |
Ngõ vào | X0 | Nút nhấn N1 | ON/OFF tức thời |
X1 | Nút nhấn N2 | ON/OFF tức thời | |
X2 | Nút nhấn OFF | ON dừng hoạt động | |
Ngõ ra | Y0 | Đèn báo Đ1 | Sáng khi Y0 – ON |
Y1 | Đèn báo Đ2 | Sáng khi Y1 - ON |
Có thể bạn quan tâm!
-
Hướng dẫn lập trình PLC Mitsubishi - 9 -
Hướng dẫn lập trình PLC Mitsubishi - 10 -
Cơ Chế Stepladder – (A): Mạch Cơ Bản Stl; -
Hướng dẫn lập trình PLC Mitsubishi - 13 -
Các Bài Tập Dạng Trung Bình Bài 1. Tín Hiệu Nút Nhấn -
Hướng dẫn lập trình PLC Mitsubishi - 15
Xem toàn bộ 202 trang tài liệu này.
3. Mục đích điều khiển:
Điều khiển đơn vị phục vụ trong nhà hàng bằng các lệnh cơ bản
4. Những đặc tính điều khiển:
Khi nút nhấn N1 trên bàn được nhấn, đèn báo Đ1 – Y0 trên tường sẽ bật sáng. Nếu thả nút nhấn N1, đèn báo Đ1 – Y0 vẫn sáng
Khi nút nhấn N2 trên bàn được nhấn, đèn báo Đ2 – Y1 trên tường sẽ bật sáng. Nếu thả nút nhấn N2, đèn báo Đ2 – Y0 vẫn sáng.
Khi cả 2 đèn báo Đ1 – Y0 và đèn báo Đ2 – Y1 bật sáng thì đèn báo hiệu Đ3– Y2 trên bảng điều khiển bật sáng
Khi nút nhấn OFF được nhấn, cả 2 đèn báo Đ1 – Y0, đèn báo Đ2 – Y1 và đèn báo hiệu Đ3 – Y2 tắt
5. Sơ đồ nguyên lý:

6. Chương trình Ladder mẫu:
Bài 2. Phát hiện dùng cảm biến quang:
1. Mô hình hoạt động:







