Hình 5.11. Sơ đồ hành trình bước
Bước 2: Thiết kế mạch khí nén điều khiển
A
V 1
V 5
Y1
4 2
Y2
5 3
1
B
V 3
V 6
Y3
4 2
Y4
5 3
1
S1 S2 S3 S4
50%
50%
50%
50%
V 2 V 4
Hình 5.12. Sơ đồ mạch khí nén Bước 3: Thiết kế mạch điện điều khiển theo tầng

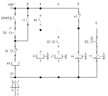
Hình 5.13. Sơ đồ mạch điện Bước 4: Lập bảng địa chỉ các ngõ vào ra
Bảng 5.3. Định địa chỉ các ngõ vào ra bài in nhãn chi tiết bán tự động
Ngõ ra (output) | |||
Địa chỉ | Tín hiệu vào | Địa chỉ | Nam châm điện |
I0.0 | START | Q0.1 | Y1 |
I0.1 | S1 | Q0.2 | Y2 |
I0.2 | S2 | Q0.3 | Y3 |
Có thể bạn quan tâm!
-
Hệ thống PLC Nghề Điện công nghiệp - Trình độ Cao đẳng - Trường Cao Đẳng Dầu Khí năm 2020 - 6 -
Lệnh Trừ Số Nguyên 16 Bit (Sub-I _Subtract Interger) -
Hệ thống PLC Nghề Điện công nghiệp - Trình độ Cao đẳng - Trường Cao Đẳng Dầu Khí năm 2020 - 8
Xem toàn bộ 79 trang tài liệu này.
S3 | Q0.4 | Y4 | |
I0.4 | S4 |
I0.3
Bước 5: Viết chương trình điều khiển
4.2.2 Nội dung thực hành
Chuẩn bị vật tư, dụng cụ, thiết bị:
Bảng 5.4. Bảng vật tư thiết bị bài khoan lỗ chi tiết bán tự động
Danh mục | Yêu cầu kỹ thuật, chất lượng | Đơn vị tính | Số lượng | Ghi chú | |
1 | Hệ thống PLC | Hoạt động tốt, không có thiết bị nào bị tháo rời | Bộ | 01 | Hệ thống gồm 4 trạm, 2 màn hình cảm ứng HMI được kết nối qua mạng LAN và các panel IO kết nối thiết bị ngoại vi |
2 | Máy tính | Cấu hình phù hợp cài được phần mềm lập trình PLC S7- 300 | Bộ | 15 | |
3 | Đồng hồ kim VOM | Chiếc | 01 |
4.2.3 Yêu cầu an toàn:
- Trang phục gọn gàng trong khi thực hành
- Thực hiện đúng quy trình
- Vệ sinh nơi làm việc và nơi thực tập, để thiết bị thực hành đúng nơi quy định
CÁC CÂU HỎI TRẮC NGHIỆM:
Dạng xung nào sau đây mô tả trạng thái của loại Timer? |
A) | S_PULSE |
B) | S-PEXT |
C) | S_ODTS |
D) | S_OFFDT |
Dạng xung nào sau đây mô tả trạng thái của loại Timer?
| |
A) | S_PULSE |
B) | S-PEXT |
C) | S_ODTS |
D) | S_OFFDT |
Dạng xung nào sau đây mô tả trạng thái của loại Timer?
| |
A) | S_PULSE |
B) | S-PEXT |
C) | S_ODTS |
D)
Dạng xung nào sau đây mô tả trạng thái của loại Timer?
| |
A) | S_PULSE |
B) | S-PEXT |
C) | S_ODTS |
D) | S_OFFDT |
3 |
4 |
5 |
6 |
Cho timer được ký hiệu như sau:
Chọn phương án trả lời đúng? | |
A) | Ngõ S là ngõ vào kích hoạt timer hoạt động |
B) | Ngõ S là ngõ vào reset timer |
C) | Ngõ S là ngõ lưu giá trị đếm của timer |
D) | Ngõ S là ngõ vào cài đặt giá trị timer |
Cho timer được ký hiệu như sau:
Chọn phương án trả lời đúng? | |
A) | Ngõ TV là ngõ vào kích hoạt timer hoạt động |
B) | Ngõ TV là ngõ vào reset timer |
C) | Ngõ TV là ngõ lưu giá trị đếm của timer |
D) | Ngõ TV là ngõ vào cài đặt giá trị timer |
Cho timer được ký hiệu như sau:
Chọn phương án trả lời đúng? | |
A) | Ngõ R là ngõ vào kích hoạt timer hoạt động |
B) | Ngõ R là ngõ vào reset timer |
D) | Ngõ R là ngõ vào cài đặt giá trị timer |
C)
Khi cần thiết lập thời gian 10 giây cho Timer của PLC S7-300, ký hiệu nào sao đây là đúng? | |
A) | S5T#10S |
B) | S5T#10mS |
C) | ST5#10S |
D) | ST5#10mS |
TÀI LIỆU THAM KHẢO
- Tài liệu tiếng Việt:
[1] Trần Thế San, Nguyễn Ngọc Phương, Thiết kế mạch và lập trình PLC, NXB Khoa học và kỹ thuật, 2016.
[2] Nguyễn Văn Khang, Bộ điều khiển logic khả trình PLC và ứng dụng, NXB Bách Khoa Hà Nội, 2016.
- Tài liệu nước ngoài:
[1] NCCER, Module PLC - Instrumentation Level 4, third edition, NXB Pearson, Mỹ, 2016.











