a) Mục tiêu hoạt động
Thông qua SGK mô hình học sinh có thể hiểu nhiệm vụ và phân loại hệ thống đánh lửa.
b) Gợi ý tổ chức hoạt động
B1: Chuyển giao nhiệm vụ học tập
- Chia lớp thành 4 nhóm hoạt động.
- Hệ thống đánh lửa được sử dụng ở động cơ nào? Vì sao?
-Vậy nhiệm vụ của hệ thống đánh lửa là gí?
- Tại sao phải đánh lửa đúng thời điểm? Đó là thời điểm nào?
- Căn cứ vào đâu để phân loại hệ thống đánh lửa?
- Có mấy loại hệ thống đánh lửa, đó là những loại nào?
B2: Thực hiện nhiệm vụ học tập
- Trong quá trình hoạt động nhóm, GV quan sát học sinh tự học, thảo luận, trợ giúp kịp thời khi các em cần hỗ trợ.
B3:Báo cáo kết quả thực hiện nhiệm vụ học tập
- Đại diện các nhóm báo cáo kết quả.
Ghi nhận kết quả làm việc của cá nhân hoặc nhóm học sinh.
B4: Đánh giá kết quả hoạt động
Sản phẩm của từng cá nhân và của nhóm.
Học sinh thống nhất phần đáp án và trình bày vào vở ghi của mình.
Hoạt động 3: Tìm hiểu cấu tạo và nguyên lí làm việc của hệ thống đánh lửa. a) Mục tiêu hoạt động
Thông qua hình ảnh học sinh có thể biết được cấu tạo
B1: Chuyển giao nhiệm vụ học tập
- Chia lớp thành 4 nhóm hoạt động.
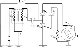
?. Quan sát hình 29.2 hệ thống đánh lửa điện tử không tiếp điểm em hãy cho biết hệ thống đánh lửa điện tử không tiếp điểm cấu tạo gồm những chi tiết nào?
- GV: Giới thiệu các bộ phận trong hệ thống, hình 29.2
1. Man-nhê-tô: WN,WĐK các cuộn dây Stato của Man-nhê-tô, cuộn WĐK đặt ở vị trí sao cho khi tụ CT tích đầy điện thì WĐK có điện áp cao nhất.
2. Cụm CDI: thực hiện nhiệm vụ chia điện, gồm 2 điôde thường để nắn dòng điện xoay chiều thành 1 chiều, 1 tụ điện tích điện và 1 điôde điều khiển(chỉ mở và phân cực thuận khi có điện áp dương đặt vào cực điều khiển)
- Biến áp đánh lửa 2: tăng diện áp thấp củ máy pdát điện thành điện áp cao để phóng tia lửa điện trên bugi.
- Biến áp đánh lửa làm việc dựa trên hiện tượng vật lý nào?
+ Ngoài ra còn có khoá K(4)
GV yêu cầu HS quan sát hình 29.2 sgk và đặt câu hỏi.
? Khoá K mở và Rôto quay có các hiện tượng gì xảy ra trong hệ thống đánh lửa? Dòng điện trong mạch đi như thế nào?
- Khoá K đóng và Rôto quay Dòng điện trong mạch đi như thế nào
B2: Thực hiện nhiệm vụ học tập
Trong quá trình hoạt động nhóm, GV quan sát học sinh tự học, thảo luận, trợ giúp kịp thời khi các em cần hỗ trợ.
B3:Báo cáo kết quả thực hiện nhiệm vụ học tập
- Đại diện các nhóm báo cáo kết quả.
Ghi nhận kết quả làm việc của cá nhân hoặc nhóm học sinh.
B4: Đánh giá kết quả hoạt động
Sản phẩm của từng cá nhân và của nhóm.
Học sinh thống nhất phần đáp án và trình bày vào vở ghi của mình.
Hoạt động 5: Hệ thống hóa kiến thức
a) Mục tiêu hoạt động
Củng cố lại kiến thức trọng tâm của bài giúp học sinh ghi nhớ, khắc sâu kiến thức.
b) Gợi ý tổ chức hoạt động
- Giáo viên hướng dẫn học sinh tổng hợp lại kiến thức và ghi nội dung chính vào vở ở nhà.
c) Sản phẩm của hoạt động: Sản phẩm của từng cá nhân Các em ghi chép lại nội dung trọng tâm và vở ghi của mình. I, Nhiệm vụ và phân loại
1, Nhiệm vụ
-Tạo ra tia lửa điện cao áp ở 2 cực của bugi để đốt cháy hoà khí trong xilanh động cơ xăng đúng thời điểm.
2, Phân loại
Theo cấu tạo của bộ chia điện có 2 loại:

II,Hệ thống đánh lửa điện tử không tiếp điểm 1, Cấu tạosgk

1-Man-nhê-tô; 2-biến áp đánh lửa; 3-bugi; 4-khoá điện; WN-cuộn nguồn; WĐK- cuộn điều khiển; W1-cuộn sơ cấp; W2-cuộn thứ cấp; Đ1, Đ2-điôde thưòng; ĐK- điôde điều khiển; CT-tụ điện
2, Nguyên lý làm việc
* Khi khoá K mở, Rôto quay:
- Hiện tượng
+ Nhờ Đ1 trong nửa chu kì dương của sức điện động của cuộn WN được tích vào tụ CT, lúc đó điôde ĐĐK khoá.
+ Khi tụ CT đầy điện thì cũng có nửa chu kì dương của sức điện động trên cuộn WĐK qua điốt Đ2 đặt vào cực điều khiển (ĐĐK) ĐĐK mở xuất hiện tia lửa điện ở bugi.
+ Dòng điện đi theo trình tự:
Cực +(CT)ĐĐK) MatW1Cực (-)CT).
- Do có dòng điện thứ cấp phóng qua cuộn W1 trong thời gian cực ngắn (tạo ra xung điện) làm từ thông trong lõi thép của bộ tăng điện biến thiệnW2 xuất hiện sức điện động rất lớn tạo ra tia lửa điện bugi.
* Khi khoá K đóng:
Dòng điện từ WN về Mát,bugi không có tia lửa điện, động ciư ngừng hoạt động.D. TÌM TÒI MỞ RỘNG
Hoạt động 6: Quan sát cấu tạo hệ thống đánh lửa. thực tế
a) Mục tiêu hoạt động
giúp các em hiểu sâu hơn về tầm quan trọng hệ thống đánh lửa.
b) Gợi ý tổ chức hoạt động
Chia lớp thành 4 nhóm hoạt động về nhà tìm hiểu các nội dung sau:
-So sánh hệ thống đánh lửa của 1 số động cơ
c) Sản phẩm của hoạt động: Sản phẩm của từng cá nhân và của nhóm Các em ghi chép lại nội dung trọng tâm và vở ghi của mình.
3. Dặn dò
- Về nhà làm bài tập của chủ đề
- Chuẩn bị trước bài mới ở nhà
4. RÚT KINH NGHIỆM
a. Nội dung:
………………………………………………………………………………………
………
b. Phương pháp:
………………………………………………………………………………………
……………………………
Ninh Bình,Ngày .... tháng năm 2021
Giáo Viên |
Có thể bạn quan tâm!
-
Năng Lực Định Hướng Hình Thành Và Phát Triển Cho Học Sinh -
Năng Lực Định Hướng Hình Thành Và Phát Triển Cho Học Sinh -
Năng Lực Định Hướng Hình Thành Và Phát Triển Cho Học Sinh -
Giáo án theo định hướng phát triển năng lực học sinh môn Công nghệ lớp 11 - 20
Xem toàn bộ 169 trang tài liệu này.
Ngày soạn:...../...../ 2021 Tuần .....
Khối lớp 11
I.Vấn đề cần giải quyết
BÀI 26:
Hệ thống khởi động.
Chủ đề gồm một chuỗi các hoạt động động học thiết kế theo phương pháp dạy học giải quyết vấn đề: từ việc quan sát thực tế phát hiện vấn đề nghiên cứu và rút ra kết luận, báo cáo kết quả.
Bước 1 (Khởi động): Làm nảy sinh và phát hiện vấn đề về hệ thống khởi động. Bước 2 (Giải quyết vấn đề - hình thành kiến thức). Tìm hiểu về hệ thống khởi động.
Bước 3 (Luyện tập): Hệ thống hóa kiến thức
Bước 4 (Vận dụng, tìm tòi mở rộng): vai trò của hệ thống khởi động. Dự kiến việc tổ chức các hoạt động theo thời gian như bảng dưới:
Hoạt động | Tên hoạt động | Thời lượng dự kiến | |
Khởi động | Hoạt động 1 | Làm nảy sinh và phát hiện vấn đề về hệ thống khởi động. | Trên lớp 4 phút |
Hình thành kiến thức | Hoạt động 2 | Tìm hiểu nhiệm vụ và phân loại: | Trên lớp 35 phút |
Hoạt động 3 | Tìm hiểu cấu tạo và nguyên lí làm việc của hệ thống khởi động bằng động cơ điện | ||
Luyện tập | Hoạt động 4 | Hệ thống hóa kiến thức | 5 phút |
Tìm tòi mở rộng | Hoạt động 5 | Vai trò của hệ thống khởi động. | ở nhà |
Theo chương trình công nghệ THPT lớp 11 chủ đề “Hệ thống khởi động.” gồm Nội dung kiến thức nói trên được thể hiện trong sách giáo khoa công nghệ lớp 11 hiện hành gồm 1 tiết:
CHUẨN BỊ
Giáo Viên: Nghiên cứu kĩ nội dung bài 30 SGK
- Sưu tầm các hình ảnh, tìm đọc các tài liệu có nội dung liên quan tới bài giảng.
- Soạn giáo án, lập kế hoạch giảng dạy.
Học Sinh: đọc trước nội dung bài 30 SGK, sưu tầm tranh ảnh, mô hình có liên quan tới bài giảng.
- Đọc trước bài học ở nhà.
- Sưu tầm các chi tiết thuộc hệ thống khởi động.
II. Mục tiêu bài học
1, Kiến thức Qua bài học HS cần nắm được nhiệm vu,cấu tạo và nguyên lý làm việc của hệ thống khởi động.
2, Kĩ năng
-Đọc được sơ đồ nguyên lý của hệ thống khởi động.
3, Thái độ
- Nhận thức được tầm quan trọng của động cơ đốt trong đối với sự phát triển của nền công nghiệp.
-Giáo dục ý thức tìm tòi cách sử dụng động cơ đốt trong.
4. Năng lực định hướng hình thành và phát triển cho học sinh
- Năng lực tự học, đọc hiểu và giải quyết vấn đề theo giải pháp đã lựa chọn thông qua việc tự nghiên cứu và vận dụng kiến thức
- Năng lực giải quyết vấn đề thông qua đặt câu hỏi khác nhau về các máy móc tự động hóa
- Năng lực hợp tác nhóm: làm thí nghiệm, trao đổi thảo luận, trình bày kết quả thí nghiệm.
III. Tiến trình bài học
1.Ổn định tổ chức lớp học (1 phút) 2.Bài mới
A. KHỞI ĐỘNG
Hoạt động 1: Làm nảy sinh và phát hiện vấn đề về hệ thống khởi động.
a) Mục tiêu hoạt động
Thông qua hình ảnh câu hỏi để tạo mâu thuẫn giữa kiến thức hiện có của HS với những kiến thức mới.
b) Gợi ý tổ chức hoạt động
B1: Chuyển giao nhiệm vụ học tập
- Giáo viên chia lớp thành 4 nhóm mỗi bàn là 1 nhóm làm việc.
Để động cơ hoạt đông được ta phải khởi động động cơ. Có nhiều cách để khởi động động cơ. Song hiện nay hệ thống khởi động dùng động cơ điện để khởi động động cơ được sử dụng rất phổ biến vì nó có nhiều ưu điểm
B2: Thực hiện nhiệm vụ học tập
- Trong quá trình hoạt động nhóm, GV quan sát học sinh tự học, thảo luận, trợ giúp kịp thời khi các em cần hỗ trợ.
B3:Báo cáo kết quả thực hiện nhiệm vụ học tập
- Đại diện các nhóm báo cáo kết quả.
Ghi nhận kết quả làm việc của cá nhân hoặc nhóm học sinh.
B4: Đánh giá kết quả hoạt động
Sản phẩm của từng cá nhân và của nhóm.
Học sinh thống nhất phần đáp án và trình bày vào vở ghi của mình.
B. HÌNH THÀNH KIẾN THỨC
Hoạt động 2: Tìm hiểu nhiệm vụ và phân loại:
a) Mục tiêu hoạt động
Thông qua SGK mô hình học sinh có thể hiểu nhiệm vụ và phân loại hệ thống khởi động.
b) Gợi ý tổ chức hoạt động
B1: Chuyển giao nhiệm vụ học tập
- Chia lớp thành 4 nhóm hoạt động.
. Hệ thống khởi động có nhiệm vụ gì?
. Tại sao phải quay trục khuỷu đến một tốc độ nhất định nào đó?.
. Trong lúc động cơ đang làm việc có cần hệ thống khởi động không?.
. Liên hệ thực tế em hãy cho biết có mấy cách để khởi động động cơ?.
. Xe máy khởi động bằng gì?
. Xe ô tô khởi động bằng gì?
. Xe máy ủi, máy xúc, máy cày khởi động như thế nào?.
. Em hãy mô tả cách khởi động bằng tay mà em biết.
. Khởi động bằng tay áp dụng cho những động cơ nào? Vì sao?.
. Hãy kể tên một vài động cơ khởi động bằng động cơ điện?.
. Động cơ điện dùng để khởi động thường là loại nào? Vì sao?.
. Hãy kể tên một vài động cơ khởi động bằng động cơ phụ mà em biết?.
. Động cơ phụ thường sử dụng là loại động cơ nào?
B2: Thực hiện nhiệm vụ học tập
- Trong quá trình hoạt động nhóm, GV quan sát học sinh tự học, thảo luận, trợ giúp kịp thời khi các em cần hỗ trợ.
B3:Báo cáo kết quả thực hiện nhiệm vụ học tập
- Đại diện các nhóm báo cáo kết quả.
Ghi nhận kết quả làm việc của cá nhân hoặc nhóm học sinh.
B4: Đánh giá kết quả hoạt động
Sản phẩm của từng cá nhân và của nhóm.
Học sinh thống nhất phần đáp án và trình bày vào vở ghi của mình.




