Người ta dòng siêu âm để làm thiên từ cho đặc tuyến động của băng từ như đã nêu như trên.
Ở đây dòng siêu âm mang dòng tín hiệu âm tần (phương pháp xếp chồng) khác hẳn với dạng sóng điều chế tín hiệu của máy phát.
Nhờ dòng siêu âm làm thiên từ nên đã dịch chuyển dòng âm tần về hai đọan thẳng của đặc tuyến động trong quá trình ghi để giữ lại từ dư Br trên băng theo dạng sóng âm tần tổng hợp giữa trục X.
III. NHIỆM VỤ VÀ CÁC TÍNH NĂNG RIÊNG:
Bộ tạo sóng siêu âm có nhiệm vụ cung cấp năng lượng cho đầu xóa và dòng từ thiên cho đầu ghi với tần số thích hợp.
Về mạch điện nó giống như trong kỹ thuật radio, nhưng lại mang một số tính chất riêng của kỹ thuật ghi âm là theo nguyên lý xếp chồng 2 dòng tín hiệu và từ thiên.
Trong các máy ghi âm đơn giản và thông dụng, thường dùng một bộ tạo sóng chung cho đầu xóa và đầu ghi với tần số khỏang 60 khz.
Trong các máy ghi âm dùng trong các studio đòi hỏi chất lượng âm thanh lúc ghi rất cao, vì vậy cần tăng dòng từ thiên lên khỏang 120 180Khz nhằm mục đích giảm tạp âm nền và làm suy giảm các hỗn hợp ở dải tần cao. Nếu dùng chung một bộ tạo sóng ở đầu ghi và đầu xóa sẽ không thỏa mãn yêu cầu đặt ra.
Để tránh hiện tượng giao thoa giữa hai tần số dao động và sóng hài của chúng trong lúc ghi, cần chọn riên hai tần số xóa từ thiên để thỏa mãn điều kiện:
Có thể bạn quan tâm!
-
Thiết kế và thi công mô hình PAN TIVI màu - 5 -
Thiết kế và thi công mô hình PAN TIVI màu - 6 -
Thiết kế và thi công mô hình PAN TIVI màu - 7 -
Thiết kế và thi công mô hình PAN TIVI màu - 9 -
Thiết kế và thi công mô hình PAN TIVI màu - 10 -
Thiết kế và thi công mô hình PAN TIVI màu - 11
Xem toàn bộ 88 trang tài liệu này.
f H 3 f x 20 (hz)
Năng lượng của bộ tạo sóng siêu âm sẽ bức xạ ra khỏang không bao quanh nó và nhiễu vào lưới điện sẽ gây nhiễu cho các radio đặt gần, do đó phải bọc từ cẩn thận trong máy ghi âm.
IV. BỘ TẠO SÓNG SIÊU ÂM:
Trong các Radio cassette chất lượng thấp ngày này thường dùng các đầu xóa bằng nam châm để đơn giảm mạch điện. Trong các máy chuyên dùng cassette có chất lượng cao vẫn dùng đầu xóa bằng dòng siêu âm.
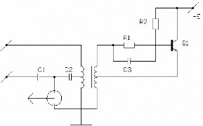
Bộ tạo sóng siêu âm đơn giản như hình dưới. Mạch tạo sóng chỉ dùng cho dòng thiên từ kiểu CC. Chọn giá trị R1, R2để xác định chế độ làm việc cho thích hợp.

Bộ tạo sóng siêu âm từ
Để làm tốt dạng sóng, mạch điện ở đầu ghi phải cộng hưởng ở tần số siêu âm. Thay đổi độ ghép bằng cách chọn hay thay đổi số vòng dây cuộn cảm được quấn trên lõi Perit.
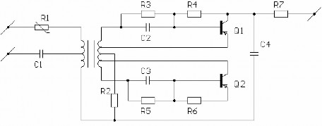
Tuy nhiên mạch được dùng phổ biến là bộ tạo sóng hai tần kép. Dòng xóa và thiên từ dùng chung một tần số và không có hài bậc chẳn ở đầu ra. Cuộn dây quấn trên lõi perit hình xuyến, các đầu ra phải có số vòng thật cân xứng. Hai transistor phải chọn cùng thông số với nhau.

Trong máy ghi âm có 1 vài đầu ghi, đầu xóa như ghi âm stereo bộ tạo sóng có nhiều tầng. Trong đó một tầng là mạch dao động, các tầng khác dùng để khuếch đại cho mỗi lọai đầu từ.
Để tránh ảnh hưởng ghép lẫn nhau, nên dùng các cuộn riêng rẽ cho mỗi đầu từ. Đầu từ ghi dùng transistor có trở kháng nhỏ 200 300 vì vậy số vòng sẽ ít. Để đảm bào đủ năng lượng xóa và từ hóa trên băng cần phải tăng dòng điện chạy qua nó.
* CÁC CÁCH MẮC ĐẦU TỪ GHI VÀ XÓA VÀO BỘ TẠO SÓNG SIÊU ÂM:
Tùy theo cấu tạo mạch ra của bộ tạo sóng mà mắc đầu từ ghi và xóa cho thích hợp. Sau đây giới thiệu một số mạch thông dụng:
Từ tăng âm ghi đến
Từ tăng âm ghi đến
- Hình (a) là mạch ghép biến áp, cuộn ghép được quấn chung vào cuộn dao động. Tụ tinh chỉnh C1để điều chỉnh dòng từ thiên cho đầu từ ghi. Tụ C2làm suy giảm phổ tần thấp (50, 100, 150hz) do từ trường ngòai xâm nhập qua cuộn ghép họăc do nội trở nguồn. Chọn giá trị C2sao cho nó cùng với cuộn cảm đầu xóa tạo thành mạch vòng cộng hưởng khác xa tần số xóa. Nếu tần số mạch vòng cộng hưởng đúng bằng tần số xóa thì điện áp trên đầu xóa sẽ thay đổi nhiều, khi thay thế đầu xóa trong quá trình khai thác do có sự khác nhau về điện cảm và điện trở của đầu từ. Nếu tần số cộng hưởng lớn hơn tần số xóa thì phần lớn điện áp ở cuộn cảm sẽ đặt lên C2. Bởi vậy cần phải chọn tần số cộng hưởng nhỏ hơn tần số xóa. Nếu điện áp cung cấp cho đầu xóa lớn hơn đầu ghi nhiều lần thì sẽ lấy từ đẩu dây cuận cảm ghép có điện thích hợp.
- Hình (b) là ghép biến áp từ ngẫu, không qua cuộn dây nên đơn gỉan hơn về cấu tạo. Đầu xóa được nối vào một phần cuộn dây cộng hưởng qua C2, đầu ghi được nối qua cuộn tinh chỉnh C1. Ý nghĩa và giá trị các tụ giống như hình (a).
- Hình (c) mạch này được dùng trong các máy ghi âm của stereo. Điện áp siêu âm lấy từ cuộn cảm qua C1đặt lên đầu xóa. Điện áp từ thiên lấy từ C1, thông qua C2đến đầu ghi. Tụ C2có trị số đủ lớn để cho dòng từ thiên qua dễ dàng, lại vừa đủ đề ngăn dòng âm tần đi qua bộ sóng. Dùng chiết áp RPđể điều chỉnh dòng từ thiên đưa đến đầu ghi. Lợi điểm của mạch này là C1có tác dụng lọc hài bậc cao ở tần số siêu âm.
Trong các máy ghi âm stereo, cách mắc đầu từ với bộ sóng như hình a, b. Chỉ khác là chỉ một đầu ghi được mắc qua một tụ bán chỉnh riêng rẽ. Khi ngắt một đầu từ sẽ phải thay thế vào đó một điện trở tương đương về trị số công suất để cho chế độ làm việc của bộ tạo sóng được ổn định.
PHẦN II
XÂY DỰNG MÔ HÌNH RADIO – CASSETTE
CHƯƠNG I: XÂY DỰNG MÔ HÌNH RADIO - CASSETTE
RADIO
NGUOÀN
DÀN CƠ
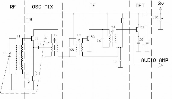
A. SƠ ĐỒ KHỐI TỔNG QUÁT CỦA MỘT RADIO – CASSETTE:
Điều chỉnh âm sắc
Khuếch đại công suất
Khuếch đại đầu từ
LOA
B. PHÂN TÍCH:
Radio sẽ thu được 2 băng sóng: AM và FM Băng sóng AM: 535 khz 1605 khz.
Băng sóng FM: 88 Mhz 108 Mhz.
1. Băng sóng AM:
Cấu tạo các tầng của máy.
a. Anten đầu vào:
Anten đầu vào làm việc trộn dải tần 0,5 Mhz 1,6 Mhz gồm 2 cuộn dây quấn trêân lõi Perit. Cuộn thứ cấp bên trái mắc song song với tụ xoay C1tạo thành một khung cộng hưởng song song LC, nhờ đó tụ xoay C1nên ta có thể thay đổi tần số cộng hưởng theo quy luật.
1
2 LC
f
Do thay đổi được tần số cộng hưởng ở đầu vào máy thu có thể làm việc ở dải tần số 0,5 Mhz 1,6 Mhz. Do đó, về nguyên tắc máy thu được tín hiệu của đài phát ở dải tần số nói trên.
Ở những máy thu sản xuất công nghiệp ta đánh dấu những mức tần số ở trên băng sóng AM, thông qua kim chỉ thị và kết cấu đồng chỉnh với trục quay của trục C1để xác định những đài phát mong muốn nằm ở khu vực nào trên băng sóng, giúp cho việc dò tìm nhanh chóng.
Tụ C2là tụ thoát những nhiễu nằm ngòai tần số mà đài làm việc. Khi có tín hiệu cộng hưởng ở khung thông qua biến áp T2, năng lượng điện từ cảm ứng sang cuộn thứ cấp để đến cực B của T1ở bộ trộn sóng. Những máy thu có chất lượng cao ở đầu vào có 1 2 bộ khuếch đại cao tần (RF). Trong trường hợp đó máy sẽ có độ nhạy và độ lực chọn cao.

SƠ ĐỒ NGUYÊN LÝ MÁY THU MỘT BĂNG AM
b. Dao động nội và trộn sóng Local – Mixer:
Dao động nội và trộn sóng được thực hiện trên Q1biến áp T2và tụ xoay đồng chỉnh C4. Để tăng độ nhạy và độ chống nhiễu của máy ta phải chuyển tín hiệu cao tần có băng sóng tín hiệu trung tần (IF) để thực hiện khuếch đại tín hiệu đến mức cần thiết trước khi tách sóng.
Muốn thực hiện mục đích đó cần phải có bộ dao động nội và bộ trộn sóng.
Để tín hiệu trung tần có băng sóng cố định (460 khz + 5 khz) thì tần số của bộ dao động nội phải được thay thế tương ứng theo của tín hiệu tần số đầu vào, làm sao để hiệu giữa chúng cho ta tín hiệu trung tần. Phương pháp này thực hiện được nhờ tụ xoay C4ở khung cộng hưởng bộ dao động nội được đồng chỉnh theo trục xoay C1ở đầu vào.
Cuộn dây sơ cấp và biến thế T2và tụ xoay C4mắc song song với nó tạo thành một khung song song LC. Do các nhiễu nội tại trong mạch kích thích thành dao động trong khung. Tần số dao động này được trích ở cuộn sơ cấp đưa qua tụ C3và cực phát E của Q1. Thông qua tụ ký sinh đầu vào EB của Q1dao động trên được đưa đến đầu vào Q1, được Q1 khuếch đại và đưa ra cuộn thứ cấp T2(cuộn dây phải) dao động này được cảm ứng qua cuộn sơ cấp làm cho dao động trong khung đạt đến mức đều hòa và ổn định.
Tín hiệu RF ở tần đầu vào đưa đến trộn với dao động nội ở Q1để tạo ra sản phẩm mới có nhiều thành phần tần số khác nhau, trong đó có thành phần trung tần (IF) mà ta cần đến.
c. Tầng trung tần _ IF:
Trung tần gồm bộ khuếch đại Q2, biến áp T3và bộ lọc đầu vào, biến áp T4và bộ lọc đầu ra. Cuộn sơ cấp của T3được nối với tụ điện C5tạo thành một khung dao động cộng hưởng song song LC được chỉnh ở dải tần IF là một bộ lọc dải thông. Thành phần IF ở đầu ra bộ trộn sóng đi qua bộ lọc được cảm ứng qua cuộn thứ cấp của T4cùng với tụ C6tạo thành khung cộng hưởng song song LC và bộ lọc dải thông ở đầu ra chỉ cho dải tần số IF đi qua. Tín hiệu trung tần được Q2khuếch đại lấy ra ở cực C qua bộ lọc và cảm ứng sang cuộn thứ cấp T4để đi đến đầu vào bộ trộn sóng.
Thông thường để có độ nhạy cao, người ta dùng từ 2 3 tầng khuếch đại trung tần. Còn để có độ chống nhiễu cao, cũng như để ổn định mức tín hiệu ở đầu ra người ta thường dùng mạch tự động điều chỉnh tín hiệu AGC (Automatic Gain Control) để thay đổi hệ khuếch đại trung tần tương ứng với sự thay đổi tín hiệu ta tương đối ổn định. Trong trường hợp cụ thể ở đây thông qua nhánh B-C, Q3, R4, R3, C7làm nhiệm vụ AGC để điều chỉnh điểm công tác trên cực B của Q2mà làm thay đổi hệ số khuếch đại của bộ khuếch đại trung tần.
d. Tách sóng biên độ – AM detector:
Tách sóng biên độ được thực hiện tên nhánh B-E của Q3như là một diode tách sóng điều biên ở cực gốc Q3dạng biến điệu biên độ hình vẽ (a):
(a)
Tín hiệu điều biên AM.
Ở tín hiệu có tần số cố định còn biên độ biến thiên theo quy luật của tín hiệu âm tần thì bị cắt đi một nửa còn lại bán chu kỳ đặt trên tụ C8.
(b)
Tín hiệu sau khi bị hạn chế biên độ.
Ở đây C8là tụ thoát tín hiệu cao tần nên thực tế trên C8ta không quan sát được dạng tín hiệu như hình (b) mà chỉ nhìn đường bao của nó trên máy hiện sóng đó là tín hiệu âm tần như hình (c):
( c)
C8và Vr là bộ tích phân (hay bộ lọc thị tần) có nhiệm vụ lấy ra tín hiệu âm tần đã được điều chế ở biên độ của tín hiệu cao tần từ đài phát gởi đến, còn thành phần cao tần qua tụ C8thoát xuống mass. Hình (c) cho ta thấy tín hiệu âm tần như một đường bao bọc lấy biên độ sóng mang nên người ta thường gọi quy trình xử lý tín hiệu trên là tách sóng biên độ hay tách sóng đường bao.
2. Băng sóng FM:
Tín hiệu IF (AM) từ ngõ ra IC BA4404 được lọc qua thạch anh 10,7 Mhz. Sau đó tín hiệu này được đưa vào chân (7) của IC BA4236L.
Tín hiệu này được khuếch đại bởi FM IF, rồi IF vào mạch hạn biên (Limiter); chân
(10) có mạch cộng hưởng L//C xác định ta f0cho tầng tách sóng AM/FM, tín hiệu vào mạch làm câm tầng Mixer của AM và sau đó là tầng tách sóng trực pha (Quad Det). Tín hiệu AF lấp qua tầng AF (SW), AF Amp để sau cùng ra ở chân (11).






