Loại dầm thứ 2 sử dụng cốt thép đai, các vết nứt nghiêng xuất hiện ở sườn dầm. Một vết nứt lớn xuyên qua miền chịu nén. Các góc nghiêng của vết nứt xấp xỉ 40o, Khả năng chịu lực tăng không đáng kể (Hình 1.13)

Hình 1.13 Ứng xử cắt của dầm BT CĐSC có sợi thép [58]
Loại dầm tiếp theo, chứa sợi thép hàm lượng 1%. Số lượng vết nứt nhiều hơn dầm trên tuy nhiên bề rộng vết nứt nhỏ, góc nghiêng của vết nứt (30-35)o. Vết nứt lan theo dọc cốt thép chủ. Sự phá hủy xảy ra ở miền chịu nén và không bị vỡ vụn (Hình 1-14).

Hình 1.14 Ứng xử cắt của dầm BT CĐSC có sợi thép [58]
Loại thứ 4, bố trí kết hợp cả cốt đai và cốt sợi, khả năng chịu lực của dầm tăng lên đáng kể. Các vết nứt xuất hiện tương tự như dầm chỉ có cốt sợi, tuy nhiên góc nghiêng lớn hơn khoảng 50o (Hình 1.15)

Hình 1.15. Ứng xử cắt trong dầm BT CĐSC có bố trí cốt đai và cốt sợi kết hợp [58]
Có thể bạn quan tâm!
-
Lực Dính Bám Giữa Sợi Thép Và Chất Nền Bt, Dính Bám Của Cốt Thép Và Btcst -
Mối Liên Hệ Giữa Chiều Dài Sợi (Lf) Và Độ Mở Rộng Vết Nứt (W) Với Mô Men Trong Dầm Theo Tác Giả De-Montaignac Và Các Cộng Sự [53] -
Các Vết Nứt Do Lực Cắt Gây Ra Trong Dầm Bt Cđc Và Btcđc Cst [101] -
Cơ Chế Truyền Lực Của Bê Tông Thông Qua Ma Sát Giữa Các Bề Mặt Vết Nứt Khi Có Cốt Thép Chịu Cắt [29] -
So Sánh Cường Độ Chịu Cắt Thử Nghiệm Và Trong Tiêu Chuẩn Khi Tăng Cường Độ Chịu Nén Tới 100Mpa [102] -
Mô Hình Tính Toán Sức Kháng Cắt Theo Hai H. Dinh Và Cộng Sự [69]
Xem toàn bộ 184 trang tài liệu này.
Về mặt khả năng chịu lực thì dầm không cốt thép lực tới hạn là 20KN, dầm có cốt đai là 90KN, dầm chứa cốt sợi 110KN và dầm kết hợp là 145KN.
Ở Việt Nam đã có một số nhà khoa học nghiên cứu ứng xử cắt của dầm bê tông cốt thép thường và bê tông cốt thép dự ứng lực. Một số tác giả nghiên cứu ứng xử cắt của cốt bằng vật liệu mới thay thế cốt thép thông thường [10], [18]. Tuy nhiên,
rất hiếm nghiên cứu lý thuyết cũng như thực nghiệm về ứng xử cắt của dầm BTCST phân tán nói chung và BTCĐC CST nói riêng. Một vài nghiên cứu lý thuyết cho dầm BTCST và BTCĐC CST đều khẳng định cốt sợi thép làm tăng đáng kể sức kháng cắt của cấu kiện chịu uốn. Trong bài giảng dành cho sinh viên cao học của GS.TS. Nguyễn Viết Trung chỉ ra rằng nếu hàm lượng sợi là 1,66% sức kháng cắt tăng thêm khoảng 45%. Nghiên cứu ứng xử cắt cho dầm bê tông cường độ cao cốt sợi thép (BTCĐC CST) tại Việt nam chưa có. Một vài công trình thiết kế thử nghiệm, chế tạo thử dầm BTCĐC CST và bê tông cốt sợi thép cường độ siêu cao (BTCST CĐSC) khi tính sức kháng cắt sử dụng công thức của tiêu chuẩn nước ngoài.
Trong tiêu chuẩn thiết kế cầu đường bộ TCVN 11823-1:2017 [4], công thức tính toán sức kháng cắt cho dầm BTCT có cốt đai đã được đề cập tuy nhiên chưa có công thức tính toán cho dầm BTCST.
Qua nghiên cứu tổng quan về vấn đề ứng xử cắt của dầm BTCST và BTCĐC CST nói riêng cho thấy rằng vấn đề ứng xử cắt của dầm bê tông cốt sợi thép không sử dụng cốt thép đai đã được nghiên cứu rất nhiều. Cả hai loại bê tông cốt sợi cường độ thấp và cường độ cao đều đã được xem xét. Các nghiên cứu trước đây cũng đã dự báo được “ứng suất cắt trung bình” của mặt cắt nghiêng dầm BTCST. Tuy nhiên số lượng nghiên cứu còn hạn chế. Các kết quả thực nghiệm rất khác nhau, các thí nghiệm đều cho kết quả lớn hơn so với công thức đề xuất trong các tiêu chuẩn thiết kế BTCST (đôi khi ứng suất trung bình thí nghiệm lớn gấp đôi so với công thức dự báo trong tiêu chuẩn).
Các nghiên cứu đã thực hiện trước đây đã xây dựng được mô hình dự báo sức kháng cắt cho dầm BTCST. Tuy nhiên các mô hình tính toán của các nghiên cứu trước đây đã nghiên cứu chung cho các cấp bê tông hoặc chỉ nghiên cứu cho bê tông cấp thông thường. Các mô hình dự báo sức kháng cắt đưa ra cần có thông số thí nghiệm như: cường độ đặc trưng, cường độ chịu kéo sau nứt, cường độ ép chẻ…Các thông số như vậy, với mỗi cấp bê tông hàm lượng sợi thép khác nhau, loại sợi khác nhau có giá trị khác nhau. Do đó, nếu không có số liệu thí nghiệm cụ thể khó có thể dự báo được sức kháng cắt của dầm BTCST. Các mô hình thực nghiệm đưa ra có độ
chính xác phụ thuộc vào số lượng lớn mẫu thí nghiệm và điều kiện thí nghiệm. Nhiều mô hình thực nghiệm dự báo quá đơn giản không thể xem xét được tổng thể các yếu tố ảnh hưởng tới sức kháng cắt của dầm BTCST. Vì vậy cần có những nghiên cứu thêm về ứng xử cắt của dầm BTCST nói chung và BTCĐC CST nói riêng.
1.4. Kết luận chương 1
- Ứng xử cắt của dầm BTCST cũng như BTCĐC CST là một vấn đề rất phức tạp, phụ thuộc vào rất nhiều yếu tố. Việc tính toán sức kháng cắt của dầm BTCST cần xem xét đến nhiều yếu tố ảnh hưởng và trọng số của từng yếu tố. Mối quan hệ giữa các yếu tố khá phức tạp, nên cần khảo sát đánh giá những yếu tố chính. Một số phương pháp thực nghiệm đã đánh giá một cách sát thực những yếu tố ảnh hưởng đến khả năng chịu cắt của dầm BTCST. Tuy nhiên nghiên cứu thực nghiệm đòi hỏi số lượng mẫu thử lớn, đa dạng cho nhiều loại sợi, cấp bê tông nên rất tốn kém. Mặt khách do điều kiện thiết bị thí nghiệm còn gặp khó khăn, chưa nhiều nghiên cứu thực nghiệm chưa xem xét một cách tổng quát và đầy đủ các yếu tố ảnh hưởng. Do đó, cần có một mô hình bán thực nghiệm phù hợp dùng tính toán cắt cho dầm BTCĐCCST.
- Trên thế giới đã có nhiều nhà khoa học nghiên cứu về ứng xử cắt của bê tông cốt sợi thép. Ở Việt Nam thì rất ít nghiên cứu về ứng xử cắt của dầm bê tông cốt sợi thép.
- Các nghiên cứu về ứng xử cắt của dầm BTCST trên thế giới đều khẳng định rằng sức kháng cắt của dầm tăng đáng kể khi sử dụng với hàm lượng cốt thép nhỏ (dưới 2%)
- Nhiều nghiên cứu trước đây đã đề xuất được các mô hình tính toán sức kháng cắt của dầm bê tông cốt sợi cường độ thường có cốt đai hoặc không có cốt đai.
- Các tiêu chuẩn hiện hành đã đưa vào mô hình tính toán sức kháng cắt cho dầm BTCST, nhưng không đề cập cho riêng bê tông cường độ cao. Việc tính toán đòi hỏi nhiều thông số thí nghiệm về cường độ chịu kéo, kéo uốn đặc trưng. Các thông số như vậy không sẵn có nhất là điều kiện Việt Nam.
- Đối với dầm bê tông cường độ cao cốt sợi thép, đã có một số nghiên cứu thực nghiệm xây dựng được công thức dự báo sức kháng cắt cho dầm không cốt đai nhưng
để sử dụng được cần rất nhiều các dữ liệu thí nghiệm như cường độ chịu kéo đặc trưng của BTCST…
- Ứng xử cắt dầm bê tông cường độ cao có sử dụng cốt sợi thép và cốt đai truyền thống rất phức tạp, bị ảnh hưởng bởi nhiều yếu tố. Cần nhiều nghiên cứu hơn nữa để đánh giá các yếu tố ảnh hưởng. Vì vậy, nghiên cứu ứng xử cắt của dầm BTCĐC CST là rất cần thiết.
- Để đánh giá chính xác về sức kháng cắt của dầm BTCST nói chung và BTCĐC CST nói riêng, việc lựa chọn được mô hình bán thực nghiệm phù hợp phản ánh đúng nhất ứng xử của chúng là rất quan trọng. Mô hình lựa chọn phải đánh giá được đầy đủ các yếu tố ảnh hưởng đến sức kháng cắt của dầm BTCST và dễ dàng sử dụng trong tính toán thiết kế. Với mong muốn xây dựng được công thức tính toán sức kháng cắt cho dầm BTCĐC CST có cốt đai, nghiên cứu sinh chọn phương pháp lý thuyết kết hợp thực nghiệm để nghiên cứu. Lựa chọn được mô hình lý thuyết phù hợp cho dầm BT CĐC CST. Kết hợp mô hình đó với thực nghiệm để xây dựng được công thức dự báo sức kháng cắt của dầm BTCĐC CST. Dự báo được hình thức phá hoại cắt và khảo sát được các yếu tố ảnh hưởng đến sức kháng cắt của dầm BTCĐC CST.
Vì những phân tích trên, luận án “Nghiên cứu ứng xử cắt của dầm bê tông cường độ cao cốt sợi thép” có tính cấp thiết và thời sự.
Chương 2.
NGHIÊN CỨU XÂY DỰNG MÔ HÌNH DỰ BÁO SỨC KHÁNG CẮT CỦA DẦM BTCĐC CST
![]()
Sự phá hủy và các thành phần lực cắt của dầm BTCST
2.1.1. Sự phá hủy dầm BTCT và BTCST
Cốt sợi làm thay đổi mô hình phá hủy trên tiết diện nghiêng. Các vết nứt xuất hiện nhiều hơn nhưng bề rộng nhỏ hơn. Do ảnh hưởng của sợi thép phân tán trong bê tông, vết nứt ít mở rộng mà có xu hướng lan truyền thành nhiều vết nứt nhỏ. Nhìn chung, nguyên nhân phá hủy dầm BTCT có thể do lực cắt hoặc do đồng thời mô men và lực cắt. Với dầm bê tông thường không cốt đai, khi có sự tham gia của cốt thép thanh tăng cường, khả năng chịu uốn tăng đáng kể. Trong dầm xuất hiện nhiều hơn vết nứt uốn do có cốt dọc bắc qua vết nứt và truyền ứng xuất sang bê tông. Khác với dầm bê tông thường, hình thức phá hủy của dầm bê tông cốt sợi thép chủ yếu do sự kết hợp giữa mô men và lực cắt đồng thời [70]. Khi nhịp cắt nhỏ (a/d<=2) hoặc dầm ngắn, ảnh hưởng của lực cắt và mô men đến vết nứt nghiêng là rất lớn. Do đó ứng xử cơ học của tiết diện nghiêng thay đổi. Yếu tố dính bám giữa bê tông và cốt thép, neo cốt thép ở gối cũng ảnh hưởng đến ứng xử cắt của dầm BTCST.
Khi dầm có độ mảnh lớn, dầm chủ yếu phá hoại do uốn, bê tông bị nén vỡ tại vị trí đặt lực. Trước khi phá hủy, cốt thép dọc có thể chảy dẻo hoặc không. Nếu cốt thép chảy dẻo, phá hủy dầm được gọi là phá hoại dẻo. Dạng phá hủy này thường có cảnh báo trước nên an toàn cho dầm. Nếu cốt thép không chảy dẻo thì phá hủy là giòn và thường mang tính đột ngột. Với dầm ngắn hoặc cao, với tỷ lệ cốt dọc lớn, dầm có thể bị phá hủy do hình thành vết nứt nghiêng. Vết nứt có thể xuất hiện từ giữa chiều cao của dầm hoặc từ đỉnh của vết nứt uốn [70]. Có hai tình huống có thể xảy ra sau khi hình thành vết nứt nghiêng: tình huống thứ nhất, dầm bị phá hoại ngay lập tức do sự mở rộng của vết nứt nghiêng tách dầm thành hai mảnh. Trước khi phá hủy, vết nứt nghiêng không thể hiện rõ ràng. Tình huống thứ hai, dầm tiếp tục duy trì chịu tải sau khi vết nứt xảy ra. Thường thường, mô hình phá hủy quan sát thấy là do mở rộng vết nứt nghiêng kết hợp đồng thời với sự ép vỡ vụn của miền nén gần điểm đặt tải trọng
Nén vỡ
Phá hủy do kéo nghiêng
Phá hủy do cắt nén
Chảy dẻo
Phá hủy do uốn
Mất ứng suất do trượt
Phá hủy do cắt trượt
tập trung (Hình 2.1). Với giả thuyết được công nhận bởi Hội đồng ACI-ASCE (Americal Sociaty of Civil Engineers) 326 (1962) vết nứt nghiêng xuất hiện là do ứng suất kéo nghiêng. Ứng suất kéo nghiêng và ứng suất nén nghiêng xuất hiện do lực cắt. Khi ứng suất kéo đạt cường độ chịu kéo vết nứt nghiêng hình thành.
Hình 2.1. Các hình thức phá hủy của dầm BTCST không cốt đai [70]
Đối với dầm BTCST không sử dụng cốt đai, cốt sợi đóng vai trò như là cốt thép đai trong dầm. Cốt sợi thép có thể phân phối lại ứng suất kéo trong dầm, làm chậm quá trình lan tuyền và mở rộng vết nứt nghiêng. Chống lại sự tách vỡ bê tông dọc thanh cốt thép dọc chủ. Cốt sợi kiểm soát bề rộng vết nứt và thúc đẩy sự hình thành vi vết nứt. Với vai trò rõ ràng đó, độ cứng biếng dạng, khả năng chịu lực của dầm được tăng cường. Sự phân tích về cường độ chịu cắt trong dầm BTCST không cốt đai gặp nhiều khó khăn thách thức. Vấn đề quan trọng nhất liên quan đến sự tăng cường của cốt sợi là sự phân bố thích hợp của chúng để hình thành thuộc tính cơ học đồng nhất. Thêm vào đó, sự mở rộng vết nứt nghiêng trong dầm BTCST là do cốt sợi thép bị kéo tuột thay vì cốt đai chảy dẻo trong dầm bê tông cốt thép thông thường. Sự kéo tuột của cốt sợi và dính bám giữa sợi và bê tông là vấn đề phức tạp.
Đối với dầm BT CST có sử dụng cốt đai: Cốt đai chỉ phát huy vai trò của nó sau khi vết nứt hình thành. Vai trò chính của cốt đai là chịu lực cắt và phân phối lại lực cắt, chủ yếu cốt đai chịu kéo sau khi hình thành vết nứt. Lực kéo này được chuyển sang bê tông làm hình thành các vết nứt nghiêng. Cốt đai làm chậm sự lan truyền vết nứt và giúp cho miền chịu nén chịu lực cắt tốt hơn. Thêm vào đó, cốt đai kiểm soát
bề rộng vết nứt, giúp cho hiệu ứng cài cốt liệu trong chịu cắt tốt hơn [70]. Mô hình phá hủy dầm bê tông CST có cốt đai được mô tả như
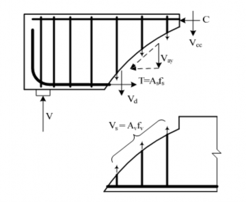
Hình 2.2. Sau khi hình thành vết nứt, sự tương tác gồm bốn thành phần sức kháng sau: Hiệu ứng chốt do cốt dọc, sự chịu lực miền nén, sự cài cốt liệu và sự chịu lực của cốt đai

Hình 2.2. Mô hình phá hủy dầm BTCST có cốt đai [91]
2.1.2. Các thành phần tham gia chịu cắt.
Cơ chế truyền lực cắt trong dầm BTCST khá phức tạp. Sau khi hình thành vết nứt nghiêng, tiết diện chia làm hai miền: miền kéo và miền chịu nén. Đối với dầm bê tông không có sợi thép theo công bố của hội đồng ASCE-ACI 426 năm 1973 và năm 1998 được sửa đổi cập nhật bởi Hội đồng ASCE-ACI 445 các hiệu ứng truyền lực cắt quan trọng gồm: Sự truyền lực cắt trong vùng bê tông chưa nứt của dầm (Vcc); Sự truyền lực cắt bề mặt do sự đan cài của cốt liệu và sự gồ ghề của bề mặt vết nứt nghiêng (Va); Sự truyền lực cắt thông qua hiệu ứng chốt của cốt thép dọc (Dowel Action) (Vd); Sự truyền lực cắt thông qua các ứng suất kéo còn dư lại trong các vết nứt nghiêng (Vcr); Sự truyền lực cắt thông qua các cốt thép ngang (đai) chịu cắt (Vs); Thành phần theo phương đứng của lực ứng suất trước (Vp).
Đối với dầm BT CST ngoài các thành phần trên, còn có sự tham gia truyền lực cắt của cốt sợi thép (Vf).
Sức kháng cắt của vùng bê tông chưa nứt:
Vùng nén chưa nứt của tiết diện đóng góp sức kháng cắt trong dầm BT CST sau khi vết nứt hình thành. Schlaich và các cộng sự đã đưa ra khái niệm vùng D và vùng B trong khoảng nhịp cắt. Vùng D là vùng không liên tục,bị nhiễu loạn, ứng suất phân bố tập trung, không đều. Vùng B của mô hình dầm là vùng liên tục. Trong vùng D, thì biến dạng phân bố không tuyến tính [91] còn trong vùng B thì biến dạng phân bố tuyến tính. Những dầm cao có thể chứa trọn vẹn vùng D. Tuy nhiên nhiều trường hợp, cả vùng D và vùng B đều tồn tại trong cùng một dầm BTCST.

Hình 2.3. Vùng B và vùng D trong dầm thông thường
Lực cắt được truyền nhờ ứng suất kéo và ứng suất nén nghiêng. Trong vùng B, dầm đã nứt, ứng suất đó vẫn còn hiệu lực trong miền bê tông chưa nứt. Ứng suất cắt được phân bố trên chiều cao miền nén như Hình 2.4

Hình 2.4. Sự phân bố ứng suất cắt trong bê tông chưa nứt [43]
a) Cốt đơn; b) cốt kép
Độ lớn của sức kháng cắt của vùng chịu nén được giới hạn bởi chiều cao của vùng nén và cường độ chịu cắt của BTCST. Đối với dầm mảnh không có lực nén dọc


![Mối Liên Hệ Giữa Chiều Dài Sợi (Lf) Và Độ Mở Rộng Vết Nứt (W) Với Mô Men Trong Dầm Theo Tác Giả De-Montaignac Và Các Cộng Sự [53]](https://tailieuthamkhao.com/uploads/2023/10/22/nghien-cuu-ung-xu-cat-cua-dam-be-tong-cuong-do-cao-cot-soi-thep-5-1-120x90.jpg)
![Các Vết Nứt Do Lực Cắt Gây Ra Trong Dầm Bt Cđc Và Btcđc Cst [101]](https://tailieuthamkhao.com/uploads/2023/10/22/nghien-cuu-ung-xu-cat-cua-dam-be-tong-cuong-do-cao-cot-soi-thep-6-1-120x90.jpg)
![Cơ Chế Truyền Lực Của Bê Tông Thông Qua Ma Sát Giữa Các Bề Mặt Vết Nứt Khi Có Cốt Thép Chịu Cắt [29]](https://tailieuthamkhao.com/uploads/2023/10/22/nghien-cuu-ung-xu-cat-cua-dam-be-tong-cuong-do-cao-cot-soi-thep-8-1-120x90.jpg)
![So Sánh Cường Độ Chịu Cắt Thử Nghiệm Và Trong Tiêu Chuẩn Khi Tăng Cường Độ Chịu Nén Tới 100Mpa [102]](https://tailieuthamkhao.com/uploads/2023/10/22/nghien-cuu-ung-xu-cat-cua-dam-be-tong-cuong-do-cao-cot-soi-thep-9-120x90.jpg)
![Mô Hình Tính Toán Sức Kháng Cắt Theo Hai H. Dinh Và Cộng Sự [69]](https://tailieuthamkhao.com/uploads/2023/10/22/nghien-cuu-ung-xu-cat-cua-dam-be-tong-cuong-do-cao-cot-soi-thep-10-2-120x90.jpg)