
Hình 2.10: Minh hoạ kỳ làm việc thứ hai của động cơ điêzen 2 kỳ
Sau khi không khí sạch được nạp vào buồng đốt, pít-tông tiếp tục đi từ điểm chết dưới lên điểm chết trên thực hiện các hành trình của chu trình tiếp theo.
2.1.4. Một số đặc tính làm việc và phạm vi ứng dụng của các loại động cơ đốt trong
Nếu động cơ 2 kỳ và 4 kỳ có cùng số lượng xi-lanh với kích hước bằng nhau và số vòng quay trục khuỷu bằng nhau thì động cơ 2 kỳ có nhiều ưu điểm hơn: chạy đều hơn, ít rung động hơn, có công suất lớn hơn; vì muốn hoàn thành một chu trình làm việc trục khuỷu của động cơ 2 kỳ chỉ phải quay một vòng trong khi trục khuỷu của động cơ 4 kỳ phải quay 2 vòng cho nên số lần giãn nở sinh công của động cơ 2 kỳ gấp đôi của động cơ 4 kỳ. Mặt khác, cũng do đó mà trên động cơ 2 kỳ, người ta có thể lắp bánh đà nhẹ hơn.
Về mặt cấu tạo và sử dụng, động cơ 2 kỳ đơn giản hơn động cơ 4 kỳ vì không có cơ cấu phân phối khí.
Tuy vậy, động cơ 2 kỳ có nhược điểm là tính tiết kiệm thấp hơn so với động cơ 4 kỳ. Nếu động cơ 2 kỳ và động cơ 4 kỳ có cùng số lượng xi-lanh với kích thước như nhau số vòng quay trục khuỷu, bằng nhau thì theo lý thuyết, công suất của động cơ 2 kỳ phải gấp đôi công suất của động cơ 4 kỳ, nhưng thực tế chỉ tăng 60 đến 70%, vì động cơ 2 kỳ xả khí đã làm việc không hết, đồng thời nạp khí mới nạp không đầy vào xi-lanh và tiêu hao công suất cho việc thổi khí đã nạp từ các-te lên xi-lanh. Đặc biệt đối với động cơ có bộ chế hoà khí 2 kỳ, tính tiết kiệm rất thấp vì luồng thổi là hỗn hợp khí đốt bị theo khí đã làm việc (đã cháy) thoát ra ngoài xi- lanh (khí đốt thoát ra ngoài có thể lên đến 30%).
Xuất phát từ ưu, nhược điểm của động cơ 2 kỳ và 4 kỳ mà trong thực tế động cơ có công suất nhỏ thường là động cơ 2 kỳ như động cơ mô tô, xe máy, máy lai… còn động cơ công suất lớn thường là động cơ 4 kỳ.
Nếu so sánh động cơ điêzen với động cơ xăng thì động cơ điêzen có nhiều ưu điểm hơn: hiệu suất chỉ thị lớn hơn, chi phí nhiên liệu thấp hơn (do
động cơ điêzen có độ nén lớn hơn), nhiên liệu rẻ tiền và ít nguy cơ hoả hoạn hơn, hệ thống cung cấp nhiên liệu ít hư hỏng…
Có thể bạn quan tâm!
-
Máy nông nghiệp - 1 -
Máy nông nghiệp - 2 -
Dây Quấn Stato; 2- Lõi Thép Stato; 3 - Lõi Thép Rôto; 4 - Dây Quấn Rôto. -
Ngàm; 5 - Đầu Vuông; 6 – Thanhb Dọc Khung; 7 -Đĩa Dao; 8 - May Ơ; 9 - Nắp; 10 - Đai Ốc; -
Máy Bừa Có Bộ Phận Làm Việc Chuyển Động Tịnh Tiến
Xem toàn bộ 109 trang tài liệu này.
Bên cạnh đó, động cơ điêzen cũng có những nhược điểm so với động cơ xăng, đó là: chế tạo khó khăn vì phức tạp nên giá thành cao, cồng kềnh, khối lượng riêng lớn, khởi động khó khăn…
Vì những lý do trên mà động cơ điêzen thường đặt trên các loại máy kéo và ô tô có tải trọng lớn, còn các loại động cơ xăng thường được đặt trên các loại mô tô, ô tô có tải trọng nhỏ…
2.2. MÁY KÉO NÔNG NGHIỆP
2.2.1. Công dụng và phân loại máy kéo dùng trong nông nghiệp
a. Công dụng
Trong sản xuất người ta thường dùng hai loại động lực là động lực di động và động lực tĩnh tại. Máy kéo nói chung và máy kéo sử dụng trong nông nghiệp nói riêng là một loại động lực di động. Động lực di động là động lực chuyển động được trong quá trình làm việc.
Như vậy, máy kéo là nguồn động lực chuyển động được trong quá trình làm việc, đồng thời có khả năng di chuyển trên những địa hình phức tạp và có lực kéo lớn.
Máy kéo có công dụng rất lớn trong sản xuất nông nghiệp, dùng để kéo máy nông nghiệp loại treo và móc, trục thu công suất của máy kéo truyền chuyển động quay cho các bộ phận làm việc của máy nông nghiệp, dùng để làm đất, gieo trồng, chăm sóc và bảo vệ cây trồng; thu hoach, vận chuyển nông – lâm sản, bón phân, san ủi, cải tạo ruộng đồng… Máy kéo còn được dùng làm nguồn động lực truyền động cho những máy tĩnh tại như máy bơm nước, xay xát, đập lúa…
b. Phân loại
*Căn cứ vào công dụng máy kéo, người ta chia máy kéo làm ba loại:
- Máy kéo công dụng chung
- Máy kéo vạn năng
- Máy kéo chuyên dùng
* Căn cứ vào loại động cơ đặt trên máy kéo người ta chia máy kéo ra 3 loại:
- Máy kéo dùng động cơ điện
- Máy kéo dùng động cơ đốt trong
- Máy kéo dùng động cơ đốt ngoài - động cơ hơi nước
* Căn cứ vào cấu tạo hệ thống chuyển động máy kéo có các loại:
- Máy kéo xích; nửa xích
- Máy kéo bánh (bánh hơi, bánh sắt)
- Máy kéo bánh lồng
- Máy kéo thuyền phao
* Căn cứ vào cấu tạo thân máy, người ta chia máy kéo ra các loại:
- Máy kéo toàn khung
- Máy kéo nửa khung
2.2.2. Tính năng kỹ thuật và phạm vi ứng dụng của máy kéo nông nghiệp
- Máy kéo công dụng chung dùng để cày, bừa, gieo, xới, thu hoạch cây trồng và làm những công việc nặng nhọc khác. Loại máy kéo này có động cơ công suất lớn, có khả năng bám đất tốt, nhờ vậy tăng được lực kéo khá lớn. Máy kéo loại này có đặc điểm là gầm thấp.
- Máy kéo vạn năng có khả năng làm nhiều việc trong nông nghiệp, nhưng khác với máy công dụng chung nó còn được dùng trong việc chăm sóc cây trồng do máy này có đặc điểm là: gầm cao, có khả năng chạy qua các hàng cây, chiều rộng hai vết bánh có thể thay đổi được cho phù hợp với khoảng cách các hàng cây, bán kính quay vòng nhỏ, có nhiều số truyền.
- Máy kéo chuyên dùng được dùng để thực hiện một loại công việc nhất định nào đó, như máy kéo làm việc trong vườn cây ăn quả, vườn rau, trong trại chăn nuôi, trên đồng ruộng lầy thụt, trên đồi dốc… Loại máy kéo này cũng được tạo nên trên cơ sở máy kéo có công dụng dùng chung và máy kéo vạn năng nhưng việc sử dụng có hạn chế hơn và có cấu tạo đặc biệt chủ yếu ở hệ thống di động với trang bị riêng.
- Với máy kéo xích, do được đặt trên hai dải xích có diện tích tiếp xúc với đất lớn hơn nhiều so với máy kéo bánh. Vì vậy, máy kéo xích có độ bám đất tốt hơn, có thể làm việc trên đất có độ ẩm cao mà máy kéo bánh không di chuyển được. Máy kéo bánh nhẹ hơn máy kéo xích cùng công suất, có thể dùng cho việc vận chuyển nhưng lực kéo nhỏ hơn máy kéo xích.
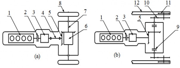
2.2.3. Các phần chính của một máy kéo nông nghiệp
Cấu tạo của máy kéo gồm: động cơ, hệ thống truyền lực, hệ thống truyền động, cơ cấu điều khiển, các trang bị làm việc và trang bị phụ khác (hình 2.11).
Động cơ là nguồn năng lượng của máy kéo, biến đổi hoá năng lượng của nhiên liệu được đốt cháy, biến nhiệt năng thành cơ năng và truyền cơ năng đó cho hệ thống truyền lực và hệ thống chuyển động.

Hình 2.11: Sơ đồ đơn giản biểu diễn các bộ phận của máy kéo
a - máy kéo bánh; b - máy kéo xích.
1 - động cơ; 2 - côn; 3 - hộp giảm tốc; 4 - trục các đăng; 5 - truyền lực chính
6 - hộp vi sai; 7 - bán cầu chủ động; 8 -bánh xe chủ động; 9 - côn chuyển hướng; 10 - truyền lực chính; 11 - bánh sao chủ động; 12 - xích.
Hệ thống truyền lực là những cơ cấu có nhiệm vụ truyền mô-men quay của động cơ đến các bánh chủ động của máy kéo bánh hơi hoặc bánh sao chủ động của máy kéo xích, thay đổi mô-men quay và vận tốc của bánh xe.
Cơ cấu điều khiển tác động đến hệ thống chuyển động, thay đổi hướng chuyển động của máy kéo và giữ cho máy kéo đứng tại chỗ. Cơ cấu điều khiển bao gồm cơ cấu quay vòng (cơ cấu lái hoặc ly hợp chuyển hướng) và cơ cấu phanh.
Những trang bị làm việc của máy kéo gồm có hệ thống nâng hạ thuỷ lực, cơ cấu móc, truc thu (trích) công suất.
Những trang bị phụ như quạt gió, hệ thống sưởi, bộ phận nén khí.
2.3. ĐỘNG CƠ ĐIỆN
2.3.1. Các loại động cơ điện và phạm vi sử dụng
a. Phân loại động cơ điện
Theo tính chất của nguồn điện động cơ sử dụng, ta có máy điện một chiều và máy điện xoay chiều. Máy điện một chiều là máy điện sử dụng nguồn điện một chiều, còn máy điện xoay chiều là máy điện sử dụng nguồn điện xoay chiều.
Theo số pha của nguồn điện động cơ sử dụng, ta có máy điện một pha, máy điện hai pha và máy điện ba pha.
Máy điện xoay chiều có hai loại là máy điện đồng bộ và máy điện di bộ.
b. Phạm vi sử dụng của các loại động cơ điện
Động cơ điện không đồng bộ có cấu tạo và vận hành không phức tạp, giá thành rẻ, làm việc tin cậy nên được sử dụng nhiều trong sản xuất và sinh hoạt. Động cơ điện không đồng bộ bao gồm các loại một pha, hai pha và ba pha. Các động cơ điện không đồng bộ có công suất lớn (trên 600W) thường là những động cơ ba pha. Còn các động cơ không đồng bộ có công suất nhỏ (dưới 600W) thường là những động cơ một pha hoặc hai pha.
Động cơ đồng bộ được sử dụng khi truyền động công suất lớn, có thể đạt đến vài chục MW. Trong công nghiệp luyện kim, khai thác mỏ, thiết bị lạnh, động cơ điện đồng bộ được sử dụng để truyền động cho các máy bơm, nén khí, quạt gió… với vận tốc không đổi. Động cơ đồng bộ công suất nhỏ được sử dụng trong các thiết bị như đồng hồ điện, thiết bị lập chương trình, thiết bị điện sinh hoạt…
Động cơ điện một chiều được sử dụng ở những nơi yêu cầu mô-men mở máy lớn hoặc yêu cầu điều chỉnh tốc độ ổn định trong phạm vi rộng; sử dụng trong các thiết bị của ô tô, máy bay, tầu thuỷ; sử dụng làm cơ cấu chấp hành của thiết bị tự động…
ư 2.3.2. Động cơ điện một chiều
Động cơ điện một chiều là loại động cơ sử dụng nguồn điện một chiều, làm việc theo nguyên lý cảm ứng điện từ.
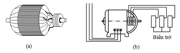
Về cấu tạo, động cơ điện một chiều có cấu tạo gồm ba phần chính: stato với các cực từ, rôto với dây quấn và cổ góp với chổi địên.
Stato còn gọi là phần cảm hay phần tĩnh, nó vừa là mạch từ vừa là vỏ máy, trên đó có các cực từ chính với các dây quấn kích từ.
Rôto còn gọi là phần ứng hay phần động gồm lõi thép (là các lá thép kỹ thuật ghép lại) và dây quấn phần ứng đặt trên các rãnh của lõi thép.
Hình 2.12 mô tả nguyên lý làm việc của động cơ điện một chiều. Khi cho điện áp một chiều U vào hai chổi điện C1 và C2, trong dây dẫn phần ứng (rôto) có dòng điện chạy từ C1 qua a, b, c, d rồi về C2. Các thanh dẫn ab và cd có dòng điện nằm trong từ trường (của phần cảm) sẽ chịu tác dụng của lực từ làm cho rôto quay. Chiều của lực từ xác định theo quy tắc bàn tay trái (hình 2.12a).

Hình 2.12: Sơ đồ nguyên lý hoạt động của động cơ điện một pha
Khi phần ứng quay được nửa vòng, vị trí các thanh dẫn ab và cd đổi chỗ cho nhau, khi đó dòng điện từ C1 qua d, c, b, a rồi về C2. Ta thấy, trong bản thân khung dây thì chiều dòng điện đã đổi ngược lại, nhưng so với phần cảm thì chiều dòng điện là không đổi nên chiều của lực tác dụng là không đổi. Vì vậy, chiều quay của khung dây là không đổi (hình 2.12b).
Như vậy, khi cấp cho chổi điện trên stato một dòng điện sẽ làm cho rôto quay, trục của động cơ gắn cứng trên rôto quay theo tạo nên sự làm việc của động cơ một chiều.
2.3.3. Động cơ điện xoay chiều
Động cơ điện xoay chiều: (ĐCĐXC)
ĐCĐXC đồng bộ:
ĐCĐXC không đồng bộ:
Một pha
Ba pha Một pha
Ba pha
Trong sản xuất nông nghiệp người ta chủ yếu sử dụng động cơ điện không đồng bộ ba pha và một số động cơ điện đồng bộ ba pha.
a. Động cơ điện không động bộ ba pha
Động cơ điện không đồng bộ ba pha là loại động cơ sử dụng nguồn điện xoay chiều ba pha, làm việc theo nguyên lý cảm ứng điện từ, có tốc độ quay của rôto (tốc độ quay của máy) nhỏ hơn tốc độ của từ trường.
* Cấu tạo của động cơ điện không đồng bộ ba pha
Cấu tạo của máy điện không đồng bộ ba pha được vẽ trên hình 2.13, gồm hai bộ phận chủ yếu là stato (hình 2.13a) và rôto (hình 2.13b), ngoài ra còn có vỏ máy và nắp máy. Hình 2.13c vẽ mặt cắt ngang trục máy, cho ta thấy rõ các lá thép của stato và rôto.

Hình 2.13: Cấu tạo của động cơ điện không đồng bộ ba pha
a - stato; b - rôto; c - mặt cắt ngang trục động cơ
1- lõi thép rôto; 2 - lõi thép stato; 3 - dây quấn rôto; 4 - rãnh đặt dây quấn trên rôto; 5 -rãnh đặt dây quấn trên stato; 6 - dây quấn stato
- Stato là phần tĩnh của động cơ, gồm hai bộ phận chính là lõi thép và dây quấn, ngoài ra có vỏ máy và nắp máy.
Lõi thép stato có hình trụ, được tạo thành từ những lá thép kỹ thuật điện. Các lá thép này được dập rãnh bên trong và ghép lại với nhau tạo thành các rãnh theo hướng trục. Lõi thép được ghép vào trong vỏ máy.
Dây quấn stato làm bằng dây dẫn bọc cách điện (dây điện từ) được đặt bên trong các dãnh của lõi thép.
Dòng điện xoay chiều ba pha chạy trong ba dây quấn stato sẽ tạo ra từ trường quay.
Vỏ máy làm bằng nhôm hoặc bằng gang dùng để giữ chặt lõi thép và cố định động cơ trên bệ. Hai đầu vỏ có các nắp động cơ, ổ đỡ trục. Vỏ máy và nắp máy còn có tác dụng bảo vệ máy.
- Rôto là phần đông (phần quay) của động cơ, cấu tạo gồm dây quấn, lõi thép và trục máy.
Lõi thép cuả rôtô gồm các lá thép kỹ thuật được dập rãnh bên ngoài ghép lại, tạo thành các rãnh theo hướng trục, ở giữa có lỗ để lắp trục.
Dây quấn rôto của máy điện không đồng bộ có hai kiểu: rôto ngắn mạch (còn gọi là rôto lồng sóc) và rôto dây quấn. Loại rôto lồng sóc có công suất trên 1000KW, trong các rãnh của lõi thép rôto đặt các thanh đồng, hình 2.14b, hai đầu nối ngắn mạch bằng hai vòng đồng, hình 2.14a, tạo thành lồng sóc.
Ở động cơ công suất nhỏ, lồng sóc được chế tạo bằng cách đúc nhôm vào các rãnh lõi thép rôto, tạo thành thanh nhôm, hai đầu đúc vòng ngắn mạch
và cánh quạt làm mát, hình 2.14c. Động cơ điện có lồng sóc được gọi là động cơ không đồng bộ lồng sóc.

Hình 2.14: Các kiểu rôto của động cơ điện không đồng bộ ba pha
a - vòng đồng của rôto lồng sóc kiểu khung; b - rôto lồng sóc kiểu khung; c - rôto lồng sóc kiểu đúc
Loại rôto dây quấn, trong rãnh lõi thép rôto đặt dây quấn ba pha. Dây quấn ba pha thường được nối sao, ba đầu ra nối với ba vòng tiếp xúc bằng đồng, cố định trên trục rôto và được cách điện với trục, hình 2.15a.
Nhờ ba chổi than tỳ sát vào ba vòng tiếp xúc, dây quấn rôto được nối với ba biến trở bên ngoài để mở máy hay điều chỉnh tốc độ, hình 2.15b. Loại động cơ này được gọi là động cơ không đồng bộ ba pha dây quấn.

Hình 2.15: Rôto loại dây quấn
Động cơ lồng sóc là loại rất phổ biến, động cơ rôto dây quấn có ưu điểm về mở máy và điều chỉnh tốc độ song giá thành đắt và vận hành kém tin cậy, nên chỉ được dùng khi động cơ lồng sóc không đáp ứng được yêu cầu về truyền động.
* Từ trường quay của dây quấn ba pha
Để thấy rõ sự hình thành từ trường, khi vẽ từ trường ta quy ước chiều dòng điện như sau: dòng điện pha nào dương có chiều từ đầu đến cuối pha, đầu
được ký hiệu bằng hình tròn có dấu nhân ở giữa (⊗), còn cuối được ký hiệu
bằng hình tròn có dấu chấm ở giữa (◉). Dòng điện pha nào âm có chiều và ký hiệu ngược lại, đầu ký hiệu bằng ◉, cuối ký hiệu bằng ⊗.

Hình 2.16: Quy luật biến đổi từ trường trong động cơ điện không đồng bộ ba pha
Giả thiết trong dây quấn ba pha có dòng điện ba pha đối xứng chạy qua, ta có: iA = Imax.sin(t); (2.5)
iB = Imax.sin(t - 1200); (2.6)
iC = Imax.sin(t - 2400). (2.7) Quy luật biến đổi của dòng điện có dạng như hình 2.16:

Hình 2.17: Quy luật biến đổi của dòng điện ba pha
Xét từ trường ở các thời điểm khác nhau:
- Thời điểm pha t = 900: ở thời điểm này dòng điện pha A cực đại và dương (xem hình 2.17a), dòng điện pha B và C âm. Theo quy định trên, dòng
điện pha A dương nên đầu A ký hiệu là ⊗ cuối X ký hiệu là ◉; dòng điện pha
B và C âm nên đầu B và C ký hiệu là ◉, cuối Y và Z ký hiệu là ⊗, hình 2.16a.
Dùng quy tắc vặn nút chai ta xác định được chiều đường sức từ trường do các dòng điện sinh ra, (hình 2.16a), ta thấy từ trường tổng có một cực S và một cực N, ta gọi là từ trường một đôi cực (p = 1). Trục của từ trường tổng trùng với trục của dây quấn pha A - là pha có dòng điện cực đại.





