trục được đặt ở giữa trục truyền chung để đảm bảo góc quay đều của hai nửa trục truyền.

Hình 2.15: Cầu trục dẫn động bằng tay
a) Loại một dầm; b) Loại hai dầm
Cầu trục một dầm dẫn động bằng động cơ gồm hai loại: cầu trục tựa và cầu trục treo. Tủy theo yêu cầu màu cầu trục một dầm có thể được chế tạo với cabin điều khiển hoặc hộp nút bấm điều khiển từ dưới nền nhà.
Trên hình 2.16 là hình chung của cầu trục tựa loại một dầm. Phần kết cấu thép của cầu trục gồm dầm cầu 1 có hai đầu tựa lên các dầm cuối 5 với các bánh xe di chuyển dọc theo ray đặt trên vai cột của nhà xưởng. Cơ cấu di chuyển của cầu trục một dầm thường dùng phương án dẫn động chung. Phía trên dầm chữ I là dàn thép 4 đặt trong mặt phẳng ngang để đảm bảo độ cứng cần thiết theo phương ngang để đảm bảo độ cứng cần thiết theo phương ngang của dầm cầu. Pa lăng điện 3 có thể chạy dọc theo các cánh thép phía dưới của dầm chữ I nhờ cơ cấu di chuyển palăng. Cabin điều khiển 2 được treo vào phần kết cấu chịu lực của cầu trục.

Hình 2.16: Cầu trục một dầm
So với cầu trục tựa, cầu trục treo có ưu điểm là có thể làm dầm cầu dài hơn do đó nó có thể phục vụ ở cả phần rìa mép của nhà xưởng, thậm chí có thể chuyển hàng giữa hai nhà xưởng song song. Tuy nhiên, cầu trục treo có chiều cao nâng thấp hơn so với cầu trục tựa. Dầm cầu của cầu trục treo thường là dầm thép chữ I và dùng pa lăng điện chạy dọc theo dầm cầu để nâng hạ vật. Tùy theo khẩu độ của nhà xưởng mà cầu trục treo có thể chạy dọc theo nhà xưởng nhờ hai ray treo (hình 2.17, a) hoặc nhờ nhiều ray treo (hình 2.17, b – loại ba ray treo). Chính vì có thể treo trên nhiều gối mà kết cấu của cầu thép của cầu trục treo nhẹ hơn so với cầu trục tựa và có thể làm dầm cầu có độ dài tương đối lớn (đến 100m). Cơ cấu di chuyển cầu trục treo thường dùng phương án dẫn động riêng: tại mỗi gổi treo có một cơ cấu và kết cấu của nó tương tự như cơ cấu di chuyển palăng điện.

Có thể bạn quan tâm!
-
Sơ Đồ Cơ Cấu Nâng Dẫn Động Bằng Điện -
Vỏ Kích; 2- Thanh Răng; 3- Mũ Kích; 4- Bàn Nâng Phụ; 5 – Tay Quay; 6- Bộ Truyền Bánh Răng; 7 – Trục Dẫn; 8 – Bánh Răng; 9- Bánh Răng Cóc; 10- Cóc Hãm; 11- Đĩa -
Bệ Máy; 2- Tang Cuốn Cáp; 3- Hộp Giảm Tốc; 4- Tay Gạt Điều Khiển; -
Gối Tựa Trên Và Dưới; 2- Cơ Cấu Nâng; 3- Thanh Giằng Cứng; 4- Palăng Nâng Vật; 5- Cần; 6- Cơ Cấu Quay -
Tính Toán Kết Cấu Kim Loại Trong Cần Trục Thông Dụng -
Đặc Tính Một Số Vật Liệu Vận Chuyển
Xem toàn bộ 159 trang tài liệu này.
Hình 2.17: Cầu trục treo
a) Loại hai ray treo; b) Loại ba ray treo
Kích thước dầm thép chữ I của cầu trục một dầm được chọn từ điều kiện bền theo tải trọng nâng, khẩu độ và điều kiện để pa lăng điện có thể di chuyển dọc theo các cánh dưới của dầm. Ngoài ra, cần phải đảm bảo độ cứng theo phương ngang của dầm cầu. Các sơ đồ cấu tạo dầm cầu của cầu trục một dầm cho ở hình 2.18.
Trong trường hợp cầu trục có khẩu độ nhỏ, phương án đơn giản nhất để đảm bảo độ cứng theo phương ngang của dầm cầu là hàn thêm các thanh giằng ở một bên (hình 2.18, a) hoặc cả hai bên dầm cầu (hình 2.18, b). Khoảng cách α giữa các điểm liên kết thanh giằng không được vượt quá 250. Trong trường hợp thanh giằng không đảm bảo độ cứng do dầm có khẩu độ lớn thì có thể dùng dàn tăng cứng ở một bên (hình 2.18, c) hoặc cả hai bên dầm cầu (hình 2.18, d). Để tăng khả năng mang tải của dầm cầu, có thể hàn thêm các dải thép ở phía trên và dưới dầm (hình 2.18, e) hoặc hàn thêm thép chữ U (hình 2.18, f). Khi dầm cầu có khẩu độ lớn, người ta có thể dùng hai tấm chữ I chồng lên nhau và liên kết bằng bulông hoặc đinh tán. Dầm cuối của cầu trục một dầm có thể làm dạng hộp hoặc làm từ hai thanh thép chữ U.

Hình 2.18: Dầm cầu của cầu trục một dầm
Trên hình 2.19 là hình chung của cầu hai dầm. Hai đầu của các dầm chính 11 được liên kết cứng với các dầm cuối 4 tạo thành một khung cứng trong mặt phẳng ngang, đảm bảo độ cứng cần thiết của kết cấu thép theo phương đứng và phương ngang. Trên dầm cuối có lắp các bánh xe di chuyển 3 chạy tren ray 2 đặt dọc theo nhà xưởng trên các vai cột. Khoảng chách theo phương ngang giữa tâm các ray 2 được gọi là khẩu độ của cầu trục.
Chạy dọc theo các đường ray trên dầm chính là xe con 8. Trên xe con đặt cơ cấu nâng 7, cơ cấu di chuyển xe con 12. Tùy theo công dụng của cầu trục mà trên xe con có một hoặc hai cơ cấu nâng. Trường hợp có hai cơ cấu nâng thì cơ cấu 7 được gọi là cơ cấu nâng chính còn cơ cấu nâng phụ 6 có tải trọng nhỏ hơn. Cơ cấu di chuyển cầu trục 13 được đặt trên kết cấu dầm cầu. Ca bin điều khiển 1 được treo phía dưới dầm cầu. Nguồn điện cung cấp cho động cơ của các cơ cấu được lấy từ đường điện chạy dọc theo nhà xưởng và sàn đứng 10 dùng để phục vụ cho việc kiểm tra, bảo trì đường điện này. Cáp điện 5 được treo trên dây 9 để cấp điện cho các động cơ đặt trên xe con. Ngoài ra trên phần kết cấu thép của cầu trục còn có phần sàn đứng với lan can để có thể đi lại khi kiểm tra, bảo trì, sửa chữa.
Dầm chính của cầu trục hai dầm được chế tạo dưới dạng hộp hoặc dàn không gian. Dầm dàn không gian tuy có nhẹ hơn dầm hộp song khó chế tạo và thường chỉ dùng cho cầu trục có tải trọng nâng và khẩu độ lớn. Dầm cuối của cầu trục hai dầm thường được làm dưới dạng hộp và liên kết với các dầm chính bằng bulông hoặc hàn.

Hình 2.19: Cầu trục hai dầm
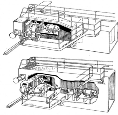
Cơ cấu di chuyển cầu trục có thể thực hiện theo hai phương án: dẫn động chung và dẫn động riêng. Trong phương án dẫn động chung, động cơ dẫn động được đặt ở khoảng giữa dầm cầu và truyền chuyển động tới các bánh xe chủ động ở hai bên ray nhờ các trục truyền. Trục truyền có thể là trục quay chậm, quay nhanh và quay trung bình (hình 2.20 a, b, c). Ở phương án dẫn động riêng (hình 2.20, d), mỗi bánh xe hoặc cụm bánh xe chủ động được trang bị một cơ cấu dẫn động.
Cơ cấu di chuyển dẫn động chung với trục truyền quay chậm (hình 2.20, a) gồm động cơ điện 1, hộp giảm tốc 2 và các đạn trục truyền 3 nối với nhau và nối với trục ra của hộp giảm tốc bằng các khớp nối 4. Trục truyền tựa trên các gối đỡ 5 bằng ổ bi. Do phải truyền mô men xoắn lớn nên trục truyền, khớp nối và ổ bị có kích thước rất lớn, đặc biệt khi cầu trục có tải trọng nâng và khẩu độ dầm lớn. Các đoạn trục truyền có thể là trục đặc hoặc trục rỗng. So với trục đặc tương đương, trục rỗng có trọng lượng nhỏ hơn 15 -20%. Phương án này được sử dụng tương đối phổ biến trong các cầu trục có công dụng chung có khẩu độ không lớn, đặc biệt là các cầu trục có kết cấu hàn không gian có thể bố trí dễ dàng các bộ phận của cơ cấu.
Cơ cấu di chuyển dẫn động chung với trục truyền quay trung bình (hình 2.20, b) có trục truyền 3 truyền chuyển động đến bánh răng hở 4. Vì vậy mà mômen xoắn trên trục truyền nhỏ hơn so với trục truyền chậm và kích thước của nó cũng nhỏ hơn.
Cơ cấu di chuyển dẫn động chung với trục truyền quay nhanh (hình 2.20, c) có trục truyền 2 được nối trực tiếp với trục động cơ và vì vậy nó có đường kính nhỏ hơn 2-3 lần và trọng lượng nhỏ hơn 4- 6 lần so với trục truyền quay chậm. Tuy nhiên, do quay nhanh mà nó đòi hỏi chế tạo và lắp ráp chính xác.

Hình 2.20: Các phương án dẫn động cơ cấu di chuyển cầu trục
Cơ cấu di chuyển dẫn động riêng (hình 2.20, d) gồm hai cơ cấu như nhau dẫn động cho các bánh xe chủ động ở mỗi bên ray riêng biệt. Công suất mỗi động cơ thường lấy bằng 60% tổng công suất yêu cầu. Phương án này tuy có sự xô lệch dầm cầu khi di chuyển do lực cản ở hai bên ray không đều song do gọn nhẹ, dễ lắp đặt, sử dụng và bảo dưỡng mà ngày càng được sử dụng phổ biến hơn, đặc biệt là trong những cầu trục có khẩu độ trên 15m. Trên hình 2.21 là hình chung của các cơ cấu di chuyển dẫn động riêng đặt trên kết cầu thép của dầm cầu.
Trên xe con của cầu trục có các cơ cấu nâng vật và cơ cấu di chuyển xe con. Trên hình 2.22 là hình chung xe con của cầu trục với móc treo và gầu ngoạm. Xe con cầu trục với gầu ngoạm khác với loại dùng móc treo ở chỗ nó có tốc độ nâng hạ gầu lớn hơn để lưỡi gầu có thể ăn sâu vào đống vật liệu và tăng năng suất.
Để đảm bảo cho xe con có thể di chuyển tốt trên dầm cầu, các cơ cấu đặt trên nó phải được sắp đặt sao cho lực nén lên các bánh xe của nó tương đối đều nhau cả khi có tải và không tải. Độ chênh lực nén bánh xe di chuyển xe con thường không được
vượt quá 20%. Cơ cấu nâng của cầu trục thường dùng tang kép có xẻ rãnh với palăng kép. Cơ cấu di chuyển xe con thường dùng hộp giảm tốc đứng và dẫn động chung cho cả hai bên ray đặt trên các dầm cầu. Sơ đồ dẫn động các cơ cấu trên xe con của cầu trục cho ở hình 2.23

Hình 2.21: Cơ cấu di chuyển cầu trục dẫn động riêng

Hình 2.22: Xe con của cầu trục
a) Với móc treo; b) Với gầu ngoạm

Hình 2.23: Sơ đồ dẫn động các cơ cấu trên xe con
a) Cơ cấu nâng với móc treo; b) Cơ cấu nâng với gầu ngoạm;
c) Cơ cấu di chuyển xe con
c. Đặc điểm tính toán cầu trục
* Trình tự tính toán chung cầu trục
Cầu trục được tính toán, thiết kế theo các bước tính toán chung như sau:
- Xác định các thông số cơ bản của cầu trục như tải trọng nâng, chiều cao nâng, khẩu độ dầm cầu, các tốc độ nâng hạ vật, di chuyển cầu trục, di chuyển xe con, chế dộ làm việc và các điều kiện làm việc cụ thể của cầu trục (môi trường làm việc, loại hàng cần bốc dỡ, …). Từ các thông số cơ bản và điều kiện làm việc cụ thể của cầu trục, ta có thể phân tích và chọn phương án thiết kế.
- Xác định các kích thước hình học của các bộ phận trên cầu trục và tải trọng tính toán.
Các kích thước hình học và trọng lượng bản thân các bọ phận của cầu trục có thể xác định sơ bộ theo các công thức kinh nghiệm hoặc từ các loại cầu trục đã có tương đương. Các thông số này được kiểm tra chính xác lại sau khi thiết kế cầu trục.
Ngoài trọng lượng bản thân, các tải trọng tác dụng lên cầu trục cần xác định là: trọng lượng vật nâng cùng thiết bị mang vật, các tải trọng do dốc, quán tính và các tải trọng đặc biệt khác như tải trọng lắp dựng, động đất, … Tải trọng gió cần được tính toán theo các phương pháp khác nhau và với áp lực gió trong điều kiện làm việc bình thường, áp lực gió lớn nhất trong điều kiện làm việc và áp lực gió trong trạng thái không làm việc nếu cầu trục hoạt động ngoài trời.
Xác định lực nén bánh xe của các bánh xe di chuyển cầu trục và di chuyển xe
con.
- Xác định các vị trí tính toán và tổ hợp tải trọng. Các vị trí tính toán và
tổ hợp tải trọng phải được xây dựng phù hợp với quá trình làm việc của bộ phận hay chi tiết được tính.
- Thiết kế các cơ cấu công tác của cầu trục như cơ cấu nâng cùng thiết bị mang vật, cơ cấu di chuyển xe con và cầu trục.
- Tính toán kết cấu thép của cầu trục và các chi tiết liên kết giữa các bộ phận của cầu trục.
- Thiết kế hệ thống điện điều khiển cho các cơ cấu công tác, hệ thống điện chiếu sáng và thiết kế cabin điều khiển (nếu có).
- Thiết kế các thiết bị an toàn cơ – điện của cầu trục như thiết bị hạn chế tải trọng nâng, thiết bị hạn chế chiều cao nâng, các công tác hạn chế hành trình di chuyển của cầu trục và xe con, các giảm chấn và thiết bị kẹp ray nếu cầu trục làm việc ngoài trời.
Nội dung các bước tính toán trên được giới thiệu ở các chương trước của bài giảng này và các tài liệu chuyên ngành khác về trang bị điện, kết cấu thép máy nâng.
Sau đây xin giới thiệu một số đặc điểm tính toán riêng của cầu trục
* Xác định khoảng cách giữa các bánh xe di chuyển cầu trục trên dầm cuối
Xét cầu trục tựa trên bốn bánh xe di chuyển A, B, C, D có khẩu độ L (hình 2.24). Ta cần xác định khoảng cách E giữa các bánh xe trên dầm cuối.
Do khẩu độ L lớn hơn nhiều lần so với khoảng cách E và lực cản không đều ở hai bên ray cùng các nguyên nhân do chế tạo, lắp đặt và dẫn động mà có thể xảy ra hiện tượng cầu trục đang chạy thì một bên bị xô lệch. Hiện tượng đó làm cho thành bánh xe tiếp xúc với cạnh đường ray sinh ra lực cản phụ W, là tăng tải trọng tác dụng lên cầu trục. Để thắng lực cản phụ đó, động cơ dẫn động phải phát sinh thêm lực dẫn
động bằng W và lực dẫn động này được phân đều cho hai bên ray, mỗi bên W .
2

Hình 2.24: Sơ đồ cầu trục để xác định khoảng cách E
Như vậy nếu bên bị xô lệch là bên ray AB thì tại đây có lực cản phụ W và lực
dẫn động W
2
và do vậy vẫn tồn tại lực cản phụ W
2
tác dụng ngược chiều chuyển
động. Bên ray không bị xô lệch CD được tăng thêm lực dẫn động W
2
theo chiều
chuyển động. Các lực ở hai bên ray ngược chiều nhau tạo thành mô men xô lệch






