1.2.2.2 Bình chứa khí

Không khí sau khi được máy nén khí ép lại có sự dao động rất lớn về áp lực, do đó nhất thiết phải có bình chứa khí để tạo ra áp lực không đổi trong quá trình phun kim loại. Thể tích của bình chứa khí tuỳ theo lưu lượng của máy nén khí để đạt được sự cân bằng độ thay đổi của áp suất.
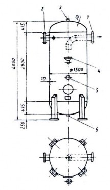
Trên hình 1.9 cung cấp kích thước chủ yếu của các bình chứa khí dùng cho phun kim loại. Các loại bình này khi đưa vào sử dụng ở phân xưởng, vv…phải được đăng kiểm cấp bộ.
Thể tích bình được xác định theo
công thức kinh nghiệm sau:
3.V
Vt (1.1) Hình 1.9. Bình chứa khí
Trong đó: Vt - thể tích của bình chứa khí (m3) V – lưu lượng máy nén khí (m3/P)
Dựa theo công thức (1) đó, người ta đã thiết kế và chế tạo một số bình chứa khí có kích thước theo bảng 1.3.
Có thể bạn quan tâm!
-
Hàn đắp và phun phủ - 1 -
Hàn đắp và phun phủ - 2 -
Sự Hình Thành Lớp Phủ Và Cấu Trúc Kim Loại Lớp Phủ -
Lực Dính Bám Của Hạt Kim Loại Lỏng L Ên Bề Mặt Các Chất Rắn -
Ảnh Hưởng Của Trạng Thái Bề Mặt Cơ Sở (Nền)
Xem toàn bộ 143 trang tài liệu này.
Bảng 1.3. Kích thước các bình chứa khí áp lực 6 – 8 kG/cm2

1.2.2.3 Nguồn điện để phun phủ
Nguồn điện dùng cho quá trình phun có thể là nguồn điện một chiều hoặc xoay
chiều, máy phat điện hàn một chiều, máy hàn chỉnh lưu…
Thực nghiệm đã xác định ảnh hưởng của nguồn đến quá trình làm việc của đầu
phun cũng như đến chất lượng của lớp phun.
Với nguồn điện một chiều: nếu sử dụng đầu phun có tốc độ đẩy dây không đổi thì quá trình làm việc sẽ ổn định hồ quang khi sử dụng nguồn điện có đặc tính ngoài phẳng hoặc thoải đường 1; 2 (hình 1. 10).
Với loại đầu phun này thì điều này cũng đúng cho cả nguồn xoay ch iều. Nếu máy có đặc tuyến dốc (3) sẽ không bảo đảm được sự gia tăng lớn về cường độ dòng điện. Vì thế sự phóng tia lửa điện hồ quang khi chập mạch rất khó khăn, có khi không xẩy ra được. Vì thế quá trình làm việc của súng phun thường bị gián đoạn.

Nguyên nhân chủ yếu là do tốc độ đẩy dây không đổi, khi chập mạch hai đầu dây phun tiếp tục chạm vào nhau, tiếp xúc với nhau qua một tiết diện lớn. Vì thế để có thể phóng được tia lửa điện, cần phải có một sự gia tăng cường độ dòng điện lớn. Nguồn điện có đặc tuyến phẳng (1) cho phép khắc phục được vấn đề đó.
Hình 1.10. Các đặc tính ngoài máy hàn
Đối với loại súng phun mà tốc độ đẩy dây thay đổi theo điện áp hồ quang, thì quá trình phun được ổn định và phù hợp với tất cả các loại nguồn điện. Sự thay đổi độ dài ngọn lửa hồ quang gắn liền với sự thay đổi điện thế của nó.
Khi chiều dài hồ quang ngắn lại, điện thế của nó giảm, tốc độ quay của động cơ đẩy dây cũng giảm theo và do đó tốc độ đẩy dây cũng giảm xuống. Khi chập mạch, điện áp hồ quang giảm tới 0 và do đó tốc độ đẩy dây bằng 0, nên sự phóng tia lửa điện hồ quang được thực hiện dễ dàng. Khi chiều dài hồ quang tăng lên thì điện áp của nó tăng lên do đó tốc độ đẩy dây cũng tăng lên thích ứng và chiều dài hồ quang lại giảm xuống theo yêu cầu.
Nhờ việc làm thay đổi tốc độ đẩy dây theo điện áp hồ quang, có thể sử dụng nguồn điện có đặc tính dốc để phun kim loại.
Với nguồn điện xoay chiều: sử dụng cho phun kim loại ít hơn, ví dụ: phun dây nhôm, dây đồng hoặc hợp kim của nó. Loại nguồn điện xoay chiều thường là ở máy biến thế hàn có đặc tính phẳng. Tuy nhiên chất lượng hợp kim phun bị ảnh hưởng không có lợi.
1.2.2.4 Hệ thống điện và tủ điện điều khiển
Hệ thống điện của máy phun kim loại thông thường gồm 3 bộ phận:
Máy nén khí
Máy hàn một chiều
Tủ điều khiển bao gồm: hệ thống công tắc điều khiển; hệ thống đo lường điện; hệ thống đóng cắt nguồn hàn; hệ thống điều khiển van khí nén; hệ thống điều khiển động cơ đẩy dây của máy phun.
1.2.2.5 Đầu phun
Nguyên tắc chung về phun kim loại là kim loại nóng chảy được phun bằng dò ng khí nén để các phần tử kim loại bay đến đập vào bề mặt chi tiết. Vì vậy để tiến hành phun kim loại phải dùng đầu phun. Ngày nay đã có rất nhiều loại đầu phun để phun kim loại Căn cứ theo nguồn nhiệt để làm chảy kim loại ta có thể phân loại các loại đầu phun thành 3 loại chính:
Đầu phun dùng năng lượng nhiệt của ngọn lửa khí cháy (khí axêtylen và ôxy).
Đầu phun dùng năng lượng điện (hồ quang điện).
Các loại đầu phun đặc biệt
Quá trình phát triển phun kim loại ứng với các loại đầu phun (hình 1.11)

Hình 1.11. Quá trình phát triển phun kim loại
Đầu phun đầu tiên dùng khí cháy là của Schoop phát minh. Ông dùng ngọn lửa khí để đốt chảy dây kim loại, dùng không khí nén để thổi kim loại lỏng và dùng tuabin khí làm cơ cấu dịch chuyển dây phun.
Các loại đầu phun phất triển tiếp theo (hình 1.12)

Hình 1.12. Phân loại các đầu phun
+ Đầu phun bằng điện
Hiện nay đầu phun kim loại dùng năng lượng điện để đốt cháy dây phun kim loại là loại được dùng nhiều. Ở các nước kỹ thuật tiên tiến, các đầu phun bằng điện đã phát triển thành rất nhiều loại đa dạng. Sau đây chúng ta sẽ làm quen với một số loại đầu phun:
+ Đầu phun điện trở
Đầu phun đầu tiên theo nguyên lý dùng điện trở được biểu thị trên hình 1.13

Hình 1.13. Đầu phun điện trở
1.nồi; 2. lò xo điện trở; 3. miệng phun; 4. kim
Sự chảy của kim loại phun được tiến hành trong nồi (1) của đầu phun. Xung quang nồi (1) được đặt lò xo điện trở (2) để đảm bảo cho kim loại trong nồi luôn ở trạng thái lỏng. Nguồn điện ở đây thường dùng là máy biến thế hàn. Ở phía trước của nồi là miệng phun (3), được điều chỉnh khe hở phun bằng kim (4). Khi mở miệng phun, kim loại sẽ được chảy qua. Kim loại sẽ được phun do dòng khí nén chạy dọc phía thành ngoài của ống. Dây được chuyển trong ống than chì đến miệng phun. Ống điện trở được đặt sát ngay trước miệng phun, như vậy dây phun sẽ được nung nóng và chảy lỏng ở đây. Sự phun sẽ được thực hiện bằng dòng khí nén.
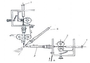
+ Đầu phun hồ quang điện
Đầu phun hồ quang điện được sử dụng rộng rãi và có công suất lớn. Nguyên lý làm việc của nó như hình 1.1 4. Hai dây (1) (điện cực) được chuyển dịch bằng cặp bánh xe (3) đi vào ống dẫn hướng (2) đến vị trí tiếp xúc với nhau. Vòi phun khí nén
(4) được bố trí giữa hai điện cực.

Hình 1.14. Đầu phun hồ quang điện

Hình 1.15. Thiết bị phun hồ quang điện
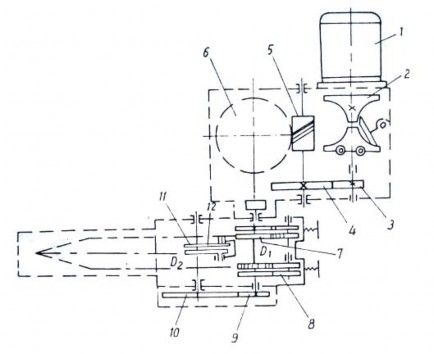
Hiện nay có rất nhiều loại đầu phun hồ quang điện như: эM 3A, эM 3A, эM 3A, эM 3A, của Liên bang Nga, S. J -54, EMP-2-57, ...của Tiệp Khắc (cũ); OSU- HESSLER-300A-ROTARY (của Đức). Các loại đầu phun hồ quang điện với 3 điện cực để phun đồng thời hai-ba vật liệu phun. Hình 1.16 là nguyên lý làm việc của đầu phun hồ quang điện 3 điện cực эM -6 của Liên bang Nga.
Động cơ điện (1) được bố trí thẳng đứng truyền chuyển động cho bộ truyền ma sát vô cấp (2), qua bộ truyền bánh răng (3) và (4) và các bộ truyền bánh răng khác làm các trục D1 và D2 quay, tức là làm các bộ con lăn quay và làm dịch chuyển dây phun với cùng vận tốc như nhau. Đối với dòng phun này dùng dòng điện ba pha.

Hình 1.16. Sơ đồ đầu phun эM
2. Đầu phun bằng ngọn lửa khí cháy
Các đầu phun kiểu ngọn lửa khí đều sử dụng ngọn lửa hỗn hợp khí từ các khí cháy khác nhau với ôxy như axêtylen, mêtan, prôpan-butan, khí thiên nhiên, khí dầu hoả, vv...Trong đó đại đa số các đầu phun dùng ngọn lửa axêtylen và ôxy, ngọn lửa này cho nhiệt độ cao nhất, vì vậy nó có thể phun với vật liệu có nhiệt độ chảy cao đến 28000C.
Các loại đầu phun bằng khí cháy như MҐИ -1 của Nga, loại GPM-L2 của Ba Lan, đầu phun AD-1 của Tiệp Khắc (cũ), đầu phun ROTOTEC-80 của Thuỵ Sỹ, đầu phun FONTAR-ZJET của cộng hoà Liên bang Đức. Nói chung các loại đầu phun này đều là loại đầu phun cầm tay và có thể dùng để phun với các loại vật liệu phun, đặc biệt là kim loại màu ở dạng dây hoặc bột. Hỗn hợp khí cháy là loại axêtylen hoặc prôpan với ôxy. Ngọn lửa khí cháy làm chảy dây hoặc bột kim loại trên miệng vòi phun. Sau đó kim loại được phun bằng dòng khí nén hoặc dòng ôxy (hình 1.17 và 1.18). Cơ cấu dịch chuyển dây phun của đầu phun này đều được thực hiện từ chuyển động của tuabin k hí nén qua bộ truyền khí.

Hình 1.17. Thiết bị phun khí cháy
a)Vật liệu dây b) Vật liệu bột

Hình 1.18. Sơ đồ súng phun khí-bột kim loại ROTOTEC-80 (Thuỵ Sỹ)
1-bột phun; 2- miệng phun; 3- chốt điều chỉnh lượng bột
4- buồng khí C2H2; 5-buồng hỗn hợp khí cháy; 6- lỗ dẫn bột;
7- cửa dẫn ôxy; 8- cửa dẫn C2H2; 9- cần điều khiển phun.
Các loại đầu phun hiện nay có rất nhiều (bảng 1.4) tuy nhiên chúng vẫn chưa đáp ứng được những yêu cầu đòi hỏi cao của kỹ thuật. Phương hướng thiết kế các đầu phun hiện nay theo các điều kiện sau:
Đầu phun phải làm việc được với mọi phạm vi thời gian của công việc, tứ c là có thể tắt hoặc gây hồ quang thường xuyên mà vẫn đảm bảo an toàn.
Đầu phun có cấu tạo từ các chi tiết chịu mài mòn cao chủ yếu là bộ truyền dây và đầu dẫn hướng .
Đầu phun làm việc ổn định với các thông số phun trong thời gian dài Đầu phun có chùm tia phun tập trung.
Đầu phun có sự tiêu hao khí nén là ít nhất.
Đầu phun cho cấu trúc lớp phủ chất lượng tốt nhất.
Đầu phun có thể tự động điều chỉnh dòng điện và áp lực khí nhỏ, các cơ cấu được tự động hoặc cơ khí hoá.
Bảng 1.4. Một số loại đầu phun kim loại

3. Đầu phun plasma
Nguyên lý phun phủ plasma là dùng nguồn nhiệt plasma để làm chảy vật liệu bột và áp lực khí thổi các hạt phun lên bề mặt chi tiết phun. Nhiệt độ của tâm nguồn nhiệt plasma rất cao có thể đạt tới 60000C do đó phun phủ plasma có thể phun phủ được tất cả các vật liệu (hình 1.19)

Hình 1.19. Nguyên lý phun phủ plasma


Hình 1.20. Kết cấu một số đầu phun plasma





