- Điều hành và xem xét lại dự án: người quản lý phải giám sát quy trình thực hiện dự án, so sánh quy trình và chi phí thực tế với kế hoạch đã định. Nếu điều hành tốt, người quản lý dự án có thể phát hiện và khắc phục được những rủi ro tiềm tàng.
- Lựa chọn và đánh giá cá nhân. Việc lựa chọn nhân viên thích hợp cho một dự án là rất khó khăn. Khi lựa chọn đội dự án, người quản lý dự án có thể gặp phải một số vấn đề sau: ngân sách của dự án không đủ để trả cho những nhân viên có mức lương cao, không có được những nhân viên có kinh nghiệm và trình độ thích hợp, tổ chức muốn chỉ định một số nhân viên mới tham gia vào dự án ...
- Viết báo cáo và trình bày.
3.4. Lập kế hoạch dự án
3.4.1. Mục đích của lập kế hoạch dự án
Mục đích của kế hoạch dự án là lập khung thời gian cho việc triển khai của tất cả dự án, qua đó các cán bộ quản lý điều phối được công việc đúng tiến độ, theo dòi được việc thực hiện và điều chỉnh các nguồn lực hợp lý khi cần thiết.
Cần xác định lập kế hoạch là việc không thể thiếu được, cho dù dự án là phức tạp hay đơn giản, thời gian thực hiện nhanh hay chậm. Việc lập kế hoạch nghiêm túc thể hiện sự cam kết thực hiện dự án đúng thời hạn, có chất lượng của tất cả các bên liên quan.
Đối với các dự án có hợp đồng, Quản trị viên lập kế hoạch và duy trì tiến độ trên cơ sở pháp lý của hợp đồng, thể hiện trong điều khoản thời hạn thực hiện, hoặc các phụ lục tiến độ triển khai. Căn cứ để lập kế hoạch dự án và tiến độ đối với các dự án chưa có hợp đồng là quyết định khởi động dự án và các thông tin liên quan như các yêu cầu của khách hàng, các giải pháp được khách hàng lựa chọn, các biên bản họp,...
Từ phạm vi công việc được xác định trong hợp đồng hoặc quyết định khởi động dự án, quản trị viên cần đánh giá được tương đối chính xác chi phí (người, thời gian, tiền, công cụ,...) cho dự án một cách tổng thể và cho các giai đoạn, thể hiện qua bản đánh giá chi phí dự án (bao nhiêu nhân lực, vật lực, tài lực được huy động phục vụ dự án). Việc đánh giá đúng chi phí dự án giúp cho việc lập kế hoạch được chính xác, giúp cho việc điều động cán bộ được hợp lý (bao nhiêu người, trình độ ra sao,..).
Có thể bạn quan tâm!
-
Tính Đối Xứng Và Đầy Đủ Chức Năng -
Các Phép Đánh Giá Tính Thỏa Mãn -
Định Nghĩa Quản Lý Dự Án Phần Mềm -
Lựa Chọn Chiến Lược Cài Đặt -
Công nghệ phần mềm - Phạm Hùng Phú, Nguyễn Văn Thẩm Biên soạn - 12 -
Mô Hình Xoắn Ốc Của Quy Trình Xác Định Yêu Cầu
Xem toàn bộ 305 trang tài liệu này.
Kế hoạch được lên đầy đủ cho các giai đoạn của dự án (kế hoạch chung). Mỗi giai đoạn của dự án có kế hoạch chi tiết (kế hoạch riêng). Mỗi kế hoạch (chung và riêng) có đầy đủ các phần: các đầu việc, thời gian tiến độ, ai thực hiện và ai quản lý, các nguồn lực như tài chính, vật tư cần được huy động, thực hiện ở đâu, kết quả trông đợi là gì, trạng thái mô tả phần việc tương ứng được thực hiện đến đâu...., cho mỗi đầu việc đó. Kế hoạch chi tiết cho giai đoạn sau bắt buộc phải được lập khi kết thúc giai đoạn trước và là một sản phẩm bắt buộc của giai đoạn trước. Kế hoạch chi tiếp giai đoạn sau có thể đưa vào thành một phần của báo cáo tổng kết giai đoạn trước.
Kế hoạch (chung hay riêng) và các lịch làm việc cần được thông báo đầy đủ tới các cán bộ, đơn vị liên quan và tới khách hàng. Phần kế hoạch liên quan tới khách hàng cần được sự thống nhất (phê duyệt) bằng văn bản, email của khách hàng.
Chấp nhận kế hoạch có thể bị thay đổi trong quá trình thực hiện. Việc thay đổi cần phải bảo đảm tính pháp lý của hợp đồng, được đồng bộ giữa các kế hoạch chung và riêng và được báo cáo lên cấp quản lý. Phần thay đổi liên quan tới cán bộ của đội dự án, tới khách hàng phải được thông báo đầy đủ tới họ, những thay đổi lớn cần có sự thống nhất của khách hàng bằng văn bản. Nếu cần, đánh giá lại chi phí dự án.
3.4.2. Xây dựng tài liệu kế hoạch dự án
Tài liệu kế hoạch dự án được quản trị viên dự án lập sau khi có quyết định khởi động dự án. Quá trình xây dựng tài liệu kế hoạch dự án thực chất là quá trình chuẩn bị dự án. Không nên coi việc xây dựng tài liệu kế hoạch dự án là một công việc hình thức. Các kết quả của việc chuẩn bị dự án phải được hệ thống hoá lại và thể hiện trong bản kế hoạch dự án.
Kế hoạch dự án được xây dựng dựa trên biểu mẫu định sẵn tùy thuộc vào từng công ty phát triển phần mềm. Kế hoạch dự án có thể không cần có đủ tất cả các mục trong biểu mẫu này ngay từ phiên bản đầu được phê duyệt. Trong các trường hợp đó, người lập ghi NA vào những mục không thể hiện được. Tuy nhiên, bản kế hoạch đầy đủ các mục (trừ những mục dự án không có) phải được hoàn thành sau khi phiên bản đầu của tài liệu đặc tả các yêu cầu của người sử dụng được phê duyệt. Cán bộ chất lượng dự án có trách nhiệm kiểm tra và đảm bảo rằng kế hoạch dự án đã phản ánh đầy đủ các nội dung cần thiết đối với dự án.
Khi cần thiết, quản trị viên dự án có thể thay đổi các biểu mẫu cho phù hợp với điều kiện cụ thể của từng dự án nhưng phải được sự đồng ý của cán bộ phụ trách chất lượng đơn vị. Việc thay đổi này phải được xác định trong bản kế hoạch chất lượng.
Tuỳ theo qui mô và độ phức tạp của dự án mà kế hoạch dự án có thể có các phụ lục kèm theo hay không. Những phần của kế hoạch dự án có chu kỳ thay đổi nhanh nên được đưa thành phụ lục để tránh phải cập nhật các thay đổi nhiều lần.
Việc hiệu chỉnh kế hoạch dự án do các thay đổi diễn ra trong quá trình thực hiện dự án được tiến hành dưới các hình thức khác nhau phụ thuộc vào qui mô và tác động của các thay đổi này đến việc hoàn thành các mục tiêu, nhiệm vụ của dự án:
Các hiệu chỉnh nhỏ được thực hiện đối với các trường hợp thay đổi có tác động nhỏ. Khi có các hiệu chỉnh này không nhất thiết phải cập nhật lại kế hoạch dự án. Các bằng chứng hiệu chỉnh có thể là các biên bản họp dự án hoặc các báo cáo hoặc các phụ lục của kế hoạch dự án được cấp có thẩm quyền phê duyệt.
Các hiệu chỉnh lớn được thực hiện đối với các trường hợp thay đổi có tác động lớn. Các hiệu chỉnh trong trường hợp này bắt buộc phải được cập nhật vào tài liệu kế hoạch
dự án. Các thay đổi có tác động lớn là các thay đổi có thể làm ảnh hưởng đáng kể đến việc đạt được các mục tiêu và các mốc kiểm soát chính của dự án. Các hiệu chỉnh lớn trong bản kế hoạch dự án nên thực hiện vào thời điểm kết thúc các giai đoạn.
Lập kế hoạch dự án có thể là hoạt động tốn nhiều thời gian nhất trong quá trình quản lý dự án. Nó liệt kê các hành động từ pha khởi tạo cho đến khi đưa ra được hệ thống. Kế hoạch phải được theo dòi thường xuyên, nhất là khi có những thông tin hoặc những yêu cầu mới xuất hiện.
Trong quá trình thực hiện dự án, chúng ta có nhiều loại kế hoạch được xây dựng để hỗ trợ cho kế hoạch chính của dự án phần mềm như: kế hoạch chất lượng, kế hoạch thẩm tra, kế hoạch quản lý cấu hình, kế hoạch bảo trì, kế hoạch phát triển nhân sự …
Cấu trúc của bản kế hoạch dự án gồm:
- Phần giới thiệu: mô tả các mục tiêu của dự án và các ràng buộc gây ảnh hưởng tới việc quản lý dự án.
- Tổ chức dự án: mô tả cách tổ chức của đội dự án, bao gồm những ai và những nhiệm vụ gì.
- Phân tích rủi ro: mô tả những rủi ro có thể xảy ra, dự báo khi nào chúng xảy ra và đề xuất chiến lược giảm rủi ro.
- Các yêu cầu về tài nguyên phần cứng và phần mềm: xác định những phần cứng và phần mềm nào cần thiết cho quá trình thực hiện dự án.
- Bảng thống kế công việc: xác định các công việc, từng mốc thời gian và kết quả của từng công việc.
- Lịch biểu của dự án: lịch biểu cho thấy sự phụ thuộc giữa các hành động, thời gian ước tính để đạt tới mốc và phân công công việc cho từng người. Mốc là điểm cuối của một hành động trong quy trình. Ví dụ, trong mô hình thác nước cho phép ta định nghĩa các mốc của tiến trình một cách rò ràng.
- Các kỹ thuật điều hành và báo cáo
Các nhiệm vụ trong lập kế hoạch dự án thường bao gồm:
- Do tất cả các tài liệu, kế họach và công việc của nhóm là phụ thuộc vào người sử dụng, do vậy tổ chức này bao gồm người quản lý, người sử dụng, kiểm toán,...phải đưa các kiến thức chuyên ngành của mình vào những tài liệu ứng dụng một cách thích hợp.
- Cần đạt được sự đồng ý, cam kết từ các ngành, phòng ban bên ngoài trong quá trình cung cấp tài liệu. Bên cạnh đó, bộ phận đảm bảo chất lượng phải xem xét để tìm ra các sai sót và không đồng nhất của tài liệu và tất cả các hoạt động này đều phải đạt kế hoạch.
- Xác định các đòi hỏi về giao diện ứng dụng.
- Đánh giá khối lượng công việc. Thời gian cho mỗi công việc phụ thuộc vào tính phức tạp và mục tiêu của nó - có ba loại thời gian cần tính đến: thời gian bi quan (P),
thời gian thực tế (R), thời gian lạc quan (O). Thời gian lịch trình được tính = (O+2R+P)/4
- Vấn đề tiếp theo là xác định kỹ năng và kinh nghiệm cần có của người thi hành nhiệm vụ để xác định dùng bao nhiêu người và có kỹ năng gì cho dự án. Sau đó xác định lịch trình làm việc và người quản trị dự án xác định ngân sách. Ở đây cần có sự trao đổi để hạn chế các trục trặc có thể xảy ra.
Sau khi hoàn tất, kế hoạch, lịch trình và dự toán ngân sách được đưa cho người sử dụng và người quản lý hệ thống để bổ sung hoặc thông qua.
Chú ý rằng bản kế hoạch không nên đóng cứng, nó có thể thay đổi khi công đoạn nào đó có sự cố xảy ra hoặc thời hạn tỏ ra không phù hợp hay có những thay đổi quan trọng trong mục tiêu của dự án.
3.4.3. Thông tin chung về dự án
Quản trị viên cần thể hiện các thông tin chung về dự án như khách hàng, mục tiêu và phạm vi của dự án, thời hạn triển khai trong kế hoạch dự án. Các thông tin này cần được phổ biến đến các thành viên của dự án dưới các hình thức thích hợp như họp dự án, tài liệu giới thiệu dự án,...
Các sản phẩm của dự án cần bàn giao cho khách hàng cần phải được liệt kê đầy đủ trong kế hoạch dự án bao gồm các thông tin như tên sản phẩm, địa điểm giao nhận, thời hạn bàn giao. Cần lưu ý chỉ đưa vào kế hoạch dự án các sản phẩm có bằng chứng yêu cầu rò ràng. Thông thường các thông tin về sản phẩm có trong hợp đồng với khách hàng. Đối với các dự án khởi động trước khi có hợp đồng với khách hàng các thông tin về sản phẩm cần bàn giao cho khách hàng được đề cập qua các trao đổi bằng mail hay biên bản họp với khách hàng. Với những trường hợp này các thông tin về sản phẩm phải được xác nhận rò ràng trong Quyết định khởi động dự án.
Các giả thiết được sử dụng khi lập kế hoạch dự án cần được nêu rò để các cấp lãnh đạo nắm vững các yêu cầu của dự án đối với họ. Những giả thuyết thông thường liên quan đến các điều kiện cần thiết để triển khai dự án như đảm bảo nhân lực, đảm bảo trang thiết bị, đảm bảo tài chính. Các ràng buộc chính đối với dự án là các yêu cầu bằng văn bản bắt buộc dự án phải tuân thủ như thời hạn tối hậu của dự án, số cán bộ hoặc ngân sách dành cho dự án tối đa. Thông thường trong hợp đồng với khách hàng có những ràng buộc nhất định đối với dự án. Chỉ những giả thuyết và ràng buộc có tác động lớn đến việc hoàn thành các mục tiêu của dự án mới cần phải đề cập trong phần Giả thuyết và ràng buộc trong bản Kế hoạch dự án. Việc xác định rò ràng các giả thiết và ràng buộc này cho phép Quản trị viên dự án lường trước được các khó khăn và mạo hiểm có thể xảy ra.
3.5. Đánh giá khối lượng và lập lịch dự án
Việc đánh giá khối lượng dự án và lập lịch dự án được thực hiện bởi Quản trị viên dự án. Công việc gồm các bước sau:
- Xây dựng bảng phân rã công việc (Work breakdown structure).
- Xác định các công việc ưu tiên.
- Đánh giá khối lượng và thời gian thực hiện các công việc.
- Lập lịch dự án.
Quá trình đánh giá khối lượng và lập lịch dự án được thực hiện theo nhiều vòng, mỗi vòng bao gồm các bước đã kể trên. Sau mỗi vòng, Quản trị viên dự án so sánh các kết quả mới thu được so với lịch và khối lượng được giao. Nếu có sai lệch lớn thì cần chỉnh sửa lại bảng phân rã công việc hoặc đánh giá từng công việc và lặp lại các bước trên một lần nữa. Công việc này kết thúc khi Quản trị viên dự án có được một lịch làm việc khả thi và phân bổ nhân lực hợp lý đáp ứng các yêu cầu đề ra của dự án.
Trong giai đoạn chuẩn bị dự án nên xác định các đầu việc lớn của dự án và các đầu việc chi tiết của giai đoạn tiếp theo. Trước khi kết thúc mỗi giai đoạn cần xem xét lại các công việc đã thực hiện trong giai đoạn, xác định những việc còn tồn đọng và tiến hành việc xác định các công việc chi tiết cho giai đoạn kế tiếp.
Lịch dự án có thể đưa thành một phụ lục của kế hoạch dự án và được cập nhật sau mỗi giai đoạn dự án.
3.5.1. Xây dựng bảng phân rã công việc
Tư tưởng chính ở đây là phân rã dự án thành các tiểu dự án. Công việc được thực hiện theo một trong các phương pháp sau:
- Theo kiến trúc hệ thống (được xác định trong thiết kế tổng thể).
- Theo chu trình dự án (vi dụ như: khảo sát, phân tích, thiết kế...).
- Theo các nhóm dự án liên quan (trong trường hợp có nhiều nhóm dự án)
- Theo các mốc thời gian (theo các mốc build/release/version)
- Theo vị trí địa lý (thích hợp cho các dự án triển khai)
Quản trị viên dự án có thể phối hợp các phương pháp trên cho các tầng khác nhau của bảng phân rã công việc, ví dụ như ở mức cao nhất thì phân rã theo kiến trúc hệ thống, mức tiếp theo sẽ phân theo chu trình sản phẩm...
Độ chi tiết cần thiết của bảng phân rã công việc đạt được khi các công việc ở mức dưới cùng đòi hỏi thời gian thực hiện không quá 2 tuần/người.
3.5.2. Đánh giá khối lượng và thời gian thực hiện các công việc
- Phương pháp đánh giá bottom-up
+ Xác định thành viên dự án cho từng công việc cụ thể
+ Lấy đánh giá thời gian thực hiện của từng người. Trong trường hợp đánh giá đó lệch quá xa so với đánh giá ban đầu của Quản trị viên dự án, cần xem lại bảng phân rã
công việc và phần mô tả công việc để xem có thể tách công việc thành các việc nhỏ hơn không. Nếu có sự khác nhau lớn giữa đánh giá của Quản trị viên dự án và nhân viên, khối lượng công việc thực tế được quyết định bởi cả nhóm dự án.
+ Giao phần đánh giá của từng thành viên dự án cho một người khác để kiểm tra
lại.
- Phương pháp đánh giá FPA (function point analysis): Việc đánh giá khối lượng
theo phương pháp FPA chỉ được thực hiện khi Quản trị viên dự án đã được đào tạo theo phương pháp này.
- Phương pháp đánh giá dựa trên kinh nghiệm: Bằng kinh nghiệm của các chuyên gia trong bộ phận, trong công ty hoặc các dữ liệu thống kê của các dự án tương tự đã thực hiện, có thể ước tính phân bổ khối lượng và thời gian thực hiện các giai đoạn cho cả dự án.
3.5.3. Lập lịch dự án
Lập lịch dự án là một trong những công việc khó khăn nhất đối với người quản lý dự án. Người quản lý phải chia dự án thành nhiều nhiệm vụ, ước lượng thời gian và tài nguyên cần thiết để hoàn thành từng nhiệm vụ.
Khi lập lịch biểu, người quản lý nên tổ chức các công việc song song để sử dụng tối ưu lực lượng lao động và tối thiểu hoá sự phụ thuộc lẫn nhau giữa các nhiệm vụ để tránh sự chậm trễ khi một nhiệm vụ phải đợi nhiệm vụ khác hoàn thành.

Hình 3.1. Quy trình lập biểu dự án
Chất lượng của lịch biểu phụ thuộc vào hiểu biết và kinh nghiệm của người quản lý. Tuy nhiên, khi lập lịch biểu chúng ta phải chú ý tới các vấn đề sau:
- Việc ước lượng mức độ khó của một vấn đề nào đó và xác định chi phí để giải quyết nó là rất khó khăn.
- Khả năng sản xuất không tương ứng với số lượng người làm việc trong một nhiệm vụ.
- Bổ sung thêm người vào dự án sẽ làm cho nó chậm hơn vì giao tiếp trong dự án trở lên quá tải.
- Những sự việc xảy ra ngoài mong đợi.
Chúng ta sử dụng các ký pháp đồ hoạ để minh hoạ cho lịch biểu của dự án. Sử dụng biểu đồ giúp ta thấy rò cách chia dự án thành nhiều nhiệm vụ. Các nhiệm vụ không nên quá nhỏ, chúng nên được thực hiện trong vòng một hoặc hai tuần.
Các bước lập lịch dự án như sau:
- Xác định mối quan hệ phụ thuộc giữa các công việc.
- Sử dụng một công cụ quản lý dự án (ví dụ như Microsoft Project) để nhập biểu đồ mạng công việc.
- Xác định lịch làm việc (ngày nghỉ, thời gian làm việc hữu ích).
- Sử dụng công cụ để tính lịch hoạt động của dự án.
Ví dụ: Giả sử có một loạt các hoạt động Ti, thời gian thực hiện từng hoạt động và sự phụ thuộc lẫn nhau giữa các hoạt động được liệt kê như bảng dưới đây. Hãy thực hiện các yêu cầu sau:
1. Xây dựng mạng các hoạt động
2. Xây dựng biểu đồ nhằm biểu diễn các hoạt động theo dòng thời gian
3. Xây dựng biểu đồ phân công công việc

Kết quả thực hiện ví dụ
1. Mạng các hoạt động

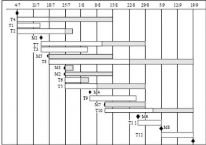
2. Biểu đồ biểu diễn các hoạt động theo dòng thời gian

3. Biểu đồ phân công công việc

3.6. Quản lý công việc và tiến độ
Các công việc tiến hành trong dự án cần được tiến hành bám sát kế hoạch đã được chuẩn bị nhằm bảo đảm kiểm soát được việc tiến hành công việc đến đích, đúng hạn. Mỗi công việc đến lượt mình cũng nên có đầy đủ các bước lập kế hoạch, xem xét phê duyệt, triển khai, theo dòi, tổng kết.
Quản trị viên dự án và các cán bộ của dự án tổ chức tiến hành và kiểm soát công việc trong khung thời gian của kế hoạch dự án. Quản trị viên dự án cần đảm bảo tổ chức được việc nhắc nhở các bên liên quan về kế hoạch (hoặc lịch) trước khi đến hạn một thời gian nhất định nhằm các bên chuẩn bị thực hiện.
Quản trị viên dự án phải xác định được các công việc cần đặt mức ưu tiên cao trong mỗi giai đoạn của dự án. Các mốc kiểm soát chính của dự án trợ giúp cho việc này. Quản trị viên dự án căn cứ vào tình hình thực tế của dự án để tập trung hoặc điều chỉnh các nguồn lực dự án cho việc giải quyết các nhiệm vụ hoặc công việc ưu tiên cao.
Cần xác định các vấn đề khó của dự án (công nghệ mới, khả năng thu tiền, trình độ cán bộ, khả năng phối hợp với khách hàng,...), lập danh sách cùng kế hoạch xử lý






