PHIẾU THỰC HÀNH SỐ 4
SỬA CHỮA VÀ PHỤC HỒI KIM PHUN
I. Mục tiêu:
Sau khi thực hành xong công tác này học viên có thể sửa chữa và phục hồi các loại kim phun bị hư hỏng.
II. Cung cấp:
- Kim phun cần sửa chữa phục hồi
- Thiết bị máy móc phục hồi
- Dụng cụ cần thiết cho quá trình phục hồi
III. Phương pháp thực hiện:
Có thể bạn quan tâm!
-
Bảo dưỡng sửa chữa động cơ diesel - Nghề Công nghệ ô tô Dùng cho trình độ Cao đẳng Phần 1 - 1 -
Bảo dưỡng sửa chữa động cơ diesel - Nghề Công nghệ ô tô Dùng cho trình độ Cao đẳng Phần 1 - 2 -
Bơm Cao Áp Pf Loại Pmy Và Bộ Điều Tốc (Piston Không Có Vạt Xéo) -
Điều Chỉnh Bằng Cách Thêm, Bớt Chêm Ở Mặt Bắt Bơm -
Bộ Phun Sớm Tự Động Gắn Đầu Cốt Bơm Pe
Xem toàn bộ 88 trang tài liệu này.
- Rửa sạch bên ngoài kim phun (lưu ý tránh va chạm đầu vòi phun).
- Tháo rời các chi tiết (phần trên).
- Rửa sạch các chi tiết của kim phun. Súc rửa vòi phun.
- Dùng bàn chải cước bằng thau chải sạch đầu kim phun để tẩy muội than. Có thể dùng lá nhôm hoặc thau mài bén để cạo muội than đóng cứng chặt. Tuyệt đối không dùng lưỡi cưa thép mài bén dùng để cạo, hoặc bàn chải cước thép.
- Dung que kim loại đường kính cỡ 1.5mm thông các mạch dầu đến phòng chứa dầu cao áp của kim phun.
- Dùng nạo bằng thau cạo muội than trong phòng cao áp.
- Dùng cái nạo côn cạo muội than nơi mặt côn của bệ van kim.
- Dùng cây que soi có đường kính thích hợp với lỗ tia để thông lỗ.
- Đối với loại nhiều lỗ tia, dùng cước thép có đường kính vừa lỗ tia thông các lỗ bị nghẹt do muội than gây nên.
Chú ý : Cọng cước chỉ có thể ló ra khỏi cán kẹp độ 2mm để khỏi bị gãy hoặc cong khi thông. Lúc thông lỗ tia không được để cọng cước bị kẹt và gãy trong lỗ tia. Nếu xảy ra kẹt hoặc gãy thì vòi phun vô dụng.
- Đối với loại một lỗ tia, dùng que soi to hơn bằng gỗ cứng, chui từ trong ra, xoay theo chiều qua lại để tẩy hết muội than.
- Lau sạch van kim, kẹp đuôi van kim vào má xoáy kim. Bôi ít mỡ trơn vào miếng nỉ kích thước 100mm x 25mm. Cho máy xoay kim quay. Đặt miếng nỉ lên trên thân van kim. Căng hai đầu miếng nỉ bằng tay đọn di chuyển tới lui từ thân đến mũi van kim cho đến khi tẩy hết vết bẩn và được phẳng.
- Xoáy mặt tiếp xúc giữa đầu ép của thân kim và van kim. Bôi cát xoáy nhuyễn trên mặt phẳng với nhớt. Đặt mặt phẳng cần tháo lên bàn mài. Kềm vững và di chuyển theo hình số 8. Khi mặt xoáy được liền và phẳng thì xoáy lại với nhớt cho thật bóng.
Chú ý : Trước khi xoáy lại với nhớt phải tẩy thật sạch cát xoáy của lần xoáy trước đó. Trường hợp đầu ép của thân kim phun có chốt dẫn hướng ta có nhổ chốt này lên để xoáy phẳng và gắn lại sau khi hoàn tất công tác.
- Xoáy hai mặt côn của van kim và bệ van kim.
- Bắt chuôi kim vào máy xoáy kim.
- Dùng que nhỏ thấm ít cát xoáy bôi vào mũi của van kim.
- Đặt vòi phun vào van kim đến khi hai mặt côn chạm nhau.
- Cho máy xoay đồng thời di động vòi phun ra vào cho mặt được phẳng.
- Tiếp tục công tác trên nhiều lần đến khi hoàn tất.

Rà mặt phẳng theo hình số 8 Xoáy kim trên máy xoáy
- Súc rửa bên trong và ngoài các chi tiết thật sạch và thấm dầu nhớt xoáy lại cho bóng đến khi hoàn tất.
- Kiểm tra các chi tiết khác để sửa chữa hoặc thay thế.
- Lò xo yếu phải thay mới. Cây đẩy cong phải sửa thẳng.
- Đệm kín hư hỏng cần thay mới.
- Rửa sạch các chi tiết và ráp lại.

Hình 2.8: Sửa chữa và phục hồi vòi phun
a: Các dụng cụ sửa chữa b: Chùi sạch van kim c: Chùi đót kim d: Làm sạch đường nhiên liệu trong đót e: Làm sạch phòng chứa van kim g: Thông lỗ tia h: Kiểm tra đường nhiên liệu.
BÀI 2
BƠM CAO ÁP TRONG HỆ THỐNG NHIÊN LIỆU CÁ NHÂN PF
I. Sơ đồ hệ thống nhiên liệu PF

1) Sơ đồ hệ thống
1. Bơm cao áp
2. Oc xả gió
3. Ong cao áp
4. Kim phun
5. Ong dầu về
6. Thùng chứa
7. Khóa dầu
8. Lọc dầu
9. Ong dầu đến bơm
10. Oc xả cặn
Hình 2.1: Sơ đồ hệ thống nhiên liệu PF
2) Công dụng
Bơm cao áp PF có các công dụng sau:
Tiếp nhiên liệu sạch từ thùng chứa đến
Ep nhiên liệu với áp lực cao (150-300 Kg/Cm2) đưa lên kim phun vào trong xi lanh đúng thời điểm.
![]()
Cung cấp nhiên liệu cho động cơ tùy theo yêu cầu hoạt động
II. Cấu tạo và nguyên lý hoạt động bơm cao áp PF.
Bơm cao áp là một bộ phận chính của hệ thống nhiên liệu động cơ diesel.
Cấu tạo gồm các bộ phận sau:
Vỏ bơm được đúc bằng thép hay hợp kim nhôm. Trên có dự trù bệ lắp bơm (lắp đứng hay lắp bên hông). Xung quanh mặt ngoài của bơm có dự trù các lỗ bắt ống dầu vào, dầu về, vít xả gió, vít chặn xi lanh, lỗ xỏ thanh răng, cửa sổ thân bơm.
Bên trong bơm có chứa bộ phận xi lanh, piston là bộ phận chính của bơm cao áp. Piston xilanh ép và định phân nhiên liệu. Ngoài piston là một khâu răng (vành răng) để điều khiển piston xoay nhờ một thanh răng. Piston bơm luôn được đẩy xuống dưới nhờ lò xo hồi vị. Hai đầu lò xo có chén chặn, tất cả được đậy lại nhờ đệm đẩy và khóa lại bên trong vỏ bơm nhờ một khoen chặn.
Phía trên xi lanh là bệ van cao áp, van cao áp và lò xo. Tất cả được giữ trong ốc lục giác. Đầu ốc lục giác phía trên ráp với ống cao áp dẫn dầu đến kim phun.

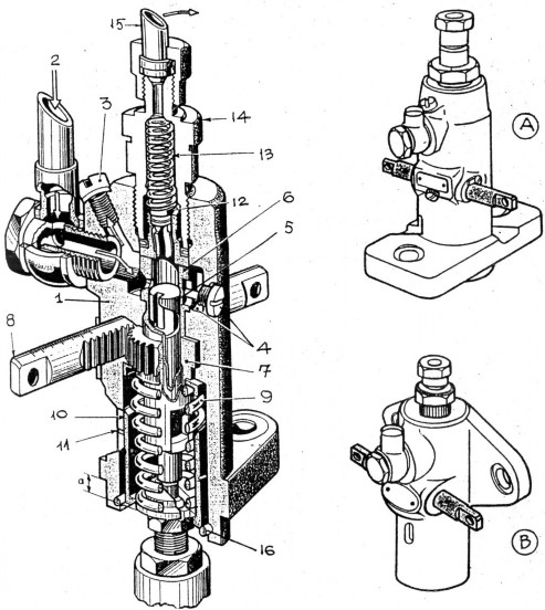
Hình 3.2: cấu tạo bơm cao áp PF
1. Thân bơm 2. ống dầu đến 3. Vít xả gió 4. Vít chặn xilanh 5. Piston 6. Xilanh
7. Vòng răng 8. Thanh răng 9. Lò xo 10. Chụp đệm đẩy 11. Lỗ xem dấu cân bơm
12. Van cao áp 13. Lò xo van 14. Oc lục giác 15. Ong cao áp

1. Đặc điểm cấu tạo Van cao áp
Hình 3.3: van cao áp
A: Loại có piston giảm áp B: lọai 2 van bi
1. Piston giảm áp
2. Dầu cao áp
3. Bệ van
Khi áp lực nhiên liệu tác dụng vào van cao áp cao hơn lực đẩy của lò xo đẩy van cao áp đóng xuống, van bị đẩy lên (ngược chiều lực ép của lò xo) do vậy van mở ra. Nhiên liệu từ buồng nén của piston xilanh phun qua van cao áp đến kim phun qua ống dầu cao áp. Khi chấm dứt phun áp lực nhiên liệu giảm đột ngột, lò xo đẩy van đóng lại. Trong khi đó phần hình trụ phía dưới van đi vào trong bệ làm áp lực dầu trong ống dẫn cao áp giảm đột ngột nhờ vậy kim phun dứt nhanh chóng, tránh tình trạng rỉ dầu nơi đót kim phun. Ngoài ra còn có loại van cao áp hình cầu như viên bi ở đông cơ D6 hoặc SIGMA
Xi lanh bơm: Có 2 lỗ ở đầu, lỗ dầu về ở vị trí vít chặn xi lanh, vít này có nhiệm vụ định vị xilanh không cho xilanh qua lại và chịu áp lực dầu về tránh mòn vỏ trong thân bơm.
Piston bơm: Thường có lằn vạt xéo trên hoặc xéo dưới để phân lượng nhiên liệu. Đuôi piston có 2 tai để ăn ngàm với hai rảnh khoét ở khâu răng, ở rãnh khoét của khâu răng và hai tai của piston điều có dấu để khi lắp không bị nhầm lẫn. Ngoài ra còn có loại piston không có lằn vạt xéo (PMY D6) định lượng bằng van tiết lưu. Loại này không có khâu răng và vòng răng.
Vòng răng và thanh răng: Có nhiệm vụ định lượng nhiên liệu đưa đến kim phun, trên vòng răng và thanh răng đều có dấu , khi ráp phải chú ý cho chúng trùng nhau

Hình 3.4: Các dấu của bơm PF
1. Dấu ở vòng răng và thanh răng 2. Dấu ở đuôi tai piston
3. Dấu ở ống xoay điều khiển piston.
2. Nguyên lý hoạt động:
Khi động cơ làm việc, lúc piston xuống thấp nhất nhiên liệu ở khoan xung quanh nạp vào xilanh bơm bằng cả hai lỗ dầu vào và dầu về. Đến thì phun dầu, cốt cam ở động cơ đẩy piston đi lên ép nhiên liệu trong xi lanh. Piston đi lên án hai lỗ dầu đến và về thì nhiên liệu bắt đầu được ép gọi là thời điểm khởi phun. Khi áp lực dầu tăng cao hơn áp lực lò xo van cao áp thì van cao áp mở ra dầu cao áp được đưa đến kim phun phun vào xilanh động cơ.
Piston tiếp tục đi lên ép nhiên liệu đến khi lằn vạt xéo trên piston hé mở lỗ dầu về, dầu tràn ra ngoài xilanh, thì phun chấm dứt gọi là thời điểm dứt phun. Piston tiếp tục đi lên hết hành trình của nó.

Hình 3.5: Hình nguyên lý làm việc của bơm PF
A: Nạp dầu B: Ep dầu khởi phun C: Dứt phun
Muốn thay đổi tốc độ động cơ ta điều khiển thanh răng xoay piston thay đổi lượng nhiên liệu. Thời gian phun càng lâu, dầu phun vào động cơ càng nhiều, máy chạy càng nhanh. Thời gian phun càng ngắn, dầu phun vào máy càng ít, động cơ quay chậm. Khi xoay piston để rảnh thẳng đứng ngay lỗ dầu về, không ép dầu, không có dầu vào động cơ. Động cơ không hoạt động (vị trí tắt máy)
Lằn vạt xéo có ba loại:
Loại xéo trên: Thời điểm khởi phun thay đổi, dứt phun cố định. Loại xéo dưới: Thời điểm khởi phun cố định, dứt phun thay đổi
Loại vạt xéo cả trên lẫn dưới: Thời điểm khởi phun và dứt phun thay đổi


Xéo trên Xéo dưới Cả trên và dưới Hình 3.6: Các loại lằn vạt xéo trên piston
Hình 3.7: Định lượng nhiên liệu
III. Đặc điểm bơm cao áp





