phần mềm FIX phiên bản 7.0 để quản lý công nghệ khai thác.
Khi áp suất vỉa của các giếng đủ lớn đảm bảo điều kiện tự phun thì các giếng được khai thác ở chế độ tự phun .Theo thời gian thì áp suất vỉa giảm dần và các giếng chuyển sang giai đoạn khai thác thứ cấp: gaslift, bơm điện chìm v.v.
Điều kiện tự phun của giếng dầu:
Pvỉa = ΔP +P đáy + P tt + P tổn hao +Pmiệng. ΔP : tổn hao áp suất vỉa và đáy.
P tổn hao : tổn hao áp suất dòng chảy theo giếng. P đáy : áp suất đáy giếng.
Ptt : áp suất thuỷ tĩnh cột chất lỏng trong giếng.
* Vận hành giếng khai thác tự phun
Có thể bạn quan tâm!
-
Báo cáo thực tập cao đẳng nghề dầu khí - 2 -
Báo cáo thực tập cao đẳng nghề dầu khí - 3 -
Báo cáo thực tập cao đẳng nghề dầu khí - 4 -
Báo cáo thực tập cao đẳng nghề dầu khí - 6 -
Báo cáo thực tập cao đẳng nghề dầu khí - 7 -
Báo cáo thực tập cao đẳng nghề dầu khí - 8
Xem toàn bộ 113 trang tài liệu này.
+ Kiểm tra định kỳ các thông số:
Trong quá trình khai thác người vận hành phải kiểm soát được các thông số làm việc của giếng phù hợp với chế độ công nghệ đã lập và các quy định làm việc của các thiết bị
+ Các thông số công nghệ chính sau đây cần kiểm tra và định kỳ (04 giờ/1lần) và ghi vào sổ theo dòi công nghệ cụ thể như sau:
- Áp suất miệng giếng: Pm.
- Áp suất ngoài cần: P nc phải đảm bảo Pnc< 80 % P thử cột ống chống khai thác .
- Áp suất sau côn: Psc.
- Đường kính côn: Dc(mm)
- Áp suất khoảng không giữa các ống chống 6”*9”, 9”*12”, 12”*16”: PMK..: phải đảm bảo áp suất ngoài ống chống PMK.< 60 % P thử cột ống chống tương ứng
VD: PMK.6”*9”< 60 % P thử cột ống chống 9”.
Đóng, mở giếng có kiểm soát:
− Đóng giếng bằng van nhánh: Tiến hành khi có lệnh, hoặc sự cố hệ thống công nghệ mà thời gian đủ để thao tác. Chú ý khi đóng giếng áp suất trong giếng sẽ phục hồi, cần theo dòi các thông số về áp suất cũng như hệ thống công nghệ liên quan.
− Đóng giếng từ trạm điều khiển (TSK, ACS v.v.) từ bloc 8: Khi không lại gần được giếng, hoặc thời gian cấp bách cần đóng ngay từng giếng hoặc nhiều giếng một lúc. Khi đó van an toàn trung tâm trên cây thông đóng trước sau đó 90÷120 giây van an toàn sâu được đóng lại. Ta cần kiểm tra và đóng các van chặn trước côn.
− Mở giếng khi có lệnh: Kiểm tra sự hoàn hảo của hệ thống công nghệ, trạng thái các van chặn được mở thông với bình tách .Khi tiến hành mở van nhánh, cần theo dòi thông số áp suất, thao tác chậm, tránh gây sốc cho hệ thống công nghệ.
− Trường hợp khi cần phải mở van bảo hiểm từ trạm điều khiển: cần kiểm tra van chặn trước côn phải đóng và thực hiện mở giếng theo hướng dẫn vận hành trạm TSK, ACS, v.v... Khi mở hoàn toàn van an toàn trung tâm và an toàn sâu thì tiến hành mở từ từ đến hoàn toàn van chặn trước côn.
Tự động đóng giếng do sự cố:
− Áp suất sau côn nằm trên giới hạn trên hoặc dưới giới hạn dưới. (Áp suất nằm ngoài khoảng công tác, áp suất này được đặt phù hợp theo yêu cầu công nghệ Ppilot = 5÷40 bar.)
− Nhiệt độ vùng đầu giếng lớn hơn giới hạn cho phép (T=90÷100 0C).
− Mất nguồn khí nuôi, sụt áp suất nhớt thuỷ lực v.v.
2.2.2. Chế độ khai thác gaslift
Bản chất của phương pháp khai thác giếng bằng khí nén “Gaslift” là đưa nguồn khí cao áp từ trên bề mặt vào khoảng không vành xuyến giữa ống nâng và ống chống khai thác nhằm bổ sung năng lượng cho giếng khai thác để nâng hỗn hợp sản phẩm từ đáy giếng lên bề mặt.
Nguồn khí nén với áp suất khoảng 100 bar được cung cấp từ 2 giàn nén khí CKP và MKS theo các đường ống ngầm dấn đến các công trình biển, sau đó được phân
phối tới các giếng khai thác. Hệ thống phân phối khí bao gồm các cụm thiết bị chính sau đây:
o Block tách chất lỏng còn dư trong khí cao áp SK-1 : V-100
o Block phân phối và đo lưu lượng tổng cộng của khí cao áp: SK-5
o Block phân phối khí đến các giếng khai thác: SK-2
o Block bồn chứa hoá phẩm: SK-3
o Block các máy bơm hoá phẩm: SK-4
o Block điều khiển quy trình công nghệ : SCADA, PLC
Khí cao áp được phân phối định lượng tự động (hoặc bằng van tay) đến các giếng khai thác nhờ hệ thống van điều tiết tại cụm SK-2. Toàn bộ quá trình phân phối khí, các thông số của hệ thống công nghệ được theo dòi và kiểm soát trên trạm máy tính tại phòng điều khiển block 8.
Nguyên tắc hoạt động của khai thái Gaslift:
Khí cao áp từ khoảng không vành xuyến qua van khởi động gaslift (lắp trong Mandrel) lọt vào trong cần khai thác để nâng sản phẩm lên bề mặt. Thông thường mỗi giếng được trang bị từ 5 đến 6 van gaslift tùy theo cấu trúc giếng. Theo thiết kế khi kết thúc quá trình khởi động giếng thì các van gaslift tự động đóng lại, chỉ có van cuối cùng mở thường xuyên gọi là van làm việc nhằm tiết kiệm năng lượng khí nén và ổn định quá trình làm việc của giếng khai thác.

Hình I.2. 2 Sơ đồ nguyên tắc hoạt động của gaslift

Hình I.2. 3 Hệ thống gaslift trên giàn
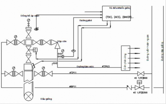
2.3. Hệ thống đầu giếng và cây thông khai thác
2.3.1. Hệ thống đầu giếng
- Hệ thống đầu giếng có 2 tác dụng chính: treo các cấp ống chống, lắp đặt cây thông khai thác. Các đầu giếng ở giàn MSP-8 thường treo 3 cấp ống chống ( 6”x9”, 9”x12”, 12”x16” ).
- Trên mỗi đầu giếng đều có lắp đồng hồ đo áp và các van xả. Mỗi cấp ống chống đều có đồng hồ đo áp khoảng không vành xuyến giữa thành giếng và ống chống, giữa các cấp ống chống. Giá trị áp suất này luôn phải theo dòi trong các quá trình khai thác nhất là với giếng có nhiều khí. Áp suất khoảng không vành xuyến cho biết chất lượng bơm trám xi măng của giếng, nếu chất lượng bơm trám tốt thì giá trị này gần bằng 0. Giá trị này lớn đống nghĩa với chất lượng vành trám không tốt và như vậy có sự xâm nhập của khí vào khe hở lớp trám xi măng và từ từ phá hủy cấu trúc. Điều này rất nguy hiểm vì có thể gây ra hiện tượng phun trào, cháy nổ, không những vậy nó còn làm cho các lớp trám xi măng giữa các cấp ống chống không kín, các chất lưu khác xâm nhập vào giếng làm cho giếng hoạt động không ổn định. Cột ống chống sẽ bị ăn mòn hay bị bóp méo. Nếu ống chống bị hư hại thì không thể thay thế được nên phải hủy giếng, điều này làm giảm tuổi thọ của giếng. Trong trường hợp áp suất cao người ta xả chất lưu trong khoảng không vành xuyến qua van xả theo đường ống nối về bình chứa. Nếu trường hợp nghiêm trọng phải ngừng khai thác và tiến hành bơm trám lại.
- Ở cấp ống chống trên cùng có gắn đường dập giếng và đường tuần hoàn ngược, hai đường này được thiết kế đối xứng với nhau. Đường dập giếng được sử dụng khi có sự cố tạm thời phải ngưng khai thác. Đường dập giếng được sử dụng cho mục đích rửa giếng hoặc khai thác.
- Phía trên cùng của cây thông khai thác có gắn 1 đồng hồ đo áp suất đầu giếng, ngay dưới có 1 van, van này dùng để cắt áp suất khi cần thay hay sữa chữa đồng hồ đo áp.
- Phía bên nhánh trên cùng của cây thông khai thác có lỗ nhỏ để cắm nhiệt kế
vào và đo nhiệt độ tại đầu giếng.

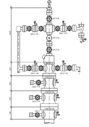
Hình I.2. 4 Hệ thống đầu giếng và cây thông khai thác


Hình I.2. 5 Sơ đồ cây thông khai thác Hình I.2. 6 Cây thông trên giàn
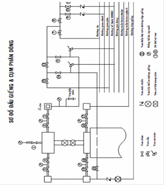
2.3.2. Cụm phân dòng
- Đây là thiết bị đặt gần đầu giếng và cây thông khai thác. Tác dụng chính của nó là phân dòng về các đường ống công nghệ.
- Sản phẩm khai thác từ cây thông khai thác theo đường làm việc dẫn đến Manifold. Đường làm việc nối với Manifold thông qua van an toàn. Khi áp suất dòng chất lưu vượt qua giá trị cho phép, van an toàn sẽ nổ, cho phép chất lưu đi qua nó về van xả. Mỗi manifold có hai van an toàn, một làm việc và một dự phòng.
- Cụm Manifold nối với năm đường ống công nghệ chính là các đường về bình đo, đường làm việc chính, đường làm việc dự phòng , đường ống về bình gọi
dòng và đường xả về bình chứa.

Hình I.2. 7 Cụm Manifold trên giàn
- Trong trường hợp áp suất dòng sản phẩm nằm trong giới hạn cho phép (van an toàn không nổ), dòng sản phẩm sẽ được chia làm hai đường ống: đường làm việc chính và đường làm việc dự phòng về bình C1. Từ đường làm việc chính chia làm hai đường nối với van cầu. Đường thứ nhất về bình đo, đường thứ hai lại được phân nhánh bốn đường: đường về bình gọi dòng, đường về bình chứa,
đường về bình tách và đường tuần hoàn thuận.
- Mỗi đường ống từ cụm Manifold đều có một đến hai van để đóng mở dòng chất lưu. Khi cần sử dụng chức năng nào đó của các đường ống công nghệ thì ta sẽ mở van cho dòng sản phẩm chảy vào ống đó, các van khác sẽ đóng lại tùy theo yêu cầu. Ví dụ để đo lưu lượng dầu và khí khai thác của giếng thì ta sẽ đóng tất cả các van, chỉ mở van dẫn dầu vào bình đo. Các van chặn lắp đặt trên hệ thống Manifold, phần lớn được điều khiển bằng tay.

Hình I.2. 8 Sơ đồ đầu giếng và cụm phân dòng






