5.3.2 Bảng phân công các đầu ra
Tên đầu ra | Địa chỉ | Kí hiệu | |
1 | Đầu ra điều khiển động cơ chạy thuận(chạy lên) | Q0.0 | ĐL |
2 | Đầu ra điều khiển động cơ chạy ngược (chạy xuống) | Q0.1 | ĐX |
3 | Đầu ra điều khiển động cơ đóng cửa | Q0.2 | ĐC |
4 | Đầu ra điều khiển động cơ mở cửa | Q0.3 | MC |
Có thể bạn quan tâm!
-
Giới Thiệu Chung Về Các Bộ Điều Khiển Khả Trình Plc -
Thủ Tục Để Xây Dụng Một Chương Trình Điều Khiển -
Mạch Cảm Biến Và Rơ Le Sử Dụng Trong Mô Hình -
Ứng dụng PLC trong điều khiển thang máy - 10 -
Ứng dụng PLC trong điều khiển thang máy - 11 -
Ứng dụng PLC trong điều khiển thang máy - 12
Xem toàn bộ 110 trang tài liệu này.
5.3.3 Kết nối mô hình với PLC

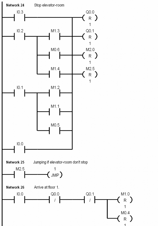
5.3.4 Chương trình điều khiển
* Chương trình điều khiển thang máy nhà 4 tầng viết dưới dạng LAD












