+ Tần số chấn động riêng ngang n 02 (hình 17-8,b):
n 02
60 2
g 30
G 22
G 22
(17-14)
Trong đó: G 2 Pi 0,35 P0 , (T)
2 là biến vị ngang bệ máy khi lực đơn vị tác dụng lên đầu bệ máy.
Có thể bạn quan tâm!
-
Bố Trí Và Và Kết Cấu Phần Trên Nhà Máy Thuỷ Điện -
Tuabin thủy lực - 35 -
Tính Độ Bền Chung Theo Phương Vuông Góc Với Dòng Chảy (Dọc N.máy) -
Tuabin thủy lực - 38 -
Tuabin thủy lực - 39
Xem toàn bộ 317 trang tài liệu này.
g
I.
+ Tần số chấn động riêng xoắn n 03 (hình 17-8,c):
n 03
60 2
30
(17-15)
I.
IQs s
Trong đó: D2
4
0,35
P0. D2
0
4
là mômen quán tính của stator và bệ máy;
H G IR
H
G D4 d 4
32
QS, D S tương ứng là trọng lượng và đường kính bình quân stator; PO, DO tương ứng là trọng lượng và đường kính bình quân bệ máy;
là góc xoắn của kết cấu dưới tác dụng của mômen xoắn đơn vị; G là mômen đàn hồi chống cắt của bêtông G = 0,425 Ebt ;
H - chiều cao bệ máy.
- Biên độ giao động bệ máy A1 , A 2 , A 3 :
+ Biên độ giao động thẳng đứng
A1 :
A1
P1.g
(17-16)
G
1
1
2
1
2
2
0,2
1 1
2 2
trong đó: P1 - trọng lượng bộ phận động tác dụng lên bệ máy;
G1 - trọng lượng bản thân bệ máy và toàn bộ tải trọng tác dụng lên bệ;
n 01 130
= 0,104 n 01 ; và 1
n 2 0,104 n .
2
30
+ Biên độ giao động ngang
A 2 :
A 2
P2.g
(17-17)
G
2 2
2
2
2
2
0,2
2 2
2 2
2
Trong đó: P 2 e m12 là tải trọng chấn động ngang, chính là lực li tâm tác dụng lên bệ máy (e là độ lệch tâm của bộ phận quay, khi n 750 v/ph thì e = 0,035 - 0,08 cm; m1 = W1/g - W1 là trọng lượng phần quay của máy
phát; là góc quay của tổ máy khi vận hành bình thường; = n 02 )
2
+ Biên độ xoắn ngang A 3 :
2 30
A 3
Mn . R.g
I
3 3
2 2
2
0,2
3 3
2 2
N cos
(17-18)
Trong đó: Mn 0,975 n
là momên xoắn bình thường; R - bán kính ngoài
của bệ máy; 3
n 03 ;
30
n
p
3 30
với n p là vòng quay lồng.
- Tính hệ số động kĐ: trên kia ta lấy tạm hệ số này từ 1,5 - 2, bây giờ phải kiểm tra lại, nếu hệ số đã lấy để tính lớn hơn hay bằng kĐ tính theo công thức sau là được:
k =1
(17-19)
Đ
⎛
1 ⎜
n ⎞2
⎟
⎝n 0⎠
- Tính ứng suất cắt của bulông cố định bệ máy
+ Tính ứng suất căt bulông do chập mạch gây ra:
u Mk R
JR
(17-20)
Trong đó: R là bán kính qua lổ các bulông; JR
D4 d 4;
32
⎡
2 ⎢1
⎣
⎛
Ta
⎜1 e
t1 ⎝
t1 ⎞⎤
Ta⎟
⎠
⎥
⎦
U
1 e
0,01
T
là hệ số xung kích
1
t 30 n
a
là thời gian tác dụng của lực xung kích , sec;
Ta
x t
314 r t
là hằng số quán tính máy phát (sec), do xưởng chế tạo cung cấp,
thường 0,05 sec; x t là điện kháng chập mạch;
+ Tính ứng suất do lệch tâm của máy gây ra:
r t là điện trở mạch.
4
CA 2
D2 d 2
(17-21)
Trong đó: = 2 là hệ số mỏi của bulông; C3 E1 J1 .
P H3
+ Tính ứng suất cắt do biên độ giao động của mômen xoắn gây ra:
C. A 3 (17-22)
JR
Trong đó: = 2 ; C1.
II. Tính toán kết cấu buồng xoắn
1. Tính toán kết cấu buồng xoắn đa giác bằng bêtông cốt thép
Tính toán kết cấu buồng xoắn bêtông đa giác có thể theo hai phương pháp sau:

a - Tính theo phương pháp tấm vỏ
Hình 17-9. Cấu tạo buồng xoắn đa giác bêtông cốt thép. Về kết cấu có thể gần đúng chía buồng xoắn làm ba phần để tính:
- Phần tấm sàn: là tấm có lổ khoét (vùng vòng bệ), quy ước là tấm vành;
- Phần thượng lưu: là các trụ (tường áp lực nhà máy);
- Phần tường xoắn hạ lưu, có hai dạng: tường phẳng dày và tường cong mỏng.
a1. Tính kết cấu tấm sàn (hình 17-10,a)
Thực tế tấm sàn có dạng vành khăn méo, để tiện tính toán người ta quy nó về hình tròn. Vành ngoài tấm sàn coi như được ngàm xung quanh, còn vành trong có thể coi như ngàm hoặc tự do tuỳ theo liên kết với vòng bệ. Tải trọng lên sàn gồm gồm có:
- Trọng lượng bản thân sàn và áp lực nước phân phối đều (q);
- Tải trọng tập trung do trọng lượng bệ máy phát và các tải trọng từ bệ máy truyền tới, chúng được đặt tại cạnh trong của vành khăn (P);
- Mômen do bệ máy pháy ngăn cản chuyển vị xoay của mép trong tấm sàn (M).

Hình 17-10. Các sơ đồ tính kết cấu các phần buồng xoắn đa giác bêtông.
Theo lý thuyết tấm vành khăn có mép trong tự do hoặc tỳ đã được lập bảng tính sẵn.
a2 - Tính kết cấu tường hạ lưu buồng xoắn :
- Tính trường hợp tường phẳng dày (hình 17-9,a) có độ dày thay đổi và chiều cao cũng không giống nhau, chỉ cần tính phần mỏng nhất (abcd) và tính như tấm ngàm bốn cạnh, chịu tải trọng chịu tải trọng nước hình thang bên trong. Độ dài của tấm trên
P P
mặt bằng do hai đường tiếp tuyến với đường cong buồng xoắn và tạo với sườn bên một góc 45O, cũng có thẻ lấy độ dài ab = 0,4 L.
- Tính trường hợp tường hạ lưu cong có bề dày = const với bán kính R (hình 17-9,b). Điều kiện coi là tường mỏng khi /R < 0,2. Để tính tường này người ta đưa tường về kết câu nửa trụ tròn (hình 17-10,b) ngàm bôn phía, coi nó là tập hợp của nhiều thanh thẳng đứng có hai đầu ngàm. Để kể đến tính làm việc có ràng buộc nhau giữa các thanh người ta đưa vào vào một đai đàn hồi có bề rộng H/2 tạo nên lực kéo pK để liên kết chịu lực giữa các thanh đứng. Thanh đứng chịu áp lực nước bên trong q1 và q2 và pK
k 2 2 4
( 2q1 H) H 4
Người ta đã giải ra được lực kéo theo công thức:
p và
64 R 1,625 H
tính được các mômen uốn tại hai đầu ngàm A và B theo công thức sau:
H 2 11 2
MA
(5q 2H) H p 60 1 192 k
H 2 11 2
MB
(5q 3H) H p 60 1 192 k
(17-23)
H 2 7 2
Mg.nhip
(2q H) H p 48 1 192 k
a3 - Tính kết cấu các tường bên thượng lưu: (hình 17-9,a và 17-10,c) Tường bên thượng lưu buồng xoắn chia hai đoạn (hình 17-9,a):
- Đoạn từ tường áp lực hạ lưu buồng xoắn lấy ra 0,75 H (đoạn mnop) coi là tấm ngàm ba cạnh (với mặt trên là sàn, với mặt dưới là móng, vớí mặt phía tuờng hạ lưu buồng xoắn).
- Đoạn từ mp trở về thượng lưu (là trụ van) được coi là tấm ngàm hai cạnh (cạnh trên và cạnh dưới).
Tính tấm ngàm ba cạnh (hình 17-10,c), người ta đã lập công thức, hệ số tra
x
bảng:
M 1 (0,75H) 2 ( q 91
'
q 2)
y
x
x
y
y
M 1 H 2 ( q
9 1
' q 2)
(17-24)
R 1 (0,75H) ( q 3
1 ' q 2)
Các hệ số , trong các công thức là các hệ số mômen và lực cắt tra bảng.
b - Tính theo phương pháp giá khung:
Phương pháp tấm vỏ tính chính xác hơn, tuy nhiên nó được áp dụng khi đảm bảo là tấm mỏng, và do tấm sàn là kết cấu quy ước chứ thật ra nó không tròn, do vậy kết quả tính toán không tiết kiệm hơn phương pháp kết cấu là mấy. Do vậy vẫn có thê tính theo phương pháp giá khung bằng cách cắt qua tim tường buồng xoắn 1m dài và đưa về bài toán khung phẳng và dùng cơ học kết cấu để tính, có thiên an toàn nhưng đơn giản.
Hình 17-11. Sơ đồ tính buồng xoắn thép phương pháp giá khung.
Buồng xoắn thường tỳ vào vòng bệ turbine nên có thể coi như gối tựa đơn, đáy buồng xoắn đúc với khối bêtông dưới nên coi như ngàm (hình 17-11,a,b). Khi tính giá khung ta cắt 1m dài trục buồng xoắn. Chiều dài thanh ngang và thanh đứng của khung được chọn theo độ dày tương đối của bêtông:
- Khi H/ > 4 coi là khung mỏng và chọn khung có kích thước: H x L;
- Khi H/ < 4 coi là khung dày và chọn khung có kích thước : h x l để tính.
Tải trọng tác dụng lên giá khung gồm có:
- Trọng lượng bản thân bệ máy bên trên truyền xuống: N = Gi, đưa về tim vòng bệ nên có mômen M do dịch vị trí dặt tải trọng;
- Tải trọng truyền từ bệ máy phát (gồm: tải trọng đứng Ag và mômen do dời lực về tim vành bệ Mg, chú ý đưa tải trọng động về tỉnh tải bằng cách nhân với hệ số động).
- Trọng luợng sàn buồng xoắn và người đi lại trên sàn: q;
- Trọng lượng đứng của giá khung: Q;
- Apa lực nước bên trong buồng xoắn, có kể nước va;
- Ứng lực nhiệt độ và co ngót bêtông (tính riêng).
Các trường hợp tính toán:
- Trường hợp vận hành bình thường: với mực nước thượng lưu là MNDBT;
- Trường hợp đặc biệt: khi buồng xoắn có nước nhưng thiết bị bên trên tháo đưa đi sửa chữa, gây kéo mép trong buồng xoắn; khi buồng xoắn tháo cạn nước đê sửa chữa.
-Trường hợp có nước va thuỷ lực khi cắt bỏ toàn bộ phụ tải.
2. Tính kết cấu buồng xoắn kim loại mặt cắt tròn
Khả năng sử dụng chịu lực của buồng xoắn kim loại tròn là:
- Buồng thép chịu áp lực nước bên trong, bêtông bên ngoài chịu tải trọng ngoài;
- Buồng thép không chịu áp lực nước (thép dầy 8-10 mm) mà do bêtông chịu cả;
- Buồng thép và bêtông cùng tham gia chịu áp lực nước bên trong.

Hình 17-11*. Các sơ đồ tính két cấu buồng xoắn kim loại
a - Tính buồng xoắn bêtông thông thường
Do buồng xoắn thép chịu toàn bộ áp lực nước bên trong, nên phần bêtông chỉ chịu tải trọng bên ngoài. Giữa phần trên tiếp giáp giữa bêtông và thép người ta đặt lớp đàn hồi dày từ 2 đến 4cm để buồng xoắn thép tự do biến dạng không ảnh hưởng đến lớp bêtông bọc ngoài (hình 17-11,a). Chỉ cần tính toán ớp bêtông c thép từ tâm buồng xoắn trở lên, còn ớp dưới liên kết thành khối nên không cần tính. Ta chọn sơ đồ lực theo phương pháp giá khung và dùng phương pháp cơ học kết cấu để tính (hình 17-11,a).
b - Tính buồng xoắn tròn vỏ không chịu áp lực nước mà do bêtông chịu:
Trường hợp này vỏ thép chỉ lấy bề dày từ 8 đến 10 mm chỉ để chống thấm. Phần bêtông bao quanh mới là phần chịu áp lực nước bên trong. Để tính diện tích cốt thép cho vòng bêtông trước hết ta coi như vỏ thép chịu áp lực nước, dựa vào công thức tính ứng suất pháp và ứng suất tiếp cho vỏ thép chịu lực và tính ra chiều dày vỏ thép từng vùng ở ba điểm vùng đặc trưng là K, H và M (hình 17-11,b):
p.( R r )
K c
2.. r
p.( 2 R )
(17-24)
M c
p.
H c
2.( R )
Sau đó thay chiều dày vỏ thép bằng diện tích cốt thép vòng của vòng bêtông bên ngoài trên 1mét dài, ở các vùng tương ứng, ta có:
F 100. p.( R r )
K a
2.. r
F 100. p.( 2 R )
(17-25)
M a
F 100. p.
H a
2.( R )
Diện tích cốt thép dọc của vòng bêtông trên 1 mét chu vi chịu ứng suất tiếp:
100. p.
Fdoc
2.(17-26)
a
Trong các công thức trên: p - áp lực nước bên trong có kể áp lực nước va; - bán kính trong của mặt cắt ống; R - khoảng cách từ trục turbine đến trung tâm mặt cắt tính
toán; r - bán kính vòng bệ; a - ứng suất cho phép của côt thép; c là ứng suất
phép của thép làm ống.
c - Tính buồng xoắn áo thép và bêtông cùng tham gia chịu lực:
Trường hợp này áp lực nước phân chia cho áo thép chịu áp lực nước pC còn lại bêtông chịu (p - pC). Trên cơ sở đó xác định chiều dày oá thép và tính ra diện tích cốt thép vòng bêtông. Dùng các công thức trong phần b nhưng thay p bởi (p - pC).
Cần chú ý rằng cần tính kết cấu thêm với trọng lượng bản thân buồng xoắn, tải trọng ngoài (trường hợp thi công có ảnh hưởng dến độ bền của buồng xoắn).
III. Tính toán kết cấu ống xả
Tính toán kết cấu ống xả thường với bốn phần sau (hình 17-12,a)
- Khối chóp dưới buồng xoắn (là đoạn nón cụt của ống xả);
- Đoạn cong từ mặt cắt đi qua tim đoạn cong đến đầu trụ van giữa;
- Dầm sâu (nằm bên dưới tường áp lực của buồng xoắn);
- Đoạn khuếch tán của ống xả.
1. Tính toán kết cấu khối chóp
Khối chóp của xả là kết cấu có độ dày thay đổi từ trên ( 1 ) xuống dưới ( 2 ), mặt trên phẳng, mặt dưới xoáy ốc. Để đơn giản tính toán ta đưa chóp về dạng trụ (hình 17-12,b) có chiều cao H (lấy chỗ cao nhất) với bán kính trụ lấy trung bình giữa R1 và R2
và bề dày cũng lấy trung bình giữa
1 và
2 . Để tính toán ta cắt 1 mét dài theo chu vi
trụ và coi như một dầm có đầu dưới ngàm, đầu trên tựa (hoặc tự do) vào vòng bệ turbine. Sơ đồ lực và các tải trọng xem (hình 17-12,b).

Hình 17-12. Các sơ đồ tính đoạn chóp và đoạn cong của ống xả.
a - Các tải trọng tính toán gồm:
- Tải trọng thẳng đứng P gồm: tải trọng bản thân, tải trọng tỉnh và động từ bệ máy truyền qua vòng bêh xuống chóp (tải trọng động nhân kĐ = 1,5 - 2 đưa về tỉnh);
- Mômen uốn M do dời lực P từ đỉnh chóp về trung tâm trụ quy ước với độ lệch tâm e = (R1 - R2) /2, vậy M = Pi.e;
- Lực ngang do áp lực nước thượng lưu (tính từ mực nước thượng lưu đến đáy chóp; áp lực nước hạ lưu lấy ứng với mực nước hạ lưu lớn nhất. Trừ áp lực cho nhau còn lại biểu đồ áp lực nước hình thang với q1 và q2.
b - Các trường hợp tính toán:
- Trường hợp nhà máy vận hành bình thường, mực nước thượng lưu là MNDBT;
- Trường hợp đang đầy tải ngắt sự cố , sinháp lực nước va lớn nhất;
- Trường hợp sửa chữa ống xả: hạ lưu không có nước.
2. Tính kết cấu đoạn cong ống xả
Đây là kết cấu phức tạp, có độ dày thay đổi, thường có dạng khối, chưa có phơng pháp tính hoàn chỉnh. Thường có thể tính như sau:
- Phần trên (hình 17-12,a):có thể coi như bản hay dầm liên kết ngàm với tường buồn xoắn và gối lên chóp; hai hướng còn lại (song song với dòng chảy) có thể coi là ngàm hoặc tựa lên trụ ống xả. Đối với buồng xoắn kim loại, phần trên rất dày nên không cần tính mà chỉ đặt thép cấu tạo;
- Phần dưới đoạn cong: hiện nay người ta coi nó như một tấm hình thang ngàm ba phía, riêng phía thứ tư (theo dòng chảy) có thể xem là tự do (nếu không có trụ giữa) hoặc tựa lên trụ giữa (hình 17-12,c) người chia nó thành những dãi dọc, ngang và tại các giao điểm các dãi đặt các lực bằng và ngược chiều nhau cùng tác dụng lẫn nhau và tại các giao điểm có độ võng cân bằng nhau. Từ đó tính ra c giá trị mômen. Nhà máy chế tạo kim khí Lenin (Liên Xô cũ) có lập sẵn bảng tính cho hai loại ống xả N4 và N5.
3. Tính kết cấu dầm sâu
P P
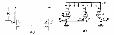
Dầm sâu là phần nằm dưới tường áp lực của buồng xoắn có tỷ số bề dày (H) và chiều dài nhịp (L) lớn hơn 1/2 (hình 17-13,a), nên ứng lực không phân bố theo quy luật đường thẳng nữa, vì vậy phải áp dụng lý luận dầm sâu để tính với dầm có thể là dầm đơn hay dầm liên tục. Do dầm rất cao nên tải trọng tập trung từ hàng trụ truyền qua đỉnh dầm đến đáy. Nếu theo đường khuếh tán 450 đến đáy phân bố đều đặn cho nên sơ đồ tính toán là một dầm sâu chịu lực phân bố đều.

Hình 17-13. Sơ đồ tính kết cấu dầm sâu.
a - Tải trọng tác dụng lên dầm sâu:
- Tải trọng kết cấu bên trên nhà, cầu trục qua trụ và tường truyền xuống;
- Tải trọng của bệ máy qua thành tường buồng xoắn truyền xuống;
- Trọng lượng bản thân dầm sâu;
- Lực đẩy lên của nước.
b - Tính toán nội lực dầm sâu:
Người ta đã lập sẵn bản tra các hệ số và tính toán theo các công thức: Hợp lực của ứng suất kéo Z, hoặc ứng suất nén D, gọi chung là Z:





