§3. Kết cấu buồng ụ.
I. Khái niệm chung.
Kết cấu và phương pháp xây dựng ụ khô trong hàng chục năm gần đây được cải tiến không ngừng. Các ụ khô được xây dựng trong vòng 30 năm trở lại đây rất phong phú về kết cấu, điều đó chứng tỏ việc sử dụng các điều kiện xây dựng về KT-KT, tự nhiên ở mức rất cao. Khi xây dựng các ụ khô hiện đại người ta đã sử dụng các giải pháp kỹ thuật tiên tiến
để giảm thời hạn và giá thành xây dựng như: kỹ thuật tiêu nước, neo đáy, chống thấm, đổ bê tông dưới nước, gia cường nền và làm chặt nền để chống thấm bằng phương pháp phun. Cần phải lưu ý rằng kết cấu ụ khô trong những điều kiện xây dựng khác nhau không thể tách rời các phương pháp xây dựng hiện thực, và thường giải pháp khả thi của ụ là tổ hợp của giải pháp kết cấu hợp lý nhất với khả năng xây dựng thực tế.
Tuy đã phát triển mạnh về kết cấu, song kết cấu ụ khô hiện đại có thể qui về hai nhóm chính: - dạng trọng lực nặng và dạng nhẹ ( Bảng VI-6).
Bảng (VI-6).
Giải pháp kết cấu | Sơ đồ nguyên tắc | Phương pháp xây dựng | ||
(1) | (2) | (3) | (4) | |
I | Ia | Buồng trọng lực dạng cổ điển |
| Xây trong hố móng có sử dụng pôngtông, giếng chìm, và tường cừ vây |
Ib | Buồng trọng lực có đáy kiểu vòm |
| ||
Ic | Buồng trọng lực có đáy kiểu dầm |
| ||
Id | Buồng trọng lực nhẹ có neo đáy |
| Thi công trong hố móng. | |
Ie | Buồng trọng lực nhẹ trên nền cọc |
| Thi công trong hố móng, đổ bê tông dưới nước. | |
Có thể bạn quan tâm!
-
Nhà máy đóng mới và sửa chữa tàu thủy - 1 -
Nhà máy đóng mới và sửa chữa tàu thủy - 2 -
Nhà máy đóng mới và sửa chữa tàu thủy - 4 -
Nhà máy đóng mới và sửa chữa tàu thủy - 5 -
Các Trạng Thái Làm Việc Của Buồng Ụ.
Xem toàn bộ 232 trang tài liệu này.
Tiếp tục bảng (VI-6).
(2) | (3) | (4) |
http://www.ebook.edu.vn 126
IIa | Buồng có kết cấu nhẹ trên hệ thống thoát nước đáy. |
| Xây trong hố móng. |
IIb | Buồng kết cấu nhẹ có hệ thống chống thấm. |
|
IIc | Buồng trên đất chặt dính không thấm nước. |
|
IId | Buồng trên nền đất là đá. |
|
Các buồng ụ khô dạng trọng lực (I) về mặt kết cấu có thể chia thành buồng dạng trọng lực nặng ( I a,b,c) và dạng trọng lực nhẹ (I d,e). Loại trọng lực thường được xây bằng bê tông, bê tông cốt thép, bằng kết cấu bê tông cốt thép mỏng được lấp đầy đất, đá và bê tông cứng, bằng giếng chìm hoặc áp dụng kêt cấu tường cừ thép. Loại trọng lực nặng có thể xây dựng trong mọi điều kiện địa chất bất kỳ. Loại trọng lực nhẹ cho lắp phép giảm
đáng kể khối lượng vật liệu và lao động nhờ vào việc giảm chiều dầy đáy và tường vì một phần áp lực thuỷ tĩnh tác dụng lên buồng được truyền vào các bộ phận khác như: cọc các loại; thiết bị neo mềm hoặc cứng.
Các buồng ụ khô dạng nhe (II) có thể chia thành các dạng nhỏ sau: - Buồng được giảm trọng lượng bằng cách bố trí thiết bị thoát nước ở nền bản đáy hoặc bố trí hệ thống chống thấm ở xung quanh ụ, điều đó cho phép giảm áp lực thuỷ tĩnh tác dụng lên bản đáy (II a,b); - Buồng được xây dựng trên nền đất đá hoặc đất dính không thấm nước, khi đó một khối lượng nước không đáng kể sẽ thấm vào buồng ụ, ta có thể dùng hố thu để bơm ra (II c,d). Điều kiện chủ yếu cho phép áp dụng loại ụ II a,b là đất có hệ số thấm không vượt quá giá trị cho phép được xác định trên cơ sở so sánh các giải pháp chống thấm hay không,chống thấm về mặt chi phí. Loại (II c,d) có thể thực hiện được trong điều kiện địa chất tốt, áp lực thuỷ tĩnh tác dụng lên bản đáy ta không cần quan tâm mà chỉ cần quan tâm tới vấn đề truyền tải trọng do tàu tác dụng lên nền. Trường hợp nền đủ khả năng chịu tải thì
đáy ụ có thể làm bằng những tấm bê tông riêng biệt để đặt đệm tàu, phần còn lại chỉ là tạo mặt bằng công tác mà thôi. Nếu nền không đủ khả năng chịu tải trọng do tàu thì đáy buồng ụ phải làm bằng bê tông cốt thép liền khối, và chiều dầy của nó được xác định thông qua tính toán như dầm trên nền đàn hồi, khi có cọc thì tính như dầm trên các gối đàn hồi.
http://www.ebook.edu.vn 127
a)
c)
b)
d)
e)
f)

Hình (VI-3). Sơ đồ kết cấu buồng ụ trọng lực nặng.
a)-trong hố móng khô, hở;
b)-trong hố móng khô được tạo bởi hàng cọc cừ;
c)-trong hố móng được tạo bởi tường
cừ và đổ bê tông bản đáy; d)-có sử dụng giếng chìm;
e)-có dùng pông tông bê tông cốt thép;
f)-có dùng hàng cọc cừ để tạo tường.
II. Buồng ụ khô dạng trọng lực nặng.
Buồng của các ụ khô kiểu này là những kết cấu được áp dụng hồi thế kỷ trước khi xây dựng các ụ lớn bằng đá xếp và bê tông đá hộc trong hố móng khô. Ngày nay, khi kinh nghiệm thiết kế và xây dựng ụ khô kiểu này đã được tích luỹ nhiều người ta đã áp dụng một
http://www.ebook.edu.vn 128
loạt các giải pháp kết cấu được rút ra từ điều kiện thi công khô, cũng như áp dụng nhiều phương pháp xây dựng phức tạp có dùng giếng chìm, giếng chìm hơi ép, pông tông nổi, tường cừ vây dọc theo ụ và đổ bê tông bản đáy dưới nước. Tất cả các giải pháp kết cấu có thể của buồng ụ loại này có thể phân cấp theo sơ đồ trên hình (VI-3).
Để bạn đọc có thể hình dung qui mô và kích thước cụ thể của buồng ụ, ở đây chúng tôi dẫn ra một số kết cấu buồng ụ đã được xây dựng trên thế giới.
1/- ô khô ở Uynsơn ( Anh), được xây dựng năm 1957 (hình VI-4a). Dài 217.9m, rộng tại cửa vào 32.0m, độ sâu tại ngưỡng khi triều cao 8.84m, ụ được xây trong hố móng. Kêt cấu buồng thuộc dạng đáy vòm, có chiều dầy 4.26m tại giữa và 3.0m tại vị trí liên kết với tường, làm bằng bê tông không có cốt.
2/- ô khô ở Antverpen (Bỉ), được xây dựng năm 1960 và 1967 (hình VI-4b). Đáy buồng có dạng dầm có chiều dầy 4.5 và 5.5m

Hình (VI-4). Kết cấu ụ dạng trọng lực nặng.
a- U khô ở Uynsơn (Anh); b-U khô ở Antverpen (Bỉ).
3/- U khô ở ViSackhapatnam (Ên độ) (hình VI-5), được xây dựng trong điều kiện
địa chất yếu và dầy, lớp đất tốt ở cao trình -(20 - 28) m. Buồng ụ dài 280m, rộng 42.0m. Tường ụ làm bằng giếng chìm, đáy ụ có dạng mỏng dấy 1.5m trên nền cọc.
http://www.ebook.edu.vn 129

Hình (VI-5). U khô ở Ên độ.
1.Sét bùn; 2. Bùn; 3. Cát; 4. Đá phong hoá; 5. Đá tốt.
4/- U khô ở Tulon (Pháp) (hình VI-6a), được xây dựng năm 1925, dài 418m, rộng 36m và sâu 13.4m, có sử dụng hai pông tông thép, thi công trong hố móng.
5/- U khô ở Gavre (Pháp ), (Hình VI-6b), dài 313m rộng 38m, sâu 14.95m, được xây dựng trong hố móng có dùng pông tông thép dài 345m, rộng 60m.

http://www.ebook.edu.vn 130

Hình (VI-6). Kết cấu buồng ụ khô dạng trọng lực nặng bằng pông tông thép. a- U ở Tulon; b - U số 9 ở Gabre (Pháp).
6/- U khô ở Genue ( Italia ), dài 279.8m, rộng 39.8m, sâu 10.5m, được xây dựng trực tiếp trên thuỷ vực của cảng. (hình VI-7).

Hình (VI-7). U khô ở Genue (Italia).
1- bê tông; 2- đá nền; 3- cát.
III- Buồng ụ khô trọng lực nhẹ.
Loại buồng ụ này được xây dựng để giảm trọng lượng bản thân ụ nhờ thiết bị neo tiếp nhận một phần áp lực đẩy ngược, thiết bị neo có thể có các loại như trên hình (VI-8).
http://www.ebook.edu.vn 131
a) b) c) d) e)
Hình (VI-8). Sơ đồ thiết bị neo đáy buồng ụ.
a)- Nhờ cọc; b)- Nhờ cọc liên kết mềm vào đáy và ngàm vào đất tốt; c)- Nhờ neo mềm được ngàm chặt vào đất tốt;
d)- Nhờ neo mềm trong ống; e)- Nhờ dây cáp và tấm neo.
Trường hợp a, b, c, d nhờ vào sức chịu nhổ của cọc và sức giữ của thiết bị neo trong
đất tốt, còn trường hợp e) thì nhờ vào khối lượng đất đè lên tấm neo trong đất. Các trường hợp b , c, d chỉ áp dụng cho trường hợp lớp đất tốt nằm không quá sâu so với đáy ụ. Trường hợp a được áp dụng cho trường hợp đất nền ụ mềm và đủ khả năng chịu tải, đồng thời đáy ụ không chỉ chịu áp lực đẩy nổi mà còn chịu lực nén do trọng lượng bản thân ụ và do tàu truyền xuống.
Chúng ta cũng xét một số kết cấu cụ thể đã xây dựng trên thế giới.
1/- U khô ở nam Silldxơ, nước anh được xây dựng năm 1956 có chiều dài 218m, chiều rộng 29.9m, độ sâu 7.62m. Nền là đất sét dầy không thấm nước, tuy nhiên, một nửa chiều dài ụ được đặt trong đất cát ngậm nước rất mạnh. Dưới đáy ụ có bố trí cọc neo thép tiết diện chữ I có lực nhổ tính toán là 30T, đóng sâu vào đất 13.7m, bước cọc tính toán theo chiều ngang và chiều dọc là 2,5 và 4,0m ( Xem hình VI-9).

Hình VI-9. U khô ở nam Silldxơ ở Anh.
1-Đất sét; 2- Đất cát; 3- Cọc thép chữ I, dài 13,7 m.
http://www.ebook.edu.vn 132
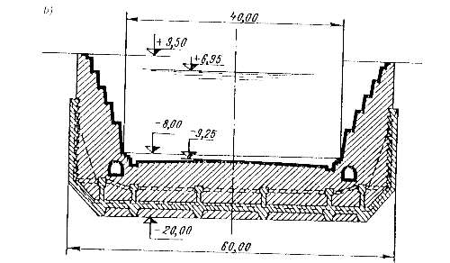
2/- ụ khô ở Hà lan (hình VI-10), được đưa vào khai thác năm 1966. Kích thước cụ thể như sau: dài 305 m, chiều rộng buồng 49 m, sâu 8,95 m, nền đất là á cát và cát lẫn cuội sỏi dầy 15 m. Kết cấu buồng được chọn trên cơ sở so sánh 7 phương án khác nhau.

Hình VI-10. ô khô ở Skhiđam - Bắc Ailen.
1-Đất sét; 2-Đất cát; 3-Đá.
3/- Một số ụ khô có thiết bị neo neo vào lớp đá cứng được xây dựng ở Bắc Ai len, Italia (Hình VI-11).
http://www.ebook.edu.vn 133












