Mô tả trang bị điện:
a. Mạch động lực:
- Mạch động lực bao gồm một CB 3 pha.
- Các tiếp điểm chính của contactor K1 và contactor K2.
- Rơle nhiệt 3 pha RN.
- Động cơ điện không đồng bộ ba pha.
- Động cơ điện không đồng bộ ba pha được cấp nguồn điện ba pha.
b. Mạch điều khiển:
- Cầu chì F2 dùng bảo vệ cho mạch điều khiển.
- Nút nhấn OFF dùng để dừng toàn bộ hoạt động của mạch điện.
Có thể bạn quan tâm!
-
Hệ thống trang bị điện - 1 -
Hệ thống trang bị điện - 2 -
Mạch Đảo Chiều Quay Động Cơ 3 Pha Gián Tiếp Qua Nút Dừng -
Mạch Khởi Động Động Cơ 3 Pha Gián Tiếp Qua Điện Máy Biến Áp Tự Ngẫu: -
Mạch Điều Khiển Động Cơ 3 Pha Theo Vị Trí Sơ Đồ Mạch Điện: -
Hệ thống trang bị điện - 7
Xem toàn bộ 61 trang tài liệu này.
- Tiếp điểm của Rơle nhiệt RN.
- Hệ thống nút nhấn liên động S1 và S2 dùng để dừng và khởi động đảo chiều trực tiếp cho động cơ.
- Cuộn dây contactor K1 và K2.
- Đèn H1 (màu xanh) để báo chế độ của động cơ chạy thuận.
- Đèn H2 (màu đỏ) để báo chế độ của động cơ chạy ngược.
Nguyên lý hoạt động của sơ đồ mạch điện: Khởi động động cơ:
Quay thuận:
Khi đóng CB hệ thống điều khiển cho động cơ chưa hoạt động, đèn H1 và H2 chưa sáng, báo động cơ ở dạng chế độ ngưng hoạt động (dừng).
Muốn cho động cơ chạy thuận ta nhấn nút nhấn liên động S2 contactor K1 có điện đóng tiếp điểm phụ K1 của nó (mắc song song với nút nhấn S2 ON) để tự duy trì hoạt động cho cuộn dây K1, đồng thời nút nhấn S2 cũng ngắt mạch contactor K2. khi contactor K1 có điện hoạt động nó đóng tiếp điểm thường mở K1 ở mạch điều khiển cấp điện cho đèn H1 sáng báo động cơ đang hoạt động ở chế độ chạy thuận, đồng thời mở tiếp điểm thường dòng để bên mạch contactor K2 đảm bảo an toàn là ngắt điện khi K1 hoạt động.
Khi contactor K1 có điện ngoài việc đóng và mở các tiếp điểm của nó bên mạch điều khiển đồng thời đóng ba tiếp điểm chính bên mạch động lực, cấp nguồn cho động cơ điện không đồng bộ ba pha hoạt động chạy thuận.
Quay ngược:
Muốn cho động cơ hoạt động chạy ngược ta nhấn nút nhấn liên động S1 contactor K2 có điện đóng tiếp điểm phụ K2 của nó (mắc song song với nút nhấn S1 ON) để tự duy trì hoạt động cho cuộn dây K2, đồng thời nút nhấn S1 cũng ngắt mạch contactor K1. Khi contactor K2 có điện hoạt động nó đóng tiếp điểm thường mở K2 ở mạch điều khiển cấp điện cho đèn H2 sáng báo động cơ đang hoạt động ở chế độ chạy ngược, đồng thời mở tiếp điểm thường đóng để bên mạch contactor K1 đảm bảo an toàn là ngắt điện khi K2 hoạt động.
Khi contactor K2 có điện ngoài việc đóng và mở các tiếp điểm của nó bên mạch điều khiển đồng thời đóng ba tiếp điểm chính bên mạch động lực, cấp nguồn cho động cơ điện không đồng bộ ba pha hoạt động chạy ngược.
Dừng động cơ:
Muốn dùng động cơ ta nhấn nút nhấn OFF làm hở mạch cuộn dây K1 hoặc K2 dẫn đến contactor K1 và K2 mất điện (lúc này động cơ đang chạy một trong
hai chế độ) trả các tiếp điểm của chúng về trạng thái ban đầu đèn H1 và đèn H2 tắt: Ba tiếp điểm chính bên mạch điện động lực cũng trở về trạng thái ban đầu (trang thái mở) cắt động cơ điện không đồng bộ ba pha ra khỏi lưới điện ba pha.
Khi động cơ đang hoạt động nếu chạm công tắc hành trình động cơ ngưng hoạt động.
Chức năng khoá chéo:
Trong quá trình làm việc, 2 công tắc tơ không thể làm việc đồng thời, để tránh gây hiện tượng ngắn mạch ở mạch động lực. Vì vậy khi công tắc tơ này làm việc thì nó phải “khoá” công tắc tơ kia. Trong mạch này ta đã dùng tiếp điểm thường đóng của công tắc tơ này khống chế sự hoạt động của công tắc tơ kia
Các dạng bảo vệ:
- Để bảo vệ ngắn mạch cho mạch động lực dùng CB.
- Để bảo vệ ngắn mạch cho mạch điều khiển dùng cầu chì F.
- Để bảo vệ quá tải cho động cơ không đồng bộ ba pha dùng role nhiệt RN.
- Để vảo vệ trạng thái 0 cho mạch điều khiển và mạch động lực kết hợp giữa contactor K1, K2 và nút nhấn S2, S1.
- Để bảo vệ cho người vỏ động cơ được nối đất.
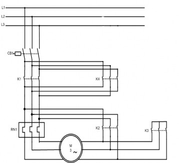
3.1.6 Mạch điều khiển động động cơ 3 pha chạy 2 cấp tốc độ (Mạch DAHLANDER)
Sơ đồ mạch điện:
CB2
K3 K4
K1 K2
RN1
RN2
K5
M 3
L1 L2
L3
Sơ đồ mạch động lực
F
S1
N1 N2
K3
K1
K4
K2
K5
S2 K1
S3
K2
S4 K3
S5
K4
K3 K4
S3
S2
S5
S4
K2
K1
K1
K2
K4
K3
K3
K4
H1
H2
H3
H4
K1
K2
K3
K4
K5
L1
R
R
Sơ đồ mạch điều khiển
Hình 3.14: Mạch điều khiển động động cơ 3 pha chạy 2 cấp tốc độ
Mô tả trang bị điện:
a. Mạch động lực:
- Mạch động lực bao gồm hai CB 3 pha.
- Các tiếp điểm chính của contactor K1, K2, K3, K4 và contactor K5.
- Rơ le nhiệt 3 pha RN1, RN2.
- Động cơ điện không đồng bộ ba pha.
- Động cơ điện không đồng bộ ba pha được cấp điện từ nguồn điện ba pha bốn dây.
b. Mạch điều khiển :
- Cầu chì F3 dùng bảo vệ cho mạch điều khiển.
- Nút nhấn S1 dùng để dừng toàn bộ hoạt động của mạch điện.
- Hệ thống nút nhấn liên động S2, S3, S4, S5 dùng để khởi động trực tiếp cho động cơ.
- Tiếp điểm của Role nhiệt RN1, RN2.
- Cuộn dây contactor K1, K2, K3, K4 và K5.
- Đèn H1 để báo chế độ của động cơ chạy phải, tốc độ thấp.
- Đèn H2 để báo chế độ của động cơ chạy trái, tốc độ thấp.
- Đèn H3 để báo chế độ của động cơ chạy phải, tốc độ cao.
- Đèn H5 để báo chế độ của động cơ chạy trái, tốc độ cao.
- Mạch điều khiển được cấp điện hoạt động bằng nguồn điện xoay chiều một pha.
Nguyên lý hoạt động của sơ đồ mạch điện:
Động cơ không đồng bộ hai cấp tốc độ vận hành theo sơ đồ Đalander là động cơ ra 6 đầu dây T1, T2, T3, T4, T5, T6. Khi chạy tốc độ thấp cấp nguồn vào T1, T2, T3 hở mạch T4, T5, T6. Khi chạy tốc độ cao cấp nguồn vào T4, T5, T6 và nối tắt T1, T2, T3.
Khi nhấn S2, contactor K1 có điện hoạt động và tự duy trì, đèn H1 sáng báo động cơ đang chạy phải tốc độ thấp. Tương tự như vậy, khi nhấn S3 động cơ chạy trái với tốc độ thấp. Việc chuyển mạch chạy từ phải sang trái được thực hiện trực tiếp bằng các nút nhấn liên động nhưng để chuyển từ tốc độ thấp sang cao và ngược lại được thực hiện qua nút nhấn S. Khi nhấn S4, K3 và K5 có điện động cơ chuyển sang chạy phải với tốc độ cao. Khi nhấn S5, K4 và K5 có điện động cơ chuyển chuyển sang chạy phải với tốc độ cao. Các khởi động từ K1 và K2 cũng như K3 và K4 khóa chéo lẫn nhau. Muốn dừng hoạt động toàn mạch ta nhấn nút S1.
Các dạng bảo vệ :
- Để bảo vệ ngắn mạch cho mạch động lực dùng hệ thống ba cầu chì F1, F2.
- Để bảo vệ ngắn mạch cho mạch điều khiển dùng cầu chì F3.
- Để bảo vệ quá tải cho ba động cơ không đồng bộ ba pha dùng role nhiệt RN1, RN2.
- Để bảo vệ trạng thái 0 cho mạch điều khiển và mạch động lực kết hợp giữa contactor K1, K2, K3, K4, K5, nút nhấn S2, S3, S4, S5.
- Để bảo vệ cho người và thiết bị võ động cơ, tủ lắp đặt thiết bị điều khiển phải được nối với hệ thống đất thông qua dây tiếp đất PE.
Phạm vi ứng dụng của mạch điện :
Mạch điện được ứng dụng trong thực tế cuộc sống ở một số lĩnh vực như : Truyền động cho bàn sa dao máy ngang, truyền động trục chính trong một số máy công cụ như máy tiện, máy khoan đứng, máy phay, bào như máy tiện 1K62, T6M16.
5.1.7 Mạch dừng động cơ 3 pha có hãm dùng rơ le vận tốc
5.1.7.1 Mạch đổi chiều của động cơ xoay chiều 3 pha dừng hãm động năng.
Sơ đồ mạch điện:

Mô tả trang bị điện:
a. Mạch động lực:
- Mạch động lực bao gồm một CB 3 pha.
- Các tiếp điểm chính của contactor K1 và contactor K2.
- Rơle nhiệt 3 pha RN.
- Rơle thời gian một chiều.
- Động cơ điện không đồng bộ ba pha được cấp nguồn điện ba pha.
b. Mạch điều khiển:
- Cầu chì F2 dùng bảo vệ cho mạch điều khiển.
- Nút nhấn OFF dùng để dừng toàn bộ hoạt động của mạch điện.
- Tiếp điểm của Rơle nhiệt RN.
- Hệ thống nút nhấn liên động S1 và S2 dùng để dừng và khởi động đảo chiều trực tiếp cho động cơ.
- Cuộn dây contactor K1, K2 và Hh.
- Đèn H1 (màu xanh) để báo chế độ của động cơ chạy thuận.
- Đèn H2 (màu đỏ) để báo chế độ của động cơ chạy ngược.
Nguyên lý hoạt động:
Ở đây mạch đảo chiều động cơ đã được trình bày trong bài trước nên không trình bày lại, chỉ giải thích quá trình hãm. Khi động cơ đang chạy thuận lúc này contactor K1 có điện đóng tiếp điểm thường mở cấp điện cho rơle thời gian một chiều. Rơle thời gian một chiều RT có điện đóng tiếp điểm thường mở cấp điện cho rơle thời gian một chiều. Rơle thời gian một chiều RT có điện đóng tiếp điểm mở đóng nhanh mở chậm RT ở mạch Hđ nhưng rơle Hđ vẫn
chaư có điện hoạt động do lúc bấy giờ tiếp điểm thường đóng của contactor K1 vẫn đang mở ra.
Muốn dừng động cơ ta nhấn nút nhấn OFF contactor K1 mất điện trả các tiếp điểm của nó về trạng thái bann đầu contactor Hđ có điện đóng tiếp điểm thường mở Hđ mạch hãm cấp điện một chiều qua điện trở hạn chế dòng R để hãm động cơ. Contactor Hđ chỉ mở ra sau một thời gian nhất định. Thời gian này lớn hơn thời gian hãm một ít và được chỉnh định trên rơle RT. Khi tiếp điểm của nó mở ra ngắt nguồn điện một chiều toàn bộ hệ thống trở về trạng thái ban đầu.
Các dạng bảo vệ:
- Để bảo vệ ngắn mạch cho mạch động lực dùng CB.
- Để bảo vệ ngắn mạch cho mạch điều khiển dùng cầu chì F.
- Để bảo vệ quá tải cho động cơ không đồng bộ ba pha dùng role nhiệt RN.
- Để vảo vệ trạng thái 0 cho mạch điều khiển và mạch động lực kết hợp giữa contactor K1, K2 và nút nhấn S2, S1.
- Để bảo vệ cho người vỏ động cơ được nối đất.
Phạm vi ứng dụng của mạch điện:
Trong quá trình cắt ren của máy tiện, khi dao cắt đi hết hành trình cắt thì lập tức người thợ phải kéo dao ra, đồng thời đổi chiều quay trục chính để đưa dao về vị trí cắt ban đầu, chuẩn bị cho hành trình cắt tiếp theo. Việc đổi chiều quay yêu cầu diễn ra một cách nhanh chóng không có đủ thời gian cho người thợ sử dung thêm thao tác ấn nút dừng. Truyền động cho bàn sa dao máy ngang, truyền động trục chính trong một số máy công cụ như máy tiện, máy khoan đứng, máy phay, bào như máy tiện 1K62, T6M16 .... Truyền động cho máy trộn và một số máy nâng vận chuyển như cần trục ....
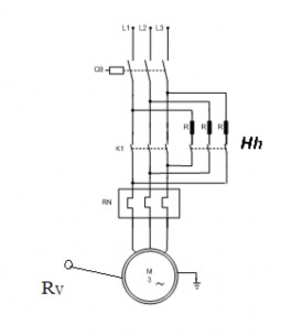
Mạch dừng động cơ 3 pha có hãm bằng phương pháp hãm ngược dùng rơ le vân tốc:

Sơ đồ mạch điện:
1
F
OFF
RN
S2 K1
RV
K1
Hh
Hh
K1
H1
H2
N
K1
H h
L
Hình 3.16: Mạch dừng đc 3 pha có hãm bằng phương pháp hãm ngược dùng rơ le vân tốc
Mô tả trang bị điện:
a. Mạch động lực:
- Mạch động lực bao gồm một hệ thống cầu chì gồm ba cầu chì F1.
- Các tiếp điểm chính của contactor K1 và contactor K2.
- Rơle nhiệt 3 pha RN.
- Động cơ điện không đồng bộ ba pha.
- Động cơ điện không đồng bộ ba pha được cấp điện từ nguồn điện ba pha bốn dây.
b. Mạch điều khiển:
- Cầu chì F2 dùng bảo vệ cho mạch điều khiển.
- Nút nhấn OFF dùng để dừng toàn bộ hoạt động của mạch điện.
- Tiếp điểm của Rơle nhiệt RN.
- Cuộn dây contactor K1 và Hh
- Đèn H1 (màu xanh) để báo chế độ của động cơ đang hoạt động.
- Đèn H2 (màu đỏ) để báo động cơ đang ở chề độ hãm .
- Mạch điều khiển được cấp điện hoạt động bằng nguồn điện xoay chiều một pha.
Nguyên lý hoạt động:
- Khi ấn nút khởi động S2, mạch công tắc tơ K1 đóng và động cơ M khởi động. Tiếp điểm khoá lẫn td. K1 ở mạch côngtắtơ hãm ngược Hh mở. Tiếp điểm của rơle vận tốc RV mở ra cho đến khi động cơ đạt đến vận tốc cần thiết để tạo nên sức điện động đẩy các tiếp điểm; lúc đó tiếp điểm RV trong mạch côngtăctơ Hn đóng lại, nhưng côngtăctơ Hh chưa khởi động, vì tiếp điểm td K1 đang mở. Đây là trạng thái đang làm việc của máy.
- Khi ấn nút dừng OFF, côngtăctơ K1nhã ngắt động cơ điện khỏi mạng điện. Cùng lúc tiếp điểm td K1 ở trong mạch côngtăctơ Hn đóng lại. Vì tiếp điểm tm của rơle vận tốc RV đã đóng, nên côngtăctơ Hh khởi động, các tiếp điểm chính của nó đấu động M quay ngược chiều. Động cơ bị hãm nhanh, vận tốc giảm nhanh. Khi số vòng quay của động cơ giảm đến mức nhất định, tiếp điểm của rơle vận tốc RV nhả ra, ngắt mạch của cuộn dây côngtăctơ Hh động cơ bị ngắt khỏi mạng điện và dừng lại.
- Khi điều chỉnh đúng rơle trong khoảng thời gian từ thời điểm tiếp điểm rơle RV đến thời điểm ngắt dòng điện hãm bằng côngtăctơ Hh, số vòng quay của động cơ gần giảm xuống bằng không, nếu không động cơ sẽ quay ngược lại, và có thể gây nên sự cố. Sau khi ngắt mạch côngtăctơ Hh, hệ thống hãm ngược có thể lặp lại chu kỳ làm việc.
Các dạng bảo vệ:
- Để bảo vệ ngắn mạch cho mạch động lực dùng CB.
- Để bảo vệ ngắn mạch cho mạch điều khiển dùng cầu chì F.
- Để bảo vệ quá tải cho động cơ không đồng bộ ba pha dùng role nhiệt RN.
- Để vảo vệ trạng thái 0 cho mạch điều khiển và mạch động lực kết hợp giữa contactor K1, K2 và nút nhấn S2, S1.
- Để bảo vệ cho người vỏ động cơ được nối đất.
Phạm vi ứng dụng của mạch điện:
Người ta thiết kế mạch khởi động và dừng động cơ nhiều nơi cho thuận tiện trong công việc như truyền động cho băng tải chuyển sản phẩm trong sản xuất khi yêu cầu băng tải chỉ chạy theo một hướng, truyền động cho một máy công cụ như máy mài, máy khoan đứng, dùng điều khiển động cơ bơm nước làm mát trong máy tiện, phay, bào như máy tiện 1K62; T6M16.
Mạch điều khiển động cơ không đồng bộ khởi động sao-tam giác dừng bằng phương pháp hãm ngược.
Sơ đồ mạch điện:

Hình 15.1a: Sơ đồ mạch động lực

Hình 16.1b: Sơ đồ mạch điều khiển
Mô tả trang bị điện:
a. Mạch động lực:
- Mạch động lực gồm một CB 3 pha.
- Các tiếp điểm chính của contctor K1, contactor K2 và contctor K3
- Rơle nhiệt 3 pha RN.
- Rơle vận tốc.






