Áp suất xả van an toàn cấp I đặt, barG: 5,5
Áp suất xả van an toàn cấp II đặt, barG: 11(hoặc theo quy định của hệ thống CN)
![]()
Áp suất xả van an toàn bình chứa đặt, barG: 11(hoặc theo quy định của hệ thống CN)
Hành trình piston, mm: 102
Số vòng quay động cơ dẫn động, vg/ph: 1450
Kiểu dẫn động: Từ động cơ điện qua bộ truyền động đai.
Chiều quay của máy nén: Chiều kim đồng hồ nếu nhìn từ phía động cơ
Nhớt sử dụng: Vitrea 100

Có thể bạn quan tâm!
-
Báo cáo thực tập cao đẳng nghề dầu khí - 6 -
Báo cáo thực tập cao đẳng nghề dầu khí - 7 -
Báo cáo thực tập cao đẳng nghề dầu khí - 8 -
Báo cáo thực tập cao đẳng nghề dầu khí - 10 -
Báo cáo thực tập cao đẳng nghề dầu khí - 11 -
Báo cáo thực tập cao đẳng nghề dầu khí - 12
Xem toàn bộ 113 trang tài liệu này.
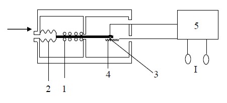
Hình I.2. 35 Máy nén T30
CHƯƠNG 3. HỆ THỐNG ĐIỀU KHIỂN PLC
3.1. Tổng quan hệ thống điều khiển PLC

Hình I.3. 1 Hệ thống PLC
a. Mức 0: các thiết bị vận hành
Bao gồm các thiết bị cảm biến và các thiết bị vận hành ( các van điều khiển, bơm…).
b. Mức 1: hệ thống điều khiển quá trình (PCS)
![]()
Gồm các CPU được phân chia thành hai hệ thống là: Hệ thống điều khiển chính
![]()
Hệ thống điều khiển dự phòng.
Ngoài ra còn có hệ thống nút điều khiển bằng tay.
c. Mức 2: Hệ thống giám sát
Bao gồm hai trung tâm sử dụng phần mềm FIX DMAS SCADA, hai trung tâm này hoạt động song song, giống hệt nhau về cả phần mềm và thiết bị phần cứng.
d. Mức 3: Khu vực quản lý thông tin dữ liệu: gồm
![]()
![]()
Trung tâm theo dòi giám sát 1 Trung tâm quản lý
![]()
![]()
Giao diện thu nhận dữ liệu Hệ thống radio.

Hình I.3. 2 Hệ thống PLC trên giàn
3.2. Các thiết bị trong hệ thống điều khiển
3.2.1. Van điều khiển lưu lượng ( Flow Control Valve)
![]()
![]()
Cấu tạo: bộ điều khiển van gồm 2 module: Module khí: đưa khí nén đến đóng mở van.
![]()
Module I/P: biến đổi tín hiệu điện thành tín hiệu điều khiển module khí
![]()
Nguyên lý làm việc:
Khi có tín hiệu dòng điện điều khiển (4-20 mA) từ trung tâm tới Module I/P, theo các giá trị khác nhau của dòng điều khiển mà Module I/P sẽ đưa áp suất khí điều khiển khác nhau tới Module khí. Module khí sẽ điều chỉnh áp suất khí vào xi lanh của Actuator. Khí nén vào xi lanh tác dụng đẩy piston, ty đẩy và ty van đi lên mở van cho dòng chất lỏng đi qua. Module khí có hệ thống nhận tín hiệu phản hồi định vị vị trí của ty đẩy để điều khiển mức mở của van theo dòng điều khiển.
Khi dòng tín hiệu điều khiển nhỏ hơn hoặc bằng 4mA, Module I/P đưa ra áp suất khí điều khiển nhỏ hơn 3psi (~0,2Bar) và Module khí ngắt dòng khí nén vào Actuator, lúc này van sẽ đóng lại.
3.2.2. Các cảm biến
a) Cảm biến áp suất
Sử dụng thiết bị đo chênh áp giữa áp suất trong lòng ống và áp suất môi trường. Sự chênh áp này làm thay đổi điện trở, được khuyếch đại và đưa về trung tâm điều khiển bằng MTL và computer metering.
Cảm biến áp suất dùng để đo áp suất chất lỏng và khí trong đường ống.
Cấu tạo:
+ Lò xo điều chỉnh (1).
+ ống xếp (2).
+ Con trượt (3).
+ Điện trở thay đổi (4).
+ Bộ xử lý tín hiệu (5).

Hình I.3. 3 Cấu tạo của cảm biến áp suất
Nguyên lý làm việ c:
Khi áp suất thay đổi, ống xếp đàn hồi di động làm con trượt thay đổi vị trí dẫn đến điện trở thay đổi. Giá trị điện trở thay đổi dẫn đến sự thay đổi dòng điện trong bộ chuyển đổi. Bộ chuyển đổi này sẽ tạo ra tín hiệu đầu ra là dòng điện Ir = 4- 20mA.
b) Cảm biến mức
Được sử dụng để đo mức chất lỏng trong các thiết bị như: bình tách, bồn chứa…
Cấu tạo:
+ Bộ chuyển đổi chênh áp (hiệu áp suất ΔP).(1)
+ Bộ chuyển đổi chênh áp - điện trở.(2)
+ Bộ chuyển đổi điện trở - dòng điện.(3)

Hình I.3. 4 Sơ đồ cấu tạo cảm biến mức
Nguyên lý làm việc:
Do làm việc trong môi trường đặc biệt (dễ cháy nổ), các thiết bị như: bồn chứa, bình tách.... đều kín không thông với khí quyển nên chiều cao của mức chất lỏng được xác định nhờ hiệu áp suất tĩnh. Khi chiều cao h thay đổi, điện trở thay đổi, do đó dòng điện đầu ra Ir của bộ cảm biến mức sẽ thay đổi theo.
8
I
6
4
2
7
5
3
1
C
P
P
c) Cảm biến lưu lượng Cấu tạo:
- Đĩa có lỗ (1).
- Màng đàn hồi (2).
- Bộ chuyển đổi hiệu áp suất (3).
- Tay đòn (4).
- Điểm tựa (5).
- Bộ chuyển đổi lực - điện trở (6).
- Bộ chuyển đổi dòng điện - lực (7).
- Bộ xử lý tín hiệu điện (8)
Hình I.3. 5 Cấu tạo bộ cảm biến lưu lượng
Nguyên lý làm việc:
ΔP
2g
γ
Q = K K = µ A
Trong đó:
Q: Lưu lượng chất lỏng, khí.
ΔP: Hiệu áp suất đầu ra, đầu vào của đĩa.
A: Tiết diện lỗ đĩa
g: Gia tốc trọng trường.
γ: Khối lượng riêng của chất lỏng, khí.
µ: Hệ số chảy phụ thuộc kết cấu của đĩa.
Dòng chảy (khí, lỏng) đi qua đĩa tạo nên sự chênh áp ΔP = P1 - P2. Màng đàn hồi biến đổi điện áp thành một lực di động một đầu tay đòn quanh điểm tựa. Một đầu kia của tay đòn chuyển lực của tay đòn dẫn đến sự thay đổi của điện trở. Bộ xử lý tín hiệu sẽ cho ra tín hiệu là dòng điện thay đổi 4-20 mA. Bộ chuyển đổi dòng điện - lực sẽ giữ đòn bẩy ở thế cân bằng.
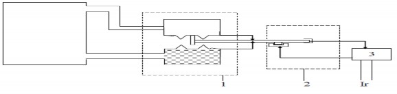
3.3. Hệ thống điều khiển mức và áp suất của bình tách
Nguyên lý làm việc
Khi dầu vào bình được đưa đến tấm chặn, các tấm chặn có tác dụng làm ổn định mức chất lỏng với dòng chảy có xung động lớn. Dựa trên sự va đập của dầu vào các tấm chặn nên các bọt khí trong dầu được tách ra và bay lên phía trên do tỷ trọng nhẹ hơn. Trong quá trình va đập, dưới tác dụng của trọng lực chất lỏng nặng hơn có hướng chuyển động xuống phía dưới, còn khí lên phía trên, đồng thời nước trong dầu cũng được tách ra và đưa ra ngoài theo van 100/16. Khí này cũng được xử lý lại một lần nữa bằng cách đặt một tấm chặn có cấu tạo đặc biệt hơn, dưới tác dụng của tấm chặn này dầu có thể xem là hoàn toàn được tách ra. Ở đây, nếu không có bộ chỉ thị mức và áp suất thì dầu sẽ theo đường dầu, khí sẽ theo đường khí, lúc đấy trong bình mức và áp suất sẽ không giữ được ở vị trí ổn định. Do vậy mà người ta có đặt bộ điều chỉnh mức và áp suất để duy trì sự ổn định của dầu.
Điều chỉnh áp suất:
Áp suất của bình tách phụ thuộc vào lượng khí tách ra từ dầu, lượng khí đi qua van điều khiển đến hệ thống thu gom khí và thể tích chứa khí trong bình. PT 501 (Pressure transmitter) là bộ cảm biến áp suất trong bình tách. Tín hiệu ra được so sánh với các ngưỡng đặt trước là PSL 501 và PSH 501. Nếu áp suất vượt quá các giá trị này sẽ xuất hiện tín hiệu báo động áp suất cao PAH 501 và áp suất thấp PAL 501. Tín hiệu từ PT còn được đưa vào bộ điều khiển PC 501. Tín hiệu ra của bộ điều khiển tác động vào bộ biến đổi dòng áp suất PY 501 để điều khiển van PCV 501 (Pressure Control Valve), nếu áp suất cao van PCV sẽ mở lớn để khí đi qua nhiều và ngược lại nếu áp suất thấp van PCV sẽ được đóng lại. Trong trường hợp sự cố van này sẽ mở hoàn toàn.
Ngoài PT còn có van an toàn với giá trị đặt 27,5 Atm. Khi áp suất vượt quá giá trị này, van an toàn mở đưa khí về đường Flare. Hệ thống xảy ra sự cố dừng công nghệ nếu 2 rơle áp suất thấp PSLL 501 và rơle áp suất cao PSHH 501 tác động. Khi PSHH 501 tác động sẽ phát tín hiệu PSD tác động lên van SOL XY 502. Van XY 502 đóng nguồn khí nuôi làm van sự cố đóng lại.
Người vận hành theo dòi áp suất tại bình tách nhờ bộ chỉ thị tại chỗ PI 501 và PI 503 và tại phòng điều khiển chung nhờ tín hiệu PIR.
Điều chỉnh mức bình tách:
Mức của bình tách phụ thuộc vào lưu lượng dầu vào từ đường thu gom và lưu lượng ra qua van điều khiển LCV 501. Tín hiệu ra của LT 501 tỉ lệ với mức bình tách. Tín hiệu này được đưa so sánh với trị số mức thấp LSL 501 và trị số mức cao LSH 501. Nếu vượt quá các trị số này, hệ thống sẽ cho các thông báo mức thấp LAL 501 hoặc mức cao LAH 501. Tín hiệu của LT 501 còn được đưa vào bộ điều khiển LC 501. Tín hiệu ra của bộ điều khiển LC 501 sẽ điều khiển van LCV 501 thông qua bộ biến đổi dòng áp LY 501.
Để nâng cao độ tin cậy trong hệ thống còn sử dụng rơle mức thấp LSLL 501 và rơle mức cao LSHH 501. Khi một trong hai rơle này tác động sẽ xuất hiện tín hiệu PSD hoặc LALL 501 hoặc LAHH 501. Nếu LSLL tác động van SOL LXY 501






