Bài 7.2: Tiện trục lệch tâm trên mâm cặp 3 chấu, 4 chấu (06 tiết)
A. Phương tiện và trang thiết bị dạy học
1. Phương tiện
Giáo án, đề cương, phấn bảng, máy chiếu, bản vẽ, ...
2. Trang thiết bị
Tên và các thông số kỹ thuật của thiết bị, dụng cụ; nguyên, nhiên vật liệu tiêu hao | Đơn vị | SL | Ghi chú | Bổ sung | |
1 | Thiết bị, dụng cụ (cho 01 SV) | ||||
- Máy tiện vạn năng (Mâm cặp 3 chấu, 4chấu ,chìa vặn) | Cái | 01 | |||
- Mũi tâm cố định hoặc quay | Cái | 01 | |||
- Máy mài dụng cụ cắt (dùng chung) | Cái | 01 | |||
- Dụng cụ đo: thước cặp 1/50, thước lá | Bộ | 01 | |||
- Dụng cụ cắt: dao tiện ngoài (đầu cong, dao vai: T15K6 hoặc P18); mũi khoan tâm | Bộ | 01 | |||
2 | Nguyên nhiên, vật liệu tiêu hao (cho 01 SV) | ||||
- Thép CT45( 40x100)mm | Cái | 01 | |||
- Dầu máy | Lít | ||||
- Dẻ lau | Kg | 0,2 | Hủy | ||
3 | Khác |
Có thể bạn quan tâm!
-
Chuẩn Bị: Máy, Dụng Cụ Cắt, Dụng Cụ Đo, Dụng Cụ Rà Gá Và Phôi Theo Yêu Cầu Của Chi Tiết Hộp Cần Gia Công. -
Dạng Sai Hỏng, Nguyên Nhân Và Biện Pháp Khắc Phục -
Phương Pháp Tiện Bạc Lệch Tâm Khi Gá Phôi Trên Mâm Cặp -
Phương Pháp Tiện Trục Lệch Tâm Gá Trên Hai Mũi Tâm -
Phương Tiện Dạy: Giáo Án, Đề Cương, Phấn Bảng, Máy Chiếu, Bản Vẽ, . -
Thực hành tiện nâng cao - 17
Xem toàn bộ 150 trang tài liệu này.
B. Thực hiện bài học
1. Mục tiêu bài học
Sau khi học xong bài này, SV có khả năng:
Về kiến thức
- Biết tính toán và xác định độ lệch tâm trên chi tiết trục lệch tâm.
- Biết phương pháp gá đặt phôi trên mâm cặp 3 chấu, 4 chấu để tiện chi tiết trục lệch tâm.
Về kỹ năng
- Gá đặt được phôi trên mâm cặt để tiện trục lệch tâm
- Tiện được chi tiết trục lệch tâm đảm bảo yêu cầu kỹ thuật.
Về thái độ
Nghiêm túc, tự giác trong quá trình học tập, rèn luyện tác phong sản xuất công nghiệp. Đảm bảo an toàn lao động, vệ sinh môi trường.
2. Nội dung bài học
2.1. Đặc điểm của trục lệch tâm
- Trục lệch tâm là những trục có ít nhất từ 2 cổ trục trở lên.
- Đường tâm và đường sinh của các cổ trục luôn song song với nhau.
- Đường tâm của các cổ trục không đồng tâm với nhau, mà lệch nhau một khoảng, khoảng lệch đó được gọi là độ lệch tâm của các cổ trục, ký hiệu là (e).
- Độ lệch tâm (e) của các cổ trục có thể nằm trong, hoặc không nằm trong mặt đầu của phôi (nhỏ hơn hoặc lớn hơn bán kính phôi).
Việc gia công trục lệch tâm càng nhiều cổ trục càng phức tạp, nhất là khi độ lệch tâm (e) giữa các cổ trục lớn hơn bán kính của phôi.
Khi sử dụng mâm cặp 3 chấu hoặc 4 chấu, thường dùng để tiện các trục lệch tâm với 2 cổ trục, chiều dài từng cổ trục ngắn.
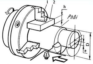
2.2. Định vị và kẹp chặt phôi trên mâm cặp để tiện trục lệch tâm
2.2.1. Trên mâm cặp 3 chấu
- Phôi phải được khỏa mặt đầu, tiện đạt đường kính ngoài của 1 cổ trục.
- Khi gá trên mâm cặp 3 chấu, sử dụng tấm đệm (chiều dày tấm đệm tính tương tự như khi tiện bạc lệch tâm trêm mâm cặp 3 chấu), đệm vào 1 chấu của mâm cặp, tương tự như khi tiện bạc lệch tâm (Hình vẽ 7.5). Lưu ý rà cho đường sinh của trục song song với tâm máy trước khi kẹp chặt phôi.

Hình 7.5 Tiện trục lệch tâm trên mâm cặp ba chấu
2.2.2. Trên mâm cặp 4 chấu
- Phôi đã được khỏa mặt đầu, tiện đạt kích thước của 1 cổ trục và lấy dấu khoảng lệch tâm, đường kính cổ trục lệch tâm cần tiện (tương tự như khi tiện bạc lệch tâm trên mâm cặp 4 chấu), như hình 7.6
- Thực hiện rà, gá phôi:
Hình 7.6 Rà gá phôi trên mâm cặp bốn chấu
Bước 1: Gá phôi trên mâm cặp 4 chấu, rồi rà tròn theo đường kính ngoài (Lưu ý: đường vạch dấu đi qua tâm mặt trụ ngoài và mặt trụ trong ở mặt đầu của phôi phải đưa về vị trí giữa của một chấu cặp, như hình 7.6).
Bước 2: Điều chỉnh 2 vấu A, B để tâm mặt trụ trong trùng với tâm máy, kẹp chặt 2 vấu C, D rồi kẹp chặt 2 vấu A, B (hình 7.7)
Lưu ý rà cho đường sinh của trục song song với tâm máy trước khi kẹp chặt phôi trên mâm cặp 4 chấu.
A
A
B
C D C D
B
Hình 7.7 Rà gá trên mâm cặp bốn chấu
2.4. Chọn dao: Chọn dao tiện chi tiết trục lệch tâm thực hiện tương tự như khi tiện mặt trụ ngoài.
2.5. Chọn chế độ cắt: Khi gia công lệch tâm chế độ cắt giống tiện trụ, tuy nhiên ban đầu khi gia công quá trình cắt thường rung động nên thường giảm chế độ cắt để giảm quá trình rung động
2.5. Trình tự thực hiện
2.5.1. Chuẩn bị
- Chuẩn bị phôi: kiểm tra kích thước và loại vật liệu;
- Chuẩn bị máy tiện: kiểm tra sự hoạt động của máy, đảm bảo độ an toàn;
- Chuẩn bị trang thiết bị theo máy: mâm cặp 3 chấu, 4 chấu, đồng hồ so, đài
vạch;
- Chuẩn bị dụng cụ cắt: dao tiện ngoài;
- Chuẩn bị dụng cụ đo: thước cặp, pan me, vạch dấu, chấm dấu;
- Chuẩn bị dụng cụ phục vụ vệ sinh công nghiệp.
2.5.2. Gá phôi và gá dao
- Định vị và kẹp chặt phôi trên mâm cặt 3 chấu hoặc 4 chấu.
- Gá dao tương tự như khi tiện ngoài.
2.5.3. Điều chỉnh và vận hành máy tiện
- Điều chỉnh các tay gạt trên hộp tốc độ trục chính và hộp tốc độ chạy dao theo tốc độ đã được xác định để tiện.
- Vận hành máy: Kiểm tra sự an toàn của máy trước khi cho máy chạy, dao chưa tham gia cắt gọt.
2.5.4. Trình tự các bước gia công
Bước 1: Tiện thô, tính toán để lượng dư cho tiện tinh Bước 2: Kiểm tra
Bước 3: Tiện tinh mặt trụ.
Bước 4: Kiểm tra kết thúc: Thực hiện kiểm tra tổng thể sản phẩm trước khi tháo ra khỏi máy.
2.6. Các dạng sai hỏng, nguyên nhân và cách phòng ngừa
Dạng sai hỏng | Nguyên nhân | Cách khắc phục | |
1 | Độ lệch tâm (e) không chính xác | - Vạch dấu không chính xác, - Rà, gá phôi chưa đúng | - Vạch dấu và rà chính xác, kiểm tra lại trước khi gia công. Dùng đồng hồ so để kiểm tra lại khoảng dịch chuyển của các vấu. |
2 | Đường tâm của các cổ trục không song song với nhau | - Gá phôi không song song với tâm máy. - Phôi bị chuyển vị trong quá trình gia công | - Phải rà tròn kết hợp với rà song tâm. - Gá phôi đủ chặt, giảm chế độ cắt |
- Chế độ cắt chưa hợp lý, | - Chọn chế độ cắt hợp lý. | ||
- Thông số hình học của | - Chọn góc độ dao hợp lý. | ||
3 | Độ nhám bề mặt không đạt | dao chưa hợp lý, dao bị cùn. | - Gá dao, phôi chắc chắn, giảm |
- Rung động trong quá | chế độ cắt. | ||
trình cắt gọt |
3. Tổ chức luyện tập kỹ năng
3.1. Yêu cầu luyện tập
a. Bản vẽ
b. Yêu cầu: Tiện chi tiết trục lệch tâm trên mâm cặp ba chấu hoặc bốn chấu theo yêu cầu bản vẽ (số lượng 01)
3.2.2. Trình tự các bước gia công
Trình tự | Sơ đồ | Yêu cầu kỹ thuật | |
1 | Bước 1: Gá dao và phôi | - Mũi dao phải ngang tâm chi tiết - Phôi gá trên mâm cặp 4 chấu đủ chặt, kích thước đúng như sơ đồ | |
2 | Bước 2: Tiện mặt đầu | S1 n = 600-900 v/ph; t = 0,5mm; S= tay | Khỏa mặt đầu đạt L=48.5 |
3 | Bước 3: Tiện thô trụ 32.5 | S n = 400-600 v/ph; t = 1,5mm; S= 0,2mm/vg | Kiểm tra lượng dư để lại cho bước tiện tinh |
Bước 4: Tiện tinh 32 và vát mép | S2 S1 n = 600-900 v/ph; t = 0.5mm; S = 0,05mm/vg | Đo kiểm chính xác kích thước | |
5 | Bước 5: | Gá phôi sao cho | |
Khỏa mặt | dao có thể tiện hết | ||
đầu và tiện | bề mặt trụ, cần | ||
trụ 40 | đảm bảo độ nhám | ||
S1 | bề mặt 40 | ||
S2 | |||
n = 600-900 v/ph; t = 0,5mm; S = 0,05mm/vg | |||
6 | Bước 6: Rà gá lệch tâm e = 2 trên mâm cặp bốn chấu | n = tay | |
7 | Bước 7: Tiện thô lệch tâm | S2 S1 n = 300-600 v/ph; t = 0,5mm; S = 0,1mm/vg | Tiện được trụ đạt kích thước 32-0,1 |
4
Bước 8: Tiện tinh lệch tâm | S2 S1 n = 600-900 v/ph; t = 0,2mm; S = 0,05mm/vg | ||
9 | Bước 8: Kiểm tra | Kiểm tra đường kính và chiều dài mặt trụ theo yêu cầu bản vẽ |
8
4. Hướng dẫn tự học
a. Ưu điểm và nhược điểm của mâm cặp bốn trấu khi gia công lệch tâm.
b. Ưu điểm và nhược điểm của phương pháp tiện lệch tâm trên mâm cặp ba trấu sử dụng căn đệm.
Bài 7.3: Tiện trục lệch tâm khi gá trên 2 mũi tâm (06 tiết)
A. Phương tiện và trang thiết bị dạy học
1. Phương tiện
Giáo án, đề cương, phấn bảng, máy chiếu, bản vẽ, ...
2. Trang thiết bị
Tên và các thông số kỹ thuật của thiết bị, dụng cụ; nguyên, nhiên vật liệu tiêu hao | Đơn vị | SL | Ghi chú | Bổ sung | |
1 | Thiết bị, dụng cụ (cho 01 SV) | ||||
- Máy tiện vạn năng (Mâm cặp 3 chấu, 4chấu ,chìa vặn) | Cái | 01 | |||
- Mũi tâm cố định hoặc quay | Cái | 01 | |||
- Máy mài dụng cụ cắt (dùng chung) | Cái | 01 | |||
- Dụng cụ đo: thước cặp 1/50, thước lá | Bộ | 01 | |||
- Dụng cụ cắt: dao tiện ngoài (đầu cong, dao vai: T15K6 hoặc P18); mũi khoan tâm | Bộ | 01 | |||
2 | Nguyên nhiên, vật liệu tiêu hao (cho 01 SV) | ||||
- Thép CT45( 40x100)mm | Cái | 01 | |||
- Dầu máy | Lít | ||||
- Dẻ lau | Kg | 0,2 | Hủy | ||
3 | Khác |
B. Thực hiện bài học
1. Mục tiêu bài học
Sau khi học xong bài này, SV có khả năng:
Về kiến thức
- Biết phương pháp gá đặt chi tiết trên mâm cặp 3 chấu, 4 chấu để tiện lệch
tâm.
Về kỹ năng
- Tiện được chi tiết trục lệch tâm đảm bảo yêu cầu kỹ thuật.
Về thái độ
- Nghiêm túc, tự giác trong quá trình học tập, rèn luyện tác phong sản xuất
công nghiệp. Đảm bảo an toàn lao động, vệ sinh môi trường.






