I.1 Đo công suất tác dụng
Công suất và năng lượng là các đại lượng cơ bản của hệ thống điện. Các đại lượng này có liên quan nhiều đến nền kinh tế quốc dân, vì vậy việc xác định công suất và năng lượng là nhiệm vụ rất quan trọng.
- Đối với mạch một chiều công suất tác dụng được tính theo biểu thức:
P=UI
- Với mạch xoay chiều một pha:
T T
P=UI= 1Pdt U.Icos.dt
T 0 0
- Với mạch xoay chiều 3 pha:
T
P= 1 Ptdt U I cos +U I cos +U I cos
T0
f1 f 1 1 f2 f 2 2 f3 f 3 3
Nếu mạch 3 pha hoàn toàn đối xứng ta có:
![]()
P= 1 3U I cos = 3U I cos
T f f d d

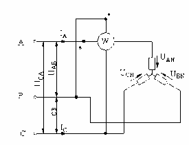
Tuy nhiên trong mạch điện 3 pha thực tế, phụ tải thường không đối xứng. Để thực hiện phép đo công suất tổng trong mạch 3 pha ta hãy xét trường hợp chung, đó là mạch 3 pha 3 dây với tải hình sao không có dây trung tính với tải bất kỳ:
Trong đó:
U AB ,UBC ,UCA
là các giá trị tức thời của điện áp dây
U AN ,U BN ,UCN
là các giá trị tức thời của điện áp fa
iA , iB , iC là các dòng tức thời của các pha
Có thể viết các phương trình sau: tại N ta có: iA iB iC =0
kI I cos() K U
I sin SQ
u
u 2 Z
S d
Ta có
Zu
iC iA iB
=>P= U AN iA UBN iB UCN iA UCN iB (U AN UCN )iA (U BN UCN )iB
P=U ABiA U BN iB
Dựa vào kết quả trên ta có thể tính công suất trong mạch 3 pha theo một trong
3 biểu thức:
P=U AC iA U BC iB P=U ABiA UCBiC P=U BAiB UCAiC
I.2 Đo công suất tác phản kháng
Công suất phản kháng được tính theo biểu thức:
Q=UIsin
I.2.1 Đo công suất phản kháng trong mạch một pha
Khác với công suất tác dụng, công suất phản kháng tỉ lệ với sin . Để tạo ra
được góc sin phải làm sao tạo được góc lệch
2
giữa véctơ dòng và áp
của cuộn dây điện áp trong oatmet. Muốn vậy người ta mắc them một điện trở
R1 song song với cuộn áp sau đó mắc nối tiếp cuộn dây điện cảm L2 và điện
trở R2. Với cách mắc trên đẵ tạo ra được góc lệch pha giữa U và Iu trong cuộn
áp một góc
2
bằng cách chọn các thong số của mạch thích hợp.
Khi đó góc lệch của oatmet là:
kI I cos( ) K U
I sin SQ
u
u 2 Z
S= k/Zu : Độ nhạy của oátmet phản kháng
I.2.2 Đo công suất phản kháng trong mạch 3 pha
Công suất phản kháng của mạch 3 pha có thể coi là tổng công suất phản
kháng của từng pha.
Q U fA I fA sin A U fB I fB sinB U fC I fC sin C
Khi tải đối xứng ta có:
Q 3U f I f sin
Để công suất phản kháng của mạch 3 pha tải đối xứng, ta có thể sử dụng oátmet đo công suất tác dụng nhưng mắc theo sơ đồ sau dưới. Trong đó cuộn dòng của oatmet mắc vào pha A, cuộn áp mắc vào pha B và pha C.


Đồ thị véc tơ Trong trường hợp này ta có:
Q U I cos(I¼U ) U I cos() U I
sin
A BC A A BC d d 2 d d
Theo sơ độ vectơ
I¼U
A BC2
Công suất phản kháng trong mạch 3 pha đối xứng được tính:
![]()
Q3 f
3QA
3Ud Id sin
![]()
ChươngV. CÁC TIÊU CHUẨN THỬ NGHIỆM
I. Định nghĩa về các đại lượng của công tơ
1. Dòng cơ bản (Ib): giá trị dòng điện mà ứng với giá trị này, đặc tính liên quan của công tơ mắc trực tiếp được ấn định.
2. Dòng danh định (Idd): giá trị mà dòng ứng với giá trị này, đặc tính liên quan của công tơ làm việc có máy biến dòng được ấn định.
3. Dòng cực đại (Imax): giá trị dòng điện cao nhất công tơ có thể chịu được mà vẫn thoả mãn yêu cầu về độ chính xác theo tiêu chuẩn này.
4. Điện áp chuẩn: giá trị điện áp mà ứng với điện áp này, đặc tính liên quan của công tơ được ấn định.
5. Tần số chuẩn: giá trị tần số mà ứng với tần số này, đặc tính liên quan của công tơ được ấn định.
6. Chỉ số cấp chính xác: số nêu các giới hạn sai số cho phép tính bằng phần trăm, đối với mọi giá trị dòng trong khoảng từ 0.1Ib đến Imax hoặc trong khoảng tử 0.05Ib đến Imax đối với hệ số công suất bằng một.
7. Sai số phần trăm:
sai so phan tram =
dien nang ghi duoc cua cong to - dien nang thuc dien nang thuc
II. Các phép kiểm định
1. Kiểm tra bên ngoài
2. Kiểm tra độ bền cách điện Điều kiện thử nghiệm chung:
Quy trình thử nghiệm theo TCVN 6099-1996
Trước tiên thử nghiệm điện áp xung sau đó thử nghiệm điện áp xoay chiều. Đối với các thử nghiệm này thì thuật ngữ “đất” có ý nghĩa sau:
- Trong trường hợp vỏ công tơ làm bằng kim loại thì đất là bản than vỏ công tơ dược đặt trên một bề mặt dẫn điện phẳng.
- Trong trường hợp vỏ công tơ hoặc một phần vỏ làm bằng vật liệu cách điện thì đất là một lá mỏng dẫn điện bao bọc công tơ tiếp xúc với tất cả những phần tử dẫn điện có thể chạm tới được và được nối với bề mặt dẫn điện phẳng trên đó đặt đế công tơ.
Trong khi thử nghiệm điện áp xung và điện áp xoay chiều, các mạch không chịu thử nghiệm đều đưọc nối vào đất như chỉ dẫn sau đây:
Không được xảy ra phóng điện bề mặt và phóng điện chọc thủng.
a. Thử nghiệm điện áp xung
b. Thử nghiệm điện áp xoay chiều
Thực hiện theo bảng sau.
Điện áp thử nghiệm phải thực chất là hình sin, tần số nằm giữa 45 Hz và 65 Hz, và được đặt trong 1 min.
Nguồn điện phải có khả năng cung cấp ít nhất là 500 VA.
Trong khi thực hiện các thử ngiệm đối với đất thì các mạch phụ có điện áp
chuẩn nhỏ hơn hoặc bằng 40V phải được nối đất.
Các điểm đặt điện áp thử nghiệm | |
2KV | A. Các thử nghiệm được tiến hành khi vỏ kín, công tơ đã lắp đủ nắp và nắp đầu nối a. giữa một bên là tất cả mạch dòng, mạch áp, cũng như các mạch phụ kiện có điện áp chuẩn lớn hơn 40V, được nối với nhau và một bên là đất. b. giữa các mạch điện không nối với nhau trong vận hành. |
Có thể bạn quan tâm!
-
Thiết kế bàn thử nghiệm công tơ điện 1 pha và 3 pha - 2 -
Thiết kế bàn thử nghiệm công tơ điện 1 pha và 3 pha - 3 -
Thiết kế bàn thử nghiệm công tơ điện 1 pha và 3 pha - 4 -
Thiết kế bàn thử nghiệm công tơ điện 1 pha và 3 pha - 6 -
Thiết kế bàn thử nghiệm công tơ điện 1 pha và 3 pha - 7 -
Bộ Tạo Góc Lệch Pha Các Phương Án Lựa Chọn
Xem toàn bộ 80 trang tài liệu này.
B. C. Các thử nghiệm bổ xung đối với những công tơ có vỏ cách điện thuộc cấp bảo vệ II. a. giữa một bên là tất cả các mạch dòng, mạch áp, cũng như các mạch phụ có điện áp chuẩn lớn hon 40V, được nối với nhau và một bên là đất.(*) b. kiểm tra sự phù hợp với các điểu kiện quy định ở 4.2.7 bằng cách xem xét. c. giữa một bên là tất cả các bộ phận dẫn điện bên trong công tơ được nối với nhau, một bên là tất cả các bộ phận dẫn điện bên ngoài vỏ công tơ mà que thử có thể cham đến, được nối với nhau. (**) | |
1.thử nghiệm ở điểm a phần B đựoc thực hiện khi vỏ nắp kín, công tơ dã đủ nắp và nắp đầu nối. 2. thử nghiêm ở điểm c phần B không cần thực hiện, nếu như thử nghiệm ỏ điểm b không có gì nghi vấn. |
3. Kiểm tra tỉ số truyền và cơ cấu đếm
Ta biết rằng với mọi giá trị của phụ tải thì tốc độ quay của công tơ tỉ lệ thuận với điện năng tiêu thụ. Tốc độ quay của đĩa công tơ sẽ được truyền lên bộ số. Cấu tạo của công tơ phải thoả mãn được công thức:
C.N = P.t
Trong đó:
C: Hằng số công tơ
N: Số vòng quay của đĩa công tơ
P: Công suất điện phụ tải
t: Khoảng thời gian tiêu thụ điện năng
Ta có thể kiểm tra bằng cách đếm từng vòng hoặc theo một trong hai phương
pháp:
Phương pháp công suất thời gian hoặc phương pháp dung công tơ chuẩn. Ta điều chỉnh sao cho U=Udm, I=Idm.
Trong khoảng thời gian đó bộ số sẽ dịch chuyển một đơn vị nhất định. Từ đó
ta sẽ xác định được mức độ đếm của cơ cấu.
Ta có:
Trong đó:
W-P.t .100 S
P.t
W-W0 .100 S
W0
(Phương pháp công suất thời gian) (Phương pháp dung công tơ chuẩn)
S: cấp chính xác của công tơ kiểm
W0, W: Số chỉ điện năng ghi được ỏ công tơ chuẩn và công tơ
kiểm
P: Công suất đưa vào công tơ tính theo wattmet
t: thời gian kiểm tra
4. Kiểm tra tự quay
Như ta đã biết momen ma sát của công tơ do phải quay hộp số và do ma sat giữa trục trụ là rất lớn, mômen này gây nên sai số của công tơ. Để khử momen này cần phải tạo ra một momen bù ban đầu Mb bằng cách gây ra một từ thong
lêch trong không gian và trong thời gian với U
mạch từ của cuộn áp:Mb= kUI sin k
bằng một lá sắt từ đặt trong






