chọn sơ bộ khoảng cách cách điện gông là 0,2 cm
11.Tính sơ bộ số lớp dây ở cuộn sơ cấp:
11
n w1 377  9(lop)
w1142
12.Chọn số lớp n11=9 lớp. Như vậy 377 vòng chia làm 9 lớp 8 lớp đầu mỗi lớp có 42 vòng, lớp thứ 9 có 41 vòng.
13. Chọn ống quấn dây làm bằng vật liệu cách điện có bề dầy S01=0,1cm
14. Chu vi trong của cuộn sơ cấp:
Dt1= (dt+0,1).4=(5,7+0,1).4=23,32 (cm)
Có thể bạn quan tâm!
-  
 A , I B , I C Là Các Dòng Tức Thời Của Các Pha -  
 Thiết kế bàn thử nghiệm công tơ điện 1 pha và 3 pha - 6 -  
 Thiết kế bàn thử nghiệm công tơ điện 1 pha và 3 pha - 7 -  
 Thiết kế bàn thử nghiệm công tơ điện 1 pha và 3 pha - 9 -  
 Thiết kế bàn thử nghiệm công tơ điện 1 pha và 3 pha - 10 
Xem toàn bộ 80 trang tài liệu này.
15. Chọn bể dầy giữa 2 lớp dây ở cuộn sơ cấp: cd11=0,2 mm
16. Bề dầy cuộn sơ cấp
Bd1=(d1+cd11).n11=(2,86+0,2).9=2,754(cm)
17. Chu vi ngoài cuộn sơ cấp
Dn1= 2..Bd1  4.(dt  0,1)  2.3,14.2, 754  4.(5, 7  0.1)  40, 61512(cm)
18. Chu vi trung bình cuộn sơ cấp
Dtb1= Dt1 Dn1 23, 32  40, 61512 31, 96756(cm)
2 2
19. Chiều dài dây quấn sơ cấp:
l1=w1.Dtb. =31,96756.377=120,517(m)
Kết cấu dây quấn thứ cấp
20. Chọn sơ bộ chiều cao cuộn thứ cấp. h1=h2=13 cm
21. Tính sơ bộ số vòng dây trên một lớp
W12= h2 .kc 
d2
chọn W12=28 vòng
13
0, 45
.0, 95  27, 44(vong)
22. Tính sơ bộ số lớp dây quấn thứ cấp
12
n w 2 143  5,1
lớp
w1228
23. Chọn số lóp dây quấn thứ cấp n12=5 lớp. chọn 4 lớp đầu có mỗi lớp có 28 vòng, lớp 5 có 31 vòng.
24. Chu vi trong cuộn thứ cấp
Dt2=Dt1=23,32 (cm)
25. Chọn bề dày cách điện giữa các lớp dây ở cuộn thứ cấp: cd2=0,2mm
26. Bề dầy cuộn thứ cấp
Bd2=(d2+cd2).n12=(0,45+0,02).5=2.35 (cm)
27. Chu vi ngoài cuộn thứ cấp
Dn2= 2..Bd2  4.(dt  0,1)  2.3,14.2, 35  4.(5, 73  0.1)  38, 078(cm)
28. Chu vi trung bình cuộn thứ cấp
Dtb2= Dt 2 Dn 2 23, 32  38, 078 30, 7
2 2
29. Chiều dài dây quấn thứ cấp
l2= .w2.Dtb 2  143.30, 7  43, 9(m)
(cm)
30. Chọn khoảng cách giữa 2 cuộn: cd12=1 cm
Tính số vòng dây ứng với các cấp điện áp ở thứ cấp
W0,5=0,5. 143 = 2 (vòng)
50
W1,0=1. 143 = 3 (vòng)
50
W2,5=2,5. 143 = 7 (vòng)
50
W5,0=5. 143 = 14 (vòng)
50
W10=10. 143 = 28 (vòng)
50
W25=25. 143 = 71 (vòng)
50

Tính kích
thước mạch từ

31. Số lá thép dung trong một trụ n = dt/0,5=5,7 /0.05=115 lá 32.Tiết diện hiệu quả của trụ QT= 0,95.32,86=31,217 cm2
33. Tính chính xác mật độ từ cảm trong trụ
U 220.104
BT=1 0, 842 T
4, 44. f .w1.QT 4, 44.50.377.31, 217
34. Mật độ từ cảm trong gông
Bg= BT
QT  0,842.1  0, 842 T
Q
g
35. Chiều rộng cửa sổ
c = 2S01 + cd12 + Bd1 + Bd2 = 2.0,1+1+2,754+2,35=6,304(cm)
36. Tính khoảng cách giữa hai tâm trục
c’=c+d= 6,304+5,7=12,034(cm)
37. Chiều rộng mạch từ
C=c+2d= 6,304+2.5,7=17,764 (cm)
38. Chiều cao mạch từ
H= h+2d=13+2.5,7=24,46(cm)
Tính khối lượng của sắt và đồng 39.Thể tích của trụ VT=2.QT.h=2.31,217.13=811,642(cm3)
40.Thể tích gông
Vg=2.Qg.C=2.31,217.17,764=1109,077(cm3)
41.Khối lượng của trụ
MT=VT.mFe=0,811642.7,85=6,3713 (kg)
42. Khối lượng của gông
Mg=Vg.mFe=1,109077.7,85=8,706 (kg)
43. Khối lượng đồng MCu=(L1.mCu+L2.mCu)=120,517.55,9+43,9.142=12,97 (Kg) Tính các thông số của bộ tạo dòng
44.Điện trở của cuộn sơ cấp bộ tạo dòng ở 750C
R1=  l1
s1
 0, 02133.120, 517  0, 408()
6, 29
45.Điện trở cuộn thứ cấp bộ tạo dòng ở 750C
R2=  l2
s2
 0, 02133. 43, 9  0, 0589()
15, 9
46. Điện trở bộ tạo dòng quy đổi về thứ cấp
2 1
Rba= R R ( w2 )2  0, 408  0, 0589(143 )2  0, 416()
w1377
47.Sụt áp trên điện trở bộ tạo dòng
VUrRba .Idm  0, 416.50  20,8 (V)
48. Điện kháng bộ tạo dòng quy đổi về thứ cấp
X =8.2 .W 2 .r 
Bd 1 Bd 2 ..107
ba2
h .a12 2 
qd 
 8.3,142.1432.6, 336 2, 754  2, 35 .314.107  0, 97
 13
. 0, 02 2 
49. Điện cảm bộ tạo dòng quy đổi về thứ cấp
Lba= X ba
0, 97  3,1.103 H
314
50.Sụt áp trên điện kháng bộ tạo dòng
VUx= X.Idm
 0, 97.50  15, 4 V
3,14
III.Bộ tạo góc lệch pha Các phương án lựa chọn
a. Dùng tụ điện và điện trở


ZC R
  arctg
vậy khi ta có định giá trị tụ C
và thay đổỉ biến trở R sẽ tạo được góc
 mong muốn.
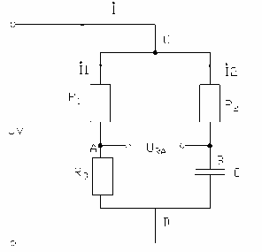
b. Dùng mạch cầu:


Ta có: UAB=UAC+UCB
= -I1R1+I2R2
UV=I1R1+I3R3
=I2R2+I2.ZC
ZC R 2
 '  arctg
c. Tạo góc lệch pha bằng phương pháp cảm ứng (động cơ làm việc ở 2 chế độ
hãm)

Điện áp 3 pha (A1, B1, C1) được đưa vào Stato của động cơ. Điện áp (A2 B2, C2) là điện áp cảm ứng trên Roto của động cơ và được lấy ra qua cổ góp của động cơ; góc lệch pha φA (UA1, UA2); φB (UB1, UB2); φC (UC1, UC2); được quyết định bởi vị trì tương đối giũa roto và stato của động cơ.Phương pháp tạo góc lệch pha này được áp dụng vào bàn kiểm φ của liên xô.
Ưu điểm:
Cùng một lúc tạo được 3 pha đối xứng
Điều chỉnh dễ dàng, góc φ thay đổi liên tục từ 00 đến 3600
Cho phép kiểm định các loại dụng cụ đo điện xoay chiều Nhược điểm
- Đắt tiền, khó chế tạo, phụ thuộc nhiều vào sự đối xứng của điện áp
nguồn cấp
- Sử dụng nhiều thiết bị gây tiếng ồn không tiện lợi khi sử dụng vì động cơ điều chỉnh pha nằm ngoài bàn kiểm
d. Phương pháp tạo góc lệch pha bằng cách kết hợp giữa điện áp pha và điện
áp dây
A
S
φ
B
C
Góc φ được tạo nên bởi véc tơ UAvà OS. Tùy theo vị trí giữa UAvà OS mà ta có góc theo ý muốn. Mặt khác lợi dụng trong cùng một pha UA và IA chậm pha hoặc vượt trước từ 0 đến 100, ta có góc biến đổi từ -10 đến 1100 (theo lý





