Ta có momen quay của cơ cấu chỉ thị kiểu cảm ứng:
Mq=Cf1. 2 sin
nếu ta coi 1 i, 2 u thì
Mq=Cfi.u . sin
Hay Mq=CKiK’uUI. sin
Mq=KUI. sin
K=CKiK’u; : góc lệch pha giữa i,u
Từ biểu đồ vectơ ta có: 1
Có thể bạn quan tâm!
-
Thiết kế bàn thử nghiệm công tơ điện 1 pha và 3 pha - 1 -
Thiết kế bàn thử nghiệm công tơ điện 1 pha và 3 pha - 2 -
Thiết kế bàn thử nghiệm công tơ điện 1 pha và 3 pha - 3 -
A , I B , I C Là Các Dòng Tức Thời Của Các Pha -
Thiết kế bàn thử nghiệm công tơ điện 1 pha và 3 pha - 6 -
Thiết kế bàn thử nghiệm công tơ điện 1 pha và 3 pha - 7
Xem toàn bộ 80 trang tài liệu này.
Nếu thực hiện
1 / 2
thì / 2
và biểu thức trên sẽ là:
Mq=KUI cos =KP
Từ đó ta thấy momen tỉ lệ với công suất tiêu thụ
Để có thể thực hiện
1 / 2
người ta điều chinh góc tức là điều chỉnh
u bằng cách thay đổi vị trí sun từ của cuộn áp hoặc đỉều chỉnh góc 1 nghĩa
là thay đổi i bằng cách them hoặc bớt vòng ngắn mạch của cộn dòng.
Momen quay Mq làm cho đĩa nhôm quay, khi đĩa nhôm quay trong từ trường của nam châm vĩnh cửu, nó bị cản bởi momen cản Mc do từ trườn của nam châm khi xuyên qua đĩa nhôm tạo nên.
MC=kIIM m
m : từ thông do nam châm sinh ra
IM: dòng điện xoáy sinh ra trong đĩa nhôm
Trong đó IM=k2 m no; no: tốc độ quay đều của đĩa nhôm khi momen quay
bằng momen cản. Nên ta có:
Mc=k1k2 2m no Và Mc=k3 2m no
Khi cân bằng giữa momen quay và momen cản ta có: Mq=Mc
Và KP=k3 2m no
Trong khoảng thời gian t đĩa quay được n vòng vì vậy no=N/t
suy ra N= CpPt=CpW
Cp: hằng số của công tơ, Cp = N/W [vòng/kwh]
II. Công tơ điện 3 pha đo năng lượng

Công tơ này có 2 phần tử. Phần động gồm 2 đĩa nhôm được gắn vào cùng một trục. Mỗi đĩa nhôm đều nằm trong từ trường cuộn áp và cuộn dòng của các pha tương ứng. Các cuộn áp được mắc song song với phụ tải. Nam châm cản được đặt vào một trong 2 đĩa nhôm. Momen quay được tạo ra bằng tổng của 2 momen quay của 2 phần tử và năng lượng đo được chính là năng lượng của mạch 3 pha.
III. Công tơ nhiều biểu giá
1. Nhu cầu và lợi ích thiết thực của công tơ nhiều biểu giá
Một đặc điểm bất lợi đối với hệ thống điện lực Việt Nam là đồ thị phụ tải rất không bằng phẳng, gây ra nhiều khó khăn cho công tác quy hoạch, phát triển, vận hành hệ thống.
Để khắc phục tình trạng trên cần phải áp dụng biện pháp điều hoà phụ tải. Đó là dung giải pháp bán giá điện theo thời gian sử dụng trong ngày cho khách hang sản xuất và kinh doanh dịch vụ. Theo biểu giá này thì giá điện trong giờ cao điểm sẽ cao hơn bình thường và ngược lại trong giờ thấp điểm.
Để có thể đo đếm được chính xác điện năng sử dụng của khách hang theo thời gian sử dụng và các thong số quản lý phụ tải, Tổng công ty Điện Lực Việt Nam tiến hành lắp đặt công tơ điện tử nhiều biểu giá cho các khách hang thuộc đối tượng áp dụng giá điện theo thời gian sử dụng trong ngày.
2. Khả năng đo đếm của công tơ nhiều biểu giá
Công tơ điện tử nhiều biểu giá cung cấp nhiều khả năng đo đếm theo thời gian sử dung điện của khách hang. Cấp chính xác của loại công tơ này tương đối cao, có thể là 0,2; 0,5; 1. Công tơ điện tử có thể được lập trình hoàn toàn cho các chức năng sử dụng của nó. Thông thường, theo yêu cầu của giá điện các công tơ điện tử có 8 đến 16 bộ ghi điện năng theo thời gian sử dụng, 4 đến 8 bộ ghi nhu cầu công suất cực đại, 7 đến 12 mức khác nhau. Dung lượng bộ nhớ cho phép ghi dữ liệu phụ tải khoảng 60-90 ngày. Các khả năng này cho phép thực hiện các biểu giá điện theo thời gian sử dụng phức tạp trong ngày của từng năm. Một số loại công tơ điện tử còn có khả năng ghi lại biểu đồ phụ tải và đưa ra các tín hiệu cảnh báo khi khách hang sử dụng quá công suất trong giờ cao điểm.
Các công tơ điện tử thường được lập trình để có được khả năng đo đếm sau:
1. Tổng điện năng hữu công
2. Tổng điện năng vo công
3. Điện năng sử dụng giá bình thường
4. Điện năng sử dụng giá cao điểm
5. Điện năng sử dụng giá thấp điểm
6. Công suất sử dụng cực đại trong thời gian bình thường
7. Công suất sử dụng cực đại trong thời gian cao điểm
8. Công suất sủ dụng cực đại trong thời gian thấp điểm
9. Thời điểm công suất cực đại của thời gian thường
10. Thời điẻm công suất cực đại của thời gian cao điểm
11. Thời điẻm công suất cực đại của thời gian thấp điểm
12. Số lần mất điện
13. Thời điểm mất điện
14. Số lần cài đặt lại
15. Thời điểm cài đặt lại
16. Số lần lập trình
17. Thời điểm lập trình
3. Cấu tạo nguyên lý hoạt động
Đây là một loại công tơ có hai hay nhiều bộ số và bộ số chỉ làm việc trong thời gian ấn định. Điện năng tiêu thụ ghi được trên mỗi bộ số ứng với một biểu giá quy định. Trừ bộ số ra thì nó có cấu tạo giống công tơ thông thường.

Công tơ điện tử được lập trình để đọc dữ liệu tại chỗ qua cổng thong tin quang hoặc đọc từ xa qua công RS232. Việc đọc công tơ và cài đặt chương trình cho công tơ được thực hiện trực tiếp bằng máy tính hoặc bằng thiết bị cầm tay. Một trong những ứng dụng hữu ích của công tơ điện tử là cho phép đọc tín hiệu từ xa. Tại trung tâm sử lý số liệu có thể đọc được kết quả đo đếm của công tơ qua mạng điện thoại mà không cần đến nơi trực tiếp đặt công tơ, kết quả đọc được lưu trữ dưới dạng các file dữ liệu nên công việc sử lý dữ liệu trên máy tính rất thuận lợi.
IV. Công tơ chỉ thị số
Dựa trên cảm ứng Hall được tóm tắt như sau:
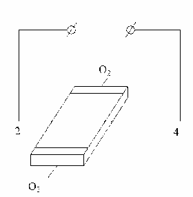
Nếu dọc theo tấm mạch bán dẫn cho chạy qua một dòng điện, dưới tác dụng của một từ trường có hướng vuông góc với dòng điện đó sẽ xuất hiện một điện thế theo hướng cắt ngang vuông góc với hướng dòng điện.



Bộ biến đổi gồm một tấm bản dẫn mỏng: Hai đầu tấm bán dẫn (1 và 2) được nối với một nguồn dòng bên ngoài. Điểm tác động của cảm ứng từ theo hướng mũi tên trên hai đầu cực( 3 và 4) sẽ xuất hiện sức điện động gọi là sức điện động Hall và bằng:
Trong đó :
EX RX
l.B .F ( a .U.B) sin
n l
RX : hằng số Hall phụ thuộc vào chất liệu của tấm bán dẫn a, l, n : kích thước hình học của bộ biến đổi Hall
U : độ linh động của các phần tử dẫn điện
I : dòng điện trong bộ biến đổi
: góc giữa véc tơ cảm ứng B và mặt phẳng bộ biến đổi
Khi đo công suất và năng lượng, trong bộ biến đổi phải bảo đảm được sự phụ thuộc giữa các đại lượng đầu vào với điện thế Un trên tải và dòng điện In qua tải. Có hai phương án chế tạo:
- Một là, qua cuộn dây tạo ra tử trường sẽ có dòng điện chạy qua, dòng điện này chạy qua tải In , còn dòng điện qua bộ biến đổi tỉ lệ thuận với hiệu điện thế trên bộ biến đổi.
- Hai là, dòng điện chạy qua cuộn dây tạo ra từ trường sẽ tỉ lệ với hiệu điện thế trên tải Un. Còn dòng điện qua bộ biến đổi sẽ tỉ lệ thuận với dòng điện qua tai In.
Trong thực tế cách thứ nhất được ứng dụng rộng rãi hơn vì trong cách thứ
hai khi đầu cuộn dây tạo ra từ trường vào mạch song song, do ảnh hưởng gây
bởi thành phần điện cảm, sai số do tần số sẽ tăng.
Khi dòng điện ổn định, sức điện động EX cũng sẽ ổn định, với dòng điện
có dạng song hình sin tần số EX sẽ có thành phần ổn định và biến thiên:
trong đó:
EX K1 K2 K3Un In [cos-cos(2t )]
K1, K2 là những hệ số tỉ lệ, chúng phụ thuộc vào tính chất của bộ
biến đổi và các thong số của hệ thong tạo từ thong.
K3 hệ số biến đổi điện áp ra dòng điện.
: góc lệch pha giữa dòng điện và điện áp phụ tải.
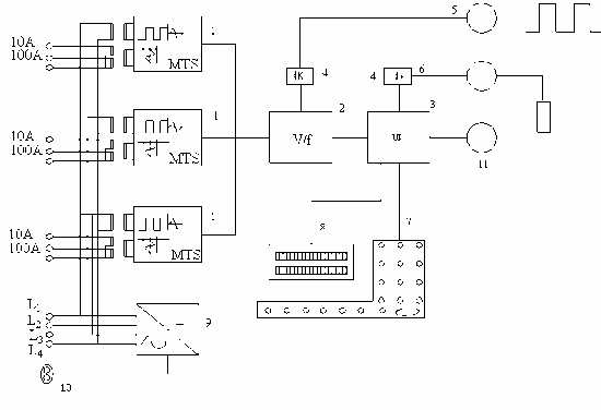
Dưới đây là sơ đồ nguyên lý của một công tơ chỉ thị số:

1. Các phần tử đo 7. Bàn phím điều khiển
2. Bộ biến đổi điện áp ra tần số 8. Chỉ thị số
3. Bộ vi sử lý 9,10. Nguồn cấp điện
4. Cửa cho tín hiệu vào 11. Cổng kêt nối máy tính
5. Cửa phát xung năng lượng
6. Cửa nhận tín hiệu xung kiểm tra
Chương IV. ĐO CÔNG SUẤT VÀ NĂNG LƯỢNG






