chồng lên nhau của các hạt vàng trong quá trình điện phân. Sự có mặt của GO trên bề mặt GCE là do sự kết hợp với Au(III) thông qua tương tác tĩnh điện với các nhóm chức chứa oxi [110]. Tại các vị trí này sẽ hình thành liên kết giữa AuNP và GO, có tác dụng tạo mầm và kích thích sự phát triển của các hạt vàng [174], khi đó các hạt vàng có thể được hình thành trên cả bề mặt GCE và các vị trí tương tác với các nhóm chức GO tạo nên bề mặt gồ ghề như kết quả trên hình 3.9 (b). Hình thái AuNP- GO/GCE như vậy có thể làm thay đổi sự sắp xếp SAM hấp phụ trên bề mặt điện cực.


Ảnh SEM của điện cực AuNP/GCE được chế tạo bằng cách áp thế 0,5 V, thời gian áp thế 600 giây trong dung dịch HAuCl4 (a) và AuNP-GO/GCE (b) được chế tạo bằng cách áp thế 0,5 V, thời gian áp thế 600 giây trong hỗn hợp dung dịch HAuCl4+GO.(thay ảnh SEM)

. Đường CV trên điện cực AuNP (●) và AuNP-GO (■) trong dung dịch K3(Fe(CN)6) 5 mM/PBS 0,1 M pH=7 với tốc độ quét 0,1 V/s.
Để khẳng định thêm vai trò của GO, so sánh khả năng hoạt động điện hóa của điện cực AuNP/GCE và AuNP-GO/GCE cũng được khảo sát bằng phương pháp quét thế vòng trong dung dịch K3(Fe(CN)6) 5 mM như trên hình 3.10.
Từ kết quả dòng ghi được trên đường Von-Ampe sẽ tính được diện tích hoạt động điện hóa của điện cực thông qua phương trình Randles – Sevcik. Kết quả tính toán được thể hiện trên bảng 3.3.
Bảng 3. 3. Diện tích hoạt động điện hóa của điện cực AuNP/GCE và AuNP- GO/GCE
AuNP/GCE | AuNP-GO/GCE | |
Ipc (µA) | 121,203 | 153,753 |
Shđ (cm2) | 0,104 | 0,132 |
Shh (cm2) | 0,071 | 0,071 |
Shđ /Shh | 1,464 | 1,859 |
Có thể bạn quan tâm!
-
(A) Sự Biến Thiên Thế Theo Thời Gian, (B) Dạng Đường Von-Ampe Hòa Tan Trong Kỹ Thuật Von-Ampe Xung Vi Phân. -
Chế Tạo Các Sam Biến Tính Lớp Aunp Trên Điện Cực Gce -
Ảnh Sem Của Aunp Trên Bề Mặt Điện Cực Gce Với Thời Gian Tạo Vàng Khác Nhau: 50 Giây (A), 300 Giây (B), 600 Giây (C) -
Cơ Sở Lý Thuyết Sử Dụng Sam Biến Tính Điện Cực Phân Tích Hg (Ii) -
Sự Biến Đổi Dòng Píc Hg (Ii) Ở Nồng Độ 1 Ppb Theo Số Lần Sử Dụng Của Điện Cực Pet-Sam/aunp -
Kết Quả Phân Tích Hàm Lượng Hg (Ii) Trong Cùng Một Mẫu Trong Hai Ngày Liên Tiếp
Xem toàn bộ 138 trang tài liệu này.
Kết quả trong bảng 3.3 cho thấy diện tích bề mặt hoạt động điện hóa của điện cực AuNP-GO/GCE tăng lên khoảng 30% khi điện cực biến tính bởi AuNP-GO so với điện cực AuNP/GCE.
Như vậy, việc sử dụng composit GO và AuNP để biến tính bề mặt GCE không chỉ tạo ra sự khác biệt về hình thái, mà còn làm tăng diện tích bề mặt hoạt động điện hóa so với điện cực biến tính bởi AuNP.
Từ các kết quả trên cho thấy sự có mặt của GO trên bề mặt điện cực và vai trò của GO trong việc làm tăng diện tích bề mặt hoạt động điện hóa của điện cực.
3.3. Sử dụng các SAM biến tính điện cực
3.3.1. 4-pyridineethanthiol biến tính AuNP/GCE
Sự hình thành SAM trên nền Au đã được nghiên cứu [175], như được trình bày tổng quát ở phương trình sau:
SH-(CH2)n-X + Au = Au-S-(CH2)n-X + H+ + e- (3.4)
Do đó, đối với sự hình thành PET-SAM/AuNP được diễn ra nhờ ái lực giữa nguyên tử S của phân tử PET với các nguyên tử vàng đã được kết tủa trên bề mặt glassy cacbon. Quá trình hình thành SAM trên bề mặt là một quá trình hấp phụ hóa học, có thể viết như sau:
HS-(CH2)2C6H4N + Au = Au-S-(CH2)2 C6H4N + H+ + e- (Au) (3.5)

Hình 3. 11. Đường CV khử hấp phụ của PET-SAM/Au-NP/GCE (■) và AuNP/GCE (●) đo trong dung dịch KOH 0,5 M, v = 0,1 V/s. PET-SAM được chế tạo từ dung dịch PET có nồng độ 1 mM, thời gian ngâm 12 tiếng
Sự tạo thành PET-SAM trên điện cực AuNP/GCE (được ký hiệu PET- SAM/AuNP/GCE) được nghiên cứu bằng cách khử điện hoá hấp phụ nhờ kỹ thuật von-ampe vòng. Đây là quá trình diễn ra ngược với quá trình hình thành SAM ở trên. Quá trình khử hấp phụ PET-SAM diễn ra như phương trình 3.6:
Au-S-(CH2)2C6H4N + 1e → Au0 + - S-(CH2)2C6H4N (3.6)
Phổ đồ khử hấp phụ của PET-SAM/AuNP/GCE có sự xuất hiện píc tại thế -1,1V và -0,82 V tương ứng với sự khử PET-SAM được hình thành lần lượt trên tinh thể Au(110), Au (111), do các dạng tinh thể này có năng lượng với PET khác nhau nên khi khử hấp phụ PET-SAM sẽ thu được những píc khử ở vị trí khác nhau. Những kết quả thu được này cũng phù hợp với kết quả nhóm tác giả Kazuki Arihara đã nghiên cứu 4-mercaptobenzoic trên vàng đa tinh thể [176].
Độ che phủ của các phân tử tạo thành SAM (hay mật độ phân tử của các SAM) còn được đánh giá thông qua giá trị điện lượng Q (là điện lượng để phá vỡ liên kết Au-S khi khử điện hóa hấp phụ SAM trong dung dịch) [177]. Bằng cách xác định diện tích dưới píc khử hấp phụ, điện lượng Q của pic khử PET-SAM tại vị trí -1,1V (có giá trị là 108,29 C/cm2 ) lớn hơn điện lượng Q tại vị trí -0,82 V (có giá trị là 14,25 C/cm2
). Như vậy, tổng Q xác định được là 122,54 C/cm2.Từ kết quả điện lượng Q, mật độ SAM trên bề mặt điện cực được tính theo công thức [177]:
Trong đó:
ᴦ = Q n.F.A
(3.7)
ᴦ: Mật độ SAM trên bề mặt điện cực (mol/cm2) Q: Điện lượng (C/cm2)
n: Số electron trao đổi
F: Hằng số Faraday: 96,486 (C/mol)
A: Diện tích hoạt động của điện cực (cm2)
Từ điện lượng Q đã xác định được, mật độ PET-SAM trên bề mặt điện cực tính được là: 1,269.10-9 mol/cm2 tương ứng với 7,643.1014 phân tử PET/cm2. Kết quả này phù hợp với một số nghiên cứu của các tác giả khác khi khử hấp phụ SAM thiol với mật độ SAM cỡ nmol/cm2 tương ứng với mật độ phân tử cũng ở cỡ 1014 phân tử thiol/cm2 [178,179].
Kết quả điện hóa thu được cũng cho thấy, lượng chất trên pic khử của PET-SAM tại vị trí -1,1V lớn hơn lượng chất tại vị trí -0,82 V. Như vậy, vàng nano chế tạo có thành phần chủ yếu là tinh thể Au (110), kết quả này phù hợp với kết quả XRD thu được ở 3.1.3.
3.3.2. 2-aminoethanthiol biến tính AuNP/GCE
Ngoài việc sử dụng PET-SAM, AET-SAM cũng được nghiên cứu chế tạo bởi phân tử có chứa nhóm amino (-NH2), vì có tính bazo nên cũng có khả năng liên kết với Hg (II) có tính axit yếu được thể hiện qua phương trình [180]:
Hg2+ + H2O ⇌ Hg(OH)+ + H+ (3.8)
Sự hình thành AET-SAM diễn ra nhờ sự hấp phụ hoá học được mô tả theo phương trình 3.5:
HS-(CH2)2NH2 + Au = Au-S-(CH2)2 NH2 + H+ + 1e (Au) (3.9)
Tương tự PET-SAM, quá trình khử hấp phụ của AET-SAM/AuNP/GCE diễn ra theo phương trình 3.6:
Au-S-(CH2)2 NH2 + 1e → Au0 + - S-(CH2)2 NH2 (3.10)

Hình 3. 12. Đường CV khử hấp phụ của AET-SAM/AuNP/GCE (●) và AuNP/GCE (■) đo trong dung dịch KOH 0,5 M, v = 0,1 V/s. AET-SAM được chế tạo từ dung dịch AET có nồng độ 1 mM, thời gian ngâm 12 tiếng
Từ hình 3.12 cho thấy khi bề mặt AuNP không được hấp phụ AET-SAM lên trên bề mặt thì không có sự xuất hiện píc trên phổ đồ von ampe vòng. Nhưng khi AET-SAM được hấp phụ lên bề mặt AuNP thì xuất hiện một píc khử duy nhất tại thế - 0,78 V tương ứng với sự khử hấp phụ AET-SAM, điện lượng Q tính được từ diện tích píc là 64,225 C/cm2tương ứng với 4,001.1014phân tử AET/cm2giá trị này nhỏ hơn điện lượng Q khi khử PET-SAM (tương ứng 7,643.1014phân tử PET/cm2, đã trình bày ở 3.3.1). Như vậy, trên cùng một đơn vị diện tích số phân tử PET tạo SAM lớn hơn số phân tử AET tạo SAM (lớn hơn 3,642.1014 phân tử) chứng tỏ số lượng các phân tử Hg (II) trong dung dịch có khả năng liên kết với các nhóm chức của phân tử PET nhiều hơn so với AET dẫn đến tăng độ nhạy của phép phân tích. Việc tạo SAM này phụ thuộc nhiều vào khả năng tương tác giữa các phân tử liền kề, bởi yếu tố này ảnh hưởng đến sự sắp xếp của các phân tử. Với AET, do trong phân tử chỉ có mạch methylen, nên năng lượng tương tác giữa các phân tử liền kề sẽ là 1990 kJ/mol [181], nhỏ hơn so với năng lượng tương tác giữa các phân tử PET là 2436,2 kJ/mol [181,182]. Việc tăng mức năng lượng tương tác ở các phân tử PET so với các phân tử AET là vì: đối với PET-SAM, ngoài tương tác giữa các mạch ethylen, sẽ có thêm tương tác - giữa các vòng pyridine của
các phân tử PET liền kề. Chính việc tăng năng tương tác giữa các phân tử liền kề này đã giúp cho sự định hướng của các phân tử PET trong quá trình sắp xếp tạo SAM diễn ra trên bề mặt AuNP được thuận lợi và đồng đều. Do đó, mật độ phân tử PET trên bề mặt cao hơn. Với định hướng tự sắp xếp đó sẽ làm số các phân tử PET có nhóm chức pyridine hướng ra ngoài tạo lớp biến tính có tính chất bề mặt của nhóm chức này tăng hơn so với số các phân tử AET tự sắp xếp tạo AET-SAM.
Sự khác biệt trên phổ đồ Vol-Ampe còn cho thấy sự dịch chuyển píc khử hấp phụ trên tinh thể Au (110) đã bị dịch chuyển về phía dương, tạo thành một píc tù ở khoảng thế E = −0,78 V. Như vậy, sự dịch chuyển thế khử hấp phụ về phía dương cho thấy AET- SAM có độ bền kém hơn so với PET-SAM [1].
Như vậy, qua khảo sát sự tạo SAM cho thấy PET-SAM có mật độ phân tử lớn hơn so với AET-SAM. Điều này dễ nhận thấy bởi ở PET-SAM các phân tử PET không chỉ tương tác thông qua lực Van der Waals mà còn qua các điện tử liên hợp của vòng pyridine.
3.3.3. SAM hai cấu tử PET-AET biến tính AuNP/GCE
Từ các nghiên cứu ở trên cho thấy PET và AET đều có khả năng biến tính AuNP nên trong nghiên cứu này sẽ sử dụng cả hai cấu tử PET và AET biến tính AuNP do cả hai hợp chất thiol này đều có khả năng liên kết với Hg (II). Từ đặc tính và khả năng liên kết ưu việt của PET-SAM so với AET-SAM, AET được lựa chọn là cấu tử thứ hai đưa vào PET-SAM để lấp đầy các vị trí còn trống giữa các chuỗi etylen của các phân tử PET liền kề nhau để tăng lực Van der Waals giữa các phân tử trên bề mặt AuNP. Như vậy, khi hình thành SAM hai cấu tử, tương tác giữa các phân tử liền kề của SAM sẽ được cải thiện so với SAM một cấu tử, dẫn đến làm thay đổi khả năng tự sắp xếp của các phân tử. Nhờ đó, sẽ làm tăng khả năng liên kết với Hg(II) ở pha dung dịch. Vì vậy, các thông số thay đổi trong quá trình tạo SAM hai cấu tử đều được đánh giá dựa trên chiều cao pic Hg(II) trong phổ Vol-Ampe xung vi phân như sẽ được trình bày ở mục 3.5.4.1.
Tương tự như PET-SAM và AET-SAM, việc nghiên cứu PET-AET-SAM trên bề mặt AuNP/GCE cũng được thực hiên bằng phương pháp khử hấp phụ. Hình 3.13 là phổ von-ampe vòng khử hấp phụ của PET-AET-SAM /AuNP/GCE.

. Đường CV khử hấp phụ của PET-AET-SAM/AuNP/GCE (■) và AuNP/GCE (●), đo trong dung dịch KOH 0,5 M, v = 0,1 V/s. PET-AET-SAM được chế tạo từ dung dịch PET có nồng độ 1 mM, thời gian ngâm 12 tiếng và AET có nồng độ 0,1 mM, thời gian ngâm 20 phút
Phổ von-ampe vòng xuất hiện hai píc khử tại thế -1,1 V và -0,82 V với tổng điện lượng Q tương ứng với sự khử hấp phụ của các phân tử PET-AET-SAM/AuNP xác định được là 175,10 C/cm2 (tương ứng 1,092.1015 phân tử/cm2), giá trị này lớn hơn hẳn khi khử PET-SAM hoặc AET-SAM, tương ứng là 7,643.1014 phân tử/cm2 và 4,001.1014 phân tử/cm2. Kết quả cho thấy khi đưa cấu tử thứ hai, AET, đã làm tăng lượng SAM hấp phụ trên bề mặt điện cực từ đó làm tăng khả năng liên kết với Hg (II) sẽ được trình bày ở phần 3.5.4.2.
3.3.4. SAM hai cấu tử PET-AET biến tính AuNP+GO/GCE
Ngoài việc sử dụng PET-AET-SAM biến tính bề mặt AuNP thì PET-AET- SAM cũng được nghiên cứu biến tính bề mặt AuNP-GO đã được chứng minh trong việc tăng diện tích hoạt động bề mặt so với AuNP được trình bày ở phần 3.2.3. Sự hình thành đơn lớp tự sắp xếp SAM biến tính bởi được đánh giá bằng tín hiệu khử hấp phụ điện hóa SAM khi thực hiện phép quét CV điện cực sau khi chế tạo trong dung dịch KOH 0,5 M.

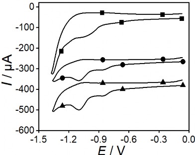
Hình 3. 14. Đường CV khử hấp phụ của điện cực AET-SAM/ AuNP-GO (■), PET- SAM/AuNP-GO (●) và PET-AET-SAM/AuNP-GO (▲) AET-SAM và PET-SAM
được chế tạo từ dung dịch tương ứng có nồng độ 3 mM, thời gian ngâm 3 tiếng. PET-AET-SAM được chế tạo từ dung dịch PET có nồng độ 3 mM, thời gian ngâm 3 tiếng và AET có nồng độ 0,1 mM, thời gian ngâm 20 phút đo trong dung dịch KOH 0,5 M, v = 0,1 V/s.
Sự hình thành AET-SAM, PET-SAM, PET-AET-SAM trên nền AuNP-GO tương tự như hình thành trên nền AuNP. Từ điện lượng Q, mật độ phân tử các SAM trên bề mặt điện cực đã được tính toán để đánh giá lượng SAM hấp phụ trên bề mặt điện cực, kết quả được trình bày ở bảng 3.4.
Bảng 3. 4. Giá trị điện lượng Q trên các điện cực biến tính bởi SAM trên nền AuNP-GO
Q (µC/cm2) | Qtổng (µC/cm2) | Mật độ phân tử (phân tử/cm2) | ||
E = -1,1 V | E = - 0,82 V | |||
AET-SAM/ AuNP-GO | 98,593 | 98,593 | 6,149.1014 | |
PET-SAM/ AuNP-GO | 169,571 | 34,080 | 203,651 | 1,271.1015 |
PET-AET-SAM/ AuNP- GO | 234,922 | 49,571 | 284,493 | 1,775.1015 |






