

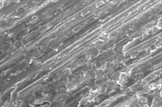
Hình 3.18: Hình ảnh sâu răng D1 sau điều trị bằng ClinproTM XT varnish ở độ phóng đại 500 lần.

Hình 3.19: Hình ảnh trụ men sau điều trị bằng ClinproTM XT varnish ở độ phóng đại 750 lần.

Hình 3.20: Hình ảnh sâu răng D1 sau điều trị bằng ClinproTM XT varnish ở độ phóng đại 1000 lần.
Bảng 3.33: Mức độ tái khoáng của tổn thương sau điều trị Enamel Pro varnish (n = 20).
n | Độ sâu tái khoáng (µm) | SD | Max | Min | ||
Nhóm E1 | 10 | 88,8 | 9,6 | 76 | 104 | |
Nhóm E2 | 10 | 94,3 | 12,6 | 74 | 114 | |
Chung | 20 | 91,6 | 11,3 | 74 | 114 | |
P* | 0,29 | |||||
Có thể bạn quan tâm!
-
Sự Phân Bố Mức Độ Tổn Thương Theo Nhóm Tuổi Sau Sáu Tháng (N = 218). -
Sự Thay Đổi Mức Độ Tổn Thương Theo Nhóm Tuổi Sau 12 Tháng (N = 218). -
Đánh Giá Khả Năng Tái Khoáng Hóa Sâu Răng Hàm Nhỏ Vĩnh Viễn Giai Đoạn Sớm Trên Thực Nghiệm Bằng Clinprotm Xt Varnish. -
Tuổi Ở Một Số Nghiên Cứu Tình Trạng Sâu Răng Hàm Lớn Vĩnh Viễn Thứ Nhất -
Đánh Giá Kết Quả Điều Trị Sau Ba Tháng. -
Đánh Giá Khả Năng Tái Khoáng Hóa Sâu Răng Hàm Nhỏ Vĩnh Viễn Giai Đoạn Sớm Trên Thực Nghiệm Bằng Clinprotm Xt Varnish.
Xem toàn bộ 201 trang tài liệu này.
* T – test
Nhận xét:
- Ở nhóm E1 có độ sâu lớp men răng được tái khoáng trung bình là 88,8
µm, độ lệch chuẩn ± 9,6; trong đó giá trị lớn nhất là 104, nhỏ nhất là 76.
- Ở nhóm E2 có độ sâu lớp men răng được tái khoáng trung bình là là 94,3µm, độ lệch chuẩn ± 12,6; trong đó giá trị lớn nhất là 114, nhỏ nhất là 74.
- Kết quả chung của nhóm điều trị Enamel Pro varnish là 91,6 µm , độ lệch chuẩn ± 11,3; giá trị lớn nhất là 114 và nhỏ nhất là 74.
- Sự khác nhau về kết quả điều trị của hai nhóm tổn thương không có ý nghĩa thống kê với p > 0,05.
Hình ảnh mô học sau điều trị Enamel Pro varnish của sâu răng D2:

Hình 3.21: Hình ảnh sâu răng D2 sau điều trị bằng Enamel Pro varnish ở độ phóng đại 200 lần.


Hình 3.22: Hình ảnh bề mặt và mặt cắt ngang tổn thương sâu răng D2 sau điều trị bằng Enamel Pro varnish ở độ phóng đại 500 lần.

Hình 3.23: Hình ảnh tái khoáng tổn thương D2 sau điều trị Enamel Pro varnish ở độ phóng đại 750 lần.

Hình 3.24: Hình ảnh bề mặt và mặt cắt ngang của sâu răng D2 sau điều trị bằng Enamel Pro varnish ở độ phóng đại 1000 lần.


Hình 3.25: Hình ảnh tái khoáng tổn thương D2 sau điều trị bằng Enamel Pro varnish ở độ phóng đại 1500 – 2000 lần.
Hình ảnh mô học sau điều trị Enamel Pro varnish của sâu răng D1:


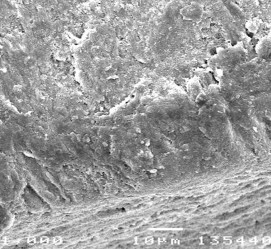
Hình 3.26: Hình ảnh bề mặt và mặt cắt ngang tổn thương sâu răng D1 sau điều trị bằng Enamel Pro varnish ở độ phóng đại 350 lần.


Hình 3.27: Hình ảnh mặt cắt ngang tổn thương sâu răng D1 sau điều trị bằng Enamel Pro varnish ở độ phóng đại 500 lần.

Hình 3.28: Hình ảnh mặt cắt ngang tổn thương sâu răng D1 sau điều trị bằng Enamel Pro varnish ở độ phóng đại 750 lần.


Hình 3.29: Hình ảnh bề mặt và mặt cắt ngang tổn thương sâu răng D1 sau điều trị bằng Enamel Pro varnish ở độ phóng đại 1000 lần.

Hình 3.30: Hình ảnh mặt cắt ngang tổn thương sâu răng D1 sau điều trị bằng Enamel Pro varnish ở độ phóng đại 1500 lần.
Bảng 3.34: So sánh mức độ tái khoáng của tổn thương sau điều trị ClinproTM XT varnish và Enamel Pro varnish (n = 40).
n | Độ sâu tái khoáng (µm) | SD | Max | Min | |
Nhóm C | 20 | 97,1 | 13,7 | 74 | 116 |
Nhóm E | 20 | 91,6 | 11,3 | 74 | 114 |
P* | 0,09 | ||||
* T – test
Nhận xét:
Kết quả điều trị của nhóm ClinproTM XT varnish có độ sâu tái khoáng lớn hơn nhóm được điều trị bằng Enamel Pro varnish (97,1 µm lớn hơn 91,6
µm), sự khác nhau không có ý nghĩa thống kê với p > 0,05.
CHƯƠNG 4 BÀN LUẬN
4.1. Đánh giá hiệu quả điều trị sâu răng hàm lớn thứ nhất giai đoạn sớm bằng ClinproTM XT Varnish ở nhóm trẻ 6-12 tuổi năm 2016.
4.1.1. Đặc điểm lâm sàng, cận lâm sàng của sâu răng hàm lớn thứ nhất
4.1.1.1. Đặc điểm chung của đối tượng nghiên cứu
Nghiên cứu được bắt đầu từ tháng 4 năm 2016 đến tháng 10 năm 2018 với 44 bệnh nhân phù hợp với tiêu chuẩn lựa chọn và tiêu chuẩn loại trừ. Trong 44 bệnh nhân được lựa chọn nghiên cứu, nam có 21 người chiếm tỷ lệ 47,7%, thấp hơn nữ có 23 người tương ứng 52,3% sự khác nhau không có ý nghĩa thống kê (p= 0,39), kết quả này tương tự với các nghiên cứu tình trạng sâu răng hàm lớn thứ nhất khác về đặc điểm giới tính cũng không có ý nghĩa về mặt thống kê.
Bảng 4.1: Tỷ lệ nam, nữ ở một số nghiên cứu về tình trạng sâu răng hàm lớn thứ nhất
Năm NC | Nam | Nữ | |||
n | % | n | % | ||
Nguyễn T. Vân Anh | 2018 | 21 | 47,7 | 23 | 52,3 |
Elisa M. C. [2] | 2015 | 56 | 54,9 | 46 | 45,1 |
Nahid R. [127] | 2013 | 42 | 49,4 | 43 | 50,6 |
Khalid H. M. A. [128] | 2012 | 199 | 46 | 233 | 54 |
Liana B. [129] | 2012 | 182 | 47,3 | 203 | 52,7 |
Vũ Mạnh Tuấn [5] | 2013 | 155 | 48,4 | 165 | 51,6 |
Nguyễn Thị Thu Hương [130] | 2013 | 221 | 50,7 | 215 | 49,3 |
Nguyễn T. Thu Hà [131] | 2010 | 86 | 54,5 | 72 | 45,6 |






