II, Bản vẽ kĩ thuật:
1, Khái niệm:
Bản vẽ kĩ thuật là các thông tin kĩ thuật được trình bài dưới dạng đồ hoạ theo quy tắc thống nhất.
2, Các loại bản vẽ kĩ thuật:
-Bản vẽ cơ khí gồm các bản vẽ liên quan đến thiết kế, kiểm tra, chế tạo, lắp ráp, sử dụng các máy móc và thiết bị.
-Bản vẽ xây dựng gồm các bản vẽ liên quan đến thiết kế, thi công, lắp ráp, kiểm tra sử dụng các công trình xây dựng.
3, Vai trò của bản vẽ kĩ thuật đối với thiết kế:
Trong quá trình thiết kế từ khi hình thành ý tưởng đến khi lập hồ sơ kĩ thuật cần qua các giai đoạn thiết kế như sau:
+Giai đoạn hình thành ý tưởng: vẽ sơ đồ hoặc phắc hoạ sản phẩm.
+Giai đoạn thu thập thông tin: đọc các bản vẽ liên quan đến sản phảm khi thiết kế, lập các bản vẽ phác của sản phẩm.
+Giai đoạn thẩm định: trao đổi ý kiến thông qua các bản vẽ thiết kế sản phẩm. e, Hoàn thiện bản vẽ:
+Giai đoạn lập hồ sơ kĩ thuật: lập các bản vẽ tổng thể và chi tiết của sản phẩm.
D. TÌM TÒI MỞ RỘNG
Hoạt động 4: Tìm hiểu vai trò của bản vẽ kĩ thuật
a) Mục tiêu hoạt động
giúp các em hiểu sâu hơn về tầm quan trọng của thiết kế và bản vẽ kĩ thuật.
b) Gợi ý tổ chức hoạt động
Chia lớp thành 4 nhóm hoạt động về nhà tìm hiểu các nội dung sau: Tự làm 1 hộp đựng đồ dùng học tập
Các em ghi chép lại nội dung trọng tâm và vở ghi của mình.
3. Dặn dò
- Chuẩn bị trước bài mới ở nhà
4. RÚT KINH NGHIỆM
a. Nội dung:
………………………………………………………………………………………
………
b. Phương pháp:
……………………………………………………………………………
c. Đồ dùng dạy học:
………………………………………………………………………………………
………
Ninh Bình,Ngày ........tháng .... năm
..........
Giáo Viên |
Có thể bạn quan tâm!
-
Năng Lực Định Hướng Hình Thành Và Phát Triển Cho Học Sinh -
Học Sinh Làm Việc Nhóm, Tóm Tắt Kiến Thức Cách Vẽ Vật Thể -
Kiến Thức:kiểm Tra Lại Kiến Thức Mà Các Em Đã Được Học Từ Tiết 1 Đến Tiết 12. -
Năng Lực Định Hướng Hình Thành Và Phát Triển Cho Học Sinh -
Năng Lực Định Hướng Hình Thành Và Phát Triển Cho Học Sinh -
Công Nghệ Chế Tạo Phôi Bằng Phương Pháp Đúc 1, Bản Chất
Xem toàn bộ 169 trang tài liệu này.
Ngày soạn:........../....../..........
Tuần ..... Khối lớp 11
Bài 9 : BẢN VẼ CƠ KHÍ (1 tiết )
I.Vấn đề cần giải quyết
Chủ đề gồm một chuỗi các hoạt động động học thiết kế theo phương pháp dạy học giải quyết vấn đề: từ việc quan sát hình ảnh, video giáo viên tổ chức cho học sinh phát hiện vấn đề nghiên cứu và rút ra kết luận, báo cáo kết quả.
Bước 1 (Khởi động): Làm nảy sinh và phát hiện vấn đề về bản vẽ cơ khí
Bước 2 (Giải quyết vấn đề - hình thành kiến thức):Cách đọc và lập 1 bản vẽ chi tiết và bản vẽ lắp
Bước 3 (Luyện tập): Hệ thống hóa kiến thức và giải bài tập vận dụng. Bước 4 (Vận dụng, tìm tòi mở rộng): ứng dụng của vẽ kĩ thuật
Dự kiến việc tổ chức các hoạt động theo thời gian như bảng dưới:
Hoạt động | Tên hoạt động | Thời lượng dự kiến | |
Khởi động | Hoạt động 1 | Tạo tình huống có vấn đề về bản vẽ cơ khí | Trên lớp 4 phút |
Hình thành kiến thức | Hoạt động 2 | Cách đọc và lập 1 bản vẽ chi tiết và bản vẽ lắp | Trên lớp 35 phút |
Luyện tập | Hoạt động 3 | Hệ thống hóa kiến thức và giải bài tập vận dụng | ở nhà và trên lớp 5 phút |
Tìm tòi mở rộng | Hoạt động 4 | Tìm hiểu vai trò của thiết kế và bản vẽ kĩ thuật | ở nhà |
Theo chương trình công nghệ THPT lớp 11 chủ đề “BẢN VẼ CƠ KHÍ” gồm nội dung chính: Bản vẽ cơ khí
Nội dung kiến thức nói trên được thể hiện trong sách giáo khoa công nghệ lớp 11 hiện hành gồm 1 tiết:
CHUẨN BỊ
Giáo viên: : Nghiên cứu kĩ nội dung bài 9 trang 46 SGK, đọc các tài liệu có nội dung liên quan tới bài giảng, xem lại bài 8 sách công nghệ 8, soạn giáo án, lập kế hoạch giảng dạy.
-Tranh vẽ hình 9.1 và 9.4 trong SGK, thước vẽ kĩ thuật.
Học Sinh: xem lai nội dung bài 8 xem lại bài 8 sách công nghệ 8 đọc trước nội dung bài 9 trang 46 SGK, tìm hiểu các nội dung trọng tâm, bộ thước vẽ kĩ thuật.
II. Mục tiêu bài học
1. Kiến thức
-Biết được nội dung chính của bản vẽ chi tiết và bản vẽ lắp.
-Biết cách vẽ bản vẽ chi tiết.
2. Kỹ năng:
- Lập được bản vẽ chi tiết đơn giản.
3. Thái độ:
-Tích cực thảo luận, làm bài tập
- có thái độ học tập nghiêm túc.
- Hình thành được thói quen làm việc theo quy trình kỹ thuật, kiên trì chính xác và sáng tạo.
4. Năng lực định hướng hình thành và phát triển cho học sinh
- Năng lực tự học, đọc hiểu và giải quyết vấn đề theo giải pháp đã lựa chọn thông qua việc tự nghiên cứu và vận dụng kiến thức các bản vẽ
- Năng lực giải quyết vấn đề thông qua đặt câu hỏi khác nhau về hình chiếu vật thể; xác định và làm rõ thông tin, ý tưởng mới
- Năng lực hợp tác nhóm: trao đổi thảo luận, trình bày kết quả phân tích theo nhóm
- Năng lực thực hành thí nghiệm: các thao tác thí nghiệm.
III. Tiến trình bài học
1.Ổn định tổ chức lớp học (1 phút) 2.Bài mới
A. KHỞI ĐỘNG
Hoạt động 1: Tạo tình huống có vấn đề về bản vẽ cơ khí
a) Mục tiêu hoạt động
Thông qua hình ảnh hoặc video để tạo mâu thuẫn giữa kiến thức hiện có của HS với những kiến thức mới.
b) Gợi ý tổ chức hoạt động
B1: Chuyển giao nhiệm vụ học tập
- Giáo viên chia mỗi bàn là 1 nhóm làm việc.
- Hướng dẫn các em đọc sách giáo khoa, quan sát hình ảnh hoặc video trả lời các câu hỏi của giáo viên:
+ Em hãy cho biết hình ảnh trên cho biết bản vẽ gì?
- Trong quá trình hoạt động nhóm, GV quan sát học sinh tự học, thảo luận, trợ giúp kịp thời khi các em cần hỗ trợ. Ghi nhận kết quả làm việc của cá nhân hoặc nhóm học sinh.
B2: Thực hiện nhiệm vụ học tập
- Trong quá trình hoạt động nhóm, GV quan sát học sinh tự học, thảo luận, trợ giúp kịp thời khi các em cần hỗ trợ.
B3:Báo cáo kết quả thực hiện nhiệm vụ học tập
- Đại diện các nhóm báo cáo kết quả.
Ghi nhận kết quả làm việc của cá nhân hoặc nhóm học sinh.
B4: Đánh giá kết quả hoạt động
- Giáo viên đánh giá kết quả hoạt động để làm cơ sở đánh giá học sinh. Sản phẩm của từng cá nhân và của nhóm.
Học sinh thống nhất phần đáp án và trình bày vào vở ghi của mình.
c) Sản phẩm của hoạt động:Sản phẩm của từng cá nhân và của nhóm.
B. HÌNH THÀNH KIẾN THỨC
Hoạt động 2: Cách đọc và lập 1 bản vẽ chi tiết và bản vẽ lắp
a) Mục tiêu hoạt động
Thông qua hình ảnh hoặc video học sinh có thể biết được thế nào bản vẽ chi tiết và bản vẽ lắp
b) Gợi ý tổ chức hoạt động
B1: Chuyển giao nhiệm vụ học tập
- Chia lớp thành 4 nhóm hoạt động giáo viên hướng dẫn các cá nhân nhóm cần giúp đỡ.
- Hướng dẫn các em đọc sách giáo khoa và quan sát tranh ảnh hoặc hình ảnh mô phỏng trả lời các câu hỏi:
thông qua tranh vẽ h9.1trang 47 sgk yêu cầu HS đọc bản vẽ và nêu câu hỏi
+Bản vẽ chi tiết gồm những nội dung gì?
+Bản vẽ chi tiết dùng để làm gì?
+Cách lập bản vẽ chi tiết
+Để lập một bản vẽ chi tiết qua nhiều bước. Em hãy nêu các bước lập bản vẽ chi tiết?
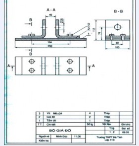
Thông qua tranh vẽ bộ giá đỡ h 9.4 sgk GV đặt câu hỏi.
+Bản vẽ lắp gồm những nội dung gì? Em hãy đọc bản vẽ lắp bộ
giá đỡ?
+Bản vẽ lắp dùng để làm gì?
+Nêu cách lắp ráp các chi tiết nêu trên trong bản vẽ bộ giá đỡ?
B2: Thực hiện nhiệm vụ học tập
- Trong quá trình hoạt động nhóm, GV quan sát học sinh tự học, thảo luận, trợ giúp kịp thời khi các em cần hỗ trợ.
B3:Báo cáo kết quả thực hiện nhiệm vụ học tập
- Đại diện các nhóm báo cáo kết quả.
Ghi nhận kết quả làm việc của cá nhân hoặc nhóm học sinh.
B4: Đánh giá kết quả hoạt động
- Giáo viên đánh giá kết quả hoạt động để làm cơ sở đánh giá học sinh. Sản phẩm của từng cá nhân và của nhóm.
Học sinh thống nhất phần đáp án và trình bày vào vở ghi của mình.
c) Sản phẩm của hoạt động: Sản phẩm của từng cá nhân và của nhóm.
Hoạt động 3: Hệ thống hóa kiến thức và giải bài tập vận dụng
a) Mục tiêu hoạt động
Củng cố lại kiến thức trọng tâm của bài giúp học sinh ghi nhớ, khắc sâu kiến thức.
b) Gợi ý tổ chức hoạt động
- Giáo viên hướng dẫn học sinh tổng hợp lại kiến thức và ghi nội dung chính vào vở ở nhà.
c) Sản phẩm của hoạt động: Sản phẩm của từng cá nhân Các em ghi chép lại nội dung trọng tâm và vở ghi của mình. Hệ thống hóa kiến thức
I,Bản vẽ chi tiết
1, Nội dung bản vẽ chi tiết.
+Nội dung: bản vẽ chi tiết thể hiện hình dạng, kích thước và yêu cầu kĩ thuật của chi tiết.
+Công dụng: bản vẽ chi tiết dùng đẻ chế tạo và kiểm tra chi tiết.
2, Cách lập bản vẽ chi tiết
+Bước 1: bố trí các hình biểu diễn và khung tên.
+Bước 2: vẽ mờ.
+Bước 3: tô đậm.
+Bước 4: ghi chữ, kiểm tra và hoàn thiện bản vẽ.

II. Bản vẽ lắp
1. Nội dung: bản vẽ lắp thể hiện hình dạng, vị trí tương quan của một nhóm chi tiết được lắp với nhau.
2. Công dụng: bản vẽ lắp dùng để lắp ráp các chi tiết.
- Bản vẽ lắp bộ giá đỡ gồm:
+ Tấm đỡ: 1
+Giá đỡ: 2 Thép
+Vít M6 x 24: 4

D. TÌM TÒI MỞ RỘNG
Hoạt động 4: Tìm hiểu vai trò của bản vẽ cơ khí
a) Mục tiêu hoạt động
giúp các em hiểu sâu hơn về tầm quan trọng của bản vẽ cơ khí
b) Gợi ý tổ chức hoạt động
Chia lớp thành 4 nhóm hoạt động về nhà tìm hiểu các nội dung sau: Lập bản vẽ chi tiết của sản phẩm cơ khí đơn giản từ vật mẫu gia đình có
Các em ghi chép lại nội dung trọng tâm và vở ghi của mình.
3. Dặn dò
- Chuẩn bị trước bài mới ở nhà
4. RÚT KINH NGHIỆM
a. Nội dung:
………………………………………………………………………………………
………
b. Phương pháp:
……………………………………………………………………………
c. Đồ dùng dạy học:
………………………………………………………………………………………
………
Ninh Bình,Ngày ....... tháng.....
năm..........
Giáo Viên |
Ngày soạn:............./....../..........
Tuần 17
Khối lớp 11
Bài 11 : BẢN VẼ XÂY DỰNG (1 tiết )
I.Vấn đề cần giải quyết
Chủ đề gồm một chuỗi các hoạt động động học thiết kế theo phương pháp dạy học giải quyết vấn đề: từ việc quan sát hình ảnh, video giáo viên tổ chức cho học sinh phát hiện vấn đề nghiên cứu và rút ra kết luận, báo cáo kết quả.
Bước 1 (Khởi động): Làm nảy sinh và phát hiện vấn đề về bản vẽ xây dựng
Bước 2 (Giải quyết vấn đề - hình thành kiến thức):Bản vẽ mặt bằng tổng thể và các hình biểu diễn của ngôi nhà
Bước 3 (Luyện tập): Hệ thống hóa kiến thức và giải bài tập vận dụng. Bước 4 (Vận dụng, tìm tòi mở rộng): Tự lấy các số liệu của ngôi nhà mình ở Dự kiến việc tổ chức các hoạt động theo thời gian như bảng dưới:
Hoạt động | Tên hoạt động | Thời lượng dự kiến | |
Khởi động | Hoạt động 1 | Tạo tình huống có vấn đề về bản vẽ xây dựng | Trên lớp 4 phút |
Hình thành kiến thức | Hoạt động 2 | Bản vẽ mặt bằng tổng thể và các hình biểu diễn của ngôi nhà | Trên lớp 35 phút |
Luyện tập | Hoạt động 3 | Hệ thống hóa kiến thức và giải bài tập vận dụng | ở nhà và trên lớp 5 phút |
Tìm tòi mở rộng | Hoạt động 4 | Tự lấy các số liệu của ngôi nhà mình ở | ở nhà |
Theo chương trình công nghệ THPT lớp 11 chủ đề “BẢN VẼ XÂY DỰNG” gồm nội dung chính: Bản vẽ xây dựng
Nội dung kiến thức nói trên được thể hiện trong sách giáo khoa công nghệ lớp 11 hiện hành gồm 1 tiết:
CHUẨN BỊ
Giáo viên: Nghiên cứu kĩ nội dung bài 11 trang 52 SGK, đọc các tài liệu có nội dung liên quan tới bài giảng, xem lại bài 15 sách công nghệ 8, soạn giáo án, lập kế hoạch giảng dạy.
Tranh vẽ hình 11.1a, 11.2 trong SGK, thước vẽ kĩ thuật.






