thuyết thì góc φ biến đổi từ 0 đến 1200)
Đây chính là nguyên lý thiết kế bàn kiểm công tơ điện với phụ tải sử dụng là U2 (mạch dòng)
Ưu điểm:
- góc φ biến đổi từ 00 đến 1200 thực tế là (-100 đến 1100), như vậy không cần thay đổi vị trí đấu mà ta vẫn có góc mong muốn, nhưng khi đó khó tạo vì dòng trong mạch tạo pha bị lớn nên tốt nhất vẵn dùng phương pháp thay đổi đầu đấu dây
- sử dụng được với lưới điện công nghiệp 220 – 380V
IV. Bộ đếm thời gian
Mạch đồng hồ kỹ thuật số

1. Chíp tạo dao động: DS1307
Chíp thời gian thực DS1307 là loại chíp tiêu thụ điện áp thấp, tích hợpsẵn mã chuyển đổi BCD -> clock/carlender. Bộ nhớ trong 56 byte SRAM. Quá trình giao tiếp với chíp được truyền theo chuẩn I2C.
Mã clock/carlender tích hợp mã: giây, phút, giờ, ngày, thứ, tháng, năm. Chíp có khả
năng tự điều chỉnh ngày trong tháng (ứng với từng trường hợp tháng có 30 ngày hoặc 31 ngày), có khả năng chọn chế độ hiển thị giờ trong ngày có thể là 12 giờ với AM hoặc PM, hoặc 24 giờ. Các đặc tính đó có được thông qua việc tác động vào thanh ghi của chíp.
Sơ đồ khối:

Chức năng của các chân như sau:
Tên  | Chức năng  | |
1  | X1  | Kết nối với thạch anh bên ngoài (chuẩn 32.768kHz) Mạch tạo dao động bên trong ứng với CL=12.5pF, X1: input, X2: Output  | 
2  | X2  | |
3  | VBAT  | Nguồn battery bên ngoài (chuẩn 3V)  | 
4  | GND  | Nối đất  | 
5  | SDA  | Serial data. Chân truyền nhận dữ liệu giữa DS1307 với thiết bị khác theo chuẩn I2C, kiểu chân open drain nên phải có mắc điện trở treo (pullup) bên ngoài  | 
6  | SCL  | Serial clock, trong giao thức I2C dữ liệu được truyền nối tiếp, đồng bộ, đây chính là chân xung nhịp clock của quá trình truyền.  | 
7  | SQW/OUT  | Chân điều khiển đầu ra  | 
8  | VCC  | Nguồn cung cấp 5V  | 
Có thể bạn quan tâm!
-  
 Thiết kế bàn thử nghiệm công tơ điện 1 pha và 3 pha - 6 -  
 Thiết kế bàn thử nghiệm công tơ điện 1 pha và 3 pha - 7 -  
 Bộ Tạo Góc Lệch Pha Các Phương Án Lựa Chọn -  
 Thiết kế bàn thử nghiệm công tơ điện 1 pha và 3 pha - 10 
Xem toàn bộ 80 trang tài liệu này.
Hoạt động
Sự hoạt động của DS1307 dựa trên việc tác động vào thanh ghi. Cụ thể như
sau:
Bit 7  | Bit 6  | Bit 5  | Bit 4  | Bit 3  | Bit 2  | Bit 1  | Bit 0  | Chức năng  | Khoảng giá trị  | |
00H  | CH  | Lưu giá trị giây lớn hơn 10  | Lưu giá trị giây bé hơn 10  | T/h giây  | 0 – 59  | |||||
01H  | 0  | Lưu giá trị phút 10  | Lưu giá trị phút bé hơn 10  | T/h phút  | 0 – 59  | |||||
02H  | 0  | 12  | 10 giờ  | 10 giờ  | Giờ  | Giờ  | 1-12 AM/PM 00-23  | |||
24  | Pm/am  | |||||||||
03H  | 0  | 0  | 0  | 0  | 0  | Thứ  | Thứ  | 01 – 07  | ||
04H  | 0  | 0  | Ngày trên 10  | Ngày  | Ngày  | 01-31  | ||||
05H  | 0  | 0  | 0  | Tháng trên 10  | Tháng  | Tháng  | 01-12  | |||
06H  | Năm trên 10  | Năm  | Năm  | 00-99  | ||||||
07H  | OUT  | 0  | 0  | SQWE  | 0  | 0  | RS1  | RS0  | Control  | |
08- 3FH  | RAM 56 x 8  | 00H – FF H  | ||||||||
Chuẩn truyền thông I2C trong quá trình giao tiếp với chíp DS1307
Sơ đồ truyền nhận:

Quá trình truyền nhận theo chuẩn I2C diễn ra như sau:
Thông thường trong các ứng dụng DS1307 được coi như slave, bus phải được điều khiển từ một thiết bị master khác là thiết bị phát ra xung chuẩn trên đường SCL, sự truyền nhận được thực hiện thông qua việc phát tín hiệu STOP và START, qua trình truyền nhận như sau:
- Khi đường dữ liệu và đường clock ở mức cao: Bus ở trạng thái nhàn rỗi
- Khi có sự thay đổi trạng thái trên bus từ mức HIGH xuống mức LOW, trong
khi bus clock ở mức HIGH tương ứng với điều kiện START
- Khi có sự thay đổi trạng thái trên bus từ mức LOW xuống mức HIGH, trong
khi bus clock ở mức HIGH tương ứng với điều kiện STOP
- Sau khi có tín hiệu START dữ liệu được truyền trên đường I2C, dữ liệu được thiết lập trong khi xung clock ở mức HIGH. Dữ liệu được nạp trong quá trình xung đồng hồ ở mức LOW.
- Với mỗi thiết bị nhận đều có một địa chỉ xác định, địa chỉ của thiết bị được phát bởi thiết bị MASTER, thiết bị SLAVE có quá trình nhận biết địa chỉ, nếu địa chỉ đó đúng với địa chỉ của thiết bị thì SLAVE phát lại tín hiệu nhận biết và tiến hành trao đổi dữ liệu với MASTER.
- Quá trình trao đổi dữ liệu kết thúc khi MASTER phát lên đường truyền tín
hiệu STOP
2. Ứng dụng của chip DS1307 trong đồng hồ thời gian thực:
Mô hình ứng dụng

Mô hình có 3 khối chính:

a. Vi điều khiển
Có vai trò đọc, điều khiển chip DS1307. Quá trình giao tiếp giữa vi điều khiển và DS1307 được thực hiện theo chuẩn nối tiếp I2C trong đó vi điều khiển là Master, DS1307 là Slave. Vi điều khiển sẽ đọc và tác động các thanh ghi trong DS1307, nhận giá trị từ DS1307 và hiển thị lên thiết bị hiển thị. ứng dụng là vi
điều khiển PSoC-CY27443 của hãng Cypress (tham khảo tại www.cypress.com) đây là vi điều khiển tích hợp sẵn chuẩn truyển thông nối tiếp I2C thích hợp cho việc kết nối với DS1307
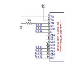
b. Thiết bị hiển thị
Dùng loai truyền theo giao thức Hitachi HD44780, với 7 chân truyền dữ liệu và điều khiển (như hình vẽ):
LCD Pin  | Description  | |
Port-X0  | DB4  | Data Bit 0  | 
Port-X1  | DB5  | Data Bit 1  | 
Port-X2  | DB6  | Data Bit 2  | 
Port-X3  | DB7  | Data Bit 3  | 
Port-X4  | E  | LCD Enable  | 
Port-X5  | RS  | Register Select  | 
Port-X6  | R/W  | Read/ Not Write  | 
LCD đóng vai trò hiển thị kết quả giây, phút, ngày giờ, tháng năm, thiết bị
hiển thị được điều khiển bởi vi điều khiển PSoC-CY27443
Trong Chíp vi điều khiển PSoC có tích hợp sẵn môdul giao tiếp với LCD theo
chuẩn HD 44780.
c. Chíp thời gian thực DS1307
Sơ đồ nguyên lý :
Rp2
Rp1
4K7 4K7
I2C_SCL I2C_SDA
5V
RTC
I2C_SCL 6
I2C_SDA 5
1
2
8
3
7
4
XTAL
SCL VCC
SDA VBAT X1
X2 SQW/OUT
GND
1
2
5V
PSOC
Header 16
KHOI HIEN THI
CHAN LAP TRINH
5V
5V
PROGRAM
Header 5
Power 5V
DS1307
NGUON
2
1
P0.0 P0.1 P0.2 P0.3 P0.4 P0.5
24
4
25
3
26
2
p0. 627
P0.7 1
20
8
21
7
22
6
23
5
5V
Sreset
R3
100
SDA15
SCL13
16
12
XRES 19
RESET
14
17
11 I2C_SDA
18
10 I2C_SCL
9
3V
28
C8 10uF
CY8C27443-24PI
R4
10K
P0(0) P2(0)
P0(1) P2(1)
P0(2) P2(2)
P0(3) P2(3)
P0(4) P2(4)/Ext AGNDIn P0(5) P2(5)
P0(6) P2(6)/Ext VREFIn P0(7) P2(7)
P1(0)/XtalOut/SDATA P1(4) P1(1)/XtalIn/SCLK P1(5) P1(2) P1(6)
P1(3) P1(7)
XRES SMP
VSS
VCC
LCD
R5
2K
P0.5
P0.6
P0.4
P0.0
P0.1
P0.2 P0.3
1
2
3
4
5
6
7
8
9
10
11
12
13
14
15
16
XRES SCL SDA
1
2
3
4
5
Chương V. CÁC PHƯƠNG PHÁP THỬ NGHIỆM VÀ
TÍNH TOÁN SỬ LÝ SAI SỐ
I. Phương pháp công suất thời gian
Phương pháp này được áp dụng rộng rãi nhưng năng suất thấp và phức tạp.Với phương pháp này, mạch điện áp và dòng điện của công tơ được tách biệt rồi đưa công suất điện qua công tơ. Trong đó các đại lượng điện áp, dòng điện và góc lệch pha có khả năng điều chỉnh được ở các giá trị quy định, đồng thời phải đếm được số vòng quay của công tơ theo đồng hồ bấm giây.
Để loại trừ sai số do phương pháp, cần phải giữ công suất ổn định trong thời gian đếm số vòng dây của đĩa công tơ.
Ta có:
C.N=P.t
Trong đó:
C- Hằng số công tơ
N- Số vòng quay đĩa công tơ P- Công suất tiêu thụ ở phụ tải
t- Thời gian để đĩa công tơ quay được N vòng.
=> t =
C.N P
Đây chính là thời gian chuẩn danh nghĩa mà nhà chế tạo thiết lập trên cơ sở tính toán theo hằng số công tơ, số vòng quay của đĩa công tơ và công suất tải. Khi kiểm nghiệm bằng phương pháp công suất thời gian, trong quá trình tính toán phải chú ý 5 điểm sau:
1. Những công tơ có quy định các thiết bị phụ lắp đồng bộ và được ghi nhận trên mặt số công tơ, công suất trong công thức tính thời gian phải nhân thêm với hệ số biến đổi TI và Tu




