Thông qua các tài liệu sơ cấp hiện có (bản đồ phân bố hiện trạng kiểu tài nguyên rừng; diện tích các kiểu rừng,v.v), kết hợp với tham vấn các cán bộ chuyên môn phòng Kỹ thuật và các cán bộ quản lý, kiểm lâm địa bàn của Vườn Quốc gia để nắm bắt các kiểu rừng.
Căn cứ vào kết quả thu thập tài liệu sơ cấp, đề tài luận án đã xác định và vạch ra các tuyến điển hình, lập ra ô tiêu chuẩn điều tra theo 2 kiểu rừng trên bản đồ và trên thực địa tại khu vực VQGNKĐ. Số lượng tuyến, ô tiêu chuẩn trên 2 kiểu rừng trong toàn khu vực VQGNKĐ đã lập được thống kê trong bảng 2.1.
Bảng 2.1. Số lượng tuyến, ô tiêu chuẩn trên các kiểu rừng
Tuyến theo kiểu rừng/ trạng thái | Số OTC | Mã số OTC | |
1 | Rừng lá rộng thường xanh | 50 | Từ số 1- 50 |
1.1 | Tuyến trên trạng thái rừng giàu (M > 200 m3/ha) | 10 | Từ số 1- 10 |
1.2 | Tuyến trên trạng thái rừng trung bình (100 m3/ha < M ≤ 200 m3/ha) | 10 | Từ số 11- 20 |
1.3 | Tuyến trên trạng thái rừng nghèo (50 m3/ha < M ≤ 100 m3/ha) | 10 | Từ số 21- 30 |
1.4 | Tuyến trên trạng thái rừng nghèo kiệt nghèo (10 m3/ha < M ≤ 50 m3/ha) | 10 | Từ số 31- 40 |
1.5 | Tuyến trên trạng thái rừng chưa có trữ lượng (M < 10 m3/ha) (rừng đang phục hồi) | 10 | Từ số 41- 50 |
2 | Rừng trồng (3 OTC/cấp tuổi - 5 năm/ 1 cấp tuổi) | 36 | Từ số 51- 86 |
2.1 | Tuyến theo rừng trồng Keo | 9 | Từ số 51- 59 |
2.2 | Tuyến theo rừng tròng Bạch đàn Urophyla | 9 | Từ số 60 - 68 |
2.3 | Tuyến theo rừng trồng Tếch | 9 | Từ số 69- 77 |
2.4 | Trồng cây Cao su | 9 | Từ số 78- 86 |
Tổng | 86 | ||
Có thể bạn quan tâm!
-
Kết Luận, Đánh Giá Chung Hướng Sử Dụng Kỹ Thuật So Sánh Sau Phân Loại -
Kết Luận, Đánh Giá Chung Phương Pháp Sử Dụng Thuật Toán -
Nghiên Cứu Đặc Điểm Hiện Trạng Tài Nguyên Rừng Và Các Yếu Tố Ảnh Hưởng Đến Công Tác Quản Lý Tài Nguyên Rừng Tại Khu Vực Vqgnkđ -
Nội Dung 3: Phương Pháp Xác Định Ngưỡng Có Thêm Rừng Mới Tại Khu Vực Vqgnkđ. -
Đặc Điểm Hiện Trạng Tài Nguyên Rừng, Thực Trạng Hạ Tầng Ứng Dụng Công Nghệ Địa Không Gian, Và Các Yếu Tố Ảnh Hưởng Đến Công Tác Quản Lý Tài -
Hiện Trạng Nhân Sự Cho Phát Triển Ứng Dụng Công Nghệ Địa Không Gian
Xem toàn bộ 193 trang tài liệu này.
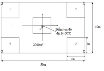
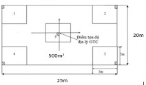
a) Lập ô tiêu chuẩn nghiên cứu:
Vị trí các OTC được xác đinh theo phương pháp lấy mẫu ngẫu nhiên phân tầng (stratified random sampling). Các ô tiêu chuẩn nghiên cứu là OTC điển hình, có tính đại diện (đại diện theo từng kiểu rừng/trạng thái rừng/khu rừng suy thoái), hình chữ nhật với diện tích 500 m2 cho đối tượng là rừng trồng và 2000 m2 cho đối tượng là rừng tự nhiên. Vị trí các OTC cách xa đường mòn ít nhất 10 m, không vượt qua dông, qua khe. Trên OTC, lập 5 ODB với diện tích mỗi ODB là 25 m2 (5 m x 5 m) để điều tra cây tái sinh và cây bụi, thảm tươi đối với khu phục hồi (rừng thứ sinh sau nương rẫy).
Cách lập OTC được thể hiện theo sơ đồ dưới đây.
|
Hình 2.2. Sơ đồ bố trí ô dạng bản trong OTC
Trong đó: 1, 2, 3, 4, 5 là các ô dạng bản, có diện tích 25 m2 (5 m x 5 m)
Sau khi lập được OTC, tiến hành đóng 4 cọc gỗ tại các vị trí là 4 góc vuông và 1 cọc tại vị trí chính tâm của ô tiêu chuẩn.
b) Thu thập số liệu về đặc điểm cấu trúc rừng
Tầng cây cao
- Xác định tên cây cho từng cá thể theo tên khoa học (latin), tên phổ thông Lào, tên Việt Nam (nếu có) và tên địa phương ở Lào, những loài không xác định được trực tiếp tại rừng, lấy tiêu bản để giám định tên.
- Đường kính ngang ngực D1.3 (cm) được đo bằng thước kẹp kính tại vị trí 1.3 m tất cả các cây có đường kính từ 6 cm trở lên,
- Chiều cao vút ngọn Hvn (m) và chiều cao dưới cành Hdc (m): được đo bằng máy đo cao laser (Nikon forestry Pro), đo chiều cao tất cả các cây có đường kính từ 6 cm trở lên.
- Đánh giá chất lượng cây thông qua các chỉ tiêu hình thái theo 2 cấp:
(1) Cây đạt phẩm chất gồm nhưng cây có chất lượng tốt đến trung bình; (2) Cây không đạt phẩm chất là những cây xấu.
Kết quả đo được thống kê vào phiếu điều tra tầng cây cao được ghi theo mẫu biểu (phụ biểu 2.1).
Cây tái sinh
Điều tra cây tái sinh được tiến hành trên các ODB . Cây tái sinh được điều tra từ giai đoạn cây mạ đã vượt qua lớp cây bụi, thảm tươi dưới OTC cho đến giai đoạn cây tái sinh chưa tham gia vào tầng tán rừng (D1.3< 6cm).
Trong mỗi ô dạng bản cần xác định tên loài (tên phổ thông và tên địa phương), loài chưa biết được lấy tiêu bản để giám định. Đo chiều cao (Hvn) bằng sào khắc vạch có độ chính xác 0,1m. Xác định phẩm chất cho từng cây tái sinh điều tra theo 3 cấp: Tốt (A); trung bình (B), xấu (C).
Kết quả đo được thống kê vào phiếu điều tra cây tái sinh được ghi theo mẫu biểu (phụ biểu 2.2)
Điều tra cây bụi, thảm tươi trên các ODB
Cây bụi, thảm tươi được điều tra trên ô dạng bản 25m2 cùng với điều tra cây tái sinh. Trên các ODB tiến hành điều tra các loài cây bụi, thảm tươi theo các tiêu chí: Tên loài chủ yếu, chiều cao bình quân, đường kính tán bình quân, độ che phủ bình quân của loài và tình hình sinh trưởng của cây bụi trên ODB. Các chỉ tiêu điều tra được ghi vào mẫu biểu (phụ biểu 2.3)
c) Thời gian điều tra
Đề tài tiến hành điều tra vào tháng 01 năm 2016 đến tháng 12 năm 2019.
d) Xử lý số liệu nghiên cứu
Các chỉ tiêu nghiên cứu được xử lý, tính toán bằng phần mềm SPSS, Excel và các phần mềm chuyên dụng khác. Trình tự xử lý được thực thiện theo các bước dưới đây.
- Tính tiết diện ngang G (m2/ha):
- Trữ lượng M (m3/ha)
(2.1)
![]()
M = GHf (m3/ha) (2.2)
Trong đó: D: Đường kính ngang ngực M: trữ lượng (m3/ha)
G: Tổng tiết diện ngang của lâm phần(m2/ha) H: Chiều cao bình quân của lâm phần (m)
f: Hình số (f = 0,45)
(iii) Phương pháp xác đinh các nhân tố ảnh hưởng đến mất rừng, suy thái rừng và khu vực thêm rừng mới trên khu vực VQGNKĐ
Đề tài luận án sử dụng phương pháp điều tra xã hội học kết hợp với điều tra, khảo sát thực tế để xác định các nguyêy nhân chính có ảnh hưởng đến công tác quản lý hiệu quả tài nguyên rừng khu vực nghiên cứu, gồm:
(a) Điều tra thu thập tài liệu thứ cấp
- Tài liệu, bản đồ về hiện trạng diễn biến tài nguyên rừng từ các nguồn: Cục lâm nghiệp-Bộ Nông Lâm Lào; Chi cục Lâm nghiệp, Chi cục Kiểm lâm
- Các báo cáo của Ban quản lý VQGNKĐ về công tác quản lý, bảo vệ, phát triển rừng;
- Các báo cáo có liên quan về nguyên nhân mất rừng và suy thoái rừng;
- Thực trạng về công tác quản lý bảo vệ tài nguyên rừng ở khu vực VQGNKĐ.
(b) Chọn địa điểm điều tra thực tế về các tác nhân MR và STR
Sau khi thu thập tài liệu thứ cấp, khảo sát sơ bộ một số làng, bản, trao đổi với cán bộ huyện, làng đã đưa ra các nguyên tắc lựa chọn địa điểm nghiên cứu.
(c) Xác định dung lượng mẫu điều tra thực tế về các tác nhân MR và STR
- Đối với cấp tỉnh, huyện, làng: Số lượng mẫu điều tra được thực hiện phục thuộc vào số lượng sở, phòng, ban chức năng có liên quan, mỗi sở, phòng, ban phỏng vấn đại diện 1 đến 2 người có trách nhiệm liên quan về quản lý và phát triển nguồn tài nguyên rừng tại địa phương phụ trách.
- Đối với các hộ gia đình: Số lượng mẫu (số hộ gia đình) điều tra, phỏng vấn là một phần tổng thể được lựa chọn theo cách thức nhất định và với một số lượng hợp lý. Hộ gia đình có tính đại diện để có thể suy rộng thông tin thu được cho tổng thể.
Với nghiên cứu này, đề tài luận án chọn cách xác định số lượng hộ gia đình điều tra không lặp lại theo Slovin (1984).
Số lượng hộ gia đình điều tra được xác định theo công thức sau:
n = N/(1 + Ne2) (2.3)
Trong đó:
N: tổng số hộ trong thôn/bản; n: số hộ điều tra; e: sai số cho phép (0,05)
Tổng số lượng hộ gia đình được lựa chọn theo các thôn/ban được thống kê trong phụ lục
(d). Điều tra, phỏng vấn và thu thập số liệu ngoài thực địa
- Phương pháp điều tra được thực hiện thông qua phỏng vấn người đại diện các cơ quan, ban ngành của tỉnh Bolykhamsay
- Đối với cấp làng (xã Việt Nam), bản và các hộ gia đình. Tổng số cán bộ cấp làng, thôn/bản và chủ hộ, nhóm phỏng vấn dự kiến gặp gỡ, trao đổi và tiến hành phỏng vấn 60 người (danh lục người phỏng vấn dự kiến trong phụ lục 2.8)
2.2.2.2. Nội dung 2: Phương pháp xác định ngưỡng mất rừng, suy thoái rừng tại khu vực VQGNKĐ.
Nghiên cứu đã tiến hành lấy mẫu mất rừng cho 1 kỳ nghiên cứu, từ 2016 -2019 để tiến hành xác định ngưỡng giá trị mất rừng, suy thoái và thêm
49
rừng thông qua các chỉ số viễn thám ARVI. Các bước để xác định một khu vực mất rừng, suy thoái rừng và thêm rừng của nghiên cứu dựa trên việc sử dụng ngưỡng giá trị đã xác định, cụ thể theo các bước như sau:
(1) Thu thập dữ liệu thứ cấp
- Bản đồ địa hình và bản đồ quy hoạch khu vực VQGNKĐ, các tài liệu liên quan về thực trạng và công tác quản lý rừng, bao gồm: số liệu báo cáo tổng kết công tác hàng năm của VQGNKĐ, của các huyện thuộc khu vực nghiên cứu.
- Tải ảnh vệ tinh theo thời gian và khu vực quan tâm. Ảnh vệ tinh theo không gian và thời gian khu vực nghiên cứu được thực hiện bằng đoạn mã. Đoạn mã được thể hiện trong phụ biểu 8.
Dữ liệu ảnh vệ tinh Sentinel-2 trên GEE được lấy với từ kho ee.ImageCollection("COPERNICUS/S2_SR").
Lọc theo thời gian quan tâm: filterDate Lọc theo khu vực quan tâm: filterBounds
Sau khi thu thập được ảnh Sentinel-2. Tiến hành sử dụng phần mềm đánh giá chất lượng ảnh thông qua chỉ số NIIRS để đánh giá chất lượng ảnh.
- Dữ liệu viễn thám Sentinel 2 tại khu vực nghiên cứu (các cảnh ảnh T48QVF và T48QUF) trong khoảng thời gian từ 1/1/2016 đến 31/10/2019. Các ảnh trên đã được tiền xử lý, hiệu chỉnh và đưa về giá trị phản xạ bề mặt (Surface Reflectance-SR) trên Google Earth Engine (GEE) nhằm thuận tiện cho việc thu thập các dữ liệu ảnh phù hợp với các khoảng thời gian xảy ra mất rừng tại các mẫu điều tra trên thực tế hiện trường. Nghiên cứu đã sử dụng mã GEE có sẵn, sử dụng thuật toán loại bỏ mây dựa vào chuỗi giá trị các kênh ảnh tại mỗi pixel. Các đám mây và bóng của chúng bị xóa khỏi tất cả các hình ảnh của dữ liệu Sentinel-2. Các đám mây được xác định từ tập dữ liệu xác suất đám mây S2 (s2cloudless) và bóng của chúng được xác định bằng phép chiếu đám mây kết hợp với các điểm ảnh có phản xạ cận hồng ngoại (NIR) thấp
(https://developers.google.com/earth-engine/tutorials/community/sentinel-2- s2cloudless). Toàn bộ dữ liệu được chuyển sang hệ tọa độ WGS_1984_UTM_Zone_48N phù hợp với khu vực nghiên cứu.
(2) Dữ liệu điều tra
Điều tra ngoại nghiệp được thực hiện để thu thập thông tin tại các vị trí đã được xác định xảy ra suy thoái rừng và mất rừng hoàn toàn trên thực tế theo báo cáo tài nguyên rừng của Vườn Quốc gia và các huyện trong khu vực nghiên cứu.
Đối với vị trí được xác định mất rừng hoàn toàn, 212 điểm mẫu được xác định vị trí định bằng GPS MAP64s.
Đối với các vị trí được xác định là suy thoái rừng, luận án tiến hành lập 75 OTC điều tra với diện tích 500 - 2000m2 (tương tự OTC điều tra thực trạng tài nguyên rừng) trên các vị trí suy thoái để xác định đặc điểm cấu trúc rừng nhằm đánh giá suy thoái rừng.
Tổng cộng có 75 điểm mẫu suy thoái rừng và 212 điểm mẫu mất rừng đã được điều tra thực tế. Ranh giới các vùng rừng bị suy thoái/mất tương ứng với các điểm mẫu được số hóa dựa trên phương pháp giải đoán ảnh bằng mắt trên tư liệu ảnh viễn thám Sentinel- 2, Google Earth, Planet.com và bản đồ nền trên ArcGIS 10.4.1 để tính chỉ số ARVI. Sự phân bố của các điểm mẫu đã thu thập ngoài thực địa được thể hiện được thống kê trên bảng 2.2 và hình 2.3. Vì lý do địa hình gồ ghề, phức tạp nên chỉ một số ít vùng mẫu mất rừng được thu thập ở khu vực VQGNKĐ. Phần lớn các vùng mẫu nằm ở khu vực các huyện lân cận.
Hình 2.3. Sơ đồ phân bố không gian của các vùng mẫu MT, STR
Các điểm mẫu (OTC) được thống kê trong bảng 2.2.
Bảng 2.2. Số lượng các điểm mẫu MR, STR để định ngưỡng và kiểm chứng
Đối tượng | Mã mẫu | Điểm mẫu điều tra | Điểm mẫu định ngưỡng | Điểm mẫu kiểm chứng | |
1 | Mất rừng | MR | 212 | 162 | 50 |
2 | Suy thoái rừng | STR | 75 | 56 | 19 |
+ Mẫu mất rừng trên bao gồm: mất rừng tự nhiên do phá rừng, lấn chiếm và mất rừng trồng do khai thác trắng. Mẫu suy thoái rừng là các mẫu rừng tự nhiên do khai thác rừng trái phép lượng cây gỗ chính, làm suy giảm về mặt trữ lượng và độ che phủ. Các mẫu mất rừng, suy thoái rừng được kết hợp đưa vào Planet.com để kiểm chứng thời gian mất rừng, suy thoái rừng.
(3) Tính ngưỡng chỉ số viễn thám phát hiện sớm mất rừng, suy thoái rừng.
Các ảnh chỉ số ARVI tại khu vực nghiên cứu được thu thập trực tiếp trên GEE để tiết kiệm thời gian xử lý và dung lượng lưu trữ dữ liệu, tính toán dựa vào công thức:
ARVI = [NIR - (2 × RED) + BLUE] / [NIR + (2 × RED) + BLUE] (2.4)








