Tuyến theo kiểu rừng/ trạng thái | Số OTC | Mã số OTC | |
1.3 | Tuyến trên trạng thái rừng nghèo (50 m3/ha < M ≤ 100 m3/ha) | 5 | Từ số 11- 15 |
2 | Rừng hỗn giao cây lá rộng với cây lá kim | 15 | Từ số 16 - 30 |
2.1 | Tuyến trên trạng thái rừng giàu (M > 200 m3/ha) | 5 | Từ số 16 - 20 |
2.2 | Tuyến trên trạng thái rừng trung bình (100 m3/ha < M ≤ 200 m3/ha) | 5 | Từ số 21 - 25 |
2.3 | Tuyến trên trạng thái rừng nghèo (50 m3/ha < M ≤ 100 m3/ha) | 5 | Từ số 26 - 30 |
Có thể bạn quan tâm!
-
Quan niệm về phục hồi rừng sau cháy -
Nghiên cứu phục hồi rừng sau cháy bằng các biện pháp kỹ thuật lâm sinh -
Về khái niệm cháy, phân loại và quan niệm tái sinh phục hồi rừng sau cháy -
Tính toán các chỉ tiêu đặc trưng cấu trúc rừng -
Một số đặc điểm lớp cây tái sinh rừng -
Một số chỉ tiêu đặc trưng cấu trúc trên các kiểu rừng trong khu rừng phòng hộ
Xem toàn bộ 178 trang tài liệu này.
(iii). Phương pháp điều tra số vụ cháy, nguyên nhân cháy rừng
- Báo cáo đánh giá về hiện trạng diện tích rừng bị cháy hàng năm trong khu vực nghiên cứu. Căn cứ kết quả theo dõi diễn biến các vụ cháy rừng hàng năm của Chị cục Kiểm lâm tỉnh, hạt Kiểm lâm huyện có khu rừng phòng hộ và Ban quản lý khu rừng phòng hộ để thu thập các thông tin về đánh giá hiện trạng số vụ cháy và diện tích cháy rừng.
- Thu thập số liệu các báo cáo sơ kết, tổng kết, đánh giá về công tác PCCCR trên địa bàn nghiên cứu do Chi cục Kiểm lâm Xiêng Khoảng, hạt Kiểm lâm, Ban quản lý rừng phòng hộ cung cấp. Các số liệu về cơ cấu tổ chức nhân lực, các trạm bảo vệ rừng, cơ sở vật chất, trang thiết bị, kinh phí, con người của huyện; sự phối hợp PCCCR như thế nào; hiệu quả PCCCR (số vụ cháy, thiệt hại), vai trò của các bên có liên quan,v.v. Từ đó đánh giá thực trạng công tác PCCCR trên địa bàn.
- Thông tin về tình hình cháy rừng ở khu vực nghiên cứu được thu thập qua số liệu thống kê hàng năm của Chi cục Kiểm lâm Xiêng Khoảng, hạt Kiểm lâm, Ban quản lý rừng phòng hộ, từ năm 2010 đến nay. Căn cứ số liệu về số vụ cháy rừng trên địa bàn, phân tích nguyên nhân gây cháy, diện tích, loại rừng
xảy ra cháy, công tác chỉ huy chữa cháy, huy động lực lượng, phương tiện tham gia và công tác hậu cần cho chữa cháy để từ đó rút ra kinh nghiệm và bài học trong phòng và chữa cháy rừng. Đặc biệt là thông qua các vụ cháy nghiêm trọng năm 2016, luận án tập chung phân tích về đặc điểm loại rừng bị cháy, cấp độ cháy theo phương pháp của Key và Benson phục vụ cho các nội dung nghiên cứu tiếp theo.
- Phân tích các nguyên nhân gây cháy rừng và rút ra bài học kinh nghiệm trong phòng và chữa cháy rừng của địa phương.
(iv). Phương pháp đánh giá cấp độ cháy vụ cháy nghiêm trọng năm 2016
- Hồ sơ, tài liệu, bản đồ hiện trạng vụ cháy nghiêm trọng năm 2016 tại khu vực nghiên cứu được thu thập tại Chi cục Kiểm lâm - Sở Nông Lâm tỉnh Xiêng Khoảng và Ban quản lý rừng phòng hộ Nam Ngưm.
Tại thời điểm sau cháy, tháng 12 năm 2016, luận án dựa vào bản đồ hiện trạng khu vực cháy được thu thập từ Chi cục Kiểm lâm, tiến hành lập 35 ô tiêu chuẩn (OTC) ngẫu nhiên, tạm thời với diện tích OTC bằng 2.000m2 (≈ 3% diện tích cháy) trải đều trên toàn khu vực cháy để đánh giá chỉ số cháy và phân loại cấp độ cháy theo chỉ số cháy tổng hợp (CBI) (số hiệu OTC và tọa độ địa lý được thống kế trong xem phục lục ).
- Điều tra, đánh giá chỉ số cháy tổng hợp (CBI). Đánh giá tỷ lệ cháy tại hiện trường vụ cháy được thực hiện theo phương pháp của Key và Benson đề xuất năm 2003 (Key và Benson, 2003) và tài liệu hướng dẫn điều tra hiện trường lập bản đồ cấp độ cháy của Annette Parsons et al và (Annette Parsons et al, 2009). Theo Key và Benson, chỉ số cháy được chia thành 3 cấp gồm: (1) Cháy thấp: CBI ≤ 20%; (2) Cháy trung bình: 20% < CBI ≤ 80%; (3) Cháy cao: CBI > 80%. Phương pháp được mô tả trong bảng 2.1.
Bảng 2.1. Đánh giá, mô tả tỷ lệ cháy tại hiện trường của Key và Benson
Phân tầng ảnh hưởng cháy | Chỉ chỉ số cháy CBI theo cấp cháy (%) | |||
Thấp | Trung bình | Cao | ||
1 | Tầng A. Thảm khô, lá rụng (ô mẫu, diện tích 1m2) | |||
Thảm khô, lá rụng | 0,1< CBI ≤ 20 | 20< CBI ≤ 80 | 80< CBI ≤ 100 | |
2 | Tầng B. Cây bụi, thảm tươi và cây gỗ tái sinh ≤ 1m (ODB, 25m2) | |||
Cây bui, TT, TS | 0,1< CBI ≤ 20 | 20< CBI ≤ 80 | 80< CBI ≤ 100 | |
3 | Tầng C. Cây bụi, cây gỗ, dây leo, v.v có chiều cao 1< H ≤ 5m (ODB, 25m2) | |||
CB, CG, DL | 0,1< CBI ≤ 20 | 20< CBI ≤ 80 | 80< CBI ≤ 100 | |
4 | Tầng D. Những cây gỗ thuộc tầng tán giữa (OTC, 2000m2) | |||
Cây gỗ | 0,1< CBI ≤ 20 | 20< CBI ≤ 80 | 80< CBI ≤ 100 | |
5 | Tầng E. Tầng cây vượt tán | |||
Cây vượt tán | 0,1< CBI ≤ 20 | 20< CBI ≤ 80 | 80< CBI ≤ 100 | |
Tầng thấp | = 1+2+3 = A + B + C | |||
Tầng cao | = 4+5 = D +E | |||
Chỉ số cháy CBI | = 1 +2 +3 +4 +5 = A + B + C + D + E | |||
(Nguồn: Key and Benson, 2003)
Dựa vào kết quả điều tra, tính toán chỉ số cháy tổng hợp (CBI) theo Key và Benson trên từng OTC. Luận án sử dụng công nghệ địa không gian xác định diện tích, khoanh vùng và lập bản đồ cấp độ cháy. Ứng dụng phần mền Arcgis để xử lý, tính toán và lập bản đồ cấp độ cháy. Các bước được thực hiện như sau:
- Thu thập dữ liệu ảnh vệ tinh và phương pháp xử lý ảnh:
Ảnh vệ tinh được luận án sử dụng là 2 ảnh Landsat 8 MT: 1 ảnh được chụp ngày 01/07/2016 (trước khi cháy); 1 chụp ngày 12/11/2016 (sau khi cháy),
để đánh giá cấp độ cháy rừng, 2 ảnh trên đều cùng một cảnh ảnh, diện tích chụp bao phủ toàn khu vực nghiên cứu.
Ảnh vệ tinh Landsat là nguồn dữ liệu ảnh có sẵn trên trang website của Google Earth Engine (GEE). Luận án đã truy cập vào trang web https://code.earthengine.google.com trước khi lập tài khoản đăng nhập riêng (tài khoản của tác giả) để thực hiện tải số lượng ảnh Landsat theo không gian (khu vực nghiên cứu) và theo thời gian (năm trước và sau cháy) cần thiết cho vùng và thời gian nghiên cứu. Ảnh Landsat là loại ảnh tải về theo chỉ số thực vật NBR (tỷ số đốt cháy chuẩn hóa) được tính toán bằng các lệnh lập trình sẵn trong GEE. Ảnh Landsats được lựa chọn để thực hiện lệnh tính toán chỉ số NBR là những ảnh có lượng mây che phủ thấp, đạt chuẩn (<10%).
- Xác lập mối tương quan giữa chỉ số viễn thám NBR và CBI
Nghiên cứu sử dụng chỉ số CBI tính được trên 35 OTC và đồng thời tiến hành trích xuất giá trị NBR từ các Pixels tương ứng trên ảnh Landsat 8 để xây dựng phương trình hồi quy tương quan tuyến tính. Dựa vào hệ số tương quan
(r) để đánh giá mối quan hệ giữa chỉ số viễn thám NBR và CBI của OTC nghiên cứu, từ đó nội suy ra và khoanh vùng cấp độ cháy trên bản đồ.
- Sử dụng phần mềm Arcgis 10.1 để thiết lập, khoanh vùng và lập bản đồ cấp độ cháy vụ cháy rừng năm 2016 phục vụ cho các nghiên cứu tiếp theo.
2.2.3.2. Phương pháp nghiên cứu các thay đổi về các chỉ tiêu phản ánh cấu trúc rừng, đất rừng trên cấp độ bị cháy không tác động và có tác động biện pháp thí nghiệm phục hồi rừng sau cháy.
(i). Thiết lập khu bố trí các OTC, phẫn diện đất trên thực địa đo đếm các chỉ tiêu nghiên cứu
Luận án tiến hành khoanh vùng 3 khu vực, bố trí 21 OTC điển hình, bán cố định (điển hình theo cấp độ cháy và bán cố định trong 5 năm), gồm: (1). Khu vực 1: trên 3 cấp độ cháy không tác động biện pháp kỹ thuật lâm sinh phục hồi; (2). Khu vực 2: trên 3 cấp độ cháy có tác động biện pháp kỹ thuật lâm sinh và
(3). Khu vực 3: trên khu đối chứng để đo đến, lấy mẫu và đánh giá các thay đổi về các chỉ tiêu nghiên cứu trong 5 năm.
Sơ đồ phân khu và bố trí 21 OTC, 21 phẫu diện đất phục vụ thu thập, đo đếm các chỉ tiêu nghiên cứu trên thực địa được thể hiện trong hình 2.3.

Hình 2.3. Sơ đồ khoanh khu, bố trí OTC, phẫu diện đất nghiên cứu
Trong đó: (1): Khu nghiên cứu các thay đổi về các chỉ tiêu phản ánh cấu trúc, đất rừng trên 3 cấp độ cháy không tác động biện pháp kỹ thuật lâm sinh phục hồi rừng; (2): Khu vực nghiên cứu các thay đổi về các chỉ tiêu phản ánh cấu trúc, đất rừng thí nghiệm 3 biện pháp kỹ thuật lâm sinh phục hồi rừng sau cháy; (3): Khu vực bố trí OTC, phẫu diện đất đối chứng (khu không bí cháy), OTC được bố trí theo 3 khu vực gần kề với 3 cấp độ cháy.
(ii) Ô tiêu chuẩn, phẫu diện nghiên cứu
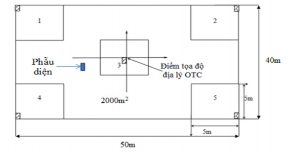
Ô tiêu chuẩn nghiên cứu là OTC điển hình, hình chữ nhật với diện tích 2000 m2 (40 m x 50 m). Vị trí các OTC cách xa đường mòn ít nhất 10 m, không vượt qua dông, qua khe. Trên mỗi OTC, lập 5 ODB, diện tích mỗi ODB là 25 m2 (5 m x 5 m) (4 ODB ở 4 góc vuông OTC và 1 ODB ở giữa tâm
OTC) để điều tra lớp cây tái sinh và cây bụi. Trong OTC, lập 1 phẫu diện đất để lấy mẫu đất phân tích các chỉ số ly – hóa học đất
Hình OTC và 5 ODB và 1 phẫu diện đất được thể hiện trên hình 2.4.

Hình 2.4. Sơ đồ ô tiêu chuẩn, bố trí ô dạng bản và phẫu diện đất
Sau khi lập được OTC, ODB, tiến hành chôn 5 cột bê tông tại các vị trí: 4 cột tại 4 góc vuông ngoài cùng của OTC và 4 ODB và 1 cột tại vị trí chính tâm của ô tiêu chuẩn và ODB số 3 (hình 2.4).
Các OTC bố trí trên khu vực tương đối đồng nhất về độ dốc, hướng phơi nhằm loại bỏ ảnh hưởng của các nhân tố tự nhiên. Số lượng OTC, phẫu diện bố trí trên thực địa được thống kê trong bảng 2.2.
Bảng 2.2. Số lượng OTC bố trí trên thực địa
Biện pháp tác động | Số lượng OTC | Mã hiệu OTC | Số phẫu diện | Ký hiệu phẫu diện | |
1 | Khoanh nuôi, xúc tiến tái sinh | 3 | OTCKN,xtts 19,20, 21 | 1 | PDKN1 |
2 | Chặt nuôi dưỡng | 3 | OTCCnd 1, 2, 3 | 1 | PDND2 |
Biện pháp tác động | Số lượng OTC | Mã hiệu OTC | Số phẫu diện | Ký hiệu phẫu diện | |
2 | Gieo sạ | 3 | OTCGs 4, 5, 6 | 1 | PDGS3 |
3 | Đối chứng (không cháy) | 3 | OTCĐc 7, 8,9 | 1 | PDĐC4 |
4 | Cháy thấp | 3 | OTCCt 10, 11, 12 | 1 | PDCT5 |
5 | Cháy trung bình | 3 | OTCCtb 13, 14,15 | 1 | PDCTB6 |
6 | Cháy cao | 3 | OTCCc 16, 17, 18 | 1 | PDCC7 |
Tổng số | 21 | 7 | |||
(iii). Thời gian lập OTC, phẫu diện đất
Các OTC, ODB, phẫu diện đất được lập đồng thời, trong cùng quãng thời gian, từ trung tuần đến hết tháng 3 năm 2017.
(iv). Lập hồ sơ quản lý OTC, ODB, phẫu điện
- Sử dụng máy GPS để ghi điểm tọa độ địa lý tại cột bê tông chính tâm làm điểm tọa độ địa lý chính của OTC. Ngoài ra, còn ghi lại tọa độ địa lý tại 4 cột được chôn ở 4 góc vuông làm những điểm tọa độ địa lý phụ để quản lý OTC và các ODB nghiên cứu theo thời gian nghiên cứu.
- Đánh số và gắn số thứ tự OTC (từ 1 đến 21 OTC). Trong mỗi OTC, đánh số ODB và gắn thứ tự từ 1 đến 5.
- Mô tả ô tiêu chuẩn: trên mỗi OTC đã mô tả các chỉ tiêu như: vị trí, độ dốc, độ cao tuyệt đối, độ cao tương đối, và các chỉ tiêu sinh trưởng của tầng cây cao còn lại sau cháy.
(iv). Lấy mẫu đất và Thu thập các chỉ tiêu nghiên cứu trên các OTC
a. Lấy mẫu đất
Để phân tích một số đặc điểm và biến động tính chất vật lý, hóa học đất trên các cấp độ cháy không tác động và có tác động, khu đối chứng theo thời
gian, mẫu đất được lấy trên các phẫu diện bố trí trong các OTC nghiên cứu. Quá trình lấy mẫu đất được thực hiện đúng quy trình. Mẫu đất được lấy ở độ sau 0 – 20cm.
Phương pháp thu thập mẫu đất: Tiến hành đào và mô tả phẫu diện đất cho các OTC nghiên cứu theo mẫu bảng mô tả phẫu diện đất, Bộ môn khoa học đất, kha Lâm học, trường Đại học Lâm nghiệp.
Để đánh giá biến động một số tính chất đất theo thời gian sau cháy, mẫu đất được lấy tại 2 thời điểm: (1). Thời điểm ngay sau cháy, sau khi lập OTC, tiến hành đào phẫn diện đất vào tháng 3 năm 2017 để tiến hành lấy mẫu đất; (2). Thời điểm sau cháy 4 năm, vào tháng 3 năm 2021, tại các phẫu diện đất được thiết lập năm 2017, tiến hành lấy lại mẫu đất để phân tích các chỉ số đánh giá sự biến động theo thời gian và không gian.
Một số hình ảnh về phẫu diện đất sau cháy và lấy mẫu đất phân tích trên các cấp độ cháy khác nhau.

Hình 2.5. Một số hình ảnh phẫn diện và lấy mẫu đất






