nhập các tham số được đo từ các thiết bị thực của các nhà cung cấp khác nhau.
• Các phần tử do người sử dụng tự định nghĩa (User-defined Components).
3.1.3.2 Các công cụ hiển thị
Optisystem có đầy đủ các thiết bị đo quang, đo điện. Cho phép hiển thị tham số, dạng, chất lượng tín hiệu tại mọi điểm trên hệ thống.
Thiết bị đo quang:
• Phân tích phổ (Spectrum Analyzer)
Có thể bạn quan tâm!
-
Tìm hiểu mạng truy nhập quang thụ động Ethernet - EPON - 1 -
Tìm hiểu mạng truy nhập quang thụ động Ethernet - EPON - 2 -
Giao Thức Điều Khiển Đa Điểm Mpcp (Multi Point Control Protocol) -
Giao Thức Mpcp-Hoạt Động Của Bản Tin Gate -
Tìm hiểu mạng truy nhập quang thụ động Ethernet - EPON - 6 -
Tìm hiểu mạng truy nhập quang thụ động Ethernet - EPON - 7
Xem toàn bộ 60 trang tài liệu này.
• Thiết bị đo công suất (Optical Power Meter)
• Thiết bị đo miền thời gian quang (Optical Time Domain Visualizer)
• Thiết bị phân tích WDM (WDM Analyzer)
• Thiết bị phân tích phân cực (Polarization Analyzer)
• Thiết bị đo phân cực (Polarization Meter)
Thiết bị đo điện:
• Oscilloscope.
• Thiết bị phân tích phổ RF (RF Spectrum Analyzer)
• Thiết bị phân tích biểu đồ hình mắt (Eye Diagram Analyzer)
• Thiết bị phân tích lỗi bit (BER Analyzer)
• Thiết bị đo công suất (Electrical Power Meter)
• Thiết bị phân tích sóng mang điện (Electrical Carrier Analyzer)
3.1.3.3 Khả năng kết hợp với các công cụ phần mềm khác
Optisystem cho phép người dùng sử dụng kết hợp với các công cụ phần mềm khác của Optiwave như: OptiAmplifier, OptiBPM, OptiGrating, WDM_Phasar và OptiFiber để thiết kế ở mức phần tử.
3.1.3.4 Mô phỏng phân cấp với các hệ thống con
Để việc mô phỏng phân cấp với các hệ thống con (SubSystem) được thực hiện một cách linh hoạt và hiệu quả, Optisystem cung cấp mô hình mô phỏng tại các mức khác nhau, bao gồm mức hệ thống, mức hệ thống con và mức phần tử.
3.1.3.5 Ngôn ngữ SCIPT mạnh
Người sử dụng có thể nhập các biểu diễn số học của tham số và tạo ra các tham số toàn cục. Các tham số toàn cục này sẽ được dùng chung cho tất cả các phần tử và hệ thống con của hệ thống nhờ sử dụng chung ngôn ngữ VB Script.
3.1.3.6 Thiết kế nhiều lớp
Trong một file dự án, Optisystem cho phép tạo ra nhiều thiết kế, nhờ đó người sử dụng có thể tạo ra và sửa đổi các thiết kế một cách nhanh chóng và hiệu quả. Mỗi file dự án thiết kế của Optisystem có thể chứa nhiều phiên bản thiết kế. Mỗi phiên bản được tính toán và thay đổi một cách độc lập nhưng kết quả tính toán của các phiên bản khác nhau có thể được kết hợp lại, cho phép so sánh các phiên bản thiết kế một cách dễ dàng.
3.1.3.7 Trang báo cáo
Trang báo cáo của Optisystem cho phép hiển thị tất cả hoặc một phần các tham số cũng như các kết quả tính toán được của thiết kế tùy theo yêu cầu của người sử dụng. Các báo cáo tạo ra được tổ chức dưới dạng text, dạng bảng tinh, đồ thị 2D và 3D. Cũng có thể kết xuất báo cáo dưới dạng file HTML hoặc dưới dạng các file template đã được định dạng trước.
3.1.3.8 Quét tham số và tối ưu hóa
Quá trình mô phỏng có thể thực hiện lặp lại một cách tự động với các giá trị khác nhau của tham số để đưa ra các phương án khác nhau của thiết kế. Người sử dụng cũng có thể sử dụng phần tối uu hóa của Optisystem để thay đổi giá trị của một tham số nào đó để đạt được kết quả tốt nhất, xấu nhât hoặc một giá mục tiêu nào đó của thiết kế.
3.2 THIẾT KẾ HỆ THỐNG MẠNG EPON
3.2.1 Các thông số thiết lập mạng EPON
Trường hợp 1: Thiết lập các thông số cho mạng EPON với hệ số tỉ lệ chia của bộ splitter là 1:8 như sau:
Đường xuống:
• Phương thức mã hóa: NRZ
• Công suất phát Pphát = 1 dBm
• Tốc độ bit: 1244,16Mbps
• Bước sóng đường xuống: 1550 nm
• Độ rộng mỗi kênh: 10 MHz
Kênh truyền:
• Sợi đơn mode có chiều dài L = 20km
• Suy hao: 0,4 dB/km
• Độ tán sắc: 16,75 ps/nm/km
Đường lên:
• Phương thức mã hóa: NRZ
• Tốc độ bit: 1244,16Mbps
• Bước sóng đường lên: 1310 nm
• Độ rộng mỗi kênh: 10 MHz
• Công suất phát Pphát = -1 dBm
Các tham số toàn cục bao gồm:
• Tốc độ bit (Bit rate): 1224.16 Mbps
• Chiều dài chuỗi bit (Sequence length): 256 bit
• Số lượng mẫu trên mỗi bit (Number of samples per bit): 32
• Cửa sổ thời gian (Time windown) = chiều dài chuỗi bit số mẫu trên một bit
= 256
1
1244160000
= 2.057613 107 (s)
•Số lượng mẫu (Number of samples) = chiều dài chuỗi bít số mẫu trên một bit
= 256 32
= 8912 (mẫu)
• Tốc độ lấy mẫu (Samples rate) = Số lượng mẫu / cửa sổ thời gian
8912
= 2.057613 10 7
= 3981312000 0 (mẫu/s)

Hình 3.2: Thiết lập các thông số cho đường xuống

Hình 3.3: Thiết lập các thông số cho đường lên

Hình 3.4: Thiết lập các thông số toàn mạng
3.2.2 Sơ đồ hệ thống mạng EPON

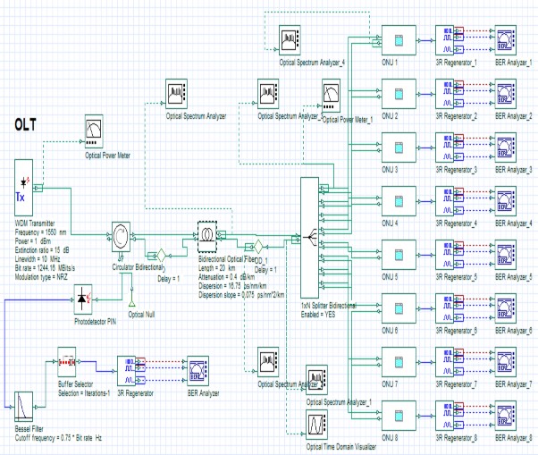
Hình 3.5: Sơ đồ kết nối mạng EPON
Mô hình kết nối mạng theo chuẩn EPON được mô tả ở hình 3.5. Trong sơ đồ trên PON có các thành phần chính là:
Thiết bị đầu cuối phía nhà sản xuất OLT. Đó chính là bộ ghép kênh phân chia theo bước sóng. Ở đây các dữ liệu đã được điều chế lên các bước sóng thuộc cửa sổ quang 1550 nm. Sau khi điều chế các tín hiệu sẽ được đưa vào bộ ghép kênh theo bước sóng WDM.
Thiết bị Circulator dùng để tách một bước sóng ra để phân tích tín hiệu trên đường truyền quang.
Sử dụng sợi quang đơn mode có chiều dài là 20 km tính từ phía OLT đến ONU.
Splitter quang: Về bản chất, splitter quang là một bộ chia công suất. Có nhiều
loại splitter quang, có loại thì công suất ở các ngõ đầu ra bằng nhau nhưng cũng có loại thì công suất đầu ra theo các tỉ lệ 1:2, 1:3… Hơn thế nữa, nó cũng là bộ chia băng thông. Giả sử, tốc độ đường xuống là 1,244 Gbps, hệ số chia của splitter là 1:8 thì băng thông tối đa dành cho các user đường xuống sẽ là 1,244 : 8 = 0.1555 Gbps hay là
155.5 Mbps.
ONU là thiết bị đầu cuối phía người sử dụng. Nó có chức năng là biến đổi tín hiệu quang thành tín hiệu điện. Số lượng ONU là 8. Cấu trúc bên trong của ONU được cụ thể như hình 3.6. Ta có thể thấy trong sơ đồ, ONU sẽ gồm 2 phần thu và phát.

Hình 3.6: Cấu trúc khối ONU
- Phần thu gồm có một bộ tách quang, một bộ lọc Bessel. Tín hiệu khi đến đầu vào của ONU tín hiệu quang được chuyển sang tín hiệu điện nhờ Photodiode, bộ lọc Besel thu lại tín hiệu có tần số thấp rồi qua bộ khôi phục tín hiệu và cuối cùng đưa vào bộ phân tích tỉ lệ lỗi bit BER.
- Phần phát gồm một bộ phát quang có các tham số đã được thiết lập như hình vẽ. Tín hiệu quang được truyền qua các bộ Dynamic Select và đi theo đường lên.
3.3 PHÂN TÍCH MẠNG TRUY NHẬP EPON DỰA TRÊN PHẦN MỀM OPTISYSTEM
3.3.1 Các chỉ tiêu đánh giá chất lượng mạng quang
3.3.1.1 Tỉ số lỗi Bit Ber
Định nghĩa: Là tỉ lệ bit bị lỗi trên tổng số bit truyền đi. Trong đó, xác suất lỗi bit là một trong những cách hiệu quả để đánh giá hiệu năng hệ thống một cách định lượng.
Tín hiệu quang đi đến ONU sẽ được chuyển sang miền điện. Tín hiệu điện được đưa qua mạch khôi phục dữ liệu. Dựa vào mức ngưỡng để xác định bit “1” và bit “0”. Tỉ lệ lỗi bit trong hệ thống thông tin quang thường là 10-9. Cách tính BER với nhiễu biên độ tuân theo hàm phân bố Gaussian.

Hình 3.7: Mối liên quan giữ tín hiệu nhận được và hàm phân bố xác suất.
Hình 3.7(a) chỉ ra dạng tín hiệu nhận được. Giá trị dòng điện I dao động từ I0 tới I1 và ID là dòng ngưỡng. Nếu I > ID thì đó là bit “1” còn ngược lại đó là bit “0”. BER có thể được tính theo xác xuất lỗi bit:
BER = P(1)P(0/1) + P(0)P(1/0)






