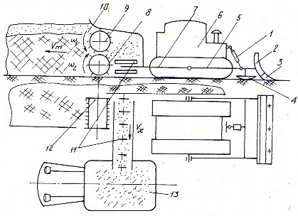
cửa ra mạ ở phần gốc khối mạ, kẹp lấy một số cây mạ đưa xuống bùn ở độ sâu cần thiết, đến đây kẹp nhả mạ, để khóm mạ ở lại bùn trong tư thế đứng. Việc đóng mở kẹp được thực hiện nhờ dịch chuyển răng di động, răng di động được truyền động từ thanh kéo - đẩy 5 và thanh truyền 6. Độ mở và lực ép giữa khóm mạ của kẹp có thể điều chỉnh thông qua việc điều chỉnh hành trình của thanh kéo - đẩy 5, sao cho lấy được đúng số cây mạ cho mỗi khóm mà không làm dập nát mạ.
Bộ phận lấy mạ loại chải (hình 4.15) gồm các chi tiết chính là răng chải 4 làm băng thép, ở đầu thường có 3 răng nhọn và cong, răng 4 được lắp và thanh ngang di động hoặc vào các thanh của guồng quay. Khoảng cách giữa các răng trên thanh ngang là khoảng cách giữa các hàng cây lúa kề nhau. Rèm che ở cửa ra mạ 1 là những sợi thép song song mà phía dưới tự do. Rèm cho phép răng chải có thể thọc sâu vào khối cây mạ ở phía gốc để lấy mạ. Ở đáy thùng mạ còn có hàng lông dầy 2 để đỡ mạ cho bàn chải lấy mạ dễ dàng.

Hình 4.14: Bộ phận cấy kiểu kẹp 1 - răng cố định; 2 - thanh cố định; 3 - răng di động; 4 - thanh di động;
5 - thanh kéo; 6 - thanh truyền
Hình 4.15: Bộ phận cấy kiểu chải
1 - rèm che ở thùng mạ; 2 - hàng lông; 3 - tấm vuốt mạ; 4 - răng chải;
5 - thanh lắp răng chải; 6 - máng đỡ
Quá trình làm việc của bàn chải như sau: bàn chải 4 chuyển động theo một quỹ đạo thích hợp, đi vào thùng mạ với tốc độ và góc độ hợp lý, các răng bấu lấy rễ ở gốc cây mạ, đưa chúng xuống bùn ở độ sâu cần thiết, để khóm mạ ở đó và răng chải rút lên theo một quỹ đạo thích hợp sao cho không lôi khóm mạ đó lên. Ở một số máy cấy, phía dưới cửa ra mạ còn bố trí máng đỡ và vuốt thêm để cho khóm lúa cấy được đứng thẳng.
Có thể bạn quan tâm!
-
Máy Bừa Có Bộ Phận Làm Việc Chuyển Động Tịnh Tiến -
Thùng Chứa; 2,3,7 - Các Khâu Truyền Dẫn; 4 - Máng Rung; 5 - Ống Dẫn Hạt; 6 - Lò Xo; 8 - Cam Gây Rung -
Sống Tàu; 2 - Ống Dẫn Hạt; 3 – Vòng Nối; 4 - Tấm Dẫn Hạt -
Thùng Đựng Phân; 2 - Que Báo Mức Phân; 3 - Que Khuấy; 4 - Cánh Dẫn; -
Cánh Nắn; 4 - Ống Đẩy (Thân Bơm); 5 - Trục; 6 - Pu-Li -
Máy nông nghiệp - 12
Xem toàn bộ 109 trang tài liệu này.
Quá trình cấy lúa bằng răng chải đơn giản hơn so với cấy lúa bằng kẹp. Tuy nhiên, độ chính xác về số cây mạ trong một khóm không bằng kẹp nhưng vẫn có thể chấp nhận được. Việc cơ giới hoá cấy bằng chải dễ hơn, các cơ cấu chuyển động ổn định hơn so với cấy bằng kẹp. Cấy bằng chải cho khả năng tăng vận tốc làm việc, do đó tăng năng suất cấy.
c. Bộ phận truyền lực và di động
Những máy cấy thủ công, đơn giản có thể dùng sức người để điều chỉnh và di chuyển. Ngày nay, người ta thường dùng động cơ đốt trong làm nguồn động lực cho máy cấy. Thường máy cấy làm việc với vận tốc chậm nên mặc dù
có động cơ người ta vẫn thiết kế để người điều khiển lội theo máy để máy làm việc được nhẹ, di chuyển dễ dàng. Bánh xe chuyển động ở bùn nước thường có mấu bám. Máy cấy tựa trên mặt bùn nước nhờ có thuyền phao bằng chất dẻo hoặc bằng gỗ.
Ngoài những bộ phận như đã trình bày, trên máy cấy còn có bộ phận điều khiển cho máy chạy không hoặc cấy với các tốc độ khác nhau, cơ cấu điều khiển độ sâu cấy, cần rạch tiêu hướng dẫn cho người lái máy…
Câu hỏi ôn tập:
1. Trình bày các phương pháp gieo hạt, yêu cầu kỹ thuật đối với máy giao và phân loại máy gieo.
2. Trình bày cấu tạo và hoạt động của bộ phận gieo loại rung.
3. Trình bày cấu tạo và hoạt động của bộ phận gieo loại trục cuốn.
4. Trình bày cấu tạo và hoạt động của bộ phận gieo loại đĩa.
5. Trình bày cấu tạo và hoạt động của bộ phận gieo loại khí áp.
6. Trình bày cấu tạo và hoạt động của bộ phận rạch hàng loại dao cong.
7. Cho biết yêu cầu đối với máy cấy và phân lọa máy cấy.
8. Trình bày cấu tạo các bộ phận chính của máy cấy.
9. Trình bày hoạt động của mộ phận cấy loại kẹp
CHƯƠNG V: MÁY CHĂM SÓC BẢO VỆ CÂY TRỒNG
5.1. MÁY BÓN PHÂN
5.1.1. Các hình thức bón phân, yêu cầu kỹ thuật và phân loại máy bón phân
a. Các hình thức bón phân
- Bón phân rải đều trên toàn bộ mặt đồng là hình thức thường áp dụng sau khi cày, trước khi bừa (thường gọi là bón lót). Dưới tác động của bừa, phân được trộn lẫn vào trong đất. Cũng có khi người ta rắc phân toàn mặt đồng sau khi cấy, sau đó xới cỏ vun đất vào gốc cây. Phương pháp bón phân trên toàn mặt đồng đòi hỏi máy có cấu trúc đơn giản, năng suất cao song lượng phân cây hấp thụ không hết thường bị bay hơi hoặc rửa trôi theo nước.
- Bón phân theo hàng là hình thức được thực hiện đồng thời hoặc sau khi gieo cấy, thường kết hợp bón với gieo hoặc xới. Khi bón phân theo hàng, phân theo lưỡi rạch xuống rãnh với độ sâu nhất định, sau đó có bộ phận phủ đất kín để phân ít bị bay hơi vào không khí. Cách bón phân theo hàng so với bón phân trên toàn bề mặt tiết kiệm được phân bón song đòi hỏi máy có cấu trúc phức tạp hơn.
- Bón phân theo hốc thường được tiến hành như sau: Phân được trộn ẩm, viên lại thành viên và dúi sâu xuống đất gần gốc cây. Với hình thức này rễ cây hấp thụ phân với tỷ lệ cao. Tuy nhiên, do năng suất thấp nên chỉ được sử dụng đối với loại phân dễ phân huỷ và đắt tiền.
b. Các yêu cầu kỹ thuật
- Bón đều: tức là khi bón lượng phân phải được rải đều trên bề mặt; hoặc nếu bón theo hàng, theo hốc thì khoảng cách hàng, khoảng cách hốc phải đều nhau.
- Bón đúng mức phân qui định đối với loại cây và thời kỳ bón.
- Dễ sử dụng, năng suất cao.
- Các chi tiết máy có khả năng chịu đựng sự ăn mòn, phá hoại của phân.
c. Phân loại máy bón phân
- Căn cứ theo loại phân ta có:
Máy bón phân hữu cơ Máy bón phân vô cơ Máy bón phân nước
Máy bón phân toàn bề mặt
- Căn cứ theo hình thức bón phân ta có:
Máy bón phân theo hàng Máy bón phân theo hốc
5.1.2. Máy bón phân hữu cơ
Phân hữu cơ thường lẫn với cỏ rác, chộn không đều, độ ẩm phân lớn dễ bị dính bết. Để đảm bảo yêu cầu về bón phân, bón phân hữu cơ được thực hiện qua hai giai đoạn:
Gai đoạn 1: trộn đều phân với đất bột hoặc phân vô cơ như lân, kali, vôi… để phân tơi, không bị dính bết.
Giai đoạn 2: chuyển phân ra đồng và bón phân.
a. Máy trộn phân hữu cơ
Thông thường một máy trộn phân gồm các bộ phận sau, (hình 5.1):
- Bộ phận ủi: bộ phận ủi được lắp xiên góc với trục dọc máy kéo. Khi làm việc tấm tựa 4 được tỳ lên mặt nền để đỡ phân ủi và giới hạn độ hạ của lưỡi ủi. Bộ phận ủi được nâng hạ nhờ xi-lanh thuỷ lực 1, kéo khung 5 của lưỡi ủi quay quanh khớp của thân máy kéo.
Khi không làm nhiệm vụ ủi dồn phân thì bộ phận ủi có thể làm nhiệm vụ san nền.
- Bộ phận trộn và làm tơi phân: gồm hai trống phay 8 và 9 quay ngược chiều nhau. Trống phía dưới có vận tốc lớn hơn vận tốc của trống trên. Khi làm việc hai trống vừa quay vừa tiến vào đống phân; các lưỡi phay có tác dụng vơ phân vào khe hở giữa hai trống. Do hai trống quay với tốc độ khác nhau nên có tác dụng xé làm tơi phân.

Hình 5.1: Máy trộn phân
1 - xi-lanh thuỷ lực; 2 - diệp ủi; 3 - lưỡi ủi; 4 - tấm tựa; 5 - khung bộ phận ủi; 6 - máy kéo; 7 - khung máy trộn; 8 - trống phai dưới; 9 - trống phay trên;
10 - nắp che; 11 - băng truyền; 12 - đĩa phay; 13 - rơ moóc.
- Bộ phận chuyển phân là băng truyền nghiêng kiểu xích - thanh gạt 11. Nó có tác dụng đưa phân đã trộn lên rơ moóc 13 đi cạnh máy hoặc đổ thành dải song song với đường làm việc.
- Khung 7 của bộ phận trộn lắp khớp với máy kéo nâng hạ được nhờ xi- lanh thuỷ lực phía sau.
Trước khi trộn cần ủi phân thành đống vuông vắn sau đó cho máy lùi vào đống phân với vận tốc hợp lý (0,5 - 1.1km/phút) để trộn.
b. Máy tung phân hữu cơ
Máy tung phân có nhiệm vụ chở phân đã được đánh tơi và tung phân rải đều trên khắp mặt đồng. Khi không bón phân có thể tháo bộ phận tung phân ra khỏi máy, thùng đựng phân sẽ trở thành chiếc rơ moóc để vận chuyển nông sản.
Máy tung phân gồm các bộ phận:
- Thùng đựng phân, có hình khối chữ nhật, phía dưới thành thùng có khe hở để xích tay gạt đi qua đưa phân ra ngoài. Phía thành sau để trống để đặt hai trục tung phân.
- Bộ phận cung cấp phân có nhiệm vụ đưa phân từ trong thùng tới bộ phận tung, có cấu tạo là thanh truyền kiểu xích – thanh gạt. Bộ phận tung phân gồm trục chủ động 7, trục bị động 3, ba dải xích 4 và các thanh gạt 5 nối giữa các dải xích; ngoài ra còn có bộ phận căng xích là bu lông 2.

Hình 5.2: Máy tung phân
1 - thùng chứa phân; 2 - bộ phận căng xích;
3 - trục bị động; 4 - xích cung cấp; 5 - thanh gạt; 6 - đáy thùng; 7 - trục chủ động; 8, 9 - các trục tung
- Bộ phận tung phân: gồm trục 8 và 9 là các trục thép rỗng, trên trục có hàn các cánh tung phân được đặt nghiêng so với đường tâm một góc α (thường α = 450) sao cho phân tung ra hai phía làm tăng bề rộng làm việc của máy và độ bón đều.
Trục 8 và 9 quay cùng chiều, cánh của trục trên hất phân ngược về thùng có tác dụng làm tơi phân và làm bằng mặt phân ở cửa ra, cánh của trục dưới hất phân tung xuống ruộng. Tốc độ quay của hai trục trong quá trình làm việc bằng nhau và không đổi.
Hệ thống truyền động cho xích cung cấp và trục tung từ trục thu công suất của máy kéo qua trục các đăng, hộp giảm tốc, bánh răng nón, một nhánh qua xích tới trục tung, một nhánh qua cơ cấu culít – bánh cóc tới trục cung cấp phân.
Cơ cấu culít – bánh cóc có sơ đồ như trên hình 5.3. Khi tay quay 1 quay tròn quanh tâm O, khoảng cách AD thay đổi đo vậy thanh lắc 4 và 7 lắc qua, lắc lại quanh điểm D có tác động đẩy cá 3 và 8 lần lượt tác động vào răng nghiêng

một chiều của bánh cóc làm bánh cóc quay. Trục chủ động của xích cung cấp gắn liền với bánh cóc nên cũng được quay theo làm xích cung cấp hoạt động.
Hình 5.3: Cơ cấu dẫn động cho băng truyền cung cấp
1 - tay quay; 2,9 - biên; 3,8 - cá đẩy; 4,7 - thanh gạt;
5 - bánh cóc; 6 - cá hãm; 10 - xích cung cấp.
5.2.2. Máy bón phân vô cơ
a. Máy bón phân vô cơ trên toàn bề mặt
* Cấu tạo chung:
Máy bón phân vô cơ trên toàn bề mặt có cấu tạo chung gồm các bộ phận sau:
- Thùng đựng phân dùng để chứa phân có sức chứa phù hợp với loại máy và mức bón. Thùng chứa được làm bằng vật liệu chống gỉ hoặc có sơn một lớp sơn chống gỉ.
- Bộ phận làm tơi: có tác dụng làm tơi phân trước khi phận được đưa vào bộ phận bón.
- Bộ phận bón phân gồm có bộ phận cung cấp và tung phân, là bộ phận làm việc chính của máy. Bộ phận bón phân có nhiều loại với nguyên tác làm việc khác nhau.
- Hệ thống truyền động cho bộ phận bón: Bộ phận bón phân thường được truyền động từ bánh xe của máy kéo hoặc máy bón phân để đảm bảo mật độ bón. Cũng có loại nhận truyền động từ trục thu công suất của máy kéo; với loại này lực truyền lớn, song khi máy thay đổi tốc độ sẽ ảnh hưởng đến mật độ bón.
Trong các bộ phận trên thì bộ phận bón phân là bộ phận quan trọng nhất, dưới đây chúng ta sẽ xem xét bộ phận này:
* Bộ phận bón phân:
Có ba loại bộ phận bón phân vô cơ là: bộ phận bón phân loại trục tung, bộ phận bón phân loại đĩa tung và bộ phận bón phân loại xích gạt.
- Bộ phận bón phân loại trục tung, hình 5.4:
Thùng chứa phân 1 có khoét các lỗ hình bán nguyệt thông với đĩa cung cấp 2. Thành phía trước thùng có tấm làm tới 6. Khi làm việc các tấm 6 sẽ dịch chuyển qua lại làm tơi phân.
Đĩa cung cấp 2 có một nửa thông với đáy thùng phân, một nửa nằm phía ngoài. Khi làm việc, đĩa quay có tác dụng cung cấp phân từ trong thùng phân ra nửa ngoài của đĩa qua cửa ra phân 3. Phía trên đĩa cung cấp có trục tung phân
4. Trên trục này có lắp các cụm cánh tung phân, khi các cánh này quay phân sẽ được tung từ đĩa cung cấp ra mặt đồng.
Tấm dẫn phân 7 có tác dụng dồn phân từ tâm đĩa ra vành đĩa để phân được tung hết. Tấm chắn 5 ngoài nhiệm vụ đập làm tơi phân còn che chắn để máy có thể làm việc tốt hơn trong điều kiện mưa gió.

Mức bón phân được điều chỉnh bằng cách thay đổi tốc độ quay của đĩa cung cấp và độ mở cửa ra phân. Tốc độ quay của đĩa cung cấp phải nhỏ hơn tốc độ tự chảy của phân.
Hình 5.4: Bộ phận bón phân vô cơ
loại trục tung
1 - thùng chứa phân 2 - đĩa cung cấp phân 3 - cửa điều chỉnh
4 - trục tung 5 - tấm chắn
6 - tấm làm tơi (tấm rung) 7 - tấm dẫn
- Bộ phận bón phân loại đĩa tung, hình 5.5:
Thùng đựng phân có đáy trước và sau, có khe hở để xích cung cấp đi qua kéo phân ra cửa 3 theo máng dẫn phân 4 tới đĩa tung phân 5. Khi làm việc hai đĩa tung phân quay ngược chiều nhau (như hình vẽ), phân được tung ra nhờ lực ly tâm. Để phân văng ra xa hơn người ta hàn thêm các đường gân trên đĩa. Việc hàn thêm các đường gân trên đĩa dẫn đến hiện tượng phân tung ra thành nhiều hình vành khăn đồng tâm làm giảm độ đồng đều của phân.
Để tung phân ra đều, người ta tính toán tốc độ quay của đĩa cung cấp cho phù hợp. Trong suốt quá trình tung phân, tốc độ quay của đĩa không đổi.

Hình 5.5: Bộ phận bón phân vô cơ loại đĩa tung
1 - thùng đựng phân; 2 - xích cung cấp phân;
3 - cửa điều chỉnh; 4 - cánh dẫn; 5 - đĩa tung phân
Bộ phận bón phân loại đĩa tung tuy mật độ đồng đều của phân trên mặt đồng còn hạn chế song có cấu trúc đơn giản, năng suất cao nên được sử dụng phổ biến trong sản xuất.

- Bộ phận bón phân vô cơ loại xích gạt, hình 5.6:
Bộ phận bón phân loại xích gạt gồm có xích răng xiên 2, răng xiên được bố trí nghiêng góc so với hướng chuyển động của xich một góc α sao cho phân có thể trượt trên răng qua cửa 3. Do trượt trên răng xiên nên phân được đưa xuống thành từng đợt, không đều. Để làm đều phân người ta đặt tấm chông 4 phía dưới cửa ra phân.
Lượng phân được điều
chỉnh nhờ thay đổi tốc độ xích cung cấp và diện tích cửa ra phân.
Hình 5.6: Sơ đồ bộ phận bón phân loại xích gạt
1 - thùng đựng phân; 2 - xích tay gạt; 3 - cửa ra phân; 4 - tấm chông
b. Máy bón phân vô cơ theo hàng
Máy bón theo hàng có các bộ phận chính sau: thùng đựng phân, bộ phận làm tơi phân, ống dẫn phân, lưỡi rạch, hệ thống truyền động và cơ cấu điều chỉnh mức phân.
* Bộ phận bón phân kiểu cánh dẫn:
Bộ phận bón phân kiểu cánh dẫn (hình 5.7) có thùng chứa phân hình trụ, thành sát đáy thùng là đai dầy để tăng độ cứng của thùng. Hai bên đai khoét hai lỗ vuông làm cửa ra phân. Bên cạnh lỗ ra phân là cánh dẫn phân 4 lắp khớp bản lề với thành đai. Cánh dẫn phân có thể quay quanh khớp bản lề nhờ tay đòn tựa trên cung chia vạch 10 để biết được độ mở của cánh dẫn phân.
Dưới đáy thùng lắp đĩa cung cấp phân 6. Trên đĩa cung cấp hàn que khuấy. Khi làm việc đĩa cung cấp phân quay, que khuấy quay theo làm tơi phân, cánh dẫn phân gạt phân ra cửa ra phân xuống ống dẫn phân. Ống dẫn phân thường dùng dạng phễu, khi hỏng có thể thay thế. Trên thùng có thước báo mức phân giúp người công nhân có thể biết được mức phân còn lại trong thùng và độ bón đều giữa các thùng phân để có điều chỉnh kịp thời.
* Bộ phận bón phân theo hàng kiểu đĩa gạt:
Bộ phận bón phân theo hành kiểu đĩa gạt có cấu tạo như hình 5.8.
Đĩa cung cấp phân được bố trí một nửa nằm trong thùng, một nửa nằm ngoài thùng. Giữa nửa trong và nửa ngoài thông với nhau nhờ cửa 2. Cửa 2 có thể mở rộng hay thu hẹp để điều chỉnh lượng phân bón. Phía trên nửa đĩa ngoài thùng có đĩa gạt phân xuống ống dẫn được lắp trên trục, đĩa gạt có thể quay quanh trục đó.






