
Câu 2: (1,5 điểm)
Có 6 bóng đèn giống nhau có thông số định mức (110V-100W). Hãy trình bày cách tính vẽ hình cách mắc 6 bóng đèn trên vào mạng điện 3 pha đối xứng có điện áp dây 380V để đèn sáng bình thường.
Câu 3: (1,5 điểm)
Cho dòng điện
sin(100πt) (A) chạy qua đoạn mạch gồm R=10Ω; Xc=10Ω. Viết biểu thức điện áp giữa 2 đầu đoạn mạch?
Câu 4:(2 điểm)
![]()
Giải thích các ký hiệu sau:
![]()

Có thể bạn quan tâm!
-
Các Trạng Thái Làm Việc Của Transistor Hai Mối Nối: -
Kỹ thuật điện và điện tử - 9 -
Kỹ thuật điện và điện tử - 10 -
Kỹ thuật điện và điện tử - 12 -
Kỹ thuật điện và điện tử - 13 -
Kỹ thuật điện và điện tử - 14
Xem toàn bộ 121 trang tài liệu này.
(a) (b)

(c) (d)
Ủy Ban Nhân Dân TPHCM Trường CĐKT Lý Tự Trọng
-----------
CỘNG HÒA XÃ HỘI CHỦ NGHĨA VIỆT NAM
Độc Lập – Tự Do – Hạnh Phúc
------------
ĐỀ THI KẾT THÚC HỌC PHẦN LÝ THUYẾT
HỌC PHẦN: KỸ THUẬT ĐIỆN
HỌC KỲ: I NĂM HỌC : 2013 - 2014
Khối lớp: 12CĐÔ – 1, 2 Ngày thi:// Thời gian thi: 90 phút
Đ :
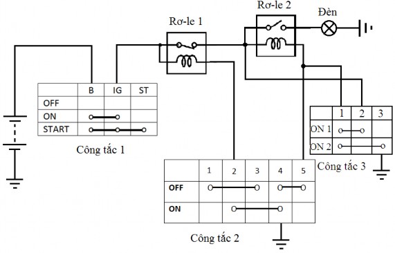
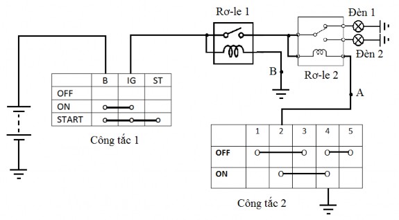
Câu 1: (5 điểm)
Cho mạch điện hệ thống chiếu sáng cơ bản trên ôtô như sau:

Cho điện áp ắc – quy là 13V, điện trở tại các chỗ nối bằng 0, điện trở các cuộn dây rơ-le là 10 , điện trở bóng đèn là 15
a. Giải thích ký hiệu công tắc 1, công tắc 2? (1 điểm)
b. Tính cường độ dòng điện qua bóng đèn 1 khi công tắc 1 bật ON và công tắc 2 bật ON. (1 điểm)
c. Giả sử mạch bị đứt tại A, nêu nguyên lý hoạt động của mạch điện lúc này? Giải thích? (1 điểm)
d. Giả sử người ta gắn thêm công tắc 3 như hình dưới, mạch điện hoạt động như thế nào khi công tắc 3 bật cố định ở trạng thái ON 1? (1 điểm)
e. Giả sử người ta gắn thêm công tắc 3 như hình dưới, mạch điện hoạt động như thế nào khi công tắc 3 bật cố định ở trạng thái ON 2? (1 điểm)

Câu 2: (1,5 điểm)
Có 6 bóng đèn giống nhau có thông số định mức (220V-100W). Hãy trình bày cách tính chọn và vẽ hình cách mắc 6 bóng đèn trên vào mạng điện 3 pha đối xứng có điện áp dây 380V để đèn sáng bình thường.
Câu 3: Bài tập điện xoay chiều 1 pha (1,5 điểm)
Cho dòng điện
sin(100πt) (A) chạy qua đoạn mạch gồm R=10Ω; Xc=10Ω. Viết biểu thức điện áp giữa 2 đầu đoạn mạch?
Câu 4:(2 điểm)

Giải thích các ký hiệu sau:
![]()
![]()

(b)
(a)
(c)
(d)
Ủy Ban Nhân Dân TPHCM Trường CĐKT Lý Tự Trọng
-----------
CỘNG HÒA XÃ HỘI CHỦ NGHĨA VIỆT NAM
Độc Lập – Tự Do – Hạnh Phúc
------------
ĐỀ THI KẾT THÚC HỌC PHẦN LÝ THUYẾT HỌC PHẦN: KỸ THUẬT ĐIỆN
HỌC KỲ: I NĂM HỌC : 2011 - 2012
Khối lớp: 11Ô – … Ngày thi://Thời gian thi: 90 phút
(Học sinh không được sử dụng tài liệu)
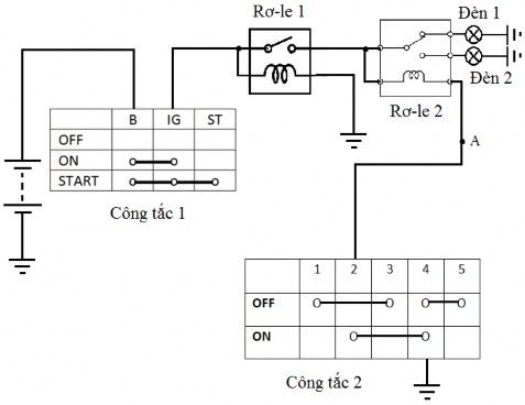
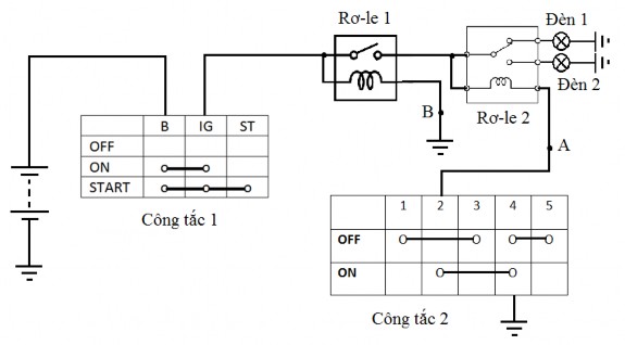
Câu 1: (5 điểm)
Cho mạch điện hệ thống chiếu sáng cơ bản trên ôtô như sau:

Cho điện áp ắc – quy là 11V, điện trở tại các chỗ tiếp xúc bằng 0, điện trở các cuộn dây rơ-le là 10 , điện trở bóng đèn là 15
a. Giải thích ký hiệu công tắc 1, công tắc 2? (1 điểm)
b. Tính cường độ dòng điện qua bóng đèn khi công tắc 1 bật ON và công tắc 2 bật OFF. (1 điểm)
c. Giả sử mạch bị đứt tại A Hoạt động của mạch thay đổi như thế nào? Giải thích? (1 điểm)
d. Giả sử mạch bị nối tắt 2 điểm B và C Hoạt động của mạch thay đổi như thế nào? Giải thích? (1 điểm)
e. Giả sử mạch bị chạm mát tại điểm C Hoạt động của mạch thay đổi như thế nào? Giải thích? (1 điểm)
Câu 2: (1,5 điểm)
Có 6 bóng đèn giống nhau có thông số định mức (110V-100W). Hãy vẽ hình cách mắc 6 bóng đèn trên vào mạng điện 3 pha đối xứng có điện áp dây 380V để đèn sáng bình thường.
Câu 3: (1,5 điểm)
Cho dòng điện
sin(100πt) (A) chạy qua đoạn mạch gồm R=10Ω; Xc=10Ω. Viết biểu thức điện áp giữa 2 đầu đoạn mạch?
Câu 4:(2 điểm)
![]()

Giải thích các ký hiệu sau:
![]()

(a) (b)
(c) (d)
Ủy Ban Nhân Dân TPHCM Trường CĐKT Lý Tự Trọng
-----------
CỘNG HÒA XÃ HỘI CHỦ NGHĨA VIỆT NAM
Độc Lập – Tự Do – Hạnh Phúc
------------
ĐỀ THI KẾT THÚC HỌC PHẦN LÝ THUYẾT HỌC PHẦN: KỸ THUẬT ĐIỆN
HỌC KỲ: I NĂM HỌC : 2011 - 2012
Khối lớp: 11Ô – … Ngày thi://Thời gian thi: 90 phút
(Học sinh không được sử dụng tài liệu)
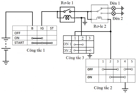
Câu 1: (5 điểm)
Cho mạch điện hệ thống chiếu sáng cơ bản trên ôtô như sau:

Cho điện áp ắc – quy là 13V, điện trở tại các chỗ nối bằng 0, điện trở các cuộn dây rơ-le là 10 , điện trở bóng đèn là 15
a. Giải thích ký hiệu công tắc 1, công tắc 2? (1 điểm)
b. Tính cường độ dòng điện qua bóng đèn 1 khi công tắc 1 bật ON và công tắc 2 bật ON. (1 điểm)
c. Giả sử mạch bị đứt tại A Hoạt động của mạch thay đổi như thế nào? Giải thích? (1 điểm)
d. Giả sử mạch bị nối tắt 2 điểm A và B Hoạt động của mạch thay đổi như thế nào? Giải thích? (1 điểm)
e. Giả sử mạch bị chạm mát tại điểm A Hoạt động của mạch thay đổi như thế nào? Giải thích? (1 điểm)
Câu 2: (1,5 điểm)
Có 6 bóng đèn giống nhau có thông số định mức (220V-100W). Hãy vẽ hình cách mắc 6 bóng đèn trên vào mạng điện 3 pha đối xứng có điện áp dây 380V để đèn sáng bình thường.
Câu 3: Bài tập điện xoay chiều 1 pha (1,5 điểm)
Cho dòng điện
sin(100πt) (A) chạy qua đoạn mạch gồm R=10Ω; Xc=10Ω. Viết biểu thức điện áp giữa 2 đầu đoạn mạch?
Câu 4:(2 điểm)

Giải thích các ký hiệu sau:
![]()
![]()

(b)
(a)
(c)
(d)
Ủy Ban Nhân Dân TPHCM Trường CĐKT Lý Tự Trọng
-----------
CỘNG HÒA XÃ HỘI CHỦ NGHĨA VIỆT NAM
Độc Lập – Tự Do – Hạnh Phúc
------------
ĐỀ THI KẾT THÚC HỌC PHẦN LÝ THUYẾT HỌC PHẦN: KỸ THUẬT ĐIỆN
HỌC KỲ: I NĂM HỌC : 2012 - 2013
Khối lớp: 12TC-Ô – …
Ngày thi: / /Thời gian thi: 90 phút
(Học sinh không được sử dụng tài liệu)
ĐỀ 2
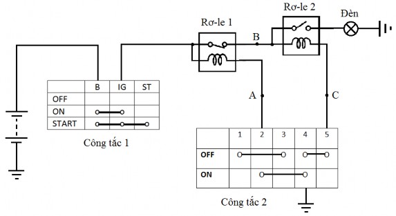
Câu 1: (5 điểm)
Cho mạch điện hệ thống chiếu sáng cơ bản trên ôtô như sau:

Cho điện áp ắc – quy là 13V, điện trở tại các chỗ nối bằng 0, điện trở các cuộn dây rơ-le là 10 , điện trở bóng đèn là 15
a. Giải thích ký hiệu công tắc 1, công tắc 2? (1 điểm)
b. Tính cường độ dòng điện qua bóng đèn 1 khi công tắc 1 bật ON và công tắc 2 bật ON. (1 điểm)
c. Giả sử mạch bị đứt tại A Hoạt động của mạch thay đổi như thế nào? Giải thích? (1 điểm)
d. Giả sử mạch bị nối tắt dây 1 và dây 4 của CT2 Hoạt động của mạch thay đổi như thế nào? Giải thích? (1 điểm)
e. Giả sử mạch bị nối tắt dây 2 và dây 4 của CT2 Hoạt động của mạch thay đổi như thế nào? Giải thích? (1 điểm)
Câu 2: (1,5 điểm)






