
Hình 7.5: Sơ đồ nguyên lý hoạt động của transistor PNP.
7.3 Các trạng thái làm việc của Transistor hai mối nối:
7.3.1 Trạng thái ngắt:
Như đã nêu trên, khi chưa có dòng kích thì transistor sẽ ngắt, chân C và E của transistor coi như hở mạch.

Hình 7.6: Trạng thái của cực C và E của transistor khi ngắt.
7.3.2 Trạng thái khuếch đại:
Khi có dòng kích, transistor sẽ chuyển qua trạng thái dẫn, vì trạng thái dẫn ban đầu chưa phải là dẫn mạnh nên bây giờ có thể coi ở giữa 2 cực C và E được nối thêm 1 điện trở.
Có thể bạn quan tâm!
-
Kỹ thuật điện và điện tử - 5 -
Khảo Sát Các Mạch Điện Sử Dụng Điện Trở Cơ Bản -
Khảo Sát Các Mạch Điện Cơ Bản Sử Dụng Đi - Ốt: -
Kỹ thuật điện và điện tử - 9 -
Kỹ thuật điện và điện tử - 10 -
Kỹ thuật điện và điện tử - 11
Xem toàn bộ 121 trang tài liệu này.

Hình 7.7: Trạng thái của cực C và E của transistor khi khuếch đại.
7.3.3 Trạng thái bão hòa:
Khi transistor qua trạng thái dẫn khuếch đại thì sẽ đạt tới trạng thái bão hoà, trạng thái bão hoà được hiểu nôm na là lúc này có rất nhiều điện tử tham gia vào dòng điện qua 2 cực C và E.
Cực C và E lúc này coi như được nối với nhau bằng 1 dây dẫn.
![]()
Hình 7.8: Trạng thái của cực C và E của transistor khi bão hoà.
Trong mạch điện ôtô nói riêng và trong các mạch điện tử nói chung người ta rất hạn chế cho transistor hoạt động ở vùng khuếch đại.
Nếu mạch có transistor chủ yếu hoạt động ở chế độ khuếch đại thì người ta sẽ có các biện pháp giải nhiệt tốt cho transistor bằng các tấm tản nhiệt.
Trên ôtô các mạch sử dụng transistor chủ yếu hoạt động ở 2 chế độ đóng và ngắt, nên người ta sẽ thiết kế sao cho transistor nhanh qua vùng khuếch đại, điều này sẽ làm cho transistor bớt nóng, làm tăng tuổi thọ của transistor. Vì chúng ta biết dòng điện chạy qua 1 điện trở thì sẽ sinh nhiệt, điện trở càng lớn thì nhiệt càng cao, thời gian chạy qua nó càng lâu thì nhiệt sinh ra càng cao.
7.4 Phân tích các mạch điện ứng dụng Transistor hai mối nối tiêu biểu trên ôtô:
7.4.1 Mạch hệ thống đánh lửa trên ôtô:
Trước khi tìm hiểu nguyên lý làm việc của các IC đánh lửa chúng ta sẽ ôn lại các kiến thức: IC đánh lửa có nhiệm vụ làm gì, hoạt động chung của IC đánh lửa trong hệ thống đánh lửa là gì.

Hình 7.9: Hệ thống đánh lửa trên ôtô.
Ta có 1 mạch điện gồm nguồn ắc – quy, công – tắc máy, điện trở phụ R, cuộn dây của bôbin (gồm cuộn dây sơ cấp, thứ cấp), và cuối cùng là 1 tiếp điểm.
Sự đóng mở của tiếp điểm phụ thuộc vào cam quay, cam này nằm trong delco (bộ chia điện), trục cam (hay trục delco) quay làm cho trục delco quay, khi cam quay làm cho tiếp điểm đóng mở.
Trường hợp 1 khi cam không đội tiếp điểm, cuộn dây của bôbin sẽ có điện, dòng điện qua cuộn dây bôbin như sau:
(+) ắc – quyCTMRcuộn dây sơ cấp bôbintiếp điểmmát.
Trường hợp 2 khi cam đội tiếp điểm, làm tiếp điểm mở ra cuộn dây của bôbin sẽ bị ngắt điện, chính điều này sẽ tạo điện áp cao trên cuộn sơ cấp. Nhờ hiện tượng cảm hỗ cuộn thứ cấp trong bôbin lại được nhân điện áp lên cao nữa.
Kết quả là 1 điện áp cao được sinh ra tại bugiđốt cháy nhiên liệu trong buồng đốt.
Vậy chúng ta thấy cơ cấu cam-vít có nhiệm vụ điều khiển dòng điện qua cuộn sơ cấp, khi vít đóng thì cuộn sơ cấp có điện, khi vít mở thì cuộn sơ cấp bị ngắt điện, đồng nghĩa với việc sinh ra điện áp cao trên cuộn sơ cấp.
Hệ thống đánh lửa sử dụng vít là loại đánh lửa sơ khai, ngày nay với sự phát triển của ngành công nghiệp bán dẫn người ta đã ứng dụng các linh kiện bán dẫn để chế tạo ra vít lửa bán dẫn, mà ta gọi với cái tên chính xác là IC đánh lửa.
Nói như vậy tức là IC đánh lửa sẽ làm thay nhiệm vụ của vít lửa, cũng là điều khiển dòng điện qua cuộn sơ cấp.
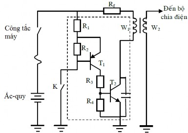
Mạch dưới đây là IC đánh lửa sử dụng 2 loại transistor NPN và PNP.

Hình 7.10: Sơ đồ hệ thống đánh lửa sử dụng transistor.
Khi khóa K đóng (CTM đóng): T1 dẫn
Dòng kích đi từ dương ắc-quy CTM R1cực E của T1cực B của T1khóa Kâm ắc-quy.
T2 dẫn
Dòng kích đi từ dương ắc-quyR1cực E của T1cực C của T1R3cực B của T2cực E của T2âm ắc-quy
Có điện qua cuộn sơ cấp
Dòng điện đi qua cuộn sơ cấp từ dương ắc-quyRfcuộn sơ cấpcực C của T2cực E của T2âm ắc-quy.
Khi khóa K mở (CTM đóng): T1 ngắt
Do khoá K mở nên không có dòng kích đến cực B của T1 T2 ngắt
Do T1 ngắt nên không có dòng điện qua R3, R4nên không có dòng kích T2.
Không có điện qua cuộn sơ cấp (do T2 ngắthở mạch)
7.4.2 Mạch ổn định điện áp (tiết chế) trên ôtô: Tìm hiểu nguyên lý làm việc của Bộ tiết chế:
Trước khi tìm hiểu nguyên lý làm việc của Bộ tiết chế chúng ta sẽ ôn lại các kiến thức: Tiết chế có nhiệm vụ làm gì, hoạt động chung của tiết chế trong hệ thống nạp điện (chú ý: Hệ thống nạp điện hoàn toàn khác với hệ thống nạp hoà khí trong động cơ xăng, nạp không khí trong động cơ Diesel). Từ dưới đây hệ thống nạp điện sẽ được gọi tắt là hệ thống nạp.

Hình 7.11: Hệ thống nạp điện.
Hệ thống nạp sản suất ra điện năng để cung cấp nguồn điện cần thiết cho các phụ tải điện và để nạp điện cho ắc-quy khi động cơ của xe hoạt động. Ngay sau khi động cơ khởi động, dây đai dẫn động sẽ làm cho máy phát hoạt động.
Hệ thống nạp bao gồm: Máy phát điện, Ắc-quy, đèn báo nạp, công tắc máy. Hoạt động của hệ thống nạp có thể được tóm tắt như sau:
Khi động cơ hoạt độngtrục khuỷu quaypuly trục khuỷu quaypuly trục khuỷu truyền động đến các phụ tải khác trong đó có máy phát bằng dây đai. Điều này làm cho máy phát quay theo trục khuỷu.
Máy phát quay làm sinh ra điện xoay chiều 3 pha.

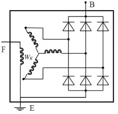
Hình 7.12: Máy phát điện xoay chiều 3 pha.
Cách mắc trong máy phát xoay chiều 3 pha là cách mắc hình sao mà ta đã học ở môn kỹ thuật điện:

Hình 7.13: Cách đấu dây trong máy phát điện xoay chiều 3 pha.
Nguyên lý hoạt động của máy phát như sau: Khi rotor (là 1 nam châm) quaycác cuộn dây stator sẽ sinh điện. Dòng điện này là dòng điện xoay chiều 3 pha.
Như chúng ta đã biết điện sử dụng trên ôtô là điện 1 chiều, nên ta cần có 1 thiết bị để chỉnh dòng điện xoay chiều thành điện một chiều. Chúng ta có Bộ chỉnh lưu gồm 6 đi-ốt có nhiệm vụ làm như vậy.
Chức năng chỉnh lưu: Hệ thống điện của ôtô sử dụng dòng điện một chiều. Do đó một bộ chỉnh lưu (nắn dòng; ký hiệu trong hình là số 1) sẽ thay đổi dòng điện xoay chiều do stator phát ra thành dòng điện một chiều.

Hình 7.14: Bộ chỉnh lưu.
Chúng ta giả sử rotor là 1 nam châm vĩnh cửu (tức là độ từ tính của nam châm là cố định, chúng ta không can thiệp được). Khi động cơ quay với tốc độ thấp thì điện áp máy phát phát ra thấp, khi tốc độ động cơ cao thì điện áp máy phát phát ra cao. Như vậy, điện áp phát ra của máy phát nếu sử dụng rotor là nam châm vĩnh cửu sẽ phụ thuộc vào tốc độ động cơ.
Vì thế để điện áp máy phát không phụ thuộc tốc độ động cơ người ta đã không sử dụng 1 nam châm vĩnh cửu, thay vào đó người ta sử dụng rotor là 1 nam châm điện. Sự khác nhau cơ bản của 1 nam châm vĩnh cửu và 1 nam châm điện là nam châm điện chúng ta dễ dàng điều khiển được. Khi ta cấp điện cho cuộn dây rotor (còn được gọi là cuộn kích) thì rotor sẽ thành 1 nam châm, khi ta không cấp điện thì nó đơn giản chỉ là 1 khối kim loại.
Theo hình 5.14 để cấp điện cho cuộn dây kích từ, ta cấp dương vào chân F âm vào chân E là cuộn kích có điệnrotor thành nam châm điện.

Hình 7.15: Bộ tiết chế.
Tóm lại, Bộ tiết chế hoạt động như sau: Khi động cơ quay tốc độ thấpđiện áp máy phát phát ra thấpBộ tiết chế sẽ cấp điện cho cuộn kíchlàm cho rotor thành nam châm điệnlàm cho điện áp máy phát phát ra bắt đầu lên cao.
Khi động cơ quay tốc độ caođiện áp máy phát phát ra caoBộ tiết chế sẽ ngắt điện cuộn kíchlàm cho rotor thành 1 khối kim loại làm cho điện áp máy phát phát ra hạ xuống.
Chính điều này sẽ làm cho điện áp phát ra của máy phát được giữ ổn định ở 1 mức tính toán trước.
Mạch sau đây là tiết chế sử dụng 2 transistor NPN:

Hình 7.16: Sơ đồ tiết chế ổn áp trong hệ thống nạp điện ôtô.
Khi điện áp ắc-quy thấp: D1 ngắt
Vì điện áp ắc-quy thấp nên chưa đủ để làm cho đi - ốt zen – nơ D1 dẫn ngược.
T1 ngắt
Vì D1 ngắt nên ngắt dòng kích đến cực B của T1. T2 dẫn
Dòng kích đi từ dương ắc-quy CTM R4cực B của T2cực E của T2âm ắc- quy.
Đèn sáng
Dòng điện qua đèn đi từ dương ắc-quy Rpđèn cực C của T2cực E của T2âm ắc-quy.
Khi điện áp ắc-quy cao: D1 dẫn
Vì điện áp ắc-quy cao nên đủ để làm cho đi - ốt zen – nơ D1 dẫn ngược. T1 dẫn
Dòng kích đi từ dương ắc-quy CTMR1D1 cực B của T1cực E của T1âm ắc-quy.
T2 ngắt
Vì T1 dẫn cực B của T2 được nối về mát đẳng áp 2 đầu cực B và E của T2
Đèn tắt
Do T2 ngắt nên hở mạch giữa cực C và cực E của T2 hở mạch qua đèn.
7.5 Các bài tập
Bài tập 1:
Nêu nguyên lý hoạt động của mạch điện IC hệ thống đánh lửa sau:







