
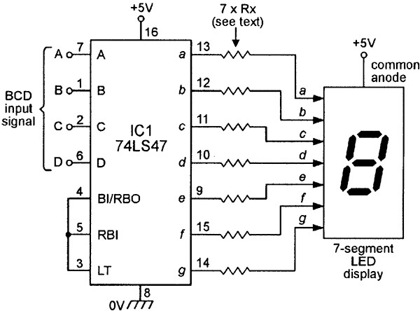
Hình 7.10: Mạch giải mã BCD sang Led 7 đoạn Anode chung
7.4. Điện trở quang
Điện trở quang hay còn gọi là quang trở, nó là một linh kiện điện tử có điện trở thay đổi theo ánh sáng chiếu vào (Light-dependent resistor)
Quang trở làm bằng chất bán dẫn có trở kháng cao được phủ lên một lớp đế cách điện. chất bán dẫn thường dùng là:
- Sunfua cadmi (CdS) và selenua cadmi (CdSe), nhưng tại châu Âu đang cấm dùng cadmi.
- Sunfua chì (PbS) và indi antimonit (InSb) được sử dụng cho vùng phổ hồng ngoại.
- Gecu là cảm biến dò hồng ngoại xa tốt nhất, được sử dụng trong thiên văn hồng ngoại và quang phổ hồng ngoại.
Có thể bạn quan tâm!
-
Các Yếu Tố Ảnh Hưởng Đến Hoạt Động Của Triac -
Biểu Diễn Quỹ Đạo Mức Năng Lượng -
Sơ Đồ Chân Led 7 Đoạn Cathode Chung Anode Chung (Common Anode) -
Kỹ thuật điện tử - CĐ Giao thông Vận tải TP.HCM - 32
Xem toàn bộ 264 trang tài liệu này.
Khi không được chiếu sáng quang trở có điện trở lớn (vài MΩ). Khi có ánh sáng chiếu vào thì điện trở giảm xuống còn vài trăm Ω.

Hình 7.11: Hình dáng thật của quang trở
Hoạt động của quang trở dựa trên hiệu ứng quang điện. Khi photon có năng lượng đủ lớn đập vào, sẽ làm bật electron khỏi phân tử, trở thành tự do trong khối chất và làm chất bán dẫn thành dẫn điện. Mức độ dẫn điện tuỳ thuộc số photon được hấp thụ. Tuỳ thuộc chất bán dẫn mà quang trở phản ứng khác nhau với bước sóng photon khác nhau. Quang trở phản ứng chậm hơn Diode quang khoảng 10 ms, nên nó tránh được thay đổi nhanh của nguồn sáng. Quang trở được dùng làm cảm biến nhạy sáng trong các mạch dò, như trong mạch đóng cắt đèn đường khi trời tối

Hình 7.12: Các kiểu ký hiệu của quang trở RTD

Hình 7.13 : Mạch dao động đa hài dùng LDR

Hình 7.14: mạch bật đèn dung LDR
7.5. Diode quang (Photodiode) Giới thiệu
Một photodiode là một tiếp giáp P - Nhoặc thiết bị bán dẫn tiêu thụ năng lượng ánh sáng để tạo ra dòng điện. Nó cũng đôi khi được gọi là bộ dò tìm ảnh, bộ cảm biến ảnh hoặc bộ dò ánh sáng.
Photodiodes được thiết kế đặc biệt để hoạt động trong điều kiện đảo ngược. Phân cực nghịch có nghĩa là mặt p của photodiode được kết nối với cực âm của pin và n-side được kết nối với cực dương của pin.
Photodiode rất nhạy cảm với ánh sáng nên khi ánh sáng hoặc photon rơi vào photodiode, nó dễ dàng chuyển đổi ánh sáng thành dòng điện. Tế bào năng lượng mặt trời còn được gọi là photodiode diện tích lớn bởi vì nó chuyển đổi năng lượng mặt trời hoặc năng lượng ánh sáng thành năng lượng điện. Tuy nhiên, pin mặt trời chỉ hoạt động ở ánh sáng nhìn thấy.
Việc xây dựng và làm việc của photodiode gần như tương tự như diode nối tiếp P - Nbình thường. Các photodiod chủ yếu được sử dụng trong các ứng dụng tốc độ cao.
Trong một diode tiếp xúc P - Nbình thường, điện áp được sử dụng làm nguồn năng lượng để tạo ra dòng điện trong khi trong các diode quang, cả điện áp và ánh sáng được sử dụng làm nguồn năng lượng để sinh dòng điện.
Ký hiệu Photodiode
Ký hiệu của photodiode tương tự như diode nối tiếp P - Nbình thường ngoại trừ nó có chứa các mũi tên đánh dấu diode. Các mũi tên đánh dấu diode đại diện cho ánh sáng hoặc photon.

Hình 7. 15: Ký hiệu Photodiode
Một photodiode có hai đầu cuối (terminals): một cực âm và một cực dương.
Mục tiêu và hạn chế của photodiode (Objectives and limitations of photodiode)
- Photodiode nên luôn luôn hoạt động khi phân cực nghịch.
- Áp dụng điện áp phân cực ngược nên thấp.
- Tạo ra tiếng ồn thấp
- Tăng cao
- Tốc độ phản ứng cao
- Độ nhạy cao với ánh sáng
- Độ nhạy thấp với nhiệt độ
- Giá thấp
- Kích thước nhỏ
- Tuổi thọ lâu dài
Các loại photodiodes
Các hoạt động làm việc của tất cả các loại photodiodes là như nhau. Các loại photodiod khác nhau được phát triển dựa trên ứng dụng cụ thể. Ví dụ, các photodiodes PIN được phát triển để tăng tốc độ đáp ứng. Các diode quang PIN được sử dụng khi cần có tốc độ phản ứng cao.
Các loại photodiod khác nhau:
- PN photodiode nối tiếp
- PIN photodiode
- Avodanche photodiode
Trong số tất cả ba photodiodes, PN junction và PIN photodiodes được sử dụng rộng rãi nhất.
Ứng dụng Photodiode
Các ứng dụng khác nhau của photodiodes là
- Máy chơi đĩa compact
- Thiết bị báo khói
- Ứng dụng không gian
- Photodiodes được sử dụng trong các ứng dụng y tế như chụp cắt lớp vi tính, dụng cụ để phân tích mẫu và đo oxy xung.
- Photodiodes được sử dụng cho truyền thông quang học.
- Photodiodes được sử dụng để đo cường độ ánh sáng cực thấp.
7.6. Transitor quang (PhotoTransitor)
Các phototransistor là một thiết bị có thể cảm nhận mức ánh sáng và thay đổi dòng chảy giữa emitter và collector theo mức độ ánh sáng.
Phototransitor và photodiodes đều có thể được sử dụng để cảm nhận ánh sáng, nhưng phototransistor nhạy hơn trong quan điểm về độ lợi được cung cấp bởi transistor. Điều này làm cho các máy quang phổ thích hợp hơn trong một số ứng dụng.
Ý tưởng về phototransistor đã được biết đến trong nhiều năm. William Shockley lần đầu tiên đề xuất ý tưởng này vào năm 1951, không lâu sau khi transistor thông thường được phát hiện. Đó là sau đó chỉ hai năm trước khi
các photoTransistor đã được chứng minh. Kể từ đó phototransistors đã được sử dụng trong một loạt các ứng dụng .
Phototransistor hoạt động (Phototransistor operation)
Phototransistor sử dụng khái niệm transistor cơ bản làm cơ sở cho hoạt động của nó. Trong thực tế, một phototransistor có thể được thực hiện bằng cách phơi bày chất bán dẫn của một Transistorthông thường với ánh sáng. Các Transistorảnh rất sớm được tạo ra bằng cách không bao bọc vỏ bọc bằng nhựa của Transistorvới sơn màu đen.

Hình 7.16: Cấu tạo và hình dáng của Transistor OC71
Hình ảnh của một Transistor OC71 cũ - loại này đã được giới thiệu bởi Mullard ở Anh vào năm 1954, nhưng sản xuất vẫn tiếp tục vượt ra ngoài ngày này vào những năm 1960
TransistorOC71 cũ - bằng cách loại bỏ lớp sơn màu đen, nó thể hiện các đặc tính của phototransistor
Các Transistorhình ảnh hoạt động bởi vì ánh sáng nổi bật các chất bán dẫn giải phóng các thiết bị điện tử / lỗ và gây ra dòng chảy trong khu vực cơ sở.
Ánh sáng đi vào vùng cơ sở nơi nó gây ra các cặp electron lỗ được tạo ra. Thế hệ này chủ yếu xảy ra ở ngã ba cơ sở thu hồi ngược. Các cặp lỗ-electron di chuyển dưới ảnh hưởng của điện trường và cung cấp dòng điện cơ bản, làm cho các electron được bơm vào trong bộ phát. Kết quả là dòng photodiode được nhân với mức tăng current của transistor hiện tại.
Hiệu suất của phototransistor có thể vượt trội hơn so với photodiode cho một số ứng dụng theo quan điểm của nó. Như một hướng dẫn sơ bộ, nơi một photodiode có thể cho phép dòng điện khoảng 1µA trong điều kiện phòng điển hình, một phototransistor có thể cho phép dòng điện 100µA chảy. Đây là những xấp xỉ rất thô, nhưng cho thấy thứ tự độ lớn của các giá trị và so sánh khác nhau.
Một trong những nhược điểm chính của phototransistor là thực tế là nó không có đáp ứng tần số cao đặc biệt tốt. Điều này phát sinh từ điện dung lớn kết hợp với tiếp điểm cơ sở thu. Đường giao nhau này được thiết kế tương đối lớn để có thể nhận đủ lượng ánh sáng. Đối với một thiết bị đồng cấu trúc điển hình, băng thông có thể bị giới hạn ở khoảng 250 kHz. Các thiết bị nối tiếp có giới hạn cao hơn nhiều và một số có thể hoạt động ở tần số cao tới 1 GHz.
Ứng dụng Phototransistor
Các mạch phototransistor có thể được sử dụng trên một trong hai chế độ hoạt động cơ bản. Chúng được gọi là chế độ hoạt động hoặc tuyến tính và chế độ chuyển đổi.




