Câu 10: Trình bày nguyên lý hoạt động và ứng dụng của mạch sau

Câu 11: Trình bày nguyên lý hoạt động và ứng dụng của mạch sau

Chương 6: LINH KIỆN CÓ VÙNG ĐIỆN TRỞ ÂM
1. Mục tiêu
Có thể bạn quan tâm!
-
Phân Cực Hồi Tiếp Kép (Dual Feedback Transistor Biasing) -
Kỹ thuật điện tử - CĐ Giao thông Vận tải TP.HCM - 24 -
Sơ Đồ Biểu Diễn 3 Chế Độ Hoạt Động Của Jfet -
Mạch Điều Khiển Động Cơ Dùng Scr -
Các Yếu Tố Ảnh Hưởng Đến Hoạt Động Của Triac -
Biểu Diễn Quỹ Đạo Mức Năng Lượng
Xem toàn bộ 264 trang tài liệu này.
+ Trình bày được cấu tạo của transitor đơn nối, Thyristor, DIAC, TRIAC.
+ Trình bày được nguyên lý hoạt động của UJT, SCR, DIAC, TRIAC
+ Tìm ứng dụng của SCR trong mạch nguồn chỉnh lưu có điều khiển.
2. Nội dung chính
2.1. Đại Cương
2.2. Transitor đơn nối ( UJT )
2.3. Thyristor (SCR)
2.4. DIAC
2.5. TRIAC
6.1. Đại Cương
Chúng ta sẽ thảo luận về các loại thyristor khác nhau. Thyristor có từ 2 chân đến 4 chân, đây là thiết bị bán dẫn hoạt động như thiết bị chuyển mạch (Switch).
Ví dụ: một thyristor 2 chân chỉ thực hiện khi điện áp trên các chân của nó vượt quá điện áp breakdown của thiết bị. Đối với một thyristor 3 chân, đường dẫn dòng điện được điều khiển bởi chân thứ ba và khi một điện áp hoặc dòng điện được áp cho chân này thì thyristor hoạt động.
Ngược lại với các trasistor, thyristors chỉ hoạt động ở trạng thái ON và OFF và không có trạng thái dẫn một phần giữa hai trạng thái này. Các loại thyristor cơ bản là: SCR, Triac, Diac.
6.2. Transitor đơn nối ( UJT )
Transistor (BJT) gọi là Transistor lưỡng cực vì có hai nối P - Ntrong khi đó UJT chỉ có độc nhất một mối nối P - N. Tuy không thông dụng như BJT, nhưng UJT có một số đặc tính đặc biệt nên một thời đã giữ vai trò quan trọng trong các mạch tạo dạng sóng và mạch định thời.
6.2.1 Cấu tạo và đặc tính của UJT:
Hình sau đây mô tả cấu tạo đơn giản và ký hiệu của UJT

Hình 6.1: cấu tạo và Ký hiệu của UJT
Một thanh bán dẫn pha tạp nhẹ loại N với hai lớp kim loại tiếp xúc ở hai đầu lớp N tạo thành hai cực nền B1 và B2. Mối nối P - Nđược hình thành thường là hợp chất của dây nhôm nhỏ đóng vai trò chất bán dẫn loại P. Vùng P này nằm cách vùng B1 khoảng 70% so với chiều dài của hai cực nền B1, B2. Dây nhôm đóng vai trò là cực phát. Hình sau đây trình bày cách áp dụng điện thế một chiều vào các cực của UJT để khảo sát các đặc tính của nó.

Hình 6.2: Sơ đồ mạch phân cực tương đương của SCR
Khi chưa áp VEE vào cực phát E (cực phát E để hở) thanh bán dẫn là một điện trở với nguồn điện thế VBB, được ký hiệu RBB và gọi là điện trở liên nền (thường có trị số từ 4 K đến 10 K). Từ mô hình tương đương ta thấy Diod được dùng để diễn tả mối nối P - Ngiữa vùng P và vùng N. Điện trở RB1 và RB2 diễn tả điện trở của thanh bán dẫn N
RBB = RB1 + RB2 (khi IG = 0)
Điện thế tại A: VA = RB1 /(RB1 + RB2) x VBB
Khi cấp nguồn VEE vào cực phát và nền B1 (cực dương nối về cực phát). Khi VEE=0V (nối cực phát E xuống mass), vì VA có điện thế dương nên Diod được phân cực nghịch và ta chỉ có một dòng điện rỉ nhỏ chạy ra từ cực
phát. Tăng VEE lớn dần, dòng điện IE bắt đầu tăng theo chiều dương (dòng rỉ ngược IE giảm dần, và triệt tiêu, sau đó dương dần). Khi VE có trị số
VE=VD+VA
VE=0,5V + VB2B1 (ở đây VB2B1 = VBB) thì Diod phân cực thiận và bắt đầu dẫn điện mạnh. ( = RB1 /(RB1 + RB2)
Điện thế VE=0,5V + VB2B1=VP được gọi là điện thế đỉnh (peak-point voltage) của UJT.

Hình 6.3: Đồ thị V –A của UJT
Khi P – N phân cực thuận, lỗ trống từ vùng phát khuếch tán vào vùng n- và di chuyển đến vùng nền B1, lúc đó lỗ trống cũng hút các điện tử từ mass lên. Vì độ dẫn điện của chất bán dẫn là một hàm số của mật độ điện tử di động nên điện trở RB1 giảm. Kết quả là lúc đó dòng IE tăng và điện thế VE giảm. Ta có một vùng điện trở âm.
Khi IE tăng, RB1 giảm trong lúc RB2 ít bị ảnh hưởng nên điện trở liên nền RBB giảm. Khi IE đủ lớn, điện trở liên nền RBB chủ yếu là RB2. Kết thúc vùng điện trở âm là vùng thung lũng, lúc đó dòng IE đủ lớn và RB1 quá nhỏ không giảm nữa (chú ý là dòng ra cực nền B1) gồm có dòng điện liên nền IB
cộng với dòng phát IE ) nên VE không giảm mà bắt đầu tăng khi IE tăng. Vùng này được gọi là vùng bảo hòa.
Như vây ta nhận thấy:
- Dòng đỉnh IP là dòng tối thiểu của cực phát E để đặt UJT hoạt động trong vùng điện trở âm. Dòng điện thung lũng IV là dòng điện tối đa của IE trong vùng điện trở âm.
- Tương tự, điện thế đỉnh VP là điện thế thung lũng VV là điện thế tối đa và tối thiểu của VEB1 đặt UJT trong vùng điện trở âm.
Trong các ứng dụng của UJT, người ta cho UJT hoạt động trong vùng điện trở âm, muốn vậy, ta phải xác định điện trở RE để IP < IE < IV
6.2.2 Ứng dụng đơn giản của UJT:
Mạch dao động thư giãn (relaxation oscillator)
Người ta thường dùng UJT làm thành một mạch dao động tạo xung. Dạng mạch và trị số các linh kiện điển hình như sau:

Hình 6.4 : mạch dao động dùng UJT và dạng sóng ngõ ra
Khi cấp điện, tụ C1 bắt đầu nạp điện qua điện trở RE. (Diod phát-nền 1 bị phân cực nghịch, dòng điện phát IE xấp xỉ bằng không). Điện thế hai đầu tụ tăng dần, khi đến điện thế đỉnh VP, UJT bắt đều dẫn điện. Tụ C1 phóng
nhanh qua UJT và điện trở R1. Điện thế hai đầu tụ (tức VE) giảm nhanh đến điện thế thung lũng VV. Đến đây UJT bắt đầu ngưng và chu kỳ mới lập lại.
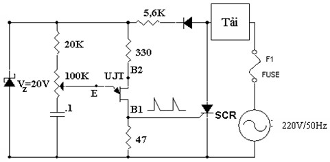
Dùng UJT tạo xung kích cho SCR

Hình 6.5: Mạch tạo xung kích dùng UJT
- Bán kỳ dương nếu có xung đưa vào cực cổng thì SCR dẫn điện. Bán kỳ âm SCR ngưng.
- Điều chỉnh góc dẫn của SCR bằng cách thay đổi tần số dao động của UJT.
6.3. Thyristor (SCR)
6.3.1 Đôi nét về Lịch sử SCR
SCR (Silicon Control Rectifiers ) cũng như các thyristor, đều dựa trên công việc tại các phòng thí nghiệm Bell (Hoa Kỳ). Năm 1950, thyristor được đề xuất bởi William Shockley cùng một số người khác ở phòng thí nghiệm Bell (Hoa Kỳ). Người đứng đầu nghiên cứu là John Moll. Mục tiêu của ông là nhằm tạo ra một sự thay thế cho rơle mà không chuyển động hoặc không có bất kỳ bộ phận cơ khí nào khác, và cuối cùng đã hoàn thành trong năm 1954.
Năm 1957, Silicon Control Rectifiers đã được công ty General Electric thương mại hoá. Người được cho dành chiến thắng về SCR là Bill Gutzwiller.
Ông bắt đầu làm việc cho General Electric vào tháng 1 năm 1955 trong vai trò kỹ thuật tại nhà máy sản xuất bộ chỉnh lưu tại Clyde, nơi Ray York là giám đốc trang web.
Do công việc trước đây của các phòng thí nghiệm Bell, General Electric đã không cấp bằng sáng chế cho SCR vì không có phát minh hoặc hồ sơ nào về các vấn đề pháp lý liên quan.
6.3.2 Cấu tạo và hoạt động
SCR là một thiết bị bốn lớp bán dẫn với các vật liệu loại N và P ghép xen kẽ nhau tạo thành cấu trúc PNPN hoặc NPNP. Nó có ba thiết bị đầu cuối được gọi là anode (A), cathode (K) và cổng gate (G). Các cathode là tạp chất nặng nhất, các cổng và anode ít tạp chất hơn. Lớp N trung tâm không chỉ là lớp có nồng độ pha tạp thấp mà còn dày hơn các lớp khác nhằm để hỗ trợ chặn điện áp cao.
SCR có ba mối nối là J1, J2 và J3. Anode được kết nối với vật liệu loại P của cấu trúc PNPN trong khi cathode được kết nối với vật liệu loại N. Cổng Gate được nối với vật liệu loại P gần cathode.
Đây là những thiết bị đơn hướng và chỉ thực hiện theo một hướng. Đó là từ Anode đến Cathode. Việc kích hoạt SCR xảy ra khi cổng của nó nhận được điện áp dương. SCR thường được sử dụng trong việc chuyển đổi các ứng dụng như trình điều khiển relay, bộ sạc pin, v.v.






