Bảng 3.15. Cung độ vận tải theo thiết bị vận tải và chiều cao nâng tải
Giá trị | Cung độ vận tải theo chiều cao đổ khi H = 100 m | ||||||
Chiều cao tầng (m) | 5 | 10 | 20 | 30 | 40 | 50 | |
Ô tô 36 tấn | Lên dốc (103 Km) | 12.087 | 12.314 | 12.766 | 13.127 | 13.488 | 14.229 |
Xuống dốc (103 Km) | 11.635 | 11.411 | 10.960 | 10.599 | 10.238 | 9.681 | |
Ô tô 58 tấn | Lên dốc (103 Km) | 7.543 | 7.664 | 7.945 | 8.169 | 8.394 | 8.854 |
Xuống dốc (103 Km) | 7.263 | 7.124 | 6.844 | 6.620 | 6.396 | 6.050 | |
Ô tô 91 tấn | Lên dốc (103 Km) | 4.565 | 4.651 | 4.821 | 4.956 | 5.092 | 5.370 |
Xuống dốc (103 Km) | 4.396 | 4.313 | 4.144 | 4.008 | 3.873 | 3.664 | |
Cung độ vận tải theo chiều cao đổ khi H = 200 m | |||||||
Ô tô 36 tấn | Lên dốc (103 Km) | 33.268 | 33.722 | 34.626 | 35.438 | 36.432 | 37.622 |
Xuống dốc (103 Km) | 32.368 | 31.919 | 31.018 | 30.206 | 29.213 | 28.528 | |
Ô tô 58 tấn | Lên dốc (103 km) | 20.689 | 20.971 | 21.533 | 22.038 | 22.654 | 23.393 |
Xuống dốc (103 km) | 20.129 | 19.851 | 19.292 | 18.788 | 18.172 | 17.747 | |
Ô tô 91 tấn | Lên dốc (103 km) | 12.516 | 12.688 | 13.027 | 13.332 | 13.705 | 14.151 |
Xuống dốc (103 km) | 12.178 | 12.011 | 11.673 | 11.369 | 10.996 | 10.740 | |
Cung độ vận tải theo chiều cao đổ khi H = 300 m | |||||||
Ô tô 36 tấn | Lên dốc (103 km) | 61.720 | 64.124 | 65.480 | 66.835 | 68.009 | 70.079 |
Xuống dốc (103 km) | 61.725 | 61.421 | 60.069 | 58.715 | 57.542 | 56.438 | |
Ô tô 58 tấn | Lên dốc (103 km) | 38.368 | 39.862 | 40.705 | 41.546 | 42.275 | 43.560 |
Xuống dốc (103 km) | 38.368 | 38.181 | 37.343 | 36.503 | 35.775 | 35.090 | |
Ô tô 91 tấn | Lên dốc (103 km) | 23.206 | 24.110 | 24.619 | 25.127 | 25.567 | 26.344 |
Xuống dốc (103 km) | 23.206 | 23.094 | 22.588 | 22.080 | 21.640 | 21.227 | |
Có thể bạn quan tâm!
-
Phân Loại Các Bãi Thải Lớn Tại Vùng Cẩm Phả Theo Nguy Cơ Mất Ổn Định -
Kết Quả Tính Diện Tích Chiếm Dụng Đất Bãi Thải 1 Tầng Có Đáy Hình Vuông, Tròn, Chữ Nhật Và Elip Với Chiều Cao Tầng Thải Và Dung Tích Chất Thải -
Nghiên Cứu Lựa Chọn Các Thông Số Bãi Thải Cho Các Mỏ Than Lộ Thiên Vùng Cẩm Phả -
Hệ Số Ổn Định Bãi Thải Theo Các Thông Số C, Khác Nhau -
Trình Tự Đổ Thải Kết Hợp Các Giai Đoạn 2,3… -
Công Nghệ Thải Đất Đá Khi Vận Tải Bằng Băng Tải
Xem toàn bộ 222 trang tài liệu này.
Chi phí vận tải trong quá trình đổ thải được xác định theo công thức:
Cvt Vt .cvt
Trong đó: Vt - khối lượng vận tải, Tkm; Cvt- chi phí vận tải, đ/Tkm.
b.2) Chi phí gạt bãi thải
(3.46)
Khối lượng san gạt được xác định trên cơ sở mối quan hệ giữa kích thước hình học thùng xe, khoảng cách từ đáy mép ngoài thùng xe tới mặt tầng thải, chiều cao tầng thải. Trong điều kiện tính chất cơ lý đất đá thải, rõ ràng khi đổ thải theo phương pháp chu vi chiều cao tầng thải càng lớn, khối lượng san gạt càng nhỏ.
Bề dày 1 lần đổ thải từ ô tô xuống sườn tầng được tính theo công thức [7]:
(3.45)
Khối lượng gạt của 1 lần ô tô đổ xác định theo công thức [2]:
0
g
M b (d 2 .tg
(3.46)
Chiều dài 1 lần gạt xác định theo công thức:
(2h0
H )2 4q.tgH
b .
L 0 r, m
g 2tg
(3.47)
Khối lượng đất đá cần san gạt theo chiều cao tầng và loại ô tô đổ thải được tính toán và thể hiện ở Bảng 3.16.
Bảng 3.16. Khối lượng san gạt đất đá thải theo chiều cao tầng
Khối lượng san gạt, 106 m3 | ||||||
5 | 10 | 20 | 30 | 40 | 50 | |
Ô tô 36 tấn, lên dốc | 57 | 11 | 7 | 6 | 5 | 5 |
Ô tô 58 tấn, lên dốc | 45 | 16 | 8 | 6 | 5 | 5 |
Ô tô 64 tấn, lên dốc | 50 | 16 | 8 | 5 | 5 | 5 |
Ô tô 91 tấn, lên dốc | 70 | 30 | 18 | 9 | 8 | 8 |
Chi phí vận tải trong quá trình đổ thải được xác định theo công thức:
𝐶𝑔= 𝑉𝑔. 𝑐𝑔, đ/m3 (3.50)
Trong đó: Vg - khối lượng gạt trên bãi thải, m3; cg - đơn giá gạt, đ/m3.
Trên cơ sở khối lượng vận tải, chiều cao nâng tải, đơn giá hiện tại, NCS tính toán chi phí san gạt cho mô hình bãi thải có kích thước 1000 x 1000 m, chiều cao bãi thải 200 m, ứng với từng loại tải trọng thiết bị khi ô tô vận tải lên đốc và xuống dốc. Kết quả tính toán thể hiện trong Bảng 3.17.
Bảng 3.17. Chi phí san gạt theo chiều cao tầng khi H = 200 m
Chi phí đổ thải theo chiều cao tầng, 109đ | ||||||
5 | 10 | 20 | 30 | 40 | 50 | |
Xe 36 tấn | 218 | 42 | 27 | 23 | 20 | 19 |
Xe 58 tấn | 173 | 61 | 29 | 24 | 21 | 20 |
Xe 64 tấn | 192 | 61 | 29 | 21 | 20 | 18 |
Xe 91 tấn | 269 | 115 | 69 | 36 | 32 | 30 |
b.3) Chi phí vận tải và san gạt
Chi phí đổ thải được xác định theo công thức:
Cđt = Cvt + Cg , đ (3.48)
Trong đó: Cvt - chi phí vận tải đất đá, đ; Cg - chi phí gạt, đ.
Tổng chi phí vận tải và gạt khi ô tô lên dốc và xuống dốc được thể hiện ở Bảng 3.18 và các Hình 3.18-3.19.
Bảng 3.18. Tổng chi phí vận tải và gạt theo chiều cao tầng khi lên dốc
Tổng chi phí vận tải và gạt theo chiều cao tầng, 109 đồng | ||||||
Ô tô lên dốc | ||||||
5 | 10 | 20 | 30 | 40 | 50 | |
q = 36 Tấn | 1.745 | 1.585 | 1.602 | 1.626 | 1.658 | 1.688 |
q = 58 tấn | 1.702 | 1.606 | 1.605 | 1.629 | 1.660 | 1.691 |
q = 96 tấn | 1.799 | 1.661 | 1.647 | 1.642 | 1.673 | 1.702 |
Ô tô xuống dốc | ||||||
q =36 Tấn | 1175 | 994 | 970 | 957 | 944 | 934 |
q = 58 tấn | 1131 | 1015 | 973 | 960 | 947 | 936 |
q = 96 tấn | 1228 | 1070 | 1015 | 973 | 959 | 947 |
1,850
1,800
1,750
1,700
1,650
1,600
1,550
0
10
20
30
40
50
60
q=36 Tấn
q= 58 tấn
Chiều cao tầng h
q= 96 tấn
Tổng chi phí ô tô + gạt
Hình 3.18. Quan hệ giữa tổng chi phí ô tô và máy gạt với chiều cao tầng
1400
1200
1000
800
600
400
200
0
0
10
20
30
Chiều cao tầng h
40
50
60
36 Xuống dốc
58 Xuống dốc
96 Xuống dốc
Tổng chi phí đổ thải và gạt
khi lên dốc
Hình 3.19. Quan hệ giữa tổng chi phí ô tô và máy gạt với chiều cao tầng khi xuống dốc
Qua các Hình 3.18 và 3.19 cho thấy: mỗi loại ô tô đổ thải khi lên dốc có giá trị chiều cao tầng thải nhất định. Khi xuống dốc, chiều cao tầng càng lớn, tổng chi phí càng nhỏ.
c) Lựa chọn chiều cao tầng thải hợp lý
Chiều cao tầng khi đổ thải lên dốc được lựa chọn trên cơ sở : Hệ số ổn định lớn nhất, chi phí nhỏ nhất. Từ các phân tích trên chọn chiều cao tầng thải h = 13÷15 m đối với ô tô có tải trọng 36÷58 tấn, h = 30 m đối với ô tô q = 96 tấn.
3.3.2.2. Nghiên cứu lựa chọn góc dốc tầng thải phù hợp
Khảo sát tương tự với mô hình đất đá thải như trên bằng phần mềm PHASE2 với: góc dốc tầng thải thay đổi β =22÷40o, chiều cao tầng thải thay đổi từ 30÷50 m, kết quả tính toán hệ số ổn định trong các trường hợp đất đá tự nhiên và bão hòa nước thể hiện trong Bảng 3.19. và các Hình 3.20 và 3.21.
3.00
2.50
2.00
1.50
1.00
0.50
0.00
0
5
10
15
20
25
30 35
40
45
Góc dốc sườn tầng
h = 30m
h = 40m
h = 50m
Bảng 3.19. Mối quan hệ giữa hệ số ổn định đất đá với với góc dốc sườn tầng thải của đất đá tự nhiên và bão hòa
Hệ số ổn định | ||||||
Trạng thái tự nhiên | Trạng thái bão hòa | |||||
Ht = 30 m | Ht = 40 m | Ht = 50 m | Ht = 30 m | Ht = 40 m | Ht = 50 m | |
22 | 2,40 | 2,13 | 1,96 | 2,07 | 1,85 | 1,71 |
25 | 2,22 | 1,96 | 1,79 | 1,90 | 1,69 | 1,56 |
30 | 1,99 | 1,74 | 1,58 | 1,70 | 1,50 | 1,36 |
35 | 1,8 | 1,56 | 1,41 | 1,54 | 1,34 | 1,22 |
37 | 1,75 | 1,51 | 1,36 | 1,48 | 1,29 | 1,17 |
40 | 1,65 | 1,43 | 1,28 | 1,40 | 1,22 | 1,10 |
Hệ số ổn định đất đá tự nhiên
Hình 3.20. Quan hệ giữa hệ số ổn định và góc nội ma sát với chiều cao tầng với đất đá thải tự nhiên
2.50
2.00
1.50
1.00
0.50
0.00
0
5
10
15
20
25
30
35
40
45
Góc dốc sườn tầng
h = 30m
h = 40m
h = 50m
Hệ số ổn định khi đát đá bão hòa
Hình 3.21. Quan hệ giữa hệ số ổn định và góc dốc sườn tầng thải với chiều cao tầng khi đất đá thải bão hòa nước
Từ Bảng 3.19 và các Hình 3.19-3.20 nhận thấy: để đảm bảo ổn định n >1,3 trong cả mùa mưa và mùa khô góc dốc sườn tầng thải chọn từ 35÷37o.
3.3.2.3. Nghiên cứu lựa chọn bề rộng mặt tầng thải hợp lý
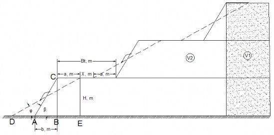
Sức chứa của bãi thải bị ảnh hưởng bởi các thông số xác định như góc dốc bãi thải (α, độ), chiều cao của các tầng (hi, m) và chiều rộng mặt tầng thải Bt, m. Góc dốc chung của bãi chứa càng gần với góc nội ma sát nhỏ nhất thì bãi thải càng an toàn.
Góc dốc chung của bãi chứa càng gần với độ ổn định tối đa, thì các tầng của bãi chứa càng cao và chiều rộng của mặt tầng thải càng nhỏ, dung tích bãi thải càng lớn Phương pháp luận tính toán chiều rộng hợp lý của mặt tầng thải (Bt, m), dựa trên nguyên tắc ổn định địa kỹ thuật và giữ mức tối thiểu cần thiết (X, m) nếu có hiện tượng trượt lở hoặc sau khi kết thúc đổ thải cần cải tạo bãi thải. Để tính toán chiều rộng hợp lý của mặt tầng thải (Hình 3.22).

Hình 3.22. Sơ đồ tính toán chiều rộng mặt tầng thải
Tham số mục tiêu được trình bày dưới dạng tổng của chiều rộng mặt tầng thải đảm bảo vận hành an toàn cho máy móc và cơ cấu sau khi hoàn thành giai đoạn cải tạo kỹ thuật khai thác (phần trung tâm, X, m) và hai phần cạnh (a, m) do sạt lở hoặc cải tạo.
Bt = X + 2a, m. (3.49)
Rõ ràng b = Ht × ctg β, m nên b+2a= Ht.ctgα Từ đó a = 0,5Ht(ctgα- ctgβ)
Như vậy Bt = X + Ht (ctgα- ctgβ), m
Với X không thay đổi, khu vực Cẩm Phả có mưa lũ bất thường, để đảm bảo an toàn cần chọn Bt lớn nhất khi giá trị α có thể được tính toán bằng góc nội ma sát của đất đá bão hòa bh; Bt nhỏ nhất khi X = 0. Từ đó Bt lớn nhất và nhỏ nhất được xác định theo công thức:
Btmax = X + Ht (ctgbh – ctgβ), m (3.50)
Btmin = Ht (ctgbh – ctgβ), m (3.51)
Bảng 3.20. Bề rộng mặt tầng thải nhỏ nhất tại khu vực Cẩm Phả
Đơn vị | Giá trị | |||||
bh | Độ | 15 | 18 | 20 | 22 | 25 |
Btmax | m | 80 | 60 | 50 | 42 | 32 |
Btmin | m | 70 | 50 | 40 | 32 | 22 |
3.3.2.4. Lựa chọn chiều cao bãi thải
a) Lựa chọn chiều cao bãi thải theo tính chất đất đá nền
Khi đổ bãi trên nền đất yếu (trong mọi trường hợp, đất của nền bãi được coi là yếu nếu đặc tính chống cắt của chúng nhỏ hơn đá trong thân bãi) hoặc ngược lại nền cứng, chiều cao tối đa của bãi thải cần được xem xét qua tải trọng tới hạn của bãi thải.
Tải trọng tới hạn trên mặt đất do áp suất thẳng đứng gây ra có thể được xác định theo [34] bằng công thức:
𝑃𝑡ℎ =
𝐶𝑛
𝑡𝑔𝑛
(𝑡𝑔2
(45 +
𝑛
2
) 𝑒
𝑡𝑔𝑛 − 1) , 𝑀𝑃𝑎 (3.52)
Trong đó: Сn - Lực dính kết của nền, MPa; n - góc nội ma sát của nền, độ; e = 2,71; = 3,14.
Tải trọng cho phép lên đất với hệ số an toàn n = 1,3 được xác định theo công thức:
𝑃𝑐𝑝
=𝑃𝑡ℎ
𝑛
(3.53)
= m (3.54)
Chiều cao tối đa có thể có của các bãi thải tương ứng với độ ổn định của đất nền có thể được tìm thấy từ biểu thức:
𝐻𝑚𝑎𝑥
𝑃𝑐𝑝
𝑛.
Trong đó: Нmax - chiều cao tối đa có thể có của bãi chứa, m; Pcp - tải trọng đất cho phép, MPa; - dung trọng tính toán của đá trong bãi thải, MPa/m3.
Đối với vùng Cẩm Phả đất đá nền bãi thải có các thông số tính chất cơ lý ở Bảng 3.21, với dung trọng đất đá trong bãi thải = 2÷2,2 t/m3 thì chiều cao tối đa của bãi thải là Hmax = 460 m.
Bảng 3.21. Các tính chất đất đá nền bãi thải tại vùng Cẩm Phả
Tính chất | Đơn vị | Giá trị | |
1 | Độ ẩm tự nhiên, W | % | 9,05 |
2 | Khối lượng thể tích tự nhiên, γ | g/cm3 | 1,82 |
3 | Góc ma sát trong, φ | độ | 26,51 |
4 | Lực dính kết, C | MPa | 0,5 |
5 | Hệ số nén lún, a | cm2/kG | 0,01 |






