lỏng chuyển động theo các đường dòng riêng biệt không hoà trộn vào nhau. Khi đó, phương thức truyền nhiệt chủ yếu là dẫn nhiệt qua các lớp chất lỏng nên truyền nhiệt đối lưu bị hạn chế, chênh lệch nhiệt độ giữa các khu vực khá rõ rệt. Trong chế độ chảy rối, chất lỏng chuyển động hỗn loạn, hoà trộn vào nhau, do đó truyền nhiệt được tăng cường mạnh mẽ, phân bố nhiệt độ trong chất lỏng trở nên đồng đều hơn. Để đánh giá chế độ chảy, người ta dùng tiêu chuẩn đồng dạng Reynolds (Re) là một đại lượng không thứ nguyên có biểu thức: Re = γwL ở đây : w - tốc độ dòng chảy (m/s) L - kích thước xác định (m) là kích thước dài được chọn trong khi tính toán, đó có thể là đường kính ống nếu ống đặt nằm, là chiều dài ống nếu ống đặt đứng hoặc là chiều tấm phẳng theo hướng dòng chảy. γ- hệ số nhớt động học của chất lỏng (m2/s)Thực nghiệm đã chứng tỏ rằng:
* Re <2300 , dòng chất lỏng ở chế độ chảy tầng
* Re ≥2300 , dòng chất lỏng ở chế độ chảy rối
Nhưng ngay cả khi dòng chất lỏng chảy rối, do có ma sát giữa chất lỏng và bề mặt vách ống mà ở sát mặt vách luôn tồn tại một lớp chất lỏng chảy tầng gọi là lớp đệm tầng. Chính chiều dày lớp đệm tầng ảnh hưởng quyết định đến cường độ toả nhiệt giữa chất lỏng và vách.
Đặc điểm hình học của bề mặt toả nhiệt: Cường độ toả nhiệt cũng phụ thuộc rất nhiều vào hình dáng, kích thước, đặc điểm bề mặt của vách ống.
e. Một số hình thức trao đổi nhiệt đối lưu thường gặp
* Dạng tổng quát của phương trình tiêu chuẩn:
Nếu xét bài toán truyền nhiệt đối lưu ổn định (nhiệt độ không thay đổi theo thời gian), phương trình tiêu chuẩn có dạng tổng quát:
Nu = f(Re,Gr, Pr) = a. Rem. Grn. Prp
Tuỳ từng trường hợp cụ thể mà phương trình (1.6) có thể có dạng đơn giản hơn Nếu môi trường đối lưu là chất khí hoặc hơi, tiêu chuẩn Pr trở thành hằng số nên bị loại ra khỏi phương trình tiêu chuẩn
Trường hợp đối lưu cưỡng bức (xuất hiện thông số tốc độ dòng trong dữ kiện của bài toán), nếu chất lỏng chảy rối, yếu tố đối lưu tự do bị bỏ qua, do đó tiêu chuẩn Gr bị loại khỏi phương trình tiêu chuẩn; nếu chất lỏng chảy tầng, phải kể đến yếu tố đối lưu tự do, vì thế tiêu chuẩn Gr phải có mặt trong phương trình tiêu chuẩn
Trường hợp đối lưu tự do, tiêu chuẩn Re bị loại ra khỏi phương trình tiêu chuẩn. Nội dung vừa trình bày được tổng kết trong bảng sau:
Có mặt | Vắng mặt | |
Re | Đối lưu cưỡng bức | Đối lưu tự do |
Gr | a. Đối lưu tự do b. Đối lưu cưỡng bức | Đối lưu cưỡng bức chảy rối |
Pr | Môi trường lỏng | Môi trường khí, hơi |
Có thể bạn quan tâm!
-
Kỹ thuật lạnh Nghề Điện công nghiệp - Trình độ Cao đẳng - Trường Cao Đẳng Dầu Khí năm 2020 - 1 -
Kỹ thuật lạnh Nghề Điện công nghiệp - Trình độ Cao đẳng - Trường Cao Đẳng Dầu Khí năm 2020 - 2 -
Hơi Và Các Thông Số Trạng Thái Của Hơi. Các Thể (Pha) Của Vật Chất: -
Ý Nghĩa Của Kỹ Thuật Lạnh Trong Đời Sống Và Kỹ Thuật: -
Môi Chất Freon 22: Công Thức Cấu Tạo: Chclf2 Ký Hiệu: R22 -
Các Hệ Thống Lạnh Thông Dụng 2.3.1.hệ Thống Lạnh Với 1 Cấp Nén 2.3.1.1.sơ Đồ 1 Cấp Nén Đơn Giản
Xem toàn bộ 148 trang tài liệu này.
1.2.3. Trao đổi nhiệt bức xạ.
1.2.3.1. Các khái niệm và định nghĩa
* Đặc điểm: Truyền nhiệt bức xạ là phương thức truyền nhiệt bằng sóng điện từ. Mọi vật trong tự nhiên đều có khả năng phát ra năng lượng dưới dạng sóng điện từ, lan truyền trong không gian theo các bước sóng khác nhau với tốc độ bằng tốc độ ánh sáng (3.108m/s). Khi đập vào bề mặt vật cản, một phần năng lượng sóng được biến thành nhiệt, làm tăng nội năng của vật cản. Quá trình tổng hợp gồm 2 giai đoạn: bức
xạ năng lượng điện từ ở 1 vật (vật bức xạ) và hấp thụ một phần năng lượng đó ở một vật khác (vật hấp thụ) được gọi là quá trình truyền nhiệt bức xạ. Như vậy, năng lượng nhiệt đã được truyền qua khoảng cách mà không cần bất cứ yếu tố trung gian nào. Cần lưu ý rằng một vật vừa có thể bức xạ, vừa có thể hấp thụ năng lượng bất kể tương quan nhiệt độ giữa nó và các vật xung quanh ra sao, nhưng vật có nhiệt độ cao hơn sẽ bức xạ nhiều năng lượng hơn so với vật có nhiệt độ thấp hơn, kết quả là năng lượng sẽ được truyền từ vật nóng hơn tới vật lạnh hơn. Như vậy có thể nói giữa hai vật có nhiệt độ khác nhau tham gia vào quá trình truyền nhiệt bức xạ, bức xạ nhiệt là quá trình 2 chiều (vật nóng hơn bức xạ nhiệt cho vật lạnh hơn và ngược lại) nhưng truyền nhiệt bức xạ lại chỉ là quá trình 1 chiều(nhiệt được truyền từ vật nóng hơn tới vật lạnh hơn).
Sóng điện từ do các vật phát ra có bước sóng λrất khác nhau. Những sóng có bước sóng λ= 0,4÷400 µm, đặc biệt là các tia hồng ngoại (λ= 0,8 ÷400 µm), có khả năng biến thành nhiệt nhiều nhất nên được gọi là các tia nhiệt.
Đối với chất rắn và chất lỏng, các sóng bức xạ có λ biến thiên liên tục từ 0 đến
∞, quang phổ là 1 dải liên tục gồm nhiều màu sắc kế tiếp nhau; quá trình bức xạ và hấp thụ chỉ xảy ra tại lớp bề mặt rất mỏng. Chất khí bức xạ ra các sóng có bước sóng nhất định, quang phổ gồm những khoảng sáng có màu sắc khác nhau xen kẽ các khoảng tối; quá trình bức xạ và hấp thụ yếu hơn nhiều so với chất rắn, chất lỏng và xảy trong toàn bộ thể tích khối khí.
So sánh với dẫn nhiệt và đối lưu, truyền nhiệt bức xạ có những điểm khác biệt
sau:
♦ Dẫn nhiệt và đối lưu chỉ xảy ra khi các vật tiếp xúc với nhau. Truyền nhiệt bức xạ không đòi hỏi các vật phải tiếp xúc mà được thực hiện qua khoảng cách, ngay cả trong chân không.
♦ Dẫn nhiệt và đối lưu về bản chất là quá trình truyền động năng phân tử giữa các vật có nhiệt độ khác nhau. Truyền nhiệt bức xạ có bản chất hoàn toàn khác: đó là quá trình trao đổi năng lượng sóng điện từ giữa các vật và bị chi phối rất mạnh bởi các yếu tố liên quan đến môi trường lan truyền sóng.
♦ Dẫn nhiệt và đối lưu chiếm ưu thế ở khu vực nhiệt độ thấp. Truyền nhiệt bức xạ chiếm
ưu thế ở khu vực nhiệt độ cao.
* Các thông số đặc trưng
Dòng bức xạ toàn phần (Φ): Là tổng năng lượng bức xạ tính cho toàn bộ bước sóng phát ra từ một bề mặt trong thời gian 1 giây.
Gọi Q (J) là toàn bộ năng lượng bức xạ phát ra từ một bề mặt trong thời gian τ(s), thì: Φ= dQ/ dτ (w)
Nếu chỉ xét năng lượng bức xạ trong một khoảng bước sóng rất hẹp (quang phổ bức xạ chỉ có một màu) trong thời gian 1 giây, năng lượng đó được gọi là dòng bức xạ đơn sắc Φλ
Năng suất bức xạ (E): Là năng lượng bức xạ tính cho toàn bộ bước sóng phát ra từ 1 m2 diện tích bề mặt trong thời gian 1 giây.
Gọi F (m2) là diện tích bề mặt bức xạ thì:
E = dΦ/dF (W/m2)
Cường độ bức xạ (Iλ): Là biến thiên của năng suất bức xạ theo bước sóng xét trong khoảng bước sóng vô cùng bé và có biểu thức là:
Iλ=dE/ λ d (W/m3)
Như vậy Iλ chính bằng đạo hàm của năng suất bức xạ theo bước sóng. Suy ra:
dE= Iλdλ →E =
λ1
.
∫λ2 I λ . dλ
Năng suất bức xạ hiệu quả (Eh): Xét một vật hấp thụ, bề mặt của nó nhận được một năng lượng bức xạ là Q.
Trong trường hợp tổng quát, bề mặt hấp thụ một lượng là QA, phản xạ một lượng là QR và cho đi qua nó lượng còn lại là QD.

Cân bằng năng lượng có dạng :
Q = QA+ QR + QD
Các tỷ số A = QA/Q; R = QR/Q và D = QD/Q tương ứng được gọi là hệ số hấp thụ, hệ số phản xạ và hệ số xuyên qua.
Như vậy A + R+ D = 1
Với đa số vật rắn, QD= 0 nên D = 0 →A + R = 1
Vật có hệ số hấp thụ A=1 được gọi là vật đen tuyệt đối, vật có hệ số phản xạ
R=1 được gọi là vật trắng tuyệt đối. Trong thực tế, không tồn tại những vật đặc biệt như vậy mà chỉ có các vật xám (A<1, R<1).
Theo định nghĩa, vật xám là vật mà tỷ số giữa cường độ bức xạ của nó và cường độ bức xạ của vật đen tuyệt đối ở nhiệt độ bất kỳ tại mọi bước sóng luôn là hằng số.
Kết quả là năng lượng tổng cộng phát ra từ 1m2 bề mặt trong 1 giây gồm 2 thành phần:

• Thành phần bức xạ riêng được đặc trưng bằng năng suất bức xạ E
• Thành phần phản xạ được đặc
trưng bằng năng suất phản xạ ER= R.E'
ở đây E' là năng lượng do 1 m2 bề mặt nhận được trong 1 giây từ các nguồn bức xạ khác.
Năng lượng tổng cộng đó được gọi là năng suất bức xạ hiệu quả Eh.
Vậy: Eh= E + ER= E + R.E' = E + (1- A)E'
1.2.4.Truyền nhiệt và thiết bị trao đổi nhiệt. 1.2.4.1.Truyền nhiệt:
Truyền nhiệt là quá trình trao đổi nhiệt giữa 2 môi trường có nhiệt độ khác nhau qua vách ngăn cách. Đây là trường hợp trao đổi nhiệt phức tạp thường gặp trong thực tế.
Quá trình trao đổi nhiệt này thường qua các giai đoạn sau:
- Trao đổi nhiệt giữa các môi trường có nhiệt độ cao có bề mặt vách ngăn được thực hiện cơ bản bằng đối lưu hoặc bằng đối lưu bức xạ.
- Dẫn nhiệt qua bề mặt vách ngăn.
- Trao đổi nhiệt giữa bề mặt vách ngăn và môi trường có nhiệt độ thấp được thực hiện cơ bản bằng đối lưu.
Tuy theo bề mặt vách ngăn, chúng ta sẽ có truyền nhiệt qua vách phẳng, vách trụ.
a. Truyền nhiệt qua vách:
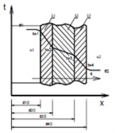
Truyền nhiệt theo nghĩa hẹp là tên gọi của hiện tương TĐN phức hợp giữa 2 chất lỏng có nhiệt độ khác nhau, thông qua bề mặt ngăn cách của một vật rắn. Hiện tượng này thường hay gặp trong thực tế và trong các thiết bị TĐN.
Tuỳ theo đặc trưng pha của hai chất lỏng, các quá trình TĐN trên mặt W1, W2 của vật rắn có thể bao gòm 1 hoặc 2 phương thức đối lưu và bức xạ, còn trong vách chỉ xảy ra dẫn nhiệt đơn thuần như mô tả trên hình
*. Khi vách ngăn ổn định nhiệt thì
hệ phương trình mô tả lượng nhiệt Q truyền từ chất lỏng nóng (1) đến chất lỏng lạnh
(2) sẽ có dạng:
Q = Q1w1= Qở + Q2w2

b. truyền nhiệt qua vách phẳng
*truyền nhiệt qua vách phẳng một lớp
Giả sử có một vách phẳng một lớp:
- Hệ số dẫn nhiệt của vật liệu làm vách là : λ ( W/mK)
- Chiều dày vách : δ (m)
Một phía bề mặt vách tiếp xúc với môi trường có:
- Nhiệt độ : tf1 ( 0K)
- Hệ số tỏa nhiệt từ môi trường tới bề mặt vách : α1 Một phía bề mặt vách tiếp xúc với môi trường có :
- Nhiệt độ : tf2 ( 0K)
- Hệ số tỏa nhiệt từ môi trường tới bề mặt vách: α2
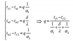
Giả sử tƒ1 > tƒ2 quá trình trao đổi nhiệt giữa hai môi trường qua vách sẽ được thực hiện và dòng nhiệt sẽ hướng từ môi trường có nhiệt độ cao đến môi trường có nhiệt độ thấp
. Gọi tw1 là nhiệt độ bề mặt vách tiếp xúc với môi trường nóng, tw2 là nhiệt độ bề mặt vách tiếp xúc với môi trường lạnh.

Khi đó mật độ dòng nhiệt có thể viết
q= α1 (tƒ1 - tw1)
q= λ δ
(tw1 - tw2)
q= α2 (tw1 - tƒ1)
trong hệ phương trình này q, tw1 , tw2 chưa biết, giải hệ phương trình này ta có thể xác định được q, tw1 , tw2
ta cần chú ý rằng với quá trình ổ định, giá trị q không đổi. Biến đổi các phương trình trên thành :

Đặt :
k: là hệ số truyền nhiệt của vách phẳng một lớp.
Khi đó: q = k(tf1 – tf2) (W/m2) Dòng nhiệt : Q=qF=kF(tf1-tf2) (W)
Đại lượng nghịch đảo của hệ số truyền nhiệt gọi là nhiệt trở truyền nhiệt R
R= ( (1) + 𝛿 + 1
) (m2/K.W)
𝜆1 𝜆 𝜆2
Q= k F Δt
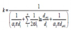
*.Truyền nhiệt qua vách phẳng nhiều lớp.
Vách ngăn giữa hai môi trường là vách phẳng nhiều lớp có
Chiều dày tương ứng là : δ1, δ2,……… δn (m)
Hệ số dẫn nhiệt tương ứng là: λ1, λ2,…… λn ( W/mK)

Bằng cách chứng minh tương tự ta có:
q = k(tf1-tf2) ( W/m2)
trong đó k là hệ số truyền nhiệt của vách phẳng nhiều lớp:
k=1
(1∑𝑛𝛿𝑖+1)
( W/m2)
𝛼1
1 𝜆𝑖
𝛼2
Biết q chúng ta dễ dàng xác định được tw1, tw2,……..twn.
Q= kFΔt
c. Truyền nhiệt qua vách trụ
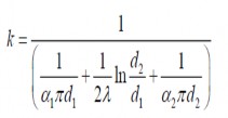
*. Truyển nhiệt qua vách trụ một lớp.
Giả sử có một vách trụ một lớp :
- hệ số dẫn nhiệt của vật liệu làm vách là:
- Đường kính trong : d1 (m)
- Đường kính ngoài : d2 (m)
- Chiều dài vách : l (m)
Một phía bề mặt vách tiếp xúc với môi trường có:
- Nhiệt độ : tf1 (0K)
- Hệ số tỏa nhiệt từ môi trường tới bề mặt vách : α1 Một phía bề mặt vách tiếp xúc với môi trường có:
- Nhiệt độ : tf2 (0K)
- Hệ số tỏa nhiệt từ bề mặt vách tới môi trường : α2
Giả sử tf1 > tf2 quá trình trao đổi nhiệt giữa hai môi trường qua vách sẽ được thực hiện và dòng nhiệt sẽ hướng từ môi trường có nhiệt độ cao đến môi trường có nhiệt độ thấp . Gọi tw1 là nhiệt độ bề mặt vách tiếp xúc với môi trường nóng tw2 là nhiệt độ bề mặt vách tiếp xúc với môi trường lạnh các nhiệt độ này ta chưa biết . Khi đó mật độ dòng nhiệt ứng với một đơn vị chiều dài vách trụ như sau:
Ký hiệu k
(W/m2.K)
K gọi là hệ số truyền nhiệt của vách trụ một lớp. Khi đó:
q= k(tf1 – tf2) ( W/m2) dòng nhiệt :
Q= qF = kF ( tf1 – tf2) (W)
Đại lượng nghịch đảo của hệ số truyền nhiệt gọi là nhiệt trở truyền nhiệt R
𝑅 = 1 = ( 1 + 𝛿 + 1 ) ( m2.K/W)
𝑘 𝛼1 𝜆 𝛼2
*truyền nhiệt qua vách trụ nhiều lớp.
Vách ngăn giữa hai môi trường là vách trụ nhiều lới có:
Đường kính tương ứng là: d1 , d2,……, dn ( m)
Hệ số dẫn nhiệt tương ứng là: λ1, λ2, ….., λn ( W/mK)

Bằng cách chứng minh tương tự ta có: q= k(tf1 – tf2) ( W/m2)

trong đó k là hệ số truyền nhiệt của vách trụ nhiều lớp:
W/m2
Biết q chúng ta dễ dàng xác định được tw1, tw2,….,twn
1.2.4.2.Thiết bị trao đổi nhiệt.
Thiết bị trao đổi nhiệt (TBTĐN) là thiết bị trong đó thực hiện quá trình trao đổi nhiệt (TĐN) giữa các chất mang nhiệt, thường là chất lỏng, khí hoặc hơi.

Các sơ đồ chuyển động của chất lỏng 1, chất lỏng 2, trong thiết bị trao đổi nhiệt vách ngăn.
Theo đặc điểm trao đổi nhiệt, TBTĐN được chia ra 3 loại: loại vách ngăn, loại hồi nhiệt và loại hỗn hợp.
Trong thiết bị trao đổi nhiệt loại vách ngăn, chất lỏng nóng (CL1) bị ngăn cách hoàn toàn với chất lỏng lạnh (CL2) bởi bề mặt vách hoặc ống bằng vật rắn và quá trìnhTĐN giữa (CL1) với (CL2) được thực hiện theo kiểu truyền nhiệt như đã giới thiệu .
Trong thiết bị trao đổi nhiệt loại hồi nhiệt, vách TĐN được quay để nó tiếp xúc với CL1 và CL2 một cách tuần hoàn, khiến cho quá trình TĐN luôn ở chế độ không ổn định, và nhiệt độ trong vách luôn dao động tuần hoàn theo chu kỳ quay. Trong thiết bị trao đổi nhiệt loại hỗn hợp, chất lỏng nóng tiếp xúc trực tiếp với chất lỏng lạnh, khiến cho quá trình trao đổi chất luôn xảy ra đồng thời với quá trình TĐN giữa hai chất này. Việc cách li hoàn toàn chất cần gia công với chất tải nhiệt là yêu cầu phổ biến của nhiều quá trình công nghệ, do đó TBTĐN loại vách ngăn được sử dụng rộng rãi trong sản xuất.
Theo chiều chuyển động của hai chất lỏng, TBTĐN loại vách ngăn được chia ra 2 kiểu chính: kiểu song song và kiểu giao nhau. Trong thiết bị trao đổi nhiệt kiểu song song, véc tơ vận tốc 2 chất lỏng song song nhau.
TÓM TẮT NỘI DUNG BÀI 1:
2.1. Nhiệt động kỹ thuật
2.2. Truyền nhiệt.
CÂU HỎI CỦNG CỐ BÀI 1:
Câu 1: Hệ nhiệt động nào dưới đây trong đó có sự trao đổi chất giữa hệ và môi trường xung quanh?
A Hệ nhiệt động hở
B Hệ nhiệt động kín
C Hệ nhiệt động cô lập
D Tất cả các đáp án còn lại đều đúng
Câu 2: Hệ nhiệt động cách ly hoàn toàn với môi trường xung quanh là ? A Hệ nhiệt động hở
B Hệ nhiệt động kín
C Hệ nhiệt động cô lập
D Tất cả các đáp án còn lại đều sai
Câu 3: Áp suất của không khí tác dụng lên bề mặt các vật trên trái đất gọi là ? A Áp suất dư
B Á p suất tuyệt đối
C Áp suất khí quyển






